基于QC方法的缩短PCB底板压装时间技术研究.docx

上传人:p** 文档编号:1005031 上传时间:2024-06-15 格式:DOCX 页数:10 大小:204.90KB
下载 相关 举报
基于QC方法的缩短PCB底板压装时间技术研究.docx_第1页
第1页 / 共10页
基于QC方法的缩短PCB底板压装时间技术研究.docx_第2页
第2页 / 共10页
基于QC方法的缩短PCB底板压装时间技术研究.docx_第3页
第3页 / 共10页
基于QC方法的缩短PCB底板压装时间技术研究.docx_第4页
第4页 / 共10页
基于QC方法的缩短PCB底板压装时间技术研究.docx_第5页
第5页 / 共10页
基于QC方法的缩短PCB底板压装时间技术研究.docx_第6页
第6页 / 共10页
基于QC方法的缩短PCB底板压装时间技术研究.docx_第7页
第7页 / 共10页
基于QC方法的缩短PCB底板压装时间技术研究.docx_第8页
第8页 / 共10页
基于QC方法的缩短PCB底板压装时间技术研究.docx_第9页
第9页 / 共10页
基于QC方法的缩短PCB底板压装时间技术研究.docx_第10页
第10页 / 共10页
亲,该文档总共10页,全部预览完了,如果喜欢就下载吧!
资源描述

《基于QC方法的缩短PCB底板压装时间技术研究.docx》由会员分享,可在线阅读,更多相关《基于QC方法的缩短PCB底板压装时间技术研究.docx(10页珍藏版)》请在第壹文秘上搜索。

1、摘要:PCB底板压装工序耗时长,严重影响了生产任务。鉴于此,基于QC方法,采用统计表、因果图、柱状图等QC工具,从现状调查、要因确认、制定对策、对策实施、效果检查几个方面,提出了支撑模具让位设计和垫模镂空设计的思路方法,实现了缩短PCB底板压装时间的目标。关键词:QC方法;PCB底板;压装时间O引言质量管理(QC)小组活动作为一种质量改进方法,自1978年引进我国后,在各行各业发挥了巨大的作用。QC小组围绕企业经营战略、方针目标和现场存在的问题,以改进质量、降低消耗、提高素质和经济效益为目的,运用质量管理的理论和方法开展活动。PCB底板上连接器的安装分为焊接型和压接型。压接方式是通过鱼眼端子等

2、将连接器引脚压接到高速背板上的金属孔内,通过鱼眼端子的塑性形变与孔壁紧密连接起来,实现导电连接。采用压接工艺的PCB不需要清洗,节约成本,环保安全,正在被广泛接受和使用。PCB底板的压装在整个电装过程中普遍存在耗时长的情况,因此,缩短PCB底板压装时间成为一个亟需解决的问题。1实施过程1.1现状调查现行PCB底板压装工艺操作步骤如表1所示。表1压装工艺操作步骤表序号流程各操作步骤具体工作内容1准备A.PCB底板、材料、图纸准备2识图B.熟悉图纸,确定连接器的压接位置、数量、顺序3调试设备C.选择上压模具,调节压接臂高度4连接器压接D.检查压前针脚情况,摆放连接器;选择支撑模具,调节限位支撵滑块

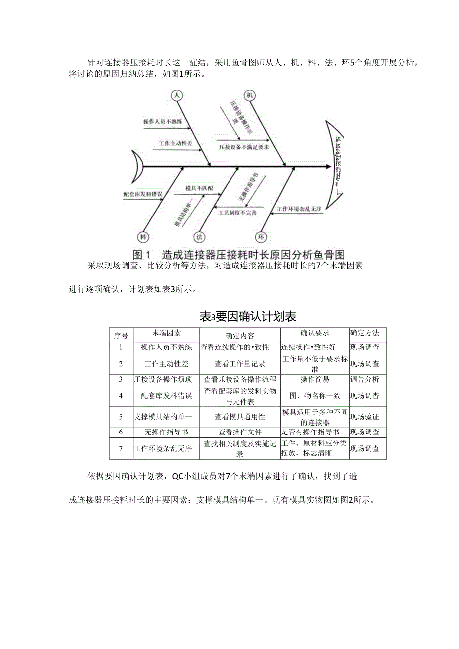
3、、调距、定位;连接器与支撑模具对位;压连接器5自检E.压接完成后自检针对PCB底板压装情况,QC小组与同行业进行了调研交流,获知了在同行业中PCB底板的压装时间普遍约为70min。QC小组分别针对PCB底板的压装工艺流程、各压装步骤的耗时开展现状调查。小组成员跟踪调查了I、口、m、IV四种典型PCB底板压装各工序的耗时情况,如表2所示。课题的症结所在。1.2要因确认针对连接器压接耗时长这一症结,采用鱼骨图师从人、机、料、法、环5个角度开展分析,将讨论的原因归纳总结,如图1所示。连接器Jk接耗时Q采取现场调查、比较分析等方法,对造成连接器压接耗时长的7个末端因素进行逐项确认,计划表如表3所示。表

4、3要因确认计划表序号末端因素确定内容确认要求确定方法1操作人员不熟练查看连续操作的致性连续操作致性好现场调查2工作主动性差查看工作量记录工作量不低于要求标准现场调查3压接设备操作烦琐查看乐接设备操作流程操作简易调告分析4配套库发料错误查看配套库的发料实物与元件表图、物名称一致现场调杳5支撑模具结构单一查看模具通用性模具适用于多种不同的连接器现场验证6无操作指导书查看操作文件是否有操作指导书现场调查7工作环境杂乱无序查找相关制度及实施记录工件、原材料应分类摆放,标志清晰现场调查依据要因确认计划表,QC小组成员对7个末端因素进行了确认,找到了造成连接器压接耗时长的主要因素:支撑模具结构单一。现有模

5、具实物图如图2所示。图2现有模具实物图1.3制定对策小组对己确定的要因制定了多项备选对策,将最有价值的对策列入对策表,如表4所示。表4对策表要因对策方案方案对比确定方案支撑模具结构单一设计同类别PCB底板胶木支撑模具优点:可以实现压接目的,股木支操模具成本低缺点:胶木材料耐磨性差,使用次数有限不采纳设计同类别PCB底板股木支撑模具和金属垫模,配合使用优点:可以实现压接目的,金属垫模不易变形,耐磨性好,配合使用时胶木支撑模具使用周期长缺点:需增加少量试制成本采纳根据5W1H的原则,小组成员制定了以下对策,如表5所示。表5对策实施表主要因素对策目标措施支撑模具结构单一更改模具结构设计同一PCB底板

6、支撑模具可通用根据各类PCB文件设计通用模具1.4对策实施1.4.1 支撑模具结构设计PCB底板需压接的连接器虽然种类多,但压接时底板下方需提供一个支撑的反作用力的原理是相同的。再结合产品的特点,对已装联的器件和连接器针脚做了对应的让位设计,设计了结构如图3所示的支撑模具。图3支撑模具平面结构图1.4.2 支撑模具材质选择由于支撑模具需要在压接平台上反复推送,从耐磨度、重量、成本几个方面考虑,最终选择了印制板的基材作为支撑模具的材料。实物图如图4所示。图4支撑模具实物图1.4.3 垫模结构设计由于支撑模具让位空较多,多次摩擦和压接会导致模具变形,为此又设计了垫模,将支撑模具放在垫模上整体推送使

7、用。垫模的内框尺寸与支撑模具外形尺寸一致,为了减轻重量,垫模增加了镂空设计,垫模与压接平台之间需要一定的摩擦力,以免压接时发生移动,再结合耐磨度、重量、成本等几个因素,最终选择了铝材作为垫模的材料,如图5所示。图5垫模实物图1.4.4 实施过程具体实施步骤如下:(1)将垫模放置于压接机平台上。(2)将支撑模具放置于垫模上。(3)将PCB底板对应放置于支撑模具上,注意PCB底板针脚与支撑模具镂空让位槽对应。(4)将上压模具对应放置于待压连接器上。(5)操纵压接机对上压模具施加压力,直至连接器压接完成。实施示意图如图6所示。图6实施示意图2实施效果检查2.1压接效果压接实物图如图7所示。图7压接实

8、物图2.2检测用塞规测量距离。mm(1)压接后PCB上表面与连接器下表面之间的距离为0.18mm,符合0.2的要求。(2)压接后相邻两个连接器的IWJ度差为0.09mm,符合0.1mm的要求。压接后的参数指标均符合单位标准要求,标准要求示意图如图8所示。实施后耗时统计QC小组用科学合理的方法,制定各项有效措施,严格按对策表要求逐一实施后,同样选择I、口、m、IV四种底板,分别对其连接器压接耗时进行了收集统计,如表6所示。表6对策实施后PCB底板压装总耗时统计结果单位:min底板型号准备识图设备编程连接器压接自检总耗时155543866Il45648i70IlI44442963IV65547871平均耗时55545868实施前后效果对比图如图9所示。Ooooooooooooooo43210987654321IAIxIAIAIAUE求l*哥W图9实施前后效果对比图以上结果说明:缩短PCB底板压装时间的问题得到了解决,PCB底板压装时间由原来的128min缩短至68min,达到了设定的缩短至70min以下的预期目标。3结语本文基于QC方法对缩短PCB底板压装时间的技术进行了研究,通过对支撑模具进行让位设计和垫模镂空设计,制造了新的模具,解决了PCB底板压装耗时长的问题。同时,让位设计和镂空设计的思路对同类行业有一定的借鉴价值。

展开阅读全文
相关资源
猜你喜欢
相关搜索

当前位置:首页 > 汽车/机械/制造 > 电气技术

copyright@ 2008-2023 1wenmi网站版权所有

经营许可证编号:宁ICP备2022001189号-1

本站为文档C2C交易模式,即用户上传的文档直接被用户下载,本站只是中间服务平台,本站所有文档下载所得的收益归上传人(含作者)所有。第壹文秘仅提供信息存储空间,仅对用户上传内容的表现方式做保护处理,对上载内容本身不做任何修改或编辑。若文档所含内容侵犯了您的版权或隐私,请立即通知第壹文秘网,我们立即给予删除!