生产与运作管理课程设计多对象的流水线组织设计.docx

上传人:p** 文档编号:1007176 上传时间:2024-06-15 格式:DOCX 页数:5 大小:32.16KB
下载 相关 举报
生产与运作管理课程设计多对象的流水线组织设计.docx_第1页
第1页 / 共5页
生产与运作管理课程设计多对象的流水线组织设计.docx_第2页
第2页 / 共5页
生产与运作管理课程设计多对象的流水线组织设计.docx_第3页
第3页 / 共5页
生产与运作管理课程设计多对象的流水线组织设计.docx_第4页
第4页 / 共5页
生产与运作管理课程设计多对象的流水线组织设计.docx_第5页
第5页 / 共5页
亲,该文档总共5页,全部预览完了,如果喜欢就下载吧!
资源描述

《生产与运作管理课程设计多对象的流水线组织设计.docx》由会员分享,可在线阅读,更多相关《生产与运作管理课程设计多对象的流水线组织设计.docx(5页珍藏版)》请在第壹文秘上搜索。

1、生产与运作管理课程设计多对象的流水线组织设计运营管理大作业一、任务量的确定现选A;C;G;三种零件作为产品进行设计故:A产量4300件、C产量3200件、G产量1700二、确定节拍现用劳动量比重法求A、C、G三种零件的节拍注:(时间有效利用率=95%)零件工时定额如下表工作顺序12345678所需设备六角机床普通机床万能铳床普通车床无心磨床万能铳床工作台无心磨床总工时工时定额(分/件)ABCEG单件工时:a=4300x31.9S77NxTa+NcxTc+NgxTg4300x31.9+3200x30.4+1700x31.1NcTc3200x30.4NaxTa+NcxTc+NGXTG4300x31

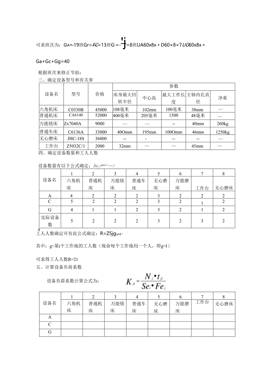
2、.9+3200x30.4+1700x31.1NGXTG1700x31.1NaxTa+NcxTc+NgxTg430x31.9+3200x3.4+1700x31.1有效工作时间:Fe=2028607/=192000.95=18240min同理可得:丘=1.90分/件、心=1.97分/件接下来进行班次的确定:同理可得:pc=6080minp=3349min可求班次为:Ga=-19班Gr=FC=13班G=-j=8班UA60x8xD6087UG60x8xGa+Gc+Gg=40根据班次来修正节拍:三、确定设备型号和有关参设备名型号价格参数床身最大回转半径中心高最大工件长度主轴内孔直径净重六角机床C0330

3、B45000108毫米102mm100亳米38mm普通机床CA614052000400毫米205毫米150048毫米万能铳床Zx7040A9000-40mm260kg普通车床C6136A3300040Omm195mm100Omm46mm1250kg无心磨床JHC-18S36000-工作台Z5032C/1200032mm45mm四、确定设备数量和工人人数设备数量有以下公式确定:Sej=max设备名12345678六角机床普通机床万能铳床普通车床无心磨床万能磨床工作台无心磨床A42223222C52223212G41123212实际设备数522232328工人人数确定可有此公式确定:R=ZSjgi

4、=l其中:g=第i个工作地的工人数(现命每个工作地均一个人,即g=l)可求得工人人数R=21五、计算设备负荷系数设备名12345678六角机床普通机床万能铳床普通车床无心磨床万能磨床工作台无心磨床ACG设备负荷系数计算公式为:六、工序同期化MaxKA=861,MaXK,=028,MaxKg=038MaxK=MaxK+Max+Max=1.271调整后的设备负荷系数:设备名12345678六角机床普通机床万能铳床普通车床无心磨床万能磨床工作台无心磨床ACG计算相应的工时定额,由以下公式求得:工作顺序12345678所需设备六角普通万能普通无心万能工作无心总工机床机床铳床车床磨床铳床台磨床时工时定额

5、AC(分/件)G根据新的工时定额来计算节拍还是按劳动量比重法来计算:新的工时定额为:以-NaTa+NcxTc+NgxTg_430031.5+320027.3+170027.1重新求得节拍为:同理可得:G=1.74分/件,入=172分/件七、确定期量标准(1)在制品占用量定额z=Sg,阳取1)所以z=5+2+2+2+3+2+3+2=21(2)运输在制品占用量定额P=I(3)工序间流动占用量定额(4)保险在制品定额取Z4=件故:在制品占用量为Z=z+Z2+Z3+z4=19+20+0+17=56首先确定生产类型,现用工作地负荷系数发来确定生产类型所以生产类型为成批生产类型的大批生产类型现用最小批量法

6、来求批量公式如下:,准备1/单件,.(益备取7,=05)产品12345678取值A批量200560451424250424368424200C批量233700667483304483304483233G批量222583609500259452636483222方案产品批次批量工作班设备周期轮番周期IA1430019天40班C1320010天G1170011天IIA22225天20班C212755天G21425天流小时一个工作班水间间工线ZJ断断作案12345678类次时时型数间间A“午机休10460做C2分分加钟钟工G八、确定投产顺序先用生产比例倒数法来确定投产顺序序号产品排序ACG11/9*

7、1/71/4Al22/91/7*1/4A1C232/9*2/71/4AIC2A343/92/71/4*A1C2A3G453/92/7*2/4A1C2A3G4C563/9*3/72/4A1C2A3G4C5A674/93/7*2/4A1C2A3G4C5A6C784/9*4/72/4A1C2A3G4C5A6C7A895/94/72/4*A1C2A3G4C5A6C7A8G9105/9*4/73/4A1C2A3G4C5A6C7A8G9A10116/94/7*3/4A1C2A3G4C5A6C7A8G9AIOCll126/9*5/73/4A1C2A3G4C5A6C7A8G9A10C11A12137/95/7

8、*3/4AIC2A3G4C5A6C7A8G9A10C11A12C13147/96/73/4米A1C2A3G4C5A6C7A8G9AIOCl1A12C13G14157/9*6/71A1C2A3G4C5A6C7A8G9AIOCl1A12C13G14A15168/96/7*1A1C2A3G4C5A6C7A8G9AIOCl1A12CI3G14A15C16178/9*11A1C2A3G4C5A6C7A8G9AIOCl1AI2C13G14A15C16A171811*1A1C2A3G4C5A6C7A8G9AIOCl1A12C13G14A15C16A17C181911*A1C2A3G4C5A6C7A8G9AIOCl1A12C13G14A15C16A17C18G19201*A1C2A3G4C5A6C7A8G9AIOCl1A12C13G14A15C16AI7C18G19A20九流水线的平面布置1.流水线的长度1.=xS,+/附=1.2xl9+8=23.6m2 .流水线的宽度D取3米3 .流水线占用面积4 .传送带的速度5 .设备布置示意图

展开阅读全文
相关资源
猜你喜欢
相关搜索

当前位置:首页 > 高等教育 > 大学课件

copyright@ 2008-2023 1wenmi网站版权所有

经营许可证编号:宁ICP备2022001189号-1

本站为文档C2C交易模式,即用户上传的文档直接被用户下载,本站只是中间服务平台,本站所有文档下载所得的收益归上传人(含作者)所有。第壹文秘仅提供信息存储空间,仅对用户上传内容的表现方式做保护处理,对上载内容本身不做任何修改或编辑。若文档所含内容侵犯了您的版权或隐私,请立即通知第壹文秘网,我们立即给予删除!