电梯运行试验评价内容.docx

上传人:p** 文档编号:1008615 上传时间:2024-06-15 格式:DOCX 页数:2 大小:11.29KB
下载 相关 举报
电梯运行试验评价内容.docx_第1页
第1页 / 共2页
电梯运行试验评价内容.docx_第2页
第2页 / 共2页
亲,该文档总共2页,全部预览完了,如果喜欢就下载吧!
资源描述

《电梯运行试验评价内容.docx》由会员分享,可在线阅读,更多相关《电梯运行试验评价内容.docx(2页珍藏版)》请在第壹文秘上搜索。

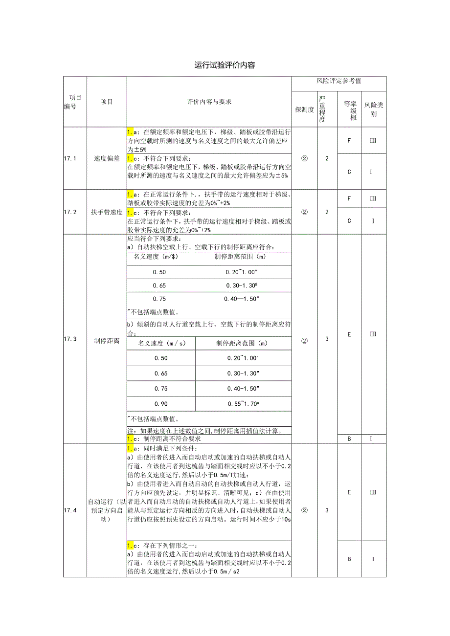
1、运行试验评价内容项目编号项目评价内容与要求风险评定参考值探测度严重程度率级概等风险类别17.1速度偏差1.a:在额定频率和额定电压下,梯级、踏板或胶带沿运行方向空载时所测的速度与名义速度之间的最大允许偏差应为5%2FIII1.c:不符合下列要求:在额定频率和额定电压下,梯级、踏板或胶带沿运行方向空载时所测的速度与名义速度之间的最大允许偏差应为5%CI17.2扶手带速度1.a:在正常运行条件卜.,扶手带的运行速度相对于梯级、踏板或胶带实际速度的允差为0%+2%2FIII1.c:不符合下列要求:在正常运行条件下,扶手带的运行速度相对于梯级、踏板或胶带实际速度的允差为O%+2%CI应当符合下列要求:

2、a)自动扶梯空载上行、空载下行的制停距离应符合:名义速度(m/$)制停距离范围(m)0.500.201.000.650.30-1.3080.750.401.5017.3不包括端点数值。3EIIIb)倾斜的自动人行道空载上行、空载下行的制停距离应符合:制停距离名义速度(ms)制停距离范围(m)0.500.201.000.650.30-1.300.750.40-1.500.900.551.70a不包括端点数值。注:如果速度在上述数值之间,制停距寓用插值法计算。1.c:制停距离不符合要求BI17.4自动运行(以预定方向启动)1.a:同时满足下列条件:a)由使用者的进入而自动启动或加速的自动扶梯或自动

3、人行道,在该使用者到达梳齿与踏面相交线时应以不小于0.2倍的名义速度运行,然后以小于O.5m/T加速:b)由使用者进入而自动启动的自动扶梯或自动人行道,运行方向应预先设定,并明显标识、清晰可见;c)在由使用者进入而自动启动的自动扶梯或自动人行道上,如果使用者能从与预定运行方向相反的方向进入时,自动扶梯或自动人行道仍应按照预先设定的方向启动。运行时间不应少于10s3EIII1.c:存在下列情形之一:a)由使用者的进入而自动启动或加速的自动扶梯或自动人行道,在该使用者到达梳齿与踏面相交线时应以不小于0.2倍的名义速度运行,然后以小于0.5ms2BI项目编号项目评价内容与要求风险评定参考值探测度严重程度率级概等风险类别加速;b)由使用者进入而自动启动的自动扶梯或自动人行道,运行方向应预先设定,并明显标识、清晰可见;c)在由使用者进入而自动启动的自动扶梯或自动人行道上,如果使用者能从与预定运行方向相反的方向进入时,自动扶梯或自动人行道仍应按照预先设定的方向启动。运行时间不应少于10S

展开阅读全文
相关资源
猜你喜欢
相关搜索

当前位置:首页 > 行业资料 > 国内外标准规范

copyright@ 2008-2023 1wenmi网站版权所有

经营许可证编号:宁ICP备2022001189号-1

本站为文档C2C交易模式,即用户上传的文档直接被用户下载,本站只是中间服务平台,本站所有文档下载所得的收益归上传人(含作者)所有。第壹文秘仅提供信息存储空间,仅对用户上传内容的表现方式做保护处理,对上载内容本身不做任何修改或编辑。若文档所含内容侵犯了您的版权或隐私,请立即通知第壹文秘网,我们立即给予删除!