安全培训工作计划表.docx

上传人:p** 文档编号:1010275 上传时间:2024-06-15 格式:DOCX 页数:7 大小:26.79KB
下载 相关 举报
安全培训工作计划表.docx_第1页
第1页 / 共7页
安全培训工作计划表.docx_第2页
第2页 / 共7页
安全培训工作计划表.docx_第3页
第3页 / 共7页
安全培训工作计划表.docx_第4页
第4页 / 共7页
安全培训工作计划表.docx_第5页
第5页 / 共7页
安全培训工作计划表.docx_第6页
第6页 / 共7页
安全培训工作计划表.docx_第7页
第7页 / 共7页
亲,该文档总共7页,全部预览完了,如果喜欢就下载吧!
资源描述

《安全培训工作计划表.docx》由会员分享,可在线阅读,更多相关《安全培训工作计划表.docx(7页珍藏版)》请在第壹文秘上搜索。

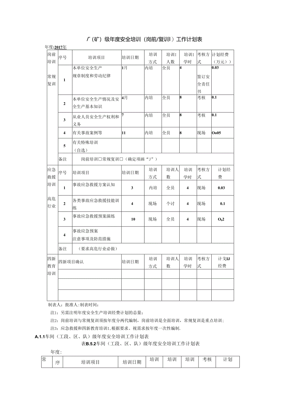
1、(矿)级年度安全培训(岗前/复训I)工作计划表年度:2017年岗前培训常规复训序号培训项目培训日期培训方式培训I人数培训I学时考核方式计划经费(万元)1本单位安全生产规章制度和劳动纪律1月内培全员4签订安全责任书0.032本单位安全生产情况及安全生产基本知识4月内培全员8考核0.13从业人员安全生产权利和义务7内培全员8考核0.14有关事故案例等11内培全员8现场Oo055有关特殊培训(自选)备注岗前培训常规复训(确定项画“J”)应急救援培训高危行业序号培训项目培训日期培训方式培训人数培训学时考核方式计划经费1事故应急救援方案认知3内培全员4现场0.032各类事故应急救援技能训练4现场个讨4现

2、场0.13事故应急救援预案演练10现场全员4现场O024事故应急预案注意事项及防范措施备注(要求高危行业必做)四新教育培训四新项目确认培训日期培训方式培训人数培训学时考核方式计戈IJ经费制表人:批准人:制表时间:注1:另需注明年度安全生产培训经费计划的总量;注2:岗前培训与常规复训须按年度分两代编制,岗前培训是全面培训,常规复训是重点培训;注3:应急救援和四新教育培训I,根据要求、视需求按年度一次性编制.A.1.1车间(工段、区、队)级年度安全培训工作计划表表B.5.2车间(工段、区、队)级年度安全培训工作计划表年度:常序培训项目培训日期培训培训培训考核计划规复Vll号方式人数学时方式经费1工

3、作环境及危险因素2所从事工种可能遭受的职业伤害和伤亡事故3所从事工种的安全职责、操作技能及强制性标准4自救互救、急救方法、疏散和现场紧急情况的处理5安全设备设施、个人防护用品的使用和维护6本车间(工段、区、队)安全生产状况及规章制度7预防事故和职业危害的措施及应注意的安全事项8有关事故案例9其他需要培训的内容岗前z*,*v重新上岗培训序号培训项目培训日期培训方式培训人数培训学时考核方式计划经费1工作环境及危险因素2所从事工种可能遭受的职业伤害和伤亡事故3所从事工种的安全职责、操作技能及强制性标准4自救互救、急救方法、疏散和现场紧急情况的处理5安全设备设施、个人防护用品的使用和维护6本车间(工段

4、、区、队)安全生产状况及规章制度7预防事故和职业危害的措施及应注意的安全事项8有关事故案例9其他需要培训的内容制表人:批准人:制表时间:注:岗前(重新上岗)培训属三级培训内容,是全面培训;常规复训是重点培训;两者须培训项目相同,但培训的时间和侧重点不同,所制定的培训计划亦有所不同(参见B.4注)。A.1.2班组级年度安全培训工作计划表表B。5。3班组级年度安全培训工作计划表年度:常规序号培训项目培训日期培训方式培训人数培训学时考核方式计划经费复训1岗位安全操作规程2岗位之间工作衔接配合的安全与职业卫生事项3有关事故案例4其他需要培训的内容备注1.Xj冈前序号培训项目培训日期培训培训人数培训学时

5、考核方式计划经费x*x重新上冈1岗位安全操作规程2岗位之间工作衔接配合的安全与职业卫生事项培训3有关事故案例4其他需要培训的内容备注制表人:批准人:制表时间:注1:岗前(重新上岗)培训属三级培训内容,是全面培训;常规复训是重点培训:两者须培训项目相同,但培训的时间和侧重点不同,所制定的培训计划亦有所不同(参见B。4注).注2:岗前(重新上岗)培训包括新上岗、新换岗、离岗一年以上再上岗人员的培训I.是车间(工段、区、队)级、班组级的必须培训科目。A.2企业从业人员(全员)安全培训统计表表B。6企业从业人员(全员)安全培训统计表年度:(每年填制一次)企业名称从业人员总数企业安全生产属性高危行业非煤

6、矿山口危险化学品口烟花爆竹其他口一般行业(画选择)企业构架编制车间数量班组数量安全生产培训持证情况主要负责人:有效期持证率:安全管理人员:人,有效期持证率:特种作业人员:人,有效期持证率:特种作业人员持证明细工种在岗人数持证人数有效期持证率备注岗前三级培训(含换岗、离岗一年以上重新上岗人员)分级培训人数培训学时考核合格人数补考合格人数厂(矿)车间班组本年度再培训(复训)情况分级培训人数培训学时考核合格人数备注厂(矿)车间班组“四新教育”培训四新项目培训内容、培训时间、考核情况制表人:审核人:制表时间:注:培训学时要求见(见BI)4注).A.3企业从业人员安全培训登记卡表B.7企业从业人员安全培

7、训登记卡工号(工资号):(要求每人一卡)档案编号:QY姓名性别身份证号所在部门工种职务/职称学历专业联系电话持证情况口主要负责人口安全管理人员口特种作业人员口一般从业人员(画“选择)岗前培训情况分级培训日期培训学时理论考核实操考核补考情况备注厂(矿)车间班组再培训(SiIlI)情况年度培训级别培训I学时培训日期理论考核实操考核备注重新上岗(车间、班组)培训情况原工种离岗时间(一年以上)新工种/重新上岗工种培训内容、培训学时、考核情况四新教育培训情况四新项目培训内容、培训学时、考核情况违章记录违法违章记录:责任事故记录:备注(可注明企业培训发证情况)制表人:制表时间:注:“四新教育”一实施新工艺

8、、新技术或者使用新设备、新材料时的安全生产培训教育。再培训(复训)情况栏中的“培训级别”指企业三级培训中的级别。A.4企业主要负责人或安全管理人员培训持证登记卡表B.8企业主要负责人或安全管理人员培训持证登记卡工号(工资号):档案编号:G基姓名性别身份证号本情况职务职称所在部门学历专业联系电话从事安全工作年限安全工作责任持证情况证件名称证件编号发证机关发证日期发证培训机构证件有效期复训情况复训时间复训培训机构备注换证情况换证(复训)时间换证(复训)培训机构换证发证机关证件编号再换证(复训)时间再换证(免训)培训机构换证发证机关证件编号备注制表人:制表时间:A.5特种作业人员培训持证登记卡表B。

9、9特种作业人员培训持证登记卡工号(工资号):档案编号:T基本情况姓名性别身份证号所在部门工种操作项目文化程度健康状况联系电话持证情况证件名称证件编号发证机关发证培训机构发证日期证件有效期复审日期复审培训机构复审合格审批机关:操作证延期复审情况延期复审(再更审)时间延期复审(再复审)培训机构换证发证机关证件编号延期复审(再复审)时间延期复审(再复审)培训机构换证发证机关证件编号违章记录违法违章记录:责任事故记录:备注(除特种作业操作证外,可注明企业内部发证情况)备注(换岗、患病等情况可在此注明)制表人:制表时间:注:特种作业操作证有效期6年,每3年一次复审。持证连续从事本工种10年以上,严格遵守有关安全生产法律法规的,经原考核发证机关或者从业所在地考核发证机关同意,特种作业操作证的复审时间可以延长至每6年1次。

展开阅读全文
相关资源
猜你喜欢
相关搜索

当前位置:首页 > 办公文档 > 工作计划

copyright@ 2008-2023 1wenmi网站版权所有

经营许可证编号:宁ICP备2022001189号-1

本站为文档C2C交易模式,即用户上传的文档直接被用户下载,本站只是中间服务平台,本站所有文档下载所得的收益归上传人(含作者)所有。第壹文秘仅提供信息存储空间,仅对用户上传内容的表现方式做保护处理,对上载内容本身不做任何修改或编辑。若文档所含内容侵犯了您的版权或隐私,请立即通知第壹文秘网,我们立即给予删除!