4.7.10金属风管法兰制作作业指导书.docx

上传人:p** 文档编号:1017044 上传时间:2024-06-15 格式:DOCX 页数:6 大小:47.45KB
下载 相关 举报
4.7.10金属风管法兰制作作业指导书.docx_第1页
第1页 / 共6页
4.7.10金属风管法兰制作作业指导书.docx_第2页
第2页 / 共6页
4.7.10金属风管法兰制作作业指导书.docx_第3页
第3页 / 共6页
4.7.10金属风管法兰制作作业指导书.docx_第4页
第4页 / 共6页
4.7.10金属风管法兰制作作业指导书.docx_第5页
第5页 / 共6页
4.7.10金属风管法兰制作作业指导书.docx_第6页
第6页 / 共6页
亲,该文档总共6页,全部预览完了,如果喜欢就下载吧!
资源描述

《4.7.10金属风管法兰制作作业指导书.docx》由会员分享,可在线阅读,更多相关《4.7.10金属风管法兰制作作业指导书.docx(6页珍藏版)》请在第壹文秘上搜索。

1、一、范围本作业指导书是针对*工程二期空调通风部分金属风管法兰制作加工而编制的,仅适用于本工程空调通风风管法兰的制作。风管法兰采纳等边角钢焊接制作而成,总工程量约为10万米。二、编制依据:1、焊工技术考核规程2、通风空调工程施工工艺标准3、通风空调工程施工与质量验收好用手册4、暖、卫、通风空调施工工艺标准手册5、通风与空调工程施工质量验收规范6、设计图纸及图纸会审纪要三、施工打算3.1材料.角钢必需是正规厂家的产品,钻孔简单,进场时有合格证、质量证明文件或检测报告,必需经过专家、监理、业主的验收认可。.角钢的型号规格必需符合设计和施工规范的要求,角度要正,本工程角钢运用规格如下:金属圆形风管法兰

2、及螺栓规格(的)风管直径D法兰材料规格螺栓规格钾钉规格扁钢角钢D14020X4M64140D28025X4280D6301.253630D12501.303M851250D20001.404金属矩形风管法兰及螺栓规格(皿0风管长边尺寸b法兰材料规格(角钢)螺栓规格钾钉规格b6301.253M64630b12501.303M8641250b25001.4042500b40001.50X5MlO5.焊条统一运用碳钢J422型号的,规格选用02.0和02.5两种。焊接1.25*3、1.30*3角钢时用02.0,焊接1,40*4、1.50*5角钢时用02.5。焊条应有生产厂家的质量合格证和检测报告,领

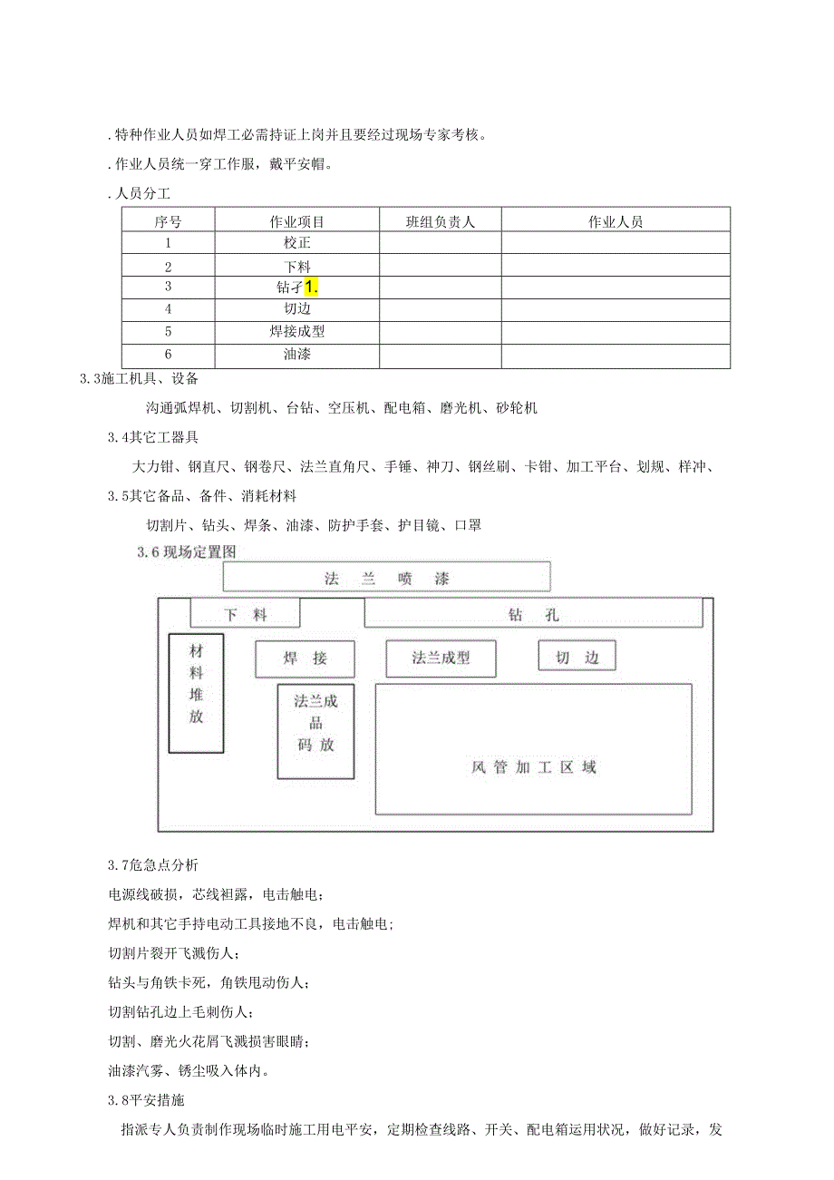
3、取和发放要有专人负责。焊条应存放在干燥、不易受潮、通风良好的地方,运用时保证焊条干净,完整。3.2人员.对全部参加作业人员进行平安生产教化、培训,考试合格后才能进入施工场地作业。.由班组长依据技术交底文件对每道工序(校直、下料、钻钾钉孔、焊接、钻法兰孔、除焊渣除锈、油漆)施工人员进行技术、平安交底并作好记录。.施工作业人员操作娴熟,技术合格,精神饱满,身体健康。.特种作业人员如焊工必需持证上岗并且要经过现场专家考核。.作业人员统一穿工作服,戴平安帽。.人员分工序号作业项目班组负责人作业人员1校正2下料3钻孑1.4切边5焊接成型6油漆3.3施工机具、设备沟通弧焊机、切割机、台钻、空压机、配电箱、

4、磨光机、砂轮机3.4其它工器具大力钳、钢直尺、钢卷尺、法兰直角尺、手锤、神刀、钢丝刷、卡钳、加工平台、划规、样冲、3.5其它备品、备件、消耗材料切割片、钻头、焊条、油漆、防护手套、护目镜、口罩3.7危急点分析电源线破损,芯线袒露,电击触电;焊机和其它手持电动工具接地不良,电击触电;切割片裂开飞溅伤人;钻头与角铁卡死,角铁甩动伤人;切割钻孔边上毛刺伤人;切割、磨光火花屑飞溅损害眼睛;油漆汽雾、锈尘吸入体内。3.8平安措施指派专人负责制作现场临时施工用电平安,定期检查线路、开关、配电箱运用状况,做好记录,发觉隐患刚好整改。全部机具设备均要有良好接地措施,应安装漏电爱护装置,由现场电工和平安员负责检

5、查监督,不符合要求的坚决不准运用。切割机运用前应对砂轮进行全面检查,发觉质量不符合要求或外观有裂纹等缺陷时不得运用。手持砂轮机、角向磨光机,必需装有防护罩,操作时加力要平稳,不得用力过猛。操作人员不得面对砂轮旋转方向。砂轮片应干脆装在心轴上,砂轮片与接盘间软垫应安装稳妥,螺帽不得过紧。砂轮片装好后要先点动检查,空运转23min并确认正常后才能运用。操作砂轮机、磨光机要戴防护眼镜,以防飞砂、火星伤眼,磨工件时不准戴手套,不准用力过猛或进行撞击。钻孔时工件夹装必需坚固牢靠,钻小工件时应用工具夹持,不得手持工件进行钻孔。钻头上绕有长屑时,应停钻后用铁钩或刷子清除,严禁用手拉或嘴吹。手动进钻退钻时应渐

6、渐增压或减压,不得用管子套在手柄上加压进钻。钻孔时不准戴手套,不得在旋转着的钻头下翻转、卡压或测量工件。作业中不得用手触摸刃具、钻头、砂轮片等,发觉破损、磨钝状况时,应马上停机修整或更换。机器设备严禁超负荷运用,随时留意音响温升,发觉异样应马上停机检查;作业时间过长、温度上升时,应停机待自然冷却后再作业。焊把线和接地线用铜鼻子与焊机连接,接头要坚固压紧,焊把要完好。喷漆作业场地要尽可能远离其它作业程序,操作人员戴防毒口罩,站在风向上游位置进行喷涂。作业现场严禁吸烟、有明火,配备灭火器。空压机传动皮带要有防护罩,压力表指示正确,压力开关爱护装置完好。四、流程图5.1开工5.1.1开工前机具设备调

7、试到位,试运行良好;加工制作场地已办理好动火、动焊施工手续;操作人员培训合格,持证上岗,经过平安技术交底;机器边上悬挂平安操作规程;工长支配当日作业项目,填写施工任务书。5.2作业程序和施工工艺标准序号作业项目工艺标准操作人员签字1角铁下料1.按风管规格和图纸要求,正确选用法兰角铁的规格。2 .切割机两侧制作与切割机底座平齐的尺寸定位平台,保证下料长度精确,切口平直。3 .法兰长边尺寸=风管长边尺寸+2*角钢宽度+l2mm的余量。4 .法兰短边尺寸=风管短边尺寸+l2mm的余量。5 .切断后把角钢进行找正调直,把两端的毛刺用砂轮或锂刀剔除,然后交下道工序。2钻钾钉孔1 .各种长度的法兰边均做好

8、一个尺寸标准的模具,然后用大力钳依次与模具对正夹紧,再放到台钻平台上钻孔。2 .各种规格法兰钾钉孔的间距保证相同且不大于120mrn,四角的钏钉孔应尽量靠近转角,一般不应大于30mm。3 .钏钉孔的大小参见法兰材料规格表,钾钉孔成始终线。3切边(45角)1 .法兰长边两端倒角45,模具角度要调正确并且是活动可调。2 .剪切时角铁与模具靠紧,切边处与刀口靠紧;切另外一边时在刀口另一侧模具上夹紧角铁,保证切口一样。3 .切口不得有毛刺,随意两个切口合并在一起,切口要平齐,角度正确。4法兰点焊成型1 .为保证法兰平面的平整度,焊接应在钢板平台上进行。2 .焊接前细致复核角钢长度,保证焊成的法兰内径不

9、大于允许误差。3 .焊接时先分别把两根长边和短边靠在直角尺边上点焊成直角,然后再拼成一个法兰。用钢直尺量对角线长度一样,法兰就是角方的,.检查合格后再点焊坚固,交付焊接。4 .大规模制作时可先做一个模具,模具四个内角焊接一竖向角钢,便于角钢定位,焊接时,角钢紧靠模具,用大力钳夹紧于模具,再进行焊接。5 .模具表面应平整,无错缝,内边长尺寸的允许偏差为+r+3mm,平面度的允许偏差为2mm,两对角线之差不应大于6 nuno5法兰焊接1 .依据法兰角铁规格选用相应的焊条规格,再依据焊条规格调整焊接电流;2 .依据焊接工艺要求确定施焊依次,削减焊接热应力对焊接件的扭曲变形影响;3 .焊接完刚好清除药

10、皮、焊渣,焊缝要匀称、饱满,无焊瘤、夹渣、气孔,表面保持平整。6钻螺栓孔1 .焊接好的法兰即可依据风管规格确定螺栓间距、大小进行划线,匀称分出螺栓孔位置,用样冲定点;2 .法兰螺栓间距应W150mm,矩形法兰的四角处应设螺栓孔;相同规格法兰的螺孔排列应一样,并具有互换性。3 .螺栓孔直径比螺栓大1.5,用样板或将两个相配套的法兰用大力钳夹在一起,在台钻上钻出螺孔。7除锈、毛刺1 .钻完孔用磨光机将螺栓孔、制钉孔边上的毛刺打磨掉。2 .用钢丝刷或电动除锈刷对法兰表面进行除锈、除焊渣、氧化皮,再用碎布橡干净,露出金属光泽为止。8喷漆1 .操作前将同一规格的法兰分别摆放在喷漆架子上,油漆稀释调配恰当

11、。2 .喷漆前再一次检查法兰是否有新锈、焊硝是否清理干净。3 .喷漆前要进行试喷,调整喷口大小和油漆的稀稠,确认喷漆质量合格后才能对法兰喷漆。4 .漆膜要厚度匀称有光泽,覆盖金属表面,无滴漏流淌现象。9检验、成品码放和爱护1 .油漆干透后即可依据每道工序的质量标准进行检查验收。2 .法兰内边长尺寸的允许偏差为+l+3mm,平面度的允许偏差为211m,两对角线之差不应大于3mm。4 .合格品按指定位置、不同规格堆放起来,高度不超过1.2米,以免产生变形。长时间不用的还需用薄膜覆盖爱护。5 .不合格的重新制作返工,存在问题、缺陷记录在案,并责成工序责任人整改到位。六、验收记录质量汇总记录表编号:序号工序存在问题、缺陷合格率责任人1角铁下料2钻钏钉孔3切边(45。角)4法兰点焊成型5法兰焊接6钻螺栓孔7除锈、毛刺8喷漆9检验、成品码放和爱护记录:审核:工长:年月日七、指导书执行状况评估针对本工程中法兰制作项目作业指导书编写的可行性和在实际操作过程中的符合性、可操作性进行评估,对存在的问题,不足的地方提出改进看法并加以完善、补充。评估内容符合性优可操作项良不行操作项可操作性优修改项良遗漏项存在问题改进意见

展开阅读全文
相关资源
猜你喜欢
相关搜索

当前位置:首页 > 汽车/机械/制造 > 制造加工工艺

copyright@ 2008-2023 1wenmi网站版权所有

经营许可证编号:宁ICP备2022001189号-1

本站为文档C2C交易模式,即用户上传的文档直接被用户下载,本站只是中间服务平台,本站所有文档下载所得的收益归上传人(含作者)所有。第壹文秘仅提供信息存储空间,仅对用户上传内容的表现方式做保护处理,对上载内容本身不做任何修改或编辑。若文档所含内容侵犯了您的版权或隐私,请立即通知第壹文秘网,我们立即给予删除!