新建民用住宅预制楼板保温隔声系统构造及设计要求、施工要求、验收要求.docx

上传人:p** 文档编号:1028533 上传时间:2024-06-15 格式:DOCX 页数:10 大小:142.50KB
下载 相关 举报
新建民用住宅预制楼板保温隔声系统构造及设计要求、施工要求、验收要求.docx_第1页
第1页 / 共10页
新建民用住宅预制楼板保温隔声系统构造及设计要求、施工要求、验收要求.docx_第2页
第2页 / 共10页
新建民用住宅预制楼板保温隔声系统构造及设计要求、施工要求、验收要求.docx_第3页
第3页 / 共10页
新建民用住宅预制楼板保温隔声系统构造及设计要求、施工要求、验收要求.docx_第4页
第4页 / 共10页
新建民用住宅预制楼板保温隔声系统构造及设计要求、施工要求、验收要求.docx_第5页
第5页 / 共10页
新建民用住宅预制楼板保温隔声系统构造及设计要求、施工要求、验收要求.docx_第6页
第6页 / 共10页
新建民用住宅预制楼板保温隔声系统构造及设计要求、施工要求、验收要求.docx_第7页
第7页 / 共10页
新建民用住宅预制楼板保温隔声系统构造及设计要求、施工要求、验收要求.docx_第8页
第8页 / 共10页
新建民用住宅预制楼板保温隔声系统构造及设计要求、施工要求、验收要求.docx_第9页
第9页 / 共10页
新建民用住宅预制楼板保温隔声系统构造及设计要求、施工要求、验收要求.docx_第10页
第10页 / 共10页
亲,该文档总共10页,全部预览完了,如果喜欢就下载吧!
资源描述

《新建民用住宅预制楼板保温隔声系统构造及设计要求、施工要求、验收要求.docx》由会员分享,可在线阅读,更多相关《新建民用住宅预制楼板保温隔声系统构造及设计要求、施工要求、验收要求.docx(10页珍藏版)》请在第壹文秘上搜索。

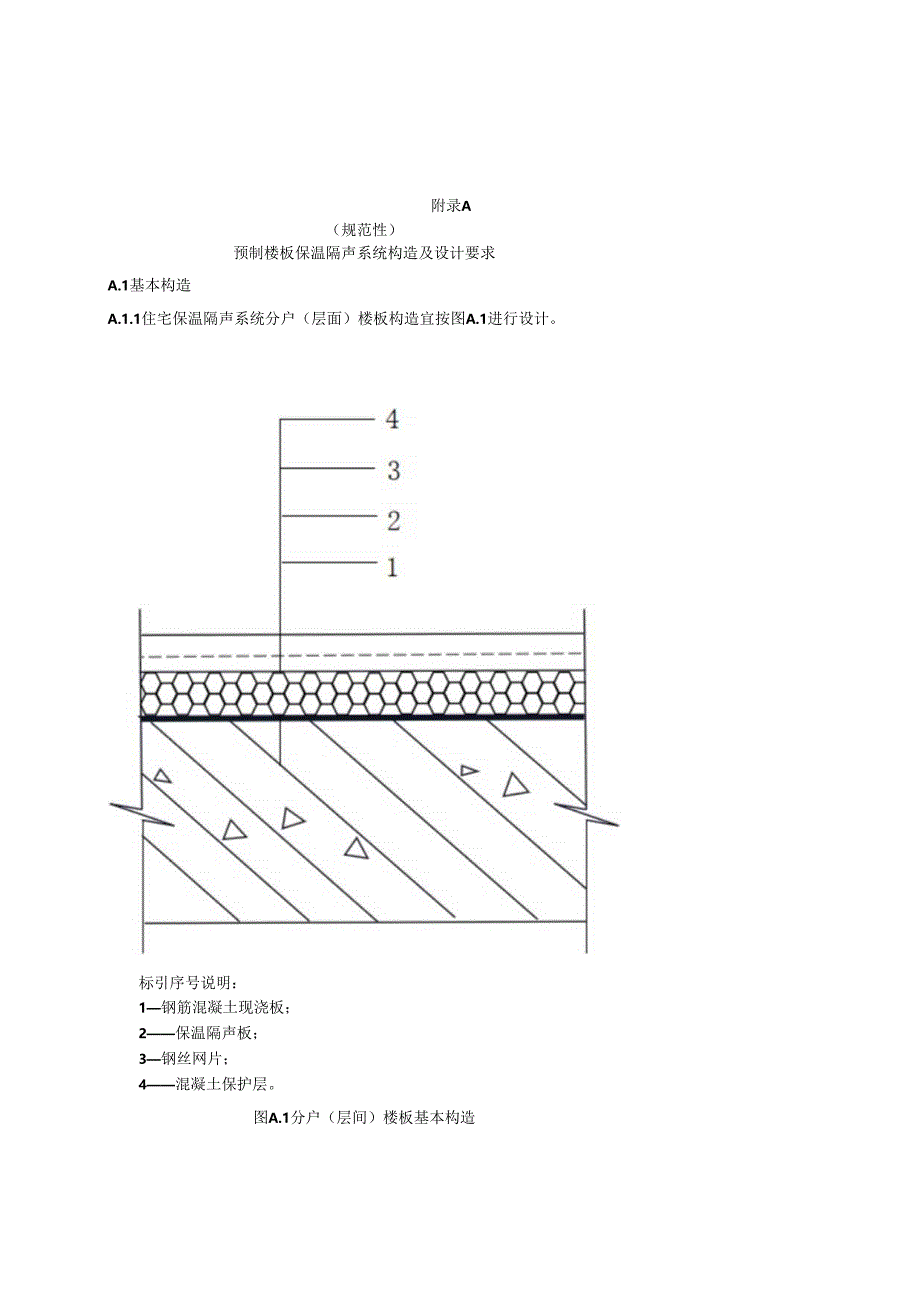
1、附录A(规范性)预制楼板保温隔声系统构造及设计要求A.1基本构造A.1.1住宅保温隔声系统分户(层面)楼板构造宜按图A.1进行设计。标引序号说明:1钢筋混凝土现浇板;2保温隔声板;3钢丝网片;4混凝土保护层。图A.1分户(层间)楼板基本构造A.1.2住宅保温隔声系统接触土壤的地面基本构造宜按图A.2进行设计。标引序号说明:1素土夯实;2素混凝土;3水泥砂浆找平层;4防潮层;5水泥砂浆找平层;6保温隔声板;7钢丝网片;8混凝土保护层。图A.2接触土壤的地面基本构造A.1.3混凝土保护层内可设置地暖热水管,宜按图A.3进行设计。标引序号说明:1钢筋混凝土现浇板;2保温隔声板;3下层钢丝网片;4地暖

2、热水管:5上层钢丝网片;6混凝土保护层。图A.3地暖楼板基本构造A.2设计规程A.2.1设计建筑楼板保温隔声系统时,应满足国家现行标准的要求,不应更改系统构造和组成材料。A.2.2建筑楼板保温隔声系统分户(层)楼板的传热系数应按下式进行计算:K=-(A.1)Ri+R+Ri式中:K楼板的传热系数,Wl(m2K);Ri内表面的换热阻,按GB50176的规定采用,m2KW;R楼板的热阻,为各楼层材料的热阻总和,m2KWoA.2.3热工计算时保温隔声板的热阻应按下式进行计算:R保温隔声板=WM(A2)式中:R保温隰声板保温隔声板的热阻,m2KW;保温隔声板高度,包括底面波纹高度,m导热系数,取0.03

3、5,W/(m2K);1.5修正系数,蓄热系数为0.52,W/(m2K)oA.2.4采用预制楼板保温隔声系统的楼板隔声性能应满足GB50118及相关标准的规定。典型构造的分户(层)楼板隔声性能指标设计参考值见表A.1。表A.1典型构造分户(层)楼板隔声性能指标参考值序号保温隔声板厚度mm空气声隔声性能dB计权标准化撞击声压级dB1155468220643256043056注:典型构造为120mm现浇钢筋混凝土楼板+保温隔声板+40mm厚混凝土保护层。A.2.5保温隔声板的厚度宜按热工计算和隔声要求共同确定,但不应低于15mm,若混凝土保护层内设置地暖热水管,保温隔声板的厚度不应低于25mm。A.

4、2.6混凝土保护层一般采用配钢丝网片细石混凝土浇筑,强度等级宜为C25,厚度不低于40mm;当保护层内设置地暖热水管时,应采用豆石混凝土,强度等级宜为C15,厚度不低于50mm;当采用其他材料与构造时,应符合相关标准和工程应用要求。A.2.7当地面面积超过30m或边长超过6m时,混凝土保护层应按不大于6m间距设置伸缩缝。伸缩缝宽度宜为20mm,缝内可填Bl级聚苯乙烯板。A.2.8混凝土保护层内应配钢丝网片,宜采用0350或6475钢丝网片;钢丝网片距离混凝土保护层顶面约10mm20mm。若混凝土保护层内设置地暖热水管,可采用上下两层钢丝网片,钢丝网片距离混凝土保护层上下表面约为10mm20mm

5、。A. 2.9室内墙脚处墙面应粘贴竖向隔声片,将保温隔声板、混凝土保护层与墙体隔开。竖向隔声片应高于混凝土保护层表面。宜按图A.4设计。1钢筋混凝土现浇板;2保温隔声板;3钢丝网片;4一混凝土保护层;5地面面层;6竖向隔声片;7密封胶;8踢脚线。图A.4室内墙角处墙面构造附录B(规范性)预制楼板保温隔声系统施工要求B. 1一般规定2.1.1 施工前应编制施工方案,并对施工人员进行培训和技术交底。2.1.2 保温隔声板及配套材料在贮存和运输中应防晒、防雨,不应露天堆放,应在室内储存,板材不应平放或直接接触地面,应竖放码垛在平整干燥的场地托块上,运输时应轻拿轻放。2.1.3 基层楼板或地面素混凝土

6、垫层完工后,经检验合格,方可进行住宅预制楼板保温隔声系统的施工。2.1.4 施工时环境温度不低于5Co2.1.5 竖向隔声片粘贴、保温隔声板铺设、防水胶带粘贴、混凝土保护层浇筑完工后,均应做好成品保护。C. 2施工工艺住宅预制楼板保温隔声系统施工工艺应符合图B.1的规定。图B.1施工工艺流程D. 3施工要点B.3.1楼地面基层、墙脚处墙面基层应清理干净,无油渍、浮尘、污垢、脱模剂、风化物、泥土等影响粘结性能的材料,并剔除表面突出物,使基层平整。基层应干燥。B.3.2在墙脚处墙面粘贴竖向隔声片。竖向隔声片应高于混凝土保护层表面,且应不间断布满房间内所有的墙脚处墙面。竖向隔声片拼缝宽度应不大于2m

7、m。B.3.3圆形面向上铺设保温隔声板。保温隔声板应平整铺设,板缝应相互对齐,横平竖直。相邻保温隔声板间紧密相拼,拼缝宽度应小于2mm。保温隔声板可根据需要进行切割。B.3.4在保温隔声板之间的拼缝、保温隔声板与竖向隔声片之间的拼缝上粘贴防水胶带。防水胶带在拼缝两侧宽度应大致相等。用手向外平抹以挤出胶带里的气泡并尽量抹平胶带皱褶。若实在无法抹平,可在外侧再覆盖、粘贴一定长度的防水胶带加强密封,防止浇筑混凝土时水泥浆下渗。B.3.5铺设钢丝网片。钢丝网片应洁净、无损伤。铺设时在钢丝网片下面垫上垫块(确保钢丝网片位置),垫块面积不小于50mm50mm。钢丝网片搭接应用细铁丝绑扎,搭接宽度不小于I(

8、X)mm。绑扎时应注意铁丝头朝上,避免铁丝头刺破保温隔声板和防水胶带。伸缩缝处钢丝网片应断开。B.3.6当混凝土保护层内设计埋设有地暖热水管时,安装地暖热水管并固定。B.3.7埋设、固定伸缩缝处的聚苯乙烯板,或预设木板条待混凝土保护层施工完毕后取出。B.3.8门洞处支模,模板高度应大于混凝土浇筑后高度。B.3.9对房间内所有的保温隔声板之间的拼缝、保温隔声板与竖向隔声片之间拼缝上的防水胶带进行检查。对有气泡、皱褶或不密封的拼缝,在外侧覆盖、粘贴一定长度的防水胶带加强,确保密封。B.3.10浇筑混凝土保护层时,运送小车不可直接在钢丝网片和保温隔声板上行驶,应铺木板。在墙角处。穿楼板管道处浇筑混凝

9、土时,应注意不使混凝土进入竖向隔声片和墙体之间。浇筑时注意及时调整钢丝网片的位置。B.3.11混凝土保护层可用平板振捣器振捣密实;或用30kg重滚筒来回滚压,直到表面挤出浆来即可;低洼处应用混凝土补平。待2h3h混凝土稍收水后,采用铁抹子压光。压光工序应在混凝土终凝前完成。B.3.12压光后覆盖并洒水养护,养护应确保覆盖物湿润,每天应洒水3次4次(天热时增加次数但当日平均气温低于5时,不应浇水。当混凝土保护层抗压强度达到5MPa后,其上面方可走人。养护期内不应在其上推手推车、放重物品或随意践踏。B. 3.13安装地暖热水管的住宅预制楼板保温隔声系统,其施工还应遵守低温热水地板辐射供暖地面施工相

10、关的标准规定。B.4施工安全住宅预制楼板保温隔声系统的施工应严格遵守严格遵守安全施工相关的标准和规定,施工人员应佩戴好各种劳防用品,做好职业健康保护。附录C(规范性)预制楼板保温隔声系统验收要求C.1一般规定C.1.1预制楼板保温隔声系统质量验收应符合GB50209GB50300、GB50411现行建筑节能工程验收标准以及其他相关标准的要求。C.1.2保温隔声板、竖向隔声片、防水胶带及其它配套辅件(材)必须符合设计和国家现行工程建设标准、产品标准的要求。材料或产品进入施工现场时,应具有中文标识的出厂质量合格证、产出厂检验报告、有效期内的型式检验报告等。C.1.3预制楼板保温隔声系统的施工,应在

11、主体或楼地面基层质量验收合格后进行。施工过程中应及时进行质量检查、隐蔽工程验收和检验批验收。施工完成后应进行建筑楼地面保温隔声分项工程验收。C.1.4预制楼板保温隔声系统的验收应按顺序对下列工序和部位进行隐蔽工程验收,上一道工序经验收合格后方可进入下一道工序施工,验收应有详细的文字记录和必要的图像资料:a)基层:b)竖向隔声片粘贴:c)保温隔声板铺设:d)防水胶带处理拼缝:e)钢丝网片铺设。C.1.5预制楼板保温隔声系统检验批划分应符合下列规定:每100om2可划分为一个检验批,不足I(X)OH?也为一个检验批;一检验批的划分也可根据与施工流程相一致且方便施工与验收的原则,由施工单位与监理(建

12、设)单位共同商定。C.1.6预制楼板保温隔声系统检验批应按主控项目和一般项目验收。检验批质量验收合格,应符合下列规定:主控项目应全部合格;般项目应合格;当采用计数检验时,至少应有80%以上的检查点合格;一一应具有完整的施工操作依据和质量检查记录。C.2主控项目C.2.1保温隔声板、竖向隔声片、防水胶带及其它配套辅件(材)等进场时应进行质量检查和验收,其品种、规格、厚度、性能应符合设计和相关标准的要求。检验方法:尺量,检查产品合格证、出厂检验报告,核查有效期内型式检验报告。检查数量:按进场批次,每批随机抽取3个保温隔声板试样测量厚度;质量证明文件应按照其出厂检验批进行核查。C.2.2进场时应对保

13、温隔声板的导热系数、表观密度、吸水率、压缩强度以及钢丝网片的网孔尺寸、丝径进行现场抽样复验。检验方法:核查抽样复验报告。检查数量:楼地面面积不足100om2时抽查1次;楼地面面积超过100Om2时,每增加2000n?应增加1次抽样;地面超过5000m2时,每增加3000n?应增加1次抽样。同项目、同施工单位且同时施工的多个单位工程(群体建筑),可合并计算楼地面抽检面积。同一工程的保温隔声板、钢丝网片的连续三次见证取样检测均一次检验合格时,其后的现场抽样检测数量,可按规定抽样数量的50%进行抽样检测。当按规定数量50%抽样检测后出现不合格,除按“不合格”处理外,其后再进场的材料仍应按原规定抽样数

14、量进行抽样检测。C. 2.3预制楼板保温隔声系统施工前,应对基层进行处理,使其达到设计和施工方案的要求。检验方法:对照设计和施工方案观察检查。一一检查数量:全数检查。C.2.4竖向隔声片的粘贴应连续布满房间内所有的墙脚处墙面;竖向隔声片拼缝宽度应小于Imm。检验方法:观察检查,尺量。一检查数量:每个检验批抽取3个自然间,测量竖向隔声片拼缝宽度;其余全数检查。C.2.5保温隔声板的铺设应平整,板缝相互对齐、横平竖直;板间拼缝宽度应小于2mm。一一检验方法:观察检查,尺量。检查数量:每个检验批抽取3处,每处Iom2,测量竖向隔声片拼缝宽度;其余全数检查。C.2.6拼缝上的防水胶带应密封良好。检验方

15、法:浇筑混凝土前对拼缝上的防水胶带进行观察检查。一一检查数量:全数检查。C.2.7混凝土保护层的强度等级应符合设计要求。一一检验方法:核查检验报告。检查数量:检验同一施工批次混凝土保护层强度的试块,应按每一层(或检验批)地面工程不少于1组。当每一层(或按检验批)地面工程面积大于100Om2时,每增加100Om2应增做1组试块;小于100Om2按100Om2计算,取样1组。C.2.8预制楼板保温隔声系统各层的设置和构造做法应符合设计要求。检查方法:钻孔、尺量检查。检查数量:每个检验批抽查不应少于3处。C.3一般项目C.3.1混凝土保护层表面应密实,不应有起砂、蜂窝和裂缝等缺陷。一一检查方法:观察检查。一一检查数量:全数检查。C.3.2混凝土保护层表面应平整,表面平整度不大于5mm。检查方法:用2m靠尺和楔形塞尺检查。检查数

展开阅读全文
相关资源
猜你喜欢
相关搜索

当前位置:首页 > 行业资料 > 国内外标准规范

copyright@ 2008-2023 1wenmi网站版权所有

经营许可证编号:宁ICP备2022001189号-1

本站为文档C2C交易模式,即用户上传的文档直接被用户下载,本站只是中间服务平台,本站所有文档下载所得的收益归上传人(含作者)所有。第壹文秘仅提供信息存储空间,仅对用户上传内容的表现方式做保护处理,对上载内容本身不做任何修改或编辑。若文档所含内容侵犯了您的版权或隐私,请立即通知第壹文秘网,我们立即给予删除!