钢筋分项工程(钢筋连接、钢筋安装)检验批质量验收记录模板.docx

上传人:p** 文档编号:1030108 上传时间:2024-06-15 格式:DOCX 页数:1 大小:12.98KB
下载 相关 举报
钢筋分项工程(钢筋连接、钢筋安装)检验批质量验收记录模板.docx_第1页
第1页 / 共1页
亲,该文档总共1页,全部预览完了,如果喜欢就下载吧!
资源描述

《钢筋分项工程(钢筋连接、钢筋安装)检验批质量验收记录模板.docx》由会员分享,可在线阅读,更多相关《钢筋分项工程(钢筋连接、钢筋安装)检验批质量验收记录模板.docx(1页珍藏版)》请在第壹文秘上搜索。

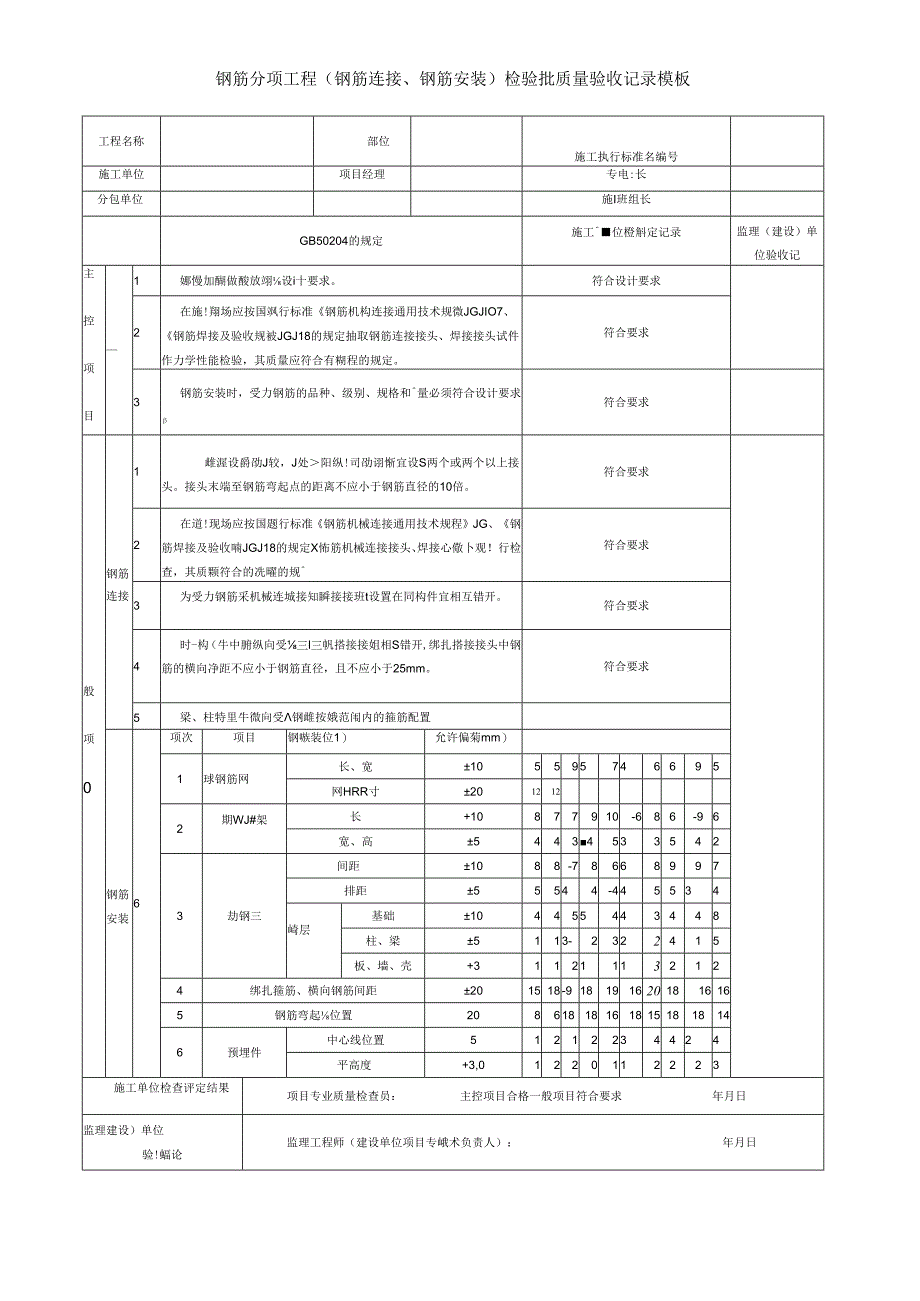
1、钢筋分项工程(钢筋连接、钢筋安装)检验批质量验收记录模板工程名称部位施工执行标准名编号施工单位项目经理专电:长分包单位施I班组长GB50204的规定施工位橙斛定记录监理(建设)单位验收记主控项目1娜慢加醐做酸放翊设i十要求。符合设计要求2在施!翔场应按国飒行标准钢筋机构连接通用技术规微JGJIO7、钢筋焊接及验收规被JGJ18的规定抽取钢筋连接接头、焊接接头试件作力学性能检验,其质量应符合有糊程的规定。符合要求3钢筋安装时,受力钢筋的品种、级别、规格和量必须符合设计要求符合要求般项0钢筋连接1雌渥设爵劭J较,J处阳纵!司劭诩惭宜设S两个或两个以上接头。接头末端至钢筋弯起点的距离不应小于钢筋直径

2、的10倍。符合要求2在道!现场应按国题行标准钢筋机械连接通用技术规程JG、钢筋焊接及验收喃JGJ18的规定X怖筋机械连接接头、焊接心儆卜观!行检查,其质颗符合的冼曜的规符合要求3为受力钢筋采机械连城接知瞬接接班t设置在同构件宜相互错开。符合要求4时-构(牛中腑纵向受三l三帆搭接接姐相S错开,绑扎搭接接头中钢筋的横向净距不应小于钢筋直径,且不应小于25mm。符合要求5梁、柱特里牛微向受钢雌按娥范闱内的箍筋配置钢筋安装6项次项目钢嗾装位1)允许偏菊mm)1球钢筋网长、宽105595746695网HRR寸2012122期WJ#架长+10877910-686-96宽、高544345335423劫钢三间距1088-78668997排距55544-445534崎层基础104455443448柱、梁5113-2322415板、墙、壳+311211132124绑扎箍筋、横向钢筋间距201518-9181916201816165钢筋弯起位置208618181618151818146预埋件中心线位置51212234424平高度+3,01220112223施工单位检查评定结果项目专业质量检查员:主控项目合格一般项目符合要求年月日监理建设)单位验!蝠论监理工程师(建设单位项目专峨术负责人):年月日

展开阅读全文
相关资源
猜你喜欢
相关搜索

当前位置:首页 > 建筑/环境 > 建筑资料

copyright@ 2008-2023 1wenmi网站版权所有

经营许可证编号:宁ICP备2022001189号-1

本站为文档C2C交易模式,即用户上传的文档直接被用户下载,本站只是中间服务平台,本站所有文档下载所得的收益归上传人(含作者)所有。第壹文秘仅提供信息存储空间,仅对用户上传内容的表现方式做保护处理,对上载内容本身不做任何修改或编辑。若文档所含内容侵犯了您的版权或隐私,请立即通知第壹文秘网,我们立即给予删除!