风管的弯头、三通、四通、变径管、矩形静压箱、导流叶片、内支撑杆、伸缩节制作构造.docx

上传人:p** 文档编号:1035187 上传时间:2024-06-15 格式:DOCX 页数:6 大小:219.51KB
下载 相关 举报
风管的弯头、三通、四通、变径管、矩形静压箱、导流叶片、内支撑杆、伸缩节制作构造.docx_第1页
第1页 / 共6页
风管的弯头、三通、四通、变径管、矩形静压箱、导流叶片、内支撑杆、伸缩节制作构造.docx_第2页
第2页 / 共6页
风管的弯头、三通、四通、变径管、矩形静压箱、导流叶片、内支撑杆、伸缩节制作构造.docx_第3页
第3页 / 共6页
风管的弯头、三通、四通、变径管、矩形静压箱、导流叶片、内支撑杆、伸缩节制作构造.docx_第4页
第4页 / 共6页
风管的弯头、三通、四通、变径管、矩形静压箱、导流叶片、内支撑杆、伸缩节制作构造.docx_第5页
第5页 / 共6页
风管的弯头、三通、四通、变径管、矩形静压箱、导流叶片、内支撑杆、伸缩节制作构造.docx_第6页
第6页 / 共6页
亲,该文档总共6页,全部预览完了,如果喜欢就下载吧!
资源描述

《风管的弯头、三通、四通、变径管、矩形静压箱、导流叶片、内支撑杆、伸缩节制作构造.docx》由会员分享,可在线阅读,更多相关《风管的弯头、三通、四通、变径管、矩形静压箱、导流叶片、内支撑杆、伸缩节制作构造.docx(6页珍藏版)》请在第壹文秘上搜索。

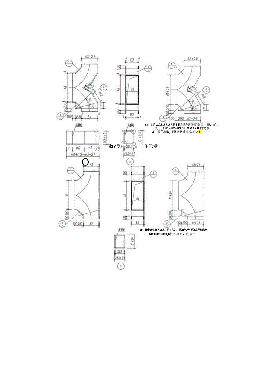
1、风管的弯头、三通、四通、变径管、矩形静压箱、导流叶片、内支撑杆、伸缩节制作构造O法I、图中A、B表示亚合5蝴火风管的内迦m拗四好直段,1.l物噌头眼喊东复合型耐火风管的板材厚度;2、1型弯头适用于风管边长50Q图1I型弯头制作示意100200AIO1、图中A、B表示更合型耐火风管的内边尺寸,m切湾头平直段,1.l超湾头斜段,裱“发合网火风管的板材厚忸2、H型弯头适用上风管边长心(Ktan.图211型弯头制作示意O4:1.RA1tA2,A3.B1,B2,B3索示夏金星彳短,的内般寸,fiB1=B2=B3.6桁MMAX的物融.2、界色缄MjiiI财懒M破鼻铁的做1.图3Y型对称三通制作示意it1,

2、RA1.A2,A3、BkB2、B3ttMXAfMMt.fiB1=B2=B3,6粒”刎短,的就用.j+-pg6扑283收(HIH-200IIEZO3:1,B4A1,A2,A3.B就”如大且的内秋寸,三怔,喝的RMMXtBR.6表*”刎大M的触肘.图5整体式三通制作示意1,BA14A2、A3、A4、B示夏令MwSiW数寸,M帆S个琉帜”就寸BMl同,6好复”tXfO.aaat由1、明中6*示复合型川W的极郴Rt2、明中,懿物“攵朗MMB如队3、单船短且船正机谜肋Ii做醺配4、国中碎风M长皮座下林德1.=(A2-A1)X1.5200.图7变径管制作示意心:1、髀A、B标就购烟。舶前寸,6耗抬朝XX朋加6,超mm2、梯或嬲需款,A500mm,稣融收浙,IlWtII期好不处和8mm.图9导流叶片制作示意附录2导流叶片的数量与位置矩形弯头平面内边长A(mm)导流片数(片)导流片位置mnP500A10001A/3一一100015003A/8A/3A/2

展开阅读全文
相关资源
猜你喜欢
相关搜索

当前位置:首页 > 汽车/机械/制造 > 制造加工工艺

copyright@ 2008-2023 1wenmi网站版权所有

经营许可证编号:宁ICP备2022001189号-1

本站为文档C2C交易模式,即用户上传的文档直接被用户下载,本站只是中间服务平台,本站所有文档下载所得的收益归上传人(含作者)所有。第壹文秘仅提供信息存储空间,仅对用户上传内容的表现方式做保护处理,对上载内容本身不做任何修改或编辑。若文档所含内容侵犯了您的版权或隐私,请立即通知第壹文秘网,我们立即给予删除!