机械制图与典型零部件测绘 习题答案 第11章拼画回油阀.docx

上传人:p** 文档编号:1035764 上传时间:2024-06-15 格式:DOCX 页数:12 大小:647.66KB
下载 相关 举报
机械制图与典型零部件测绘 习题答案 第11章拼画回油阀.docx_第1页
第1页 / 共12页
机械制图与典型零部件测绘 习题答案 第11章拼画回油阀.docx_第2页
第2页 / 共12页
机械制图与典型零部件测绘 习题答案 第11章拼画回油阀.docx_第3页
第3页 / 共12页
机械制图与典型零部件测绘 习题答案 第11章拼画回油阀.docx_第4页
第4页 / 共12页
机械制图与典型零部件测绘 习题答案 第11章拼画回油阀.docx_第5页
第5页 / 共12页
机械制图与典型零部件测绘 习题答案 第11章拼画回油阀.docx_第6页
第6页 / 共12页
机械制图与典型零部件测绘 习题答案 第11章拼画回油阀.docx_第7页
第7页 / 共12页
机械制图与典型零部件测绘 习题答案 第11章拼画回油阀.docx_第8页
第8页 / 共12页
机械制图与典型零部件测绘 习题答案 第11章拼画回油阀.docx_第9页
第9页 / 共12页
机械制图与典型零部件测绘 习题答案 第11章拼画回油阀.docx_第10页
第10页 / 共12页
亲,该文档总共12页,到这儿已超出免费预览范围,如果喜欢就下载吧!
资源描述

《机械制图与典型零部件测绘 习题答案 第11章拼画回油阀.docx》由会员分享,可在线阅读,更多相关《机械制图与典型零部件测绘 习题答案 第11章拼画回油阀.docx(12页珍藏版)》请在第壹文秘上搜索。

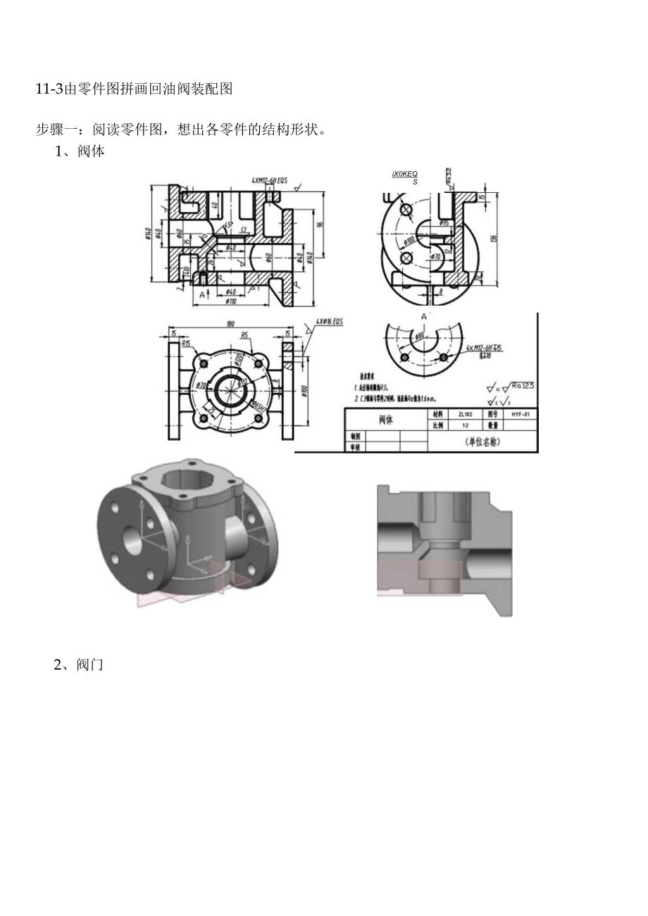
11-3由零件图拼画回油阀装配图步骤一:阅读零件图,想出各零件的结构形状。1、阀体iX0KEQS2、阀门4、螺杆步骤二:阅读装配示意图想象零件之间的装配关系10111213步骤三:布置图面步骤四:画阀体步骤七:画弹簧垫和弹簧弹簧应压缩绘制步骤八:画螺杆和螺母,补画俯视图投影线步骤十:绘制螺柱连接步骤十一:绘制剖面线(;W:1完成图形

展开阅读全文
相关资源
猜你喜欢
相关搜索

当前位置:首页 > 外语学习 > 英语词汇

copyright@ 2008-2023 1wenmi网站版权所有

经营许可证编号:宁ICP备2022001189号-1

本站为文档C2C交易模式,即用户上传的文档直接被用户下载,本站只是中间服务平台,本站所有文档下载所得的收益归上传人(含作者)所有。第壹文秘仅提供信息存储空间,仅对用户上传内容的表现方式做保护处理,对上载内容本身不做任何修改或编辑。若文档所含内容侵犯了您的版权或隐私,请立即通知第壹文秘网,我们立即给予删除!