光伏土建工程质量(钢架构安装质量)验收通用标准.docx

上传人:p** 文档编号:1038699 上传时间:2024-06-15 格式:DOCX 页数:1 大小:9.23KB
下载 相关 举报
光伏土建工程质量(钢架构安装质量)验收通用标准.docx_第1页
第1页 / 共1页
亲,该文档总共1页,全部预览完了,如果喜欢就下载吧!
资源描述

《光伏土建工程质量(钢架构安装质量)验收通用标准.docx》由会员分享,可在线阅读,更多相关《光伏土建工程质量(钢架构安装质量)验收通用标准.docx(1页珍藏版)》请在第壹文秘上搜索。

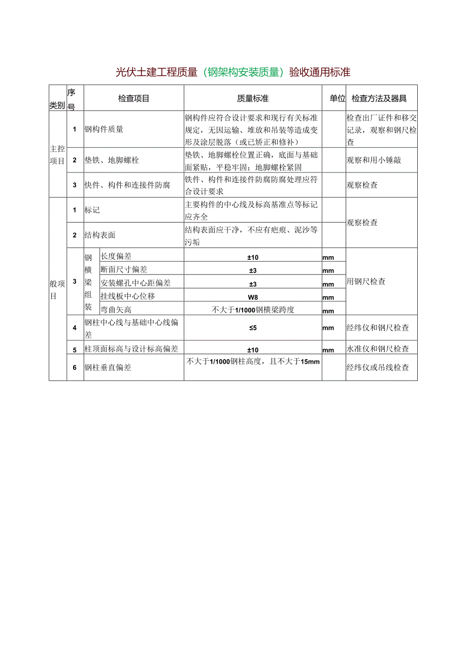
光伏土建工程质量(钢架构安装质量)验收通用标准类别序号检查项目质量标准单位检查方法及器具主控项目1钢构件质量钢构件应符合设计要求和现行有关标准规定,无因运输、堆放和吊装等造成变形及涂层脱落(或已矫正和修补)检查出厂证件和移交记录,观察和钢尺检查2垫铁、地脚螺栓垫铁、地脚螺栓位置正确,底面与基础面紧贴,平稳牢固;地脚螺栓紧固观察和用小锤敲3快件、构件和连接件防腐铁件、构件和连接件防腐防腐处理应符合设计要求观察检查般项目1标记主要构件的中心线及标高基准点等标记应齐全观察检查2结构表面结构表面应干净,不应有疤痕、泥沙等污垢3钢横梁组装长度偏差10mm用钢尺检查断面尺寸偏差3mm安装螺孔中心距偏差3mm挂线板中心位移W8mm弯曲矢高不大于1/1000钢横梁跨度mm4钢柱中心线与基础中心线偏差5mm经纬仪和钢尺检查5柱顶面标高与设计标高偏差10mm水准仪和钢尺检查6钢柱垂直偏差不大于1/1000钢柱高度,且不大于15mm经纬仪或吊线检查

展开阅读全文
相关资源
猜你喜欢
相关搜索

当前位置:首页 > 行业资料 > 国内外标准规范

copyright@ 2008-2023 1wenmi网站版权所有

经营许可证编号:宁ICP备2022001189号-1

本站为文档C2C交易模式,即用户上传的文档直接被用户下载,本站只是中间服务平台,本站所有文档下载所得的收益归上传人(含作者)所有。第壹文秘仅提供信息存储空间,仅对用户上传内容的表现方式做保护处理,对上载内容本身不做任何修改或编辑。若文档所含内容侵犯了您的版权或隐私,请立即通知第壹文秘网,我们立即给予删除!