塔式起重机安装验收记录表.docx

上传人:p** 文档编号:1040611 上传时间:2024-06-16 格式:DOCX 页数:2 大小:11.32KB
下载 相关 举报
塔式起重机安装验收记录表.docx_第1页
第1页 / 共2页
塔式起重机安装验收记录表.docx_第2页
第2页 / 共2页
亲,该文档总共2页,全部预览完了,如果喜欢就下载吧!
资源描述

《塔式起重机安装验收记录表.docx》由会员分享,可在线阅读,更多相关《塔式起重机安装验收记录表.docx(2页珍藏版)》请在第壹文秘上搜索。

1、塔式起重机安装验收记录表工程名称塔式起重机型号设备编号起升高度m幅度m起重力矩KNm最大起重量t塔高m与建筑物水平附着距离m各道附着间距m附着道数验收部位验收要求结果塔式起重机结构部件、附件、连接件安装齐全,位置正确螺栓拧紧力矩达到技术要求,开口销完全撬开结构无变形、开焊、疲劳裂纹压重、配重的重量与位置符合使用说明书要求基础与轨道地基坚实、平整,地基或基础隐蔽工程资料齐全、准确基础周围有排水措施路基箱或枕木铺设符合要求,夹板、道钉使用正确钢轨顶面纵、横方向上的倾斜度不大于1/1000塔式起重机底架平整度符合使用说明书要求止挡装置距钢轨两端距离皂Im行走限位装置距止挡装置距离室Im轨接头间距不大

2、于4mm,接头高低差不大于2mm机构及零部件钢丝绳在卷筒上面缠绕整齐、润滑良好钢丝绳规格正确,断丝和磨损未达到报废标准钢丝绳固定和编插符合国家及行业标准各部位滑轮转动灵活、可靠,无卡塞现象吊钩磨损未达到报废标准、保险装置可靠各机构转动平稳、无异常响声各润滑点润滑良好、润滑油牌号正确制动器动作灵活可靠,联轴节连接良好,无异常附着锚固锚固框架安装位置符合规定要求塔身与锚固框架固定牢靠附着框、锚杆、附着装置等各处螺栓、销轴齐全、正确、可靠垫铁、锲块等零部件齐全可靠最高附着点下塔身轴线对支承面垂直度不得大于相应高度的2/1000独立状态或附着状态下最高附着点以上塔身轴线对支承面垂直度不得大于4/100

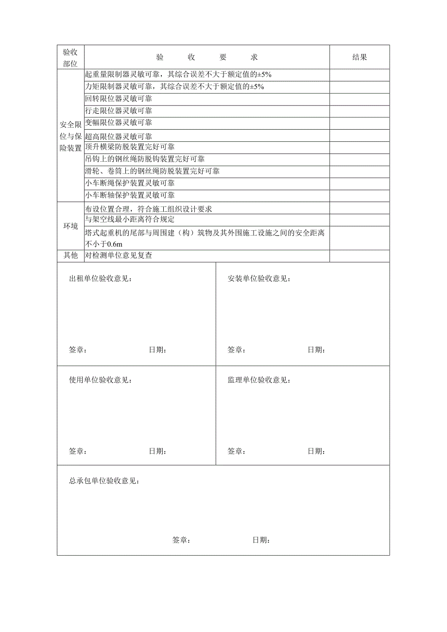
3、0附着点以上塔式起重机悬臂高度不得大于规定要求电气系统供电系统电压稳定、正常工作、电压(38010%)V仪表、照明、报警系统完好、可靠控制、操纵装置动作灵活、可靠电气按要求设置短路和过电流、失压及零位保护,切断总电源的紧急开关符合要求电气系统对地的绝缘电阻不大于05M验收部位验收要求结果安全限位与保险装置起重量限制器灵敏可靠,其综合误差不大于额定值的5%力矩限制器灵敏可靠,其综合误差不大于额定值的5%回转限位器灵敏可靠行走限位器灵敏可靠变幅限位器灵敏可靠超高限位器灵敏可靠顶升横梁防脱装置完好可靠吊钩上的钢丝绳防脱钩装置完好可靠滑轮、卷筒上的钢丝绳防脱装置完好可靠小车断绳保护装置灵敏可靠小车断轴保护装置灵敏可靠环境布设位置合理,符合施工组织设计要求与架空线最小距离符合规定塔式起重机的尾部与周围建(构)筑物及其外围施工设施之间的安全距离不小于0.6m其他对检测单位意见复查出租单位验收意见:签章:日期:安装单位验收意见:签章:日期:使用单位验收意见:签章:日期:监理单位验收意见:签章:日期:总承包单位验收意见:签章:日期:

展开阅读全文
相关资源
猜你喜欢
相关搜索

当前位置:首页 > 建筑/环境 > 建筑资料

copyright@ 2008-2023 1wenmi网站版权所有

经营许可证编号:宁ICP备2022001189号-1

本站为文档C2C交易模式,即用户上传的文档直接被用户下载,本站只是中间服务平台,本站所有文档下载所得的收益归上传人(含作者)所有。第壹文秘仅提供信息存储空间,仅对用户上传内容的表现方式做保护处理,对上载内容本身不做任何修改或编辑。若文档所含内容侵犯了您的版权或隐私,请立即通知第壹文秘网,我们立即给予删除!