货运通道(新图大道)核心区一期工程(Ⅳ标段)交通工程设计说明.docx

上传人:p** 文档编号:1044195 上传时间:2024-06-16 格式:DOCX 页数:12 大小:30.33KB
下载 相关 举报
货运通道(新图大道)核心区一期工程(Ⅳ标段)交通工程设计说明.docx_第1页
第1页 / 共12页
货运通道(新图大道)核心区一期工程(Ⅳ标段)交通工程设计说明.docx_第2页
第2页 / 共12页
货运通道(新图大道)核心区一期工程(Ⅳ标段)交通工程设计说明.docx_第3页
第3页 / 共12页
货运通道(新图大道)核心区一期工程(Ⅳ标段)交通工程设计说明.docx_第4页
第4页 / 共12页
货运通道(新图大道)核心区一期工程(Ⅳ标段)交通工程设计说明.docx_第5页
第5页 / 共12页
货运通道(新图大道)核心区一期工程(Ⅳ标段)交通工程设计说明.docx_第6页
第6页 / 共12页
货运通道(新图大道)核心区一期工程(Ⅳ标段)交通工程设计说明.docx_第7页
第7页 / 共12页
货运通道(新图大道)核心区一期工程(Ⅳ标段)交通工程设计说明.docx_第8页
第8页 / 共12页
货运通道(新图大道)核心区一期工程(Ⅳ标段)交通工程设计说明.docx_第9页
第9页 / 共12页
货运通道(新图大道)核心区一期工程(Ⅳ标段)交通工程设计说明.docx_第10页
第10页 / 共12页
亲,该文档总共12页,到这儿已超出免费预览范围,如果喜欢就下载吧!
资源描述

《货运通道(新图大道)核心区一期工程(Ⅳ标段)交通工程设计说明.docx》由会员分享,可在线阅读,更多相关《货运通道(新图大道)核心区一期工程(Ⅳ标段)交通工程设计说明.docx(12页珍藏版)》请在第壹文秘上搜索。

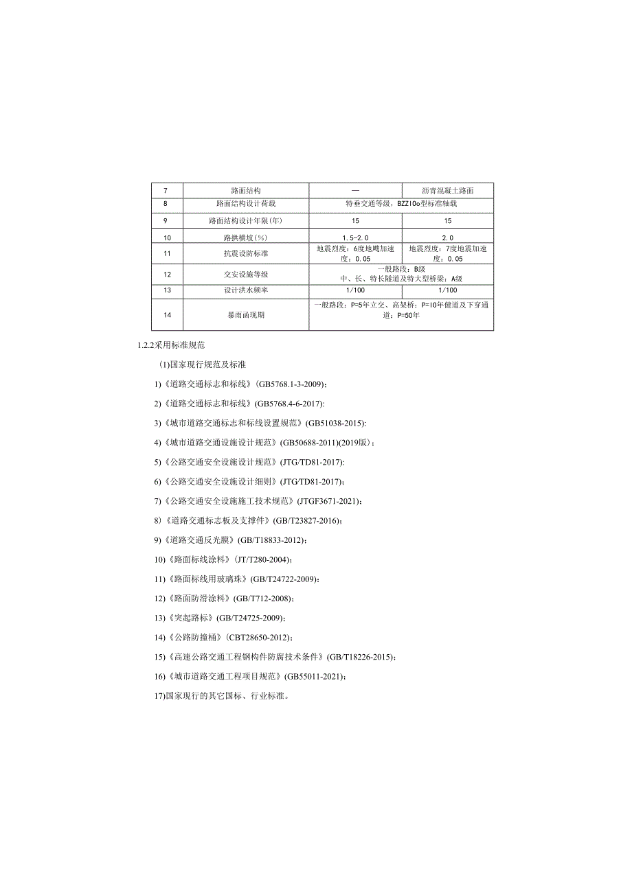
1、7路面结构沥青混凝土路面8路面结构设计荷载特垂交通等级,BZZlOo型标准轴载9路面结构设计年限(年)151510路拱横坡()1.5-2.02.011抗震设防标准地震烈度:6度地飕加速度:0.05地震烈度:7度地震加速度:0.0512交安设施等级一般路段:B级中、长、特长隧道及特大型桥梁:A级13设计洪水频率1/1001/10014暴雨函现期一般路段:P=5年立交、高架桥:P=IO年健道及下穿通道:P=50年1.2.2采用标准规范(1)国家现行规范及标准1)道路交通标志和标线(GB5768.1-3-2009);2)道路交通标志和标线(GB5768.4-6-2017):3)城市道路交通标志和标线

2、设置规范(GB51038-2015):4)城市道路交通设施设计规范(GB50688-2011)(2019版);5)公路交通安全设施设计规范(JTG/TD81-2017):6)公路交通安全设施设计细则(JTGTD81-2017);7)公路交通安全设施施工技术规范(JTGF3671-2021);8)道路交通标志板及支撑件(GB/T23827-2016);9)道路交通反光膜(GB/T18833-2012);10)路面标线涂料(JT/T280-2004);11)路面标线用玻璃珠(GB/T24722-2009):12)路面防滑涂料(GB/T712-2008);13)突起路标(GB/T24725-2009

3、);14)公路防撞桶(CBT28650-2012);15)高速公路交通工程钢构件防腐技术条件(GB/T18226-2015);16)城市道路交通工程项目规范(GB55011-2021);17)国家现行的其它国标、行业标准。1 .交通工程设计说明1.1 工程概况货运通道(新图大道)核心区一期工程共划分为四个标段,本标段为IV标段,桩号范围为YK16+760-YK21+020(其中YK17+80Q-YK18+987为涉铁段),全长约4.26km道路等级为城市主干路,设计速度为60kmh,标准路幅宽度为39.25m,双向8车道。本标段为分以下三个落段:A段(高翔大道-永乐湖大桥段):桩号范围为YK1

4、6+760-YK17+800,长为1.04km;主要建设内容包含高翔立交、永乐湖大桥。B段(涉铁段):桩号范围为YK17+800-YK18+987,长为1.187km:C段(西山立交段):桩号范围为YK18+987TK21+020,长为2.033km:主要建设内容主要包含西山立交段沿山大道的左、右幅主线及11条匝道。本套图纸为IV标段B段(涉铁段),桩号范围为YK17+800-YK18+987,长为1.187ku图1.1工程规模示意图1.2 设计依据及采用标准规范1.2.1 设计依据(1)道路等级:城市主干路;(2)设计速度:主路,60kmh;辅路,40kmh;(3)标志牌设计标准:50年一遇

5、的风速:风速35ms,风压0.766KNm衰1.2-1主线主要技术指标汇总衰序号设计指标规范值采用值一股值极限值1道路等级城市主干路2车道数双向6-8车道3标准路幅宽度(m)39.254设计速度(km/h)40/50/60605最小净空控制(In)跨一般道路:4.5跨武速公路:5.0跨铁路:9.0慢行系统:2.5跨一般道路:5.0跨淘速公路:5.5跨铁路:9.0慢行系统:2.56交通量饱和设计年限(年)2020景、物交织协调以及人车路的综合性能,营造一个安全、经济的道路交通环境。交通标志和标线的设置应充分结合本路段的工程自身特点,在达到适时、适量地提供交通信息,确保行车安全的目的的同时,尽可能

6、与道路的整体效果相配合,并尽量减少交通标志数量,简化交通标线。本次交通指引系统的设置以满足规范为基础,以指路标志的系统性、层次性、合理性、连续性、统一性为原则进行设计。入口指引系统分为:入口预告、入口确认。出口指引系统分为:出口预告、出口确认。1.5交通标志设计1 .5.1交通标志设计原则设置交通标志旨在通过对驾驶员适时、准确的诱导,充分发挥其舒适、安全的效能。本项目交通标志设计主要以不熟悉该区域道路网系统的驾驶员为基本使用对象,通过适时、适量地提供交通信息,使驾驶员能够正确选择路线及方向,顺利、快捷地抵达目的地。同时,还通过禁令、指示、警告等标志来进行交通管制和保证行车安全,使道路发挥最大的

7、作用。除个别标志外,交通标志的颜色为:指示标志:蓝底、白图案;警告标志:黄底、黑边、黑图案:禁令标志:白底、红圈、红杠、黑图案2 .5.2交通标志设计1)立交指路告知标志牌:在主线与匝道鼻端分流处设置立交指路告知标志牌,采用双悬臂(版面尺寸为5.0mX3.6m+5.0mX3.6m).2)限高标志牌:在下穿桥梁的掠头行车道起点处适当位置设置限高标志牌。(牌面尺寸为外径1.Om或1.2m的圆形)。3) “停车让行”标志牌:在相交村道入口处设置“停车让行、注意人行”标志牌。(牌面尺寸为外径0.8m的正八边形+边长1.Om的正方形)。4) “注意合流”标志牌:在主线与辅道合流侧分带上设“注意合流”的警

8、告标志牌(牌面尺寸为边长1.lm的正等边三角形)。(2)地方现行规范及标准1)重庆市城市道路交通管理设施设置规范(DB50/T548.1-5-2014);2)城市道路交通设施规范设置指导意见:3)城市道路水马、锥形桶、防撞桶、防撞柱式样标准;4)城市道路分车型限速、分车道行驶管理交通设施设置(渝公交巡201633号);5)重庆市城市道路交通安全设施管理办法(渝公发201661号);6)车道行驶方向标志版面信息调整指导意见(渝公交巡2016227号):7)主城区城市道路隔离设施品质提升方案(重庆市城市管理委员会201803);8)主城区城市道路指路标志设置指导意见(重庆市公安局201805)。1

9、.3 对上阶段论证及审查意见的执行情况初步设计评审暂未对交通工程分项提出意见,初步与交警对接后,己将意见落实到本套图中,下一步与交警进行对接后,针对交警意见进行调整。1.4 交通工程总体设计本次路线总体交通设计主要内容共包含交通标志、交通标线、安全设施等内容。1.4.1 交通工程设计原则按照交通部颁道路交通标志和标线(GB5768-2009)中的有关规定,根据道路的等级和交通流向分析,结合路容、路貌设置J沿线的交通工程及其设施。确保行车的安全与沿线路、景、物交织协调以及人车路的综合性能,营造一个安全、经济的道路交通环境。交通标志和标线的设置应充分结合本路段的工程自身特点,在达到适时、适量地提供

10、交通信息,确保行车安全的目的的同时,尽可能与道路的整体效果相配合,并尽量减少交通标志数量,简化交通标线。本次交通指引系统的设置以满足规范为基础,以指路标志的系统性、层次性、合理性、连续性、统一性为原则进行设计。入口指引系统分为:入口预告、入口确认。出口指引系统分为:出口预告、出口确认。按照交通部颁道路交通标志和标线(GB5768-2009)中的有关规定,根据道路的等级和交通流向分析,结合路容、路貌设置了沿线的交通工程及其设施。确保行车的安全与沿线路、独立设杆:其它经论证不具备合杆条件的,可独立设杆,独立设置的龙门架或杆件应与道路环境景观协调一致。(4)杆体结构强度达到抵抗五十年内最大强风的要求

11、,所有设备与灯杆间均采用结构自防水,预留安装孔位与信息化接口。2)杆件设置本次设计路段设置杆高Iom、12m共2种类型路灯,以路灯为基础杆,整合指路、导向车道标志牌、视频监控等设施设备,主要整合标志牌设置如下:(1)杆高IOm路灯:限高标志(版面:1.0m),交叉路口标志(版面:1.1m)。1.5.7主动发光标志牌技术要求1)合格证明符合国家标准乳印主动发光道路交通标志(GB/T31446)和行业标准内部照明标志(JT/T750)技术要求,并取得国家交通安全设施质量监督检验中心出具的依据该标准的检测报告:或获得合格产品制造商针对本项目的有效授权书。2)参照标准标志版面的文字图形等信息内容依据设

12、计图纸或国家标准GB5768.2道路交通标志的相关要求。主动发光部分参照行业标准内部照明标志(JT/T750)技术要求支撑结构依据国家标准GB/T23827道路交通标志板及支撑件的相关要求。I环境温度适用等级:B级-40C+50*C(根据地理区域选配:A级-2(C+55*C;C级,-55C45*C)o3)组成部分:主要由标志牌、机箱、配件组成标志牌主要由铝合金机箱、发光源、透光材料、反光膜等组成。a、采用铝合金板材、铝合金型材等通过焊接/钾接制作的箱体,半透式主动发光标志整体厚度W65mm,全透式主动发光标志整体厚度W65三(不含固定框架结构及电源盒),防水防尘措施等级符合IP55要求。b、发

13、光源:光源采用克下式1.ED背光源,光源距离面板距离225mm,保证标志表面无阴具体标志牌尺寸划分详见交通标志牌版面设计图。1.5.3标志板结构及材料标志板由标志面、标志底板及滑槽等组成,标志面采用铝合金板,符合道路交通标志板及支撑件(GB/T23827-2009)要求。附着式、立柱式、悬臂式限速禁停标志板厚度为3mm,除悬臂式限速禁停标志外其余悬臂标志板厚度为4.5mm。具体版面厚度详见“标志结构设计图”。标志图案、文字(包括箭头、汉、英文字、数字等)采用IV类超强级反光膜。同一块标志板上,标志底板和标志面所采用的各种材料应具有相容性,防止电化作用,不同的热膨胀系数或其他化学反应等造成标志板

14、的锈蚀或损坏。1.5.4标志立柱标志立柱采用钢管制作,符合GB/T23827-2009道路交通标志板及支撑件要求。所有钢构件必须采用热没锌作防腐处理。立柱、底板、横梁、法兰盘等大构件镀锌量为600gm2,抱箍等小构件镀锌量为350gm并符合CBTl8226-2000高速公路交通工程钢构件防腐技术条件要求。对应不同板面大小的交通标志牌采用不同的支撑结构:单柱式标志结构采用外径89mm,单悬臂式标志结构采用外径377mm钢管。具体标志结构尺寸详见”标志结构设计图”。1.5.5支持方式采用单柱式、单悬臂式、双悬臂式和附着式四种方式。立柱与标志板之间采用抱箍、抱箍底衬和螺栓连接,立柱通过法兰盘固定在基

15、础上,也可以直接附着在桥梁预埋标志基础上。1. 5.6杆线整合1.1.1 则(1)在满足业务功能要求和结构安全的前提下,原则上只保留交通杆、路灯杆和信息牌(“两杆一牌”),其他杆牌一律整合到“两杆一牌”上,不再单独设置,同时注意所有合杆设施应避免相互遮挡。(2)独立设置杆件与相邻综合杆间距宜大于IOm,且与道路景观相协调。(3)柱式公交站牌可独立设杆;道路交通可变信息标志、停车诱导等大型门架式或悬臂式结构可独立设置;无道路照明灯杆的中央分隔带上需设置行人信号灯或机动车信号灯的,可导交通流.1.1.2 交通标线布设1)主线部分主线路段设置车道边缘线及车道分界线,车道边缘线为白色实线,宽15cm:车道分界线为白色虚线,宽15cm,线长6m,间距9m。在路侧边缘线每隔20m留出3cm的缺口,以利于排水。匝道设置车道边缘线及分界线,车道边缘线为白色实线,

展开阅读全文
相关资源
猜你喜欢
相关搜索

当前位置:首页 > 建筑/环境 > 环保行业

copyright@ 2008-2023 1wenmi网站版权所有

经营许可证编号:宁ICP备2022001189号-1

本站为文档C2C交易模式,即用户上传的文档直接被用户下载,本站只是中间服务平台,本站所有文档下载所得的收益归上传人(含作者)所有。第壹文秘仅提供信息存储空间,仅对用户上传内容的表现方式做保护处理,对上载内容本身不做任何修改或编辑。若文档所含内容侵犯了您的版权或隐私,请立即通知第壹文秘网,我们立即给予删除!