长天路改扩建项目总体设计说明.docx

上传人:p** 文档编号:1044470 上传时间:2024-06-16 格式:DOCX 页数:9 大小:26.20KB
下载 相关 举报
长天路改扩建项目总体设计说明.docx_第1页
第1页 / 共9页
长天路改扩建项目总体设计说明.docx_第2页
第2页 / 共9页
长天路改扩建项目总体设计说明.docx_第3页
第3页 / 共9页
长天路改扩建项目总体设计说明.docx_第4页
第4页 / 共9页
长天路改扩建项目总体设计说明.docx_第5页
第5页 / 共9页
长天路改扩建项目总体设计说明.docx_第6页
第6页 / 共9页
长天路改扩建项目总体设计说明.docx_第7页
第7页 / 共9页
长天路改扩建项目总体设计说明.docx_第8页
第8页 / 共9页
长天路改扩建项目总体设计说明.docx_第9页
第9页 / 共9页
亲,该文档总共9页,全部预览完了,如果喜欢就下载吧!
资源描述

《长天路改扩建项目总体设计说明.docx》由会员分享,可在线阅读,更多相关《长天路改扩建项目总体设计说明.docx(9页珍藏版)》请在第壹文秘上搜索。

1、总体设计4)公路沥青路面设计规范JTGD50-2017;5)公路桥涵设计通用规范JTGD60-2015:6)公路桥涵地基与基础设计规范JTG3363-2019:7)公路桥涵施工技术规范JTGF50-2011;8)建筑边坡工程技术规范GB50330-2013;9)公路工程质量检验评定标准JTGF80-1-2017;10)公路交通安全设施设计规范JTGD81-2017;11)公路与工桥涵设计规范JTGD61-2005:12)公路钢筋混凝土及预应力混凝土桥涵设计规范JTG3362-2018;13)公路桥梁抗震设计细则JTG/TB02-01-2008;14)公路交通安全设施设计细则JTG/TD81-2

2、017:15)小交通量农村公路工程设计规范(JTG/T3311-2021)16)中华人民共和国环境保护法1.3 测设经过我公司在接到西彭镇长安村长天路改扩建项目设计生产任务后,即组织技术人员对初设线位在1:2000地形图上进行优化。同时组织路线、地质、桥涵等相关专业技术人员沿线踏勘,对沿线的地质灾害情况进行了客观、细致的调查,对拟建路线的稳定性,适宜性进行了评价,对路线走向提供了初步的地质依据。在初拟路线走向的基础上,充分听取了业主对本项目路线走向和控制点意见,并充分参考园区发展规划后,我公司对原有路线线位进一步优化,同时组织测量人员进场勘察,整个外业勘察历时35日。外业工作结束,项目组对外业

3、测量成果、路线方案、调查资料进行审查及验收,合格后根据外业期间施工图设计的路基横断面、挡墙、桥涵等方案组织人员进行了工地核对,确保外业整料收集的准确性和设计方案的合理性。第一篇1概述1.4 项目背景西彭镇地处九龙坡区西南部,介于东经1061525”-1062134,北纬29015,29-2923,28”之间,东与铜罐驿镇接壤,南临长江与江津新区隔江相望,西与江津区津福镇相连,北与陶家镇、巴福镇毗邻,距九龙坡区人民政府驻地35千米,区域总面积88.2平方千米。西彭镇地处浅丘、平坝,地势西高东低,海拔最高300米左右;境内最高峰花果山位于长安村与江津区德感街道高平村交界处,海拔630米:最低点磨刀

4、溪水库位于合心村与长石村交界处,海拔185米。长安村与元通村、黄磷村、李家河村、石塔村、双岗村、元明村、东林村、泥壁村、马鞍村、梓槐村、玉凤村、桥困村、千秋村、城西家园社区相邻。本项目位于西彭镇长安村,素有“城市后花园林”之称,长安村附近有重庆动物园、重庆巴国城、华岩旅游风景区、周君记火锅食品工业体验园、海兰云天、重庆天赐温泉等旅游景点,有白市驿板鸭、重庆油茶、窗核桃、金风烤羊、乡村鲜花椒鸡、重庆辣子鸡等特产,有走马镇民间故事、梁平木版年画、梁平癞子锣鼓、龙骨坡抬工号子、梁平抬儿调等民俗文化。本项目为长安村花果山园区内部乡村道路工程,主要为园区的建设和游客游园等提供服务。1.5 设计依据1.5

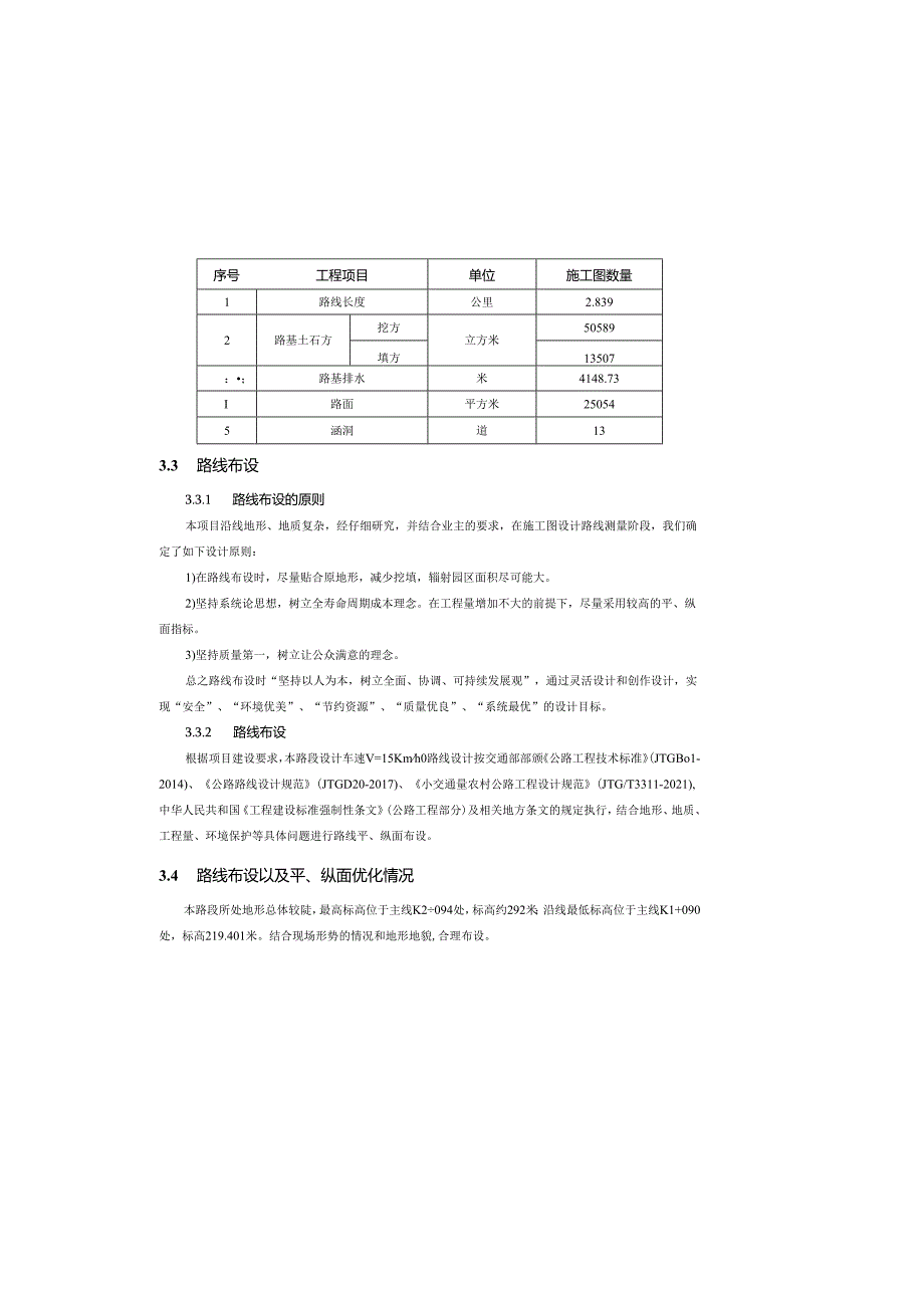
5、.1 任务依据1)本项目的合同。2)交通部颁布的有关“技术标准”、“规范”、“公路工程基本建设项目设计文件编制办法”、“概预算编制办法”、“预算定额”及有关规定。1.5.2 设计采用规范1)公路工程技术标准JTCB01-2014:2)公路路线设计规范JTGD20-2017;3)公路路基设计规范JTGD30-2015:3.2 工程概述表3-1主要工程数量表序号工程项目单位施工图数量1路线长度公里2.8392路基土石方挖方立方米50589填方13507:;路基排水米4148.73I路面平方米250545涵洞道133.3 路线布设3.3.1 路线布设的原则本项目沿线地形、地质复杂,经仔细研究,并结合

6、业主的要求,在施工图设计路线测量阶段,我们确定了如下设计原则:1)在路线布设时,尽量贴合原地形,减少挖填,辎射园区面积尽可能大。2)坚持系统论思想,树立全寿命周期成本理念。在工程量增加不大的前提下,尽量采用较高的平、纵面指标。3)坚持质量第一,树立让公众满意的理念。总之路线布设时“坚持以人为本,树立全面、协调、可持续发展观”,通过灵活设计和创作设计,实现“安全”、“环境优美”、“节约资源”、“质量优良”、“系统最优”的设计目标。3.3.2 路线布设根据项目建设要求,本路段设计车速V=15Kmh0路线设计按交通部部颁公路工程技术标准(JTGBo1-2014)、公路路线设计规范(JTGD20-20

7、17)、小交通量农村公路工程设计规范(JTG/T3311-2021),中华人民共和国工程建设标准强制性条文(公路工程部分)及相关地方条文的规定执行,结合地形、地质、工程量、环境保护等具体问题进行路线平、纵面布设。3.4 路线布设以及平、纵面优化情况本路段所处地形总体较陡,最高标高位于主线K2094处,标高约292米;沿线最低标高位于主线K1+090处,标高219.401米。结合现场形势的情况和地形地貌,合理布设。2技术标准及设计指标2.1 技术标准根据本项目沿线地形、地貌、地质等自然条件、建设条件、业主意见,结合当地交通调查情况,本项目采用四级(一类)标准建设,设计速度15公里/小时,路基宽度

8、采用7.5米的组合形式。路基宽度:0.5In(土路肩)+6.5m(2X3.25m车行道)+0.5m(土路肩)=7.5m.2.2 主要指标沿线其主耍技术指标见下表:表2-1主要技术指标表序号标准名称标准单位规范规定采用标准说明1设计速度公里/小时15152平曲线一般最小半径米15163平曲线极限最小半径米154不设超高圆曲线最小半径米90905最大纵坡%12126最小坡长米45457路基宽度米7.57.58行车道宽度米3.253.259标准轴载KN10010010桥涵荷载级公路Tl级公路TI级11大、中桥洪水频率1/251/2512路基、小桥及涵洞洪水频率1/251/253路线主要控制点、走向及

9、工程概况3.1 路线起讫点、主要控制点本项目为花果山园区乡村道路,主要控制点位个规划农家乐、休闲、观费等主要位置。起点连接原砖厂路,终点与现状道路顺接,与园区内部道路形成路网。表层含大量植物根系,呈软塑可塑状。切面较光滑、韧性中等、干强度中等,无摇段反应。该层主要分布在农田中,一般在地势低洼及农田处厚度较大,在山丘斜坡地带较薄。(3)侏罗系中统沙溪庙组(J2s)泥岩:紫红、紫灰色,粉砂泥质结构,中层状构造,由粘土矿物组成局部含砂质成分较重,为粉砂质泥岩:强风化层岩性较破碎,呈碎块状:中风化层岩心完整,呈柱状,节长50230mm。分布在整个道路沿线为主要岩层。砂岩:黄灰,浅灰色,细粒结构,中厚层

10、状构造,由长石、石英组成。强风化带厚度约1.50m,岩体破碎,呈碎块状,中风化岩体较完整,呈短柱状,少量碎块状,岩质较硬,节长50250mm。分布我陡崖,陡砍及高边坡处,为沿线次要岩层。4.4,2地覆根据中国地震动峰值加速度区划图(l400万GB18306-2015图Al及中国地宸动反应谱特征周期区划图(1/400万)GB18306-2015图B1.抗震设防烈度为Vl度,设计基本地震加速度值为005gO根据公路工程抗震规范(JTGB02-2013)总则第1.0.2条:基本烈度为VI度地区的道路工程,除国家特别规定外,可采用简易设防。5沿线筑路材料、水、电等建设条件与公路建设关系5.1 外购材料

11、拟建公路所需钢材、水泥、沥青、木材等主要材料本着就近舍远的原则,就近购买,通过现有公路组织供应。本项目所需外购材料可从垫江县购买。5.2 地方材料1)砂、石料砂、石需从西彭镇附近购买运达。2)(1)取土:本项目换填方量较大,移挖作填的土能满足需求,需要集中取土。(2)弃土:本项目全线均采用集中弃土方式,弃土主要用作场地平整使用。所有弃方均应弃至指定位置,不得乱堆乱弃。注意事项:4沿线地形、地质、气候、水文等自然特征及与公路建设的关系1.1 地形地貌西彭镇地处九龙坡区西南部,介于东经1061525T062134,北纬291529-292328之间,东与铜罐驿镇接壤,南临长江与江津新区隔江相望,西

12、与江津区滓福镇相连,北与陶家镇、巴福镇毗邻,距九龙坡区人民政府驻地35千米,区域总面积88.2平方千米。西彭镇地处浅丘、平坝,地势西高东低,海拔最高300米左右:境内最高峰花果山位于长安村与江津区德感街道高平村交界处,海拔630米:最低点磨刀溪水库位于合心村与长石村交界处,海拔185米。1.2 气候西彭镇属亚热带季风湿润气候:冬季不冷,1月平均气温普遍在OC以上:夏季较热,7月平均气温一般为25C以上;冬夏风向有明显变化;年降水量一般在100O亳米以上,主要集中在夏季。4 .3河流水系西彭镇境内河道大溪河屈长江水系,自江津团结水库流出,由北而南流经境内10个村,最终汇入长江,境内河道全长9.9

13、千米,年均流量5.7立方米/秒。5 .4地质条件5.1.1 地层岩性根据工程地质测绘和野外钻探揭示,场区土层主要为第四系全新统人工填土(Q4ml)、残坡积(Q4el+dl)粘土,下伏基岩为侏罗系中统沙溪庙组(J2s)砂、泥岩等。现将各层岩土分别简述如下:(1)第四系全新统人素填土(Q4ml)素填土:杂色,稍湿,呈松散稍密状,主要成份为粘土、砂、泥岩碎块石等组成,局部表层含少量建筑垃圾。土石比4:6-1:9不等,粒径0.515cm,素填土不均匀。主要分布于原有道路沿线两侧及居民房屋地段,为居民修建房屋和公路时回填,回填时间不详,般厚1.00-3.OOnU(2)第四系全新统残坡积层(Q4el+dl

14、)粉质粘土:褐色、黄褐色,局部含10%20%的砂、泥岩碎石颗粒,碎石颗粒0.57.Ocm,的关键工程,如路基土石方工程、支挡工程、桥涵工程,应以机械创造多个作业面同时施工或提前进场施工,以确保全段同步完工,及时发挥效益。各分项工程遵循从准备工作-认可施工报告-实施-检测合格-转入下道工序的原则,并作好各工序间的衔接配合,使之有条不紊。7.2 主要工程施工方案1)路基土石方工程路基土石方工程建议采用机械化施工,挖方路段在核实其长度和工程数量的条件下,尽量布置多个作业面,平行流水作业。土方采用挖掘机完成挖、装,配合载重汽车运输的方式进行施工,或以推土机配合装载机完成挖、装作业,配以自卸翻斗汽车运输的方式进行施工。石方一般路段采用机械打眼开炸和挖掘机完成挖、装(或:推上机运输、装载机装载),载重汽车运输的方式进行施工。土石方运至填方路段填筑路堤或运于弃土场废弃。填方工程则以装载机械或推上机伴以人工找平,能采用平地机找平更好,碾压密实,作业中应根据具体情况,注意调整各种机械的配套,避免发生窝工现象。2)桥涵施工全线桥涵工程根据不同结构型式及部位,分别采用机械、机械与人工相结合或人工施工的方案。石砌用工一般以人工施工为主。7.3 主要材料的供应、机具、设备的配套安排1)外购材料的供应外购材料般由指挥部物资管理部门按设计所采用的规格、强度、标号等指标统一采购供应各工点,或

展开阅读全文
相关资源
猜你喜欢
相关搜索

当前位置:首页 > 建筑/环境 > 绿化工程

copyright@ 2008-2023 1wenmi网站版权所有

经营许可证编号:宁ICP备2022001189号-1

本站为文档C2C交易模式,即用户上传的文档直接被用户下载,本站只是中间服务平台,本站所有文档下载所得的收益归上传人(含作者)所有。第壹文秘仅提供信息存储空间,仅对用户上传内容的表现方式做保护处理,对上载内容本身不做任何修改或编辑。若文档所含内容侵犯了您的版权或隐私,请立即通知第壹文秘网,我们立即给予删除!