项目工程实体质量(隧道工程)检查表.docx

上传人:p** 文档编号:1044573 上传时间:2024-06-16 格式:DOCX 页数:3 大小:13.21KB
下载 相关 举报
项目工程实体质量(隧道工程)检查表.docx_第1页
第1页 / 共3页
项目工程实体质量(隧道工程)检查表.docx_第2页
第2页 / 共3页
项目工程实体质量(隧道工程)检查表.docx_第3页
第3页 / 共3页
亲,该文档总共3页,全部预览完了,如果喜欢就下载吧!
资源描述

《项目工程实体质量(隧道工程)检查表.docx》由会员分享,可在线阅读,更多相关《项目工程实体质量(隧道工程)检查表.docx(3页珍藏版)》请在第壹文秘上搜索。

1、项目工程实体质量(隧道工程)检查表序号检查内容考评标准一合格不合格问题描述1原材料、构配件、设备质量原材料进场后按相关要求进行检验,且检验频次应满足相关规定;原材料进场分类堆放,堆放场地及方式符合相关要求;现场设置产品标识,标明其规格、型号、产地、数量、进场时间及检验状态。2钢筋工程钢筋的品种、规格、形状、尺寸、数量必须符合相关要求;钢筋加工长度符合相关要求;钢筋连接(接头位置、接头率、接头长度、接头错开长度、接头外观质量)符合相关要求;钢筋安装(绑扎、锚固长度、箍筋加密、钢筋间距、拉钩安装)是否符合相关要求;材料被污染或锈蚀后是否经过处理合格后才应用于工程;钢筋保护层厚度符合相关要求。3钢构

2、件工程钢支撑的形式、制作和架设符合相关要求;钢支撑连接方式、拱脚安装方式符合相关要求;钢拱架、格栅钢架加工使用标准胎模;钢支撑安装间距、倾斜度、纵横向安装偏差、拼装偏差、保护层厚度符合相关要求;钢支撑安装时基底无虚渣及杂物,接头连接牢靠,无污秽、无锈蚀和假焊。4混凝土工程混凝土原材料应进行配合比设计并经签认,在拌制前做施工配合比;混凝土构件不存在露筋、孔洞、夹渣、蜂窝、气泡等质量缺陷;混凝土构件不存在影响结构性能或使用功能的裂缝;混凝土构件尺寸及外观质量符合相关要求;现场标养室的管理是否符合相关要求;混凝土同条件试块的留置数量、养护条件符合相关要求;混凝土现浇构件养护符合相关要求。5超前地质预

3、报按相关要求开展地质超前预报;按相关要求开展地质核对及地质描述,频次满足要求;地质超前预报及地质描述资料提供及时;6竖井竖井设立防雨棚,井口周围设置防汛墙和栏杆;竖井与通道、通道与正洞连接处采取加固措施;7开挖开挖方法符合相关要求或改变开挖方法已办理相关手续;严格控制隧道拱部、边墙和底部超欠挖,开挖偏差符合相关要求;需进行爆破作业的隧道按照及时编制隧道爆破方案,并按钻爆设计进行开挖爆破作业:洞身开挖在清除浮石后及时进行初喷支护,洞顶无浮石。8支护砂浆锚杆和注浆锚杆(管)按设计和规范要求进行注浆,且灌浆强度不小于设计和规范要求,锚杆(管)孔内灌浆密实饱满;锁脚锚杆(管)符合相关要求;钢筋网片的网

4、格尺寸、与受喷岩面的间隙、网的长、宽、保护层厚度符合相关要求;喷射混凝土强度、厚度符合设计和规范要求,必须喷射在原岩面,且初期支护背后不能存在空洞;支护前应做好排水措施,对渗漏水空洞、缝隙应采取引排、堵水措施,保证喷射混凝土质量;初期支护时,根据不同围岩等级,确定每循环开挖支护进尺,满足相关要求;开挖后及时进行支护,初期支护根据设计和规范要求及时封闭成环,且封闭位置距掌子面距离符合相关要求。9仰拱仰拱浇筑前清除积水、杂物、虚渣等;仰拱开挖前完成钢架锁脚锚杆(管)施工。根据不同围岩等级,仰拱每循环开挖进尺符合相关要求;仰拱及时施作,根据不同围岩等级,仰拱距掌子面距离应符合相关要求;仰拱浇筑混凝土

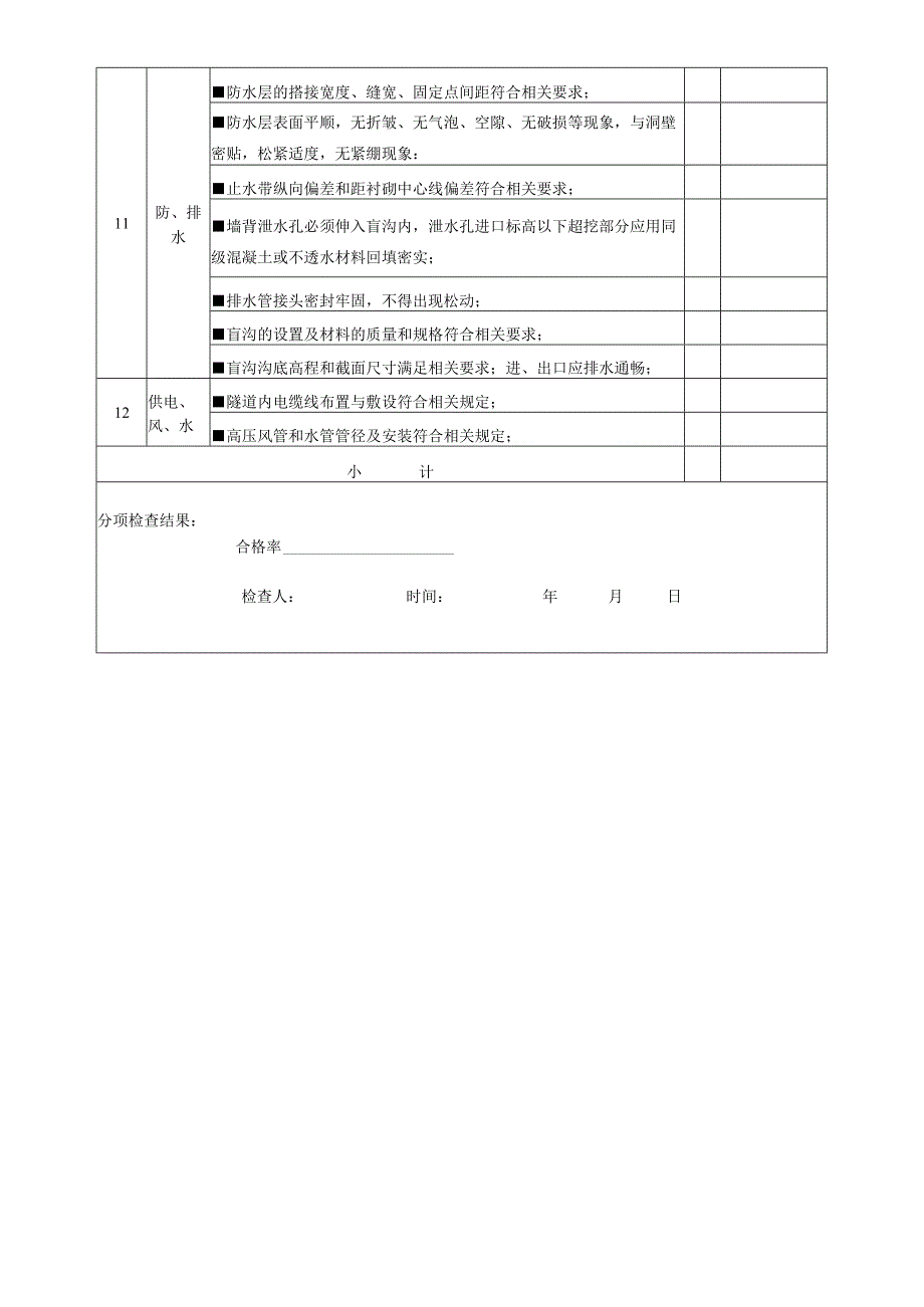
5、强度、厚度及钢筋保护厚度符合相关要求,仰拱和填充严禁一次性浇注。10衬砌衬砌浇筑前,应对拱墙背后的空隙回填密实;特殊情况时,制定具体处理方案经批准后实施;衬砌应及时施作,且根据不同围岩等级,距掌子面距离符合相关要求;衬砌所用材料的质量和规格满足相关要求;衬砌混凝土强度、厚度、内部密实度、墙面平整度应符合相关要求;结构轮廓线条顺直美观,混凝土颜色均匀一致,且无错台现象;11防、排水防水层的搭接宽度、缝宽、固定点间距符合相关要求;防水层表面平顺,无折皱、无气泡、空隙、无破损等现象,与洞壁密贴,松紧适度,无紧绷现象:止水带纵向偏差和距衬砌中心线偏差符合相关要求;墙背泄水孔必须伸入盲沟内,泄水孔进口标高以下超挖部分应用同级混凝土或不透水材料回填密实;排水管接头密封牢固,不得出现松动;盲沟的设置及材料的质量和规格符合相关要求;盲沟沟底高程和截面尺寸满足相关要求;进、出口应排水通畅;12供电、风、水隧道内电缆线布置与敷设符合相关规定;高压风管和水管管径及安装符合相关规定;小计分项检查结果:合格率检查人:时间:年月日

展开阅读全文
相关资源
猜你喜欢
相关搜索

当前位置:首页 > 建筑/环境 > 设计及方案

copyright@ 2008-2023 1wenmi网站版权所有

经营许可证编号:宁ICP备2022001189号-1

本站为文档C2C交易模式,即用户上传的文档直接被用户下载,本站只是中间服务平台,本站所有文档下载所得的收益归上传人(含作者)所有。第壹文秘仅提供信息存储空间,仅对用户上传内容的表现方式做保护处理,对上载内容本身不做任何修改或编辑。若文档所含内容侵犯了您的版权或隐私,请立即通知第壹文秘网,我们立即给予删除!