施工组织设计(村镇银行).doc

上传人:p** 文档编号:1051424 上传时间:2024-06-26 格式:DOC 页数:20 大小:106.49KB
下载 相关 举报
施工组织设计(村镇银行).doc_第1页
第1页 / 共20页
施工组织设计(村镇银行).doc_第2页
第2页 / 共20页
施工组织设计(村镇银行).doc_第3页
第3页 / 共20页
施工组织设计(村镇银行).doc_第4页
第4页 / 共20页
施工组织设计(村镇银行).doc_第5页
第5页 / 共20页
施工组织设计(村镇银行).doc_第6页
第6页 / 共20页
施工组织设计(村镇银行).doc_第7页
第7页 / 共20页
施工组织设计(村镇银行).doc_第8页
第8页 / 共20页
施工组织设计(村镇银行).doc_第9页
第9页 / 共20页
施工组织设计(村镇银行).doc_第10页
第10页 / 共20页
亲,该文档总共20页,到这儿已超出免费预览范围,如果喜欢就下载吧!
资源描述

《施工组织设计(村镇银行).doc》由会员分享,可在线阅读,更多相关《施工组织设计(村镇银行).doc(20页珍藏版)》请在第壹文秘上搜索。

1、某某镇银行一楼营业大厅装修项目施工 组织设计一、工程概况 某某镇银行一楼营业大厅装修工程,所有设计按照总行的要求,结合本身建筑结构的特点,紧密围绕其空间的使用功能,各装饰细部造型注重简洁、朴实,掘弃繁臃,强调自然与和谐,着重体现天然材料自身具有的自然之美,色调以明亮为主,创造出一种自然、舒适的氛围,与室内环境的使用功能相协调。该项工程涉及吊顶、瓷砖、玻璃、装修、消防、安防、综合布线等工种,施工中受电气、泥水、木制作、五金等分项工程交叉作业限制,因而,要在十九天到二十天内实现全面“交钥匙”,就必须在施工中的组织、管理上更科学、更合理、更周密、必须制定出最优施工顺序,满足连续施工、最大取胜度平行搭

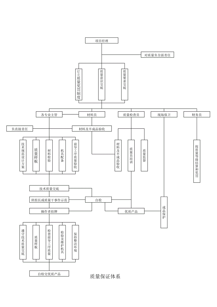
2、接,使机械、设备、及时到位,科学分工、缩短流水步距,最大限度地利用空间,争取时间,组织立体交叉平行流水作业,充分利用工作空间去争取时间,以确保工期,使业主早日投入使用。1、 工期:按业主指定的开工之日起20天内完成该工程各标段预算范围内所有施工项目。2、 质量标准:优良。(实现国家及总行的验收标准、后附质量保证体系网络图)二、 施工布署及施工管理方案设计(一) 项目管理组织机构(后附管理机构设置框图)(二) 工程开展的程序和顺序(后附施工顺序网络图) 项目经理对质量负全面责任质量要求交底质量意识交底财务员成品保护现场保卫质量检查员技术规范设计方案前导工序质量验收机具配备材料检验质量样板材料员负

3、直接责任质量监督质量员培训材料及半成品验收技术质量交底自检班组长或质量干事作示范优质产品操作者挂牌保持整洁环境检验及维护机具检查前导工序质量质量样板遵守技术质量交底各专业主管订立质量奖罚制度材料及半成品验收按质量等级结算和奖罚自检交优质产品质量保证体系 公司经理总工程师公司指挥中心(公司总部)项目经理项目经理公司代表项目(常备)经理工地表总工长库房收发员后勤管理员内外事备管理员安全保卫负责人预算员统计员核算员财务 设计员质检员材料员技术员1段工长2段工长3段工长木工工班泥工工班漆工工班水工工班电工工班五金工工班焊工工班保安人员工程部施工经理综合管理部主任经营部造价师技术部主任工程师 管理机构设

4、置框图公司经理开工 工地测量放样机具进场材料进场墙体工程地面基层水电 配管线天花工程家具工程木作工程粉饰工程油漆工程饰面工程石材工程裱糊工程养护工程灯具安装工程洁具安装工程五金安装工程清理施工顺序网络图1、 总程序:先拆除再预埋再封闭再装饰后调试。拆除施工砌墙及抹灰上下水施工电气管线铺设吊顶铝合金幕墙木作墙面装饰施工地面施工瓷粉乳胶漆油漆涂刷电气、五金卫生洁具安装试送水电清理交验。2、 预埋阶段:先水暖再电气管线。3、 封闭阶段:先墙面再顶棚地面 4、 装饰阶段:先木作油漆裱糊再面板。 5、 调试阶段:先电气再水卫。6、 五金安装阶段:先基础再安装后调式。三、 主要项目施工方案及施工要点1、

5、施工现场永久性或半永久性标高及水准点的确定、核实,根据结构工程1M线,校核各类关键点,打出现场精确装饰600mm或800mm控制线。2、 电气工程:根据电气施工图,现场扫管、布管,明确各主箱、分线箱位置预埋好,布管走线严格按规范操作施工,电气照明灯具先试亮再安装,争取做到一次整体调试成功。3、 吊顶工程:参照建筑装饰施工规范及88J4三内装修,选用不上人U型钢龙骨石膏板吊顶(8胀栓6钢筋,起拱高度为短向跨度的1/200)。(1) 根据现场抄平水平线,结合土建1m线标定吊顶设计标高线,主龙骨按开间方向排列,次龙骨按进深排列。大厅吊顶面积过大的,需加横竖大龙骨。(2) 膨胀镙铨及吊杆间距按9001

6、200安装,主龙骨悬挑不得大于300mm,副龙骨按400mm间距排列;(3) 走廊短向排列主龙骨,纵向排列副龙骨,石膏板垂直副龙骨方向安装;(4) 采用9mm纸面石膏板,自攻螺丝略嵌入板面为宜,钉位距离板边在1015mm为宜,钉距不大于200mm,钉眼应作防锈处理,并用石膏腻子抹平;(5) 烟感探头、喷淋头、风口在吊顶就位后安装,走廊根据各种隐蔽工程需要预留检修口;(6) 顶棚板缝处理工艺:先用KF80嵌缝腻子刮平,作网格布一道,刷乳胶一道,贴嵌逢纸带一道;(7) 棚面满刮瓷粉三遍砂纸打磨,乳胶漆喷涂三遍;(8) 铝合金方板吊顶(卫生间):吊顶板采用嵌入式固定,不留检修口,铝合金扣板可自由摘挂

7、。4、 石材铺设工程(1) 工艺流程:墙面:施工前准备(管线剔凿、堵洞、备料、选材)基层清理弹线吊铅垂线找规矩石材切口绑扎铜丝安装固定石材面板灌浆擦缝上蜡保养;地面:基层清理现场放线石板浸水湿润摊铺1:3干硬性水泥砂浆结合试拼铺板擦缝上蜡保养;工艺要求:严格选材,要求板材平整、尺寸规方、板面无隐伤、风化、色差、缺棱掉角和裂缝;(2) 为防止灌浆外溢,在石型材侧面里侧打少许玻璃胶;(3) 墙面石材灌浆要求分层进行,不能一次浇注成活;(4) 地面石材标高严格控制,进户口与大厅等处的石材、地砖必须保证标高一致,不得出现“门槛“;(5) 要求饰面板成活后表面平整,色泽一致、接缝平直、宽窄一致、阴阳角处

8、理正确;(6) 要求挂线施工(起面层标筋作用)、水平靠尺再校正;(7) 石材铺设完毕24h后再洒水养护,待结合层强度达到60%-70%时方可上蜡保养;5、 木制作及油漆工程(1) 材料要求:木材干燥程度要满足含水率要求(小于等于12%),护墙龙骨三面刷防腐涂料,造型顶棚木龙骨三面刷防火涂料,饰面板严格选材,要求纹理柔和无色差;(2) 工艺流程弹线检查预埋件制作安装木龙骨装钉面板安装饰面板饰面聚脂漆处理(擦色、基层处理、补钉眼、刷漆、修补腻子、修色、磨砂纸、再刷漆);(3) 为防止变形,木制品制成后,马上封一遍底漆,以防止受潮热等气候变化而引起质量问题;(4) 要求制作尺寸正确、表面平直光滑、棱

9、角方正、不露钉帽、无刨痕、创痕和锤印、接缝严密、平直通顺;(5) 油漆严禁脱皮、漏刷、流坠、皱皮;(6) 质量要求及常见质量问题防治措施另见施工技术交底;6、 由于交叉作业多,施工场地狭窄,固定家具采用集中制作半成品。四、 施工进度计划五、 施工劳动力、资源需用量计划(一) 劳动力计划泥 工: 12人 水电工: 8人 五金工: 10人 木 工: 15人 瓷粉工: 16人 拆 除: 20人 成品保护: 2人总计: 83人根据施工进度及施工顺序调整各施工段的作业人员数量(二) 机具、设备计划电焊机: 2台;切割机: 3台;冲击钻: 6把;气 泵: 3台;手提锯: 2 台;云石机: 1台;电 刨:

10、(小型) 2台;自攻钻: 4把;蚊钉枪: 3 把;气钉枪: 4把;手电钻: 5把;手提配电箱若干。(三) 主要材料、半成品计划预提加工购置计划,见施工预算.六、 施工现场平面安排1、 拉圾、渣土根据现场情况及甲方要求,指定固定场地及外运路线,要符合环保要求;2、 设置板方材、轻钢龙骨、水电材料临时库房;3、 设置涂料、油漆、水泥、腻子库房4、 设置低值易耗品、电气器材、卫生洁具库房5、 现场总配电箱(设在大厅)6、 现场指挥办公室设在施工现场7、 安全及防火设施的位置:灭火器设4个,位置固定并标明示牌。要求特殊工种(如电焊工)必须带灭火器作业。8、 安全防护设施专人负责、定期检查,杜绝一切隐患

11、。七、 保证质量、材料检验及环保的组织措施质量标准执行建筑装饰施工规范及验收标准(一) 质量保证措施1、 严把材料、成品、半成品进场关,把劣质、不合格品拒之门外;2、 严格按图施工,按规范施工,按工艺,标准施工,严格执行“四检”制度(自检、互检、交互检、专检),确保每道工序合格,争创优质工程;3、 每道工序施工前都必须进行技术交底仔细弄明白每个环节,在施工中做好隐检工程的记录和江报工作,严禁虚报假报,一经发现,严肃处理;4、 加强成品保护措施,对已完成和合格品要加强保护,深入开展成口保护知识教育,确保成品“一成到底”;5、 合理调配机具,提高机械设备的利用率,干前计划好,干后保管落实好,加强养

12、护工作,工具专人负责,专人管理体制;6、 定期召开技术会议,建立每日例会制度,争取有了问题早发现、早解决,调动每个施工人员的积极性,积极采纳良好建议,从而指导后续工作;7、 实行奖惩制度和严格考勤制度,加强管理,确保一次成优。(二) 成品保护及环保措施因现场交叉作业较多,成品保护尤为重要,对于成品保护工作,一定要设专人负责,发放证件,对无证人员控制出入, 以免成品及半成品丢失或损坏,对于现场拉圾,尤其是有毒的油漆、涂料的处理,应集中堆放,及时清理到甲方指定的垃圾处理场所,避免环境污染。八、 质量薄弱环节的预防措施(一) 瓷砖粘贴1空鼓脱落防治措施(1) 基层清理干净,特殊工艺应渗入适量粘结剂,

13、表面修补平整,墙面洒水湿透。(2) 面砖使用前,必须清洗干净,用水浸泡到面砖不冒气为止,且不少于24h,然后取出,待表面景凉干后,方可粘贴。(3) 面砖粘贴砂浆厚度一般应控制在57mm左右,过厚或过薄,均易产生空鼓。砂浆初凝后(24时)用专用小锤全面检查,不放过一块。(4) 当墙面砖有空鼓时,应取下面砖,铲除原有粘贴砂浆,采用丹利胶及符合国家现行要求的粘贴胶配制的聚合物水泥砂浆,粘贴修补。2接缝不平直、缝宽不均匀防治措施(1) 对面砖的材质挑选应作为一道工序。就将色泽不同的瓷砖分别堆放,用卡尺和钢板挑出翘曲、变形、裂纹、面层有杂质、缺陷的面砖。用专用直尺。翘曲度小于0.5mm同一类尺寸面砖应用在同一房间,以做到接缝均匀一致。用鱼线接直检验。(2) 粘贴前做好规矩,用2M

展开阅读全文
相关资源
猜你喜欢
相关搜索

当前位置:首页 > 建筑/环境 > 设计及方案

copyright@ 2008-2023 1wenmi网站版权所有

经营许可证编号:宁ICP备2022001189号-1

本站为文档C2C交易模式,即用户上传的文档直接被用户下载,本站只是中间服务平台,本站所有文档下载所得的收益归上传人(含作者)所有。第壹文秘仅提供信息存储空间,仅对用户上传内容的表现方式做保护处理,对上载内容本身不做任何修改或编辑。若文档所含内容侵犯了您的版权或隐私,请立即通知第壹文秘网,我们立即给予删除!