无机轻集料墙体保温系统施工组织设计.doc

上传人:p** 文档编号:1051699 上传时间:2024-06-26 格式:DOC 页数:17 大小:281.81KB
下载 相关 举报
无机轻集料墙体保温系统施工组织设计.doc_第1页
第1页 / 共17页
无机轻集料墙体保温系统施工组织设计.doc_第2页
第2页 / 共17页
无机轻集料墙体保温系统施工组织设计.doc_第3页
第3页 / 共17页
无机轻集料墙体保温系统施工组织设计.doc_第4页
第4页 / 共17页
无机轻集料墙体保温系统施工组织设计.doc_第5页
第5页 / 共17页
无机轻集料墙体保温系统施工组织设计.doc_第6页
第6页 / 共17页
无机轻集料墙体保温系统施工组织设计.doc_第7页
第7页 / 共17页
无机轻集料墙体保温系统施工组织设计.doc_第8页
第8页 / 共17页
无机轻集料墙体保温系统施工组织设计.doc_第9页
第9页 / 共17页
无机轻集料墙体保温系统施工组织设计.doc_第10页
第10页 / 共17页
亲,该文档总共17页,到这儿已超出免费预览范围,如果喜欢就下载吧!
资源描述

《无机轻集料墙体保温系统施工组织设计.doc》由会员分享,可在线阅读,更多相关《无机轻集料墙体保温系统施工组织设计.doc(17页珍藏版)》请在第壹文秘上搜索。

1、目 录一、编制依据及说明二、工程概况三、保温系统构造原理四、保温系统性能五、施工工序及流程六、施工工艺七、施工准备八、材料验收标准九、保温系统施工验收十、安全与文明施工十一、质量保证措施十二、施工现场管理一、编制依据及说明1、某某子某某紫薇公寓无机轻集料保温砂浆系统报价文件;2、建筑工程施工质量验收统一标准;3、建筑装饰装修工程质量验收规范(GB-50210-2001);4、外墙外保温工程技术规程JGJ144-2004;5、外墙外保温建筑构造99J121-1、 99J121-2;6、外墙外保温构造详图(一)2006浙J54;7、无机轻集料保温系统Q/QAD002-2008;8、浙江省建筑节能工

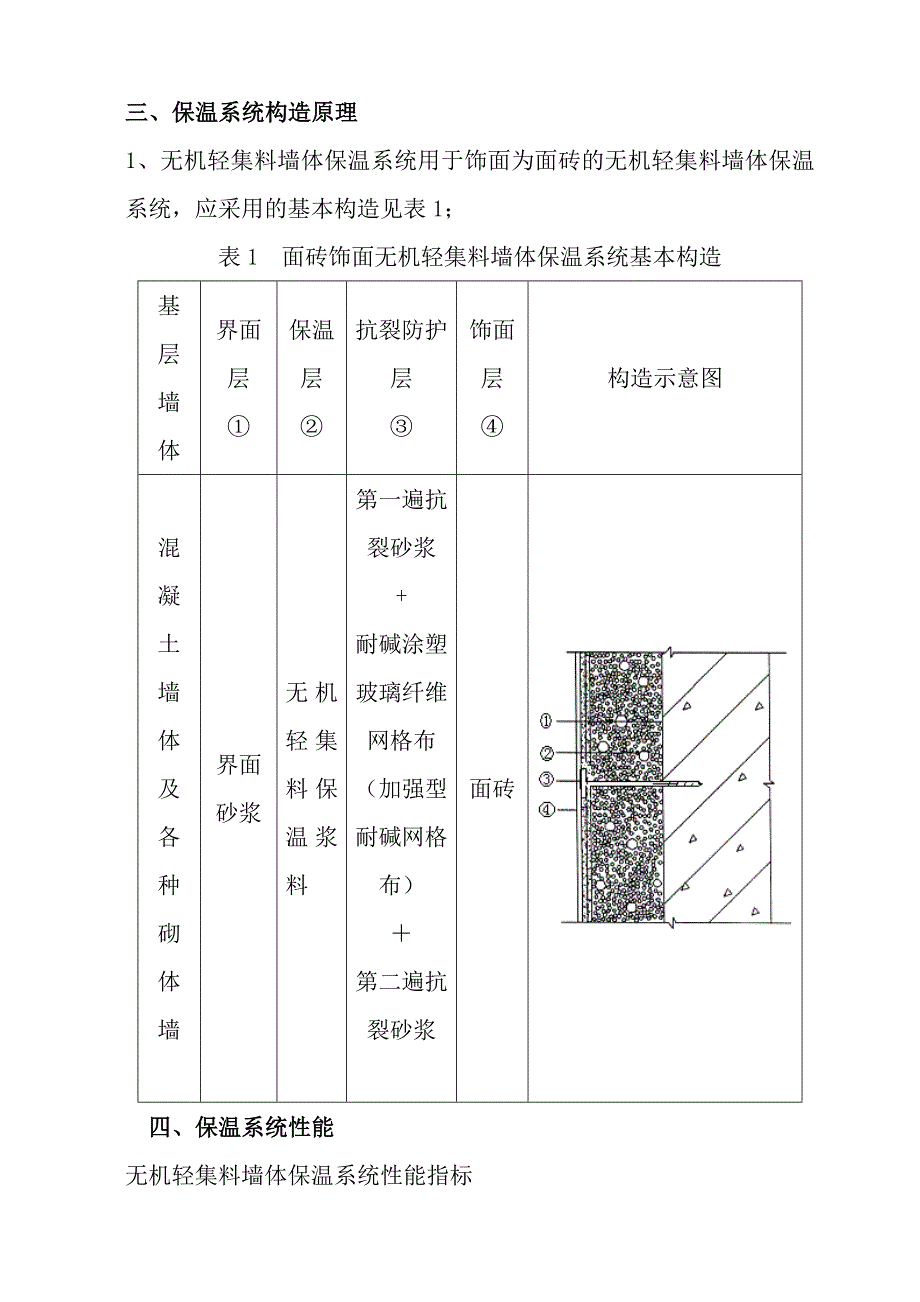
2、程施工质量验收规范实施细则;9、建筑节能工程施工质量验收规范GB50411-2007。二、工程概况1、工程名称:某某子某某紫薇公寓无机轻集料保温砂浆系统;2、工程地址:位于某某市江干区机场路左侧,京杭大运河北岸;3、工程规模及该基本情况:本项目总建筑面积约平方米,由8幢高层、1幢小高层组成。施工面积约为30000M。4、建设(招标)单位、设计单位、监理单位、质监单位、土建总包单位: 建设(招标)单位:某某置业有限公司设计单位:某某某某建筑设计事务所监理单位:某某工程建设监理有限责任公司质监单位:某某市建筑质量安全监督总站土建总包单位:某某建设集团有限公司三、保温系统构造原理1、无机轻集料墙体保

3、温系统用于饰面为面砖的无机轻集料墙体保温系统,应采用的基本构造见表1;表1 面砖饰面无机轻集料墙体保温系统基本构造基层墙体界面层保温层抗裂防护层饰面层构造示意图混凝土墙体及各种砌体墙界面砂浆无机轻集料保温浆料第一遍抗裂砂浆+耐碱涂塑玻璃纤维网格布(加强型耐碱网格布)第二遍抗裂砂浆面砖四、保温系统性能无机轻集料墙体保温系统性能指标试验项目性能指标耐侯性经80次高温(70)-淋水(15)循环和20次加热(50)-冷冻(-20)循环后不得出现开裂、空鼓或脱落。抗裂防护层与保温层的拉伸粘结强度不应小于0.1MPa,破坏界面应位于保温层。吸水量/(g/m2)浸水1h1000抗冲击强度C型普通型(单网)5

4、J冲击合格加强型(双网)12J冲击合格T型5J冲击合格抗风压值不小于工程项目的风荷载设计值耐冻融30次冻融循环后保护层无裂纹、空鼓、起泡、剥离现象;保护层与保温层的拉伸粘结强度0.1MPa,破坏部位应位于保温层水蒸气湿流密度/ g/( mh)0.85抗裂保护层不透水性2h不透水耐磨损,500L砂无开裂,龟裂或表面保护层剥落、损伤系统抗拉强度(C型)/MPa0.1 MPa并且破坏部位不得位于各层界面饰面砖粘结强度(T型)/MPa(现场抽测)0.4五、施工工序及流程图1、面砖饰面系统施工工序基层墙体处理材料准备混凝土砼基层喷涂专用界面砂浆吊垂直、套方、弹控制线用无机轻集料保温砂浆做灰饼、冲筋、作口

5、第一遍无机轻集料保温砂浆约10-15mm 第二遍无机轻集料保温砂浆找平 凉置干燥平整度、垂直 度验收抹第一遍抗裂砂浆配置抗裂砂浆打锚固件裁耐碱网格布铺压耐碱网格布(加强网) 抹第二遍抗裂砂浆 抗裂防护层验收及保温施工整体验收粘贴面砖六、施工工艺1、基层墙面处理(1)、墙面应清洗干净无油渍、浮沉等,墙面突起物5mm应铲平。(2)、用喷枪将界面砂浆均匀喷涂混凝土砼基层表面。(3)、界面剂的拌制要求:水:界面剂=0.27-0.29kg:1kg(4)拌制:按上面比例的水倒入桶中,边搅拌边按比例缓慢加入界面剂,搅拌至充分均匀即可,严禁人工拌制,配好的界面剂在2h内用完,气温在30以上须在1h内用完。(5

6、)、吊垂直、套方找规矩、弹厚度控制线,拉垂直、水平通线,套方作口,按厚度线用胶粉聚苯颗粒保温浆料作标准厚度灰饼冲筋。2、无机轻集料保温浆料的施工(1)、抹无机轻集料保温浆料应至少分二遍施工,夏天施工时第一遍抹保温浆料24小时后,用水保养湿润为止。48小时以后方可抹第二遍保温浆料,24小时后用水保养湿润为止。(2)、第一遍厚度约10-15mm左右为宜。(3)、第二遍操作时应达到冲筋厚度并用大杠搓平,墙在门窗口平整度应达到验收的要求。(4)、对墙体腰线施工时,必须先拉好水平直线,保证保温层线角通直,平整度、厚度一致。(5)、保温层固化:干燥(用手掌按不动表面,一般约为35天)。后方可进行抗裂保护层

7、施工。3、抹抗裂砂浆(1)、抗裂砂浆的拌制要求:水灰比,AD抗裂砂浆:水=1kg:0.21-0.23kg(2)、拌制:用手提式搅拌机搅拌,先加入适当的水,搅拌机转动后再按比例加入抗裂砂浆,搅拌时间约5分钟,至充分搅拌均匀为止,严禁人工拌制。(3)、拌好的浆料经在2h内用完,30以上天气须1h内用完。(4)、墙体腰线抗裂保护层的施工,必须先拉好水平直线,保证其线角通直和平整度,线角处耐碱网格布必须是连续的。(5)、涂刷高分子乳液防水弹性底层涂料。涂刷应均匀,不得漏涂。(6)、刮柔性耐水腻子应在抗裂保护层干燥后施工,应做到平整光洁。(7)、涂刷高分子乳液防水弹性底层涂料。涂刷应均匀,不得漏涂。(8

8、)、刮柔性耐水腻子应在抗裂保护层干燥后施工,应做到平整光洁。(9)、抗裂砂浆与加强型耐碱网格布做法:先根据墙面裁好网格布,抹抗裂砂浆时,总厚度控制在35mm,分两遍进行,第一遍抹23mm,压入网格布,网格布搭接宽度不小于50mm,先压入一侧,再压入余下部位,钻孔钉入锚栓,接着抹第二遍抗裂砂浆,压实、抹平,达到验收的平整度和垂直度,其厚度在12mm,网格布严禁干搭。阴阳角处加强网采用对接,其上用普通网格布搭接,其宽度不小于200mm,网格布铺贴平整,无褶皱,砂浆100%包裹住网格布。在门、窗洞口等处应沿45。方向增贴一道普通型网格布(200mm300mm)。4、外墙阴、阳角、窗台、窗侧的保温施工

9、(1)、阴阳角保温层施工工艺施工前,阴阳角处用铅丝先挂起垂直线,保持阴阳角处与墙面的保温层厚度,平整度必须一致,不能有弯曲弧形,用杠尺贴齐阴阳角处的垂直铝丝,补平缺少的地方,压平实及可,确保阴阳角上下一条线。(2)、窗台、窗侧保温层施工工艺所有的窗框需提前安装完毕,经验收合格,门、窗边框应先做好护角,确保上下门、窗口尺寸必须大小一致,与墙体连接应预留出保温浆料和抗裂砂浆层的厚度,并做好门窗框表面的保护七、施工准备1、无机轻集料墙体保温系统涂料饰面主要采用的材料是:界面砂浆、无机轻集料墙体保温砂浆、抗裂砂浆、加强型耐碱网格布、塑料锚栓。2、施工机具与工具。(1)常用机具。强制式砂浆搅拌机、垂直运

10、输机械,水平运输手推车、手提搅拌器等。(2)常用抹灰工具及抹灰的专用检测工具。经纬仪及放线工具、水桶、剪子、滚刷、铁锨、扫帚、手锤、錾子、壁纸刀、托线板、方尺、靠尺、塞尺、探针、钢尺等。八、材料验收标准1、界面砂浆界面砂浆性由无机胶凝材料及各种添加剂在工厂采用预制混合干拌技术制成的砂浆,其性能如表3所示。表3 AD界面砂浆性能指标项目单位标准界面砂浆压剪粘结强度原强度MPa0.7耐水MPa0.5耐冻融MPa0.52、无机轻集料保温砂浆无机轻集料保温砂浆性能符合表4的要求。表4 无机轻集料保温浆料硬化后的物理力学性能指标项目单位标准I型II型干密度kg/m3350500导热系数W/(mk)0.0

11、70.085抗压强度MPa0.601.20拉伸粘结强度kPa100200线性收缩率%0.25软化系数-0.6抗冻性能抗压强度损失率%20质量损失率%5石棉含量-不含石棉纤维放射性-同时满足IRa1.0和Ir1.0燃烧性能级别-A1级3、抗裂砂浆抗裂砂浆由无机胶凝材料及各种添加剂在工厂采用预制混合干拌技术制成的具有一定柔韧性的砂浆与耐碱网布复合,专门用于胶粉聚苯颗粒保温层上的增强围护。抗裂砂浆性能应符合表5的要求。表5 AD 抗裂砂浆性能指标项 目单位标准可使用时间可操作时间H1.5在可操作时间内拉伸粘结强度MPa0.7拉伸粘结强度(常温28d)MPa0.7浸水拉伸粘结强度(常温28d,浸水7d

12、)MPa0.5压折比-3.04、耐碱网布耐碱网布以耐碱玻璃纤维织成的网格布为基布,表面涂覆高分子耐碱涂层制成的网格布,其性能应符合表6的要求。表6 耐碱网布性能指标项目单位指标外观-合格长度、宽度m50100、0.91.2网孔中心距加强型mm66单位面积质量加强型g/m2500断裂强力(经、纬向)加强型N/50mm3000耐碱强力保留率(经、纬向)%90断裂伸长率(经、纬向)%5涂塑量加强型g/m220玻璃成分%符合JC719的规定,其中ZrO214.50.8,TiO260.55、塑料膨胀锚栓塑料膨胀锚栓其中的塑料膨胀套管应采用聚酰胺、聚乙烯和聚丙烯等制作,不得使用再生塑料。其技术性能指标应符

13、合表7的要求。表7 塑料膨胀锚栓性能指标项目单位指标有效锚固深度mm25塑料圆盘直径mm30-80单个锚栓抗拉承载力标准Kn0.3单个锚栓对系统传热系数影响值W/K0.004九、保温系统施工验收1、主控项目。(1)所用保温材料其导热系数、密度、抗压强度、燃烧性能应符合设计要求。检验方法:核查质量证明文件及进场复验报告。检查数量:全数检查。(2)墙体节能工程的施工,应符合下列规定:l 保温隔热材料的厚度必须符合设计要求。l 保温浆料应分层施工。保温层与基层之间及各层之间的粘结必须牢固,不应脱层、空鼓和开裂。检验方法:观察、手扳检查;保温材料厚度采用钢针插入或剖开尺量检查;核查隐蔽工程验收记录。检查数量:每个检验批抽检不少于3处。(3)墙体节能工程施工前应按照设计和施工方案的要求对基层进行处理,处理后的基层应符合保温层施工方案的要求。检验方法:对照设计和施工方案观察检查;核查隐蔽工程验收记录。检查数量:全数检查。(4)墙体节能工程各层构造做法应符合设计要求,并应按照经过审批的施工方案施工。检验方法:对照设计和施工方案观察检查;核查隐蔽工程验收记录。检查数量:全数检查。(5)在施工中制作同条件养护试件,检测其导热系数、干密度

展开阅读全文
相关资源
猜你喜欢
相关搜索

当前位置:首页 > 建筑/环境 > 保温建筑

copyright@ 2008-2023 1wenmi网站版权所有

经营许可证编号:宁ICP备2022001189号-1

本站为文档C2C交易模式,即用户上传的文档直接被用户下载,本站只是中间服务平台,本站所有文档下载所得的收益归上传人(含作者)所有。第壹文秘仅提供信息存储空间,仅对用户上传内容的表现方式做保护处理,对上载内容本身不做任何修改或编辑。若文档所含内容侵犯了您的版权或隐私,请立即通知第壹文秘网,我们立即给予删除!