环卫行业管理绩效考评(生活垃圾综合治理).docx

上传人:p** 文档编号:105715 上传时间:2022-12-27 格式:DOCX 页数:3 大小:20.18KB
下载 相关 举报
环卫行业管理绩效考评(生活垃圾综合治理).docx_第1页
第1页 / 共3页
环卫行业管理绩效考评(生活垃圾综合治理).docx_第2页
第2页 / 共3页
环卫行业管理绩效考评(生活垃圾综合治理).docx_第3页
第3页 / 共3页
亲,该文档总共3页,全部预览完了,如果喜欢就下载吧!
资源描述

《环卫行业管理绩效考评(生活垃圾综合治理).docx》由会员分享,可在线阅读,更多相关《环卫行业管理绩效考评(生活垃圾综合治理).docx(3页珍藏版)》请在第壹文秘上搜索。

1、环卫行业管理绩效考评(生活垃圾综合治理)考核项目考核标准标准分扣分标准得分生活垃圾处置(25分)垃圾质量各类生活垃圾要严格按照有关规定进行分类收运、处置,不得混装混运进入区级转运和末端处置场所;湿垃圾纯净度必须达到95%以上;严禁工业垃圾、有害垃圾等其它垃圾混入生活垃圾进入区级中转站、末端处置场所。8各类垃圾混装混运的扣次;湿垃圾纯净度低于95%的扣0.5分/次;工业垃圾、有害垃圾等其它垃圾混入生活垃圾进入中转站、末端处置场所的扣3分/次。规范管理进入区级转运和末端处置场所的作业清运车辆保持车容整洁,不得发生污水滴漏现象;作业人员应遵守末端处置场所管理规定。6违反作业规定的扣1分/起;车容车貌

2、不整洁的扣0.2分/次;发生污水滴漏的扣0.5分/次。物流及处置服从区环卫中心物流管理安排,不得擅自调配;严禁违规私自填埋、外运处置。5不服从物流安排的扣2/次,私自填埋、外运处置的扣5分/次。湿垃圾就地处置落实属地管理,加强设施监管,确保“三废”达标合规排放;督促运营方做好进出料台账,信息上报及时。6无台账或不齐全、记录不规范的扣2分,信息上报不及时的扣1分/次:“三废”违规排放的,扣3分。装修垃圾处置(20分)镇级设施按照松江区镇级建筑垃圾中转分拣站设置规范标准(松江区镇级建筑垃圾中转分拣站专项整治工作方案附件),在规定时限内完成整改,配置相关作业设施设备及环保设施,保持完好并正常运行。2

3、0设施、设备缺失的扣2分/项;损坏未及时维修的扣1分/项。未按时按质完成建筑装修垃圾中转站专项整治的扣20分。垃圾分拣精细到位,物料分类有序堆放;所有堆体实行滤网覆盖、降尘、除臭、排污等措施及时到位;场内外保持环境整洁。分拣质量不符合要求的扣2分/次;物料无序堆放的扣1分/次;滤网覆盖缺失的扣1分/次;有明显异味、积水、扬尘的扣2分/次;环境脏乱差的扣3分/次。规章制度齐全并上墙公布,分类标识标牌齐全;做到文明作业;台账资料符合行业要求;能及时上报管理信息;检查反馈的问题能及时整改到位;无有责投诉。无制度的扣3分,未上墙公布的扣2分;分类标识标牌不齐全、破损的扣1分;无台账或不齐全、记录不规范

4、的扣2分;上报不及时的扣1分/次;整改拖拉、不到位的扣2分/次;发生有责投诉的扣3分/件。区级处置进入区级末端处置场所的作业清运车辆和人员应遵守各项规章制度,服从管理部门物流安排和场内工作人员指挥,不得擅自调配。清运车辆应保持车容整洁,做到密闭,不拖挂、不洒落。不遵守各类规章制度、不服从物流安排的扣2/次;清运车辆运输过程中未密闭,车容不洁、垃圾散落、拖挂的扣0.2分/次。进入区级建筑装修垃圾处置末端的垃圾应符合质量标准,不得混装混运。混装混运的扣1分/次;装修垃圾纯净度低于95%的扣0.5分/次。拆房垃圾管理(15分)由局环卫科按松江区拆房(拆违)垃圾街镇管理部门工作目标考核评价表相关条款进

5、行考核。15根据局环卫科提供的各街镇(经开区)考核成绩进行加权计算得分。可回收物收运服务管理(20分)按松江区可回收物管理考核办法及其附件松江区可回收物收运行业监管考核细则进行考核,以该考核分加权计算得分。20考核标准详见松江区可回收物收运行业监管考核细则。其他垃圾(15分)有害垃圾有害垃圾正常收运,收集点设施设备配置齐全。有专用收运器具,严禁生产性有害垃圾或其它垃圾混入收集点。3有害垃圾未正常收运的扣3分,收集点未正常运行的扣3分,设施设备缺失的扣1分/项。无专用收运器具的扣2分,收集点混入生产性有害垃圾或其他垃圾的扣1分。台账资料符合行业要求,信息上报及时。3无台账或不齐全、记录不规范的扣

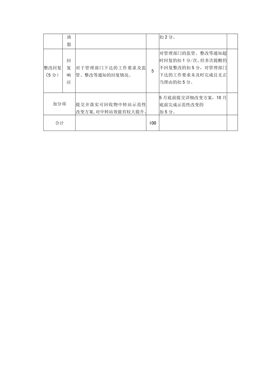
6、2分,信息上报不及时的扣1分/次。餐厨垃圾建立餐厨垃圾收运体系并运行正常,有专用收运车辆,无漏收现象;车容车貌整洁,不得超载。3未建立收运体系或体系不健全、运行不正常的扣2分,无专用收运车辆的扣2分,发现漏收的扣1分/次,发现车容不洁的扣0.2分/次,超载扣0.2分/次。台账资料符合行业要求,信息上报及时。3无台账或不齐全、记录不规范的扣2分,信息上报不及时的扣1分/次。线弃必须由区绿化市容管理部门指定委托的单位收运、处置。3未纳入收运体系的发现一次扣1分,违规处置的发现一次油脂扣2分。整改回复(5分)回复响应对于管理部门下达的工作要求及监管、整改等通知的回复情况。5对管理部门的监管、整改等通知超时回复的扣1分/次,经多次提醒仍不回复整改的扣5分,对管理部门下达的工作要求未及时完成且无正当理由的扣5分。加分项提交并落实可回收物中转站示范性改变方案,对中转站效能有较大提升。5月底前提交详细改变方案,10月底前完成示范性改变的加5分。合计IOO

展开阅读全文
相关资源
猜你喜欢
相关搜索

当前位置:首页 > 管理/人力资源 > 绩效管理

copyright@ 2008-2023 1wenmi网站版权所有

经营许可证编号:宁ICP备2022001189号-1

本站为文档C2C交易模式,即用户上传的文档直接被用户下载,本站只是中间服务平台,本站所有文档下载所得的收益归上传人(含作者)所有。第壹文秘仅提供信息存储空间,仅对用户上传内容的表现方式做保护处理,对上载内容本身不做任何修改或编辑。若文档所含内容侵犯了您的版权或隐私,请立即通知第壹文秘网,我们立即给予删除!