TYPE-C线检验标准.docx

上传人:p** 文档编号:1063083 上传时间:2024-06-29 格式:DOCX 页数:6 大小:31.48KB
下载 相关 举报
TYPE-C线检验标准.docx_第1页
第1页 / 共6页
TYPE-C线检验标准.docx_第2页
第2页 / 共6页
TYPE-C线检验标准.docx_第3页
第3页 / 共6页
TYPE-C线检验标准.docx_第4页
第4页 / 共6页
TYPE-C线检验标准.docx_第5页
第5页 / 共6页
TYPE-C线检验标准.docx_第6页
第6页 / 共6页
亲,该文档总共6页,全部预览完了,如果喜欢就下载吧!
资源描述

《TYPE-C线检验标准.docx》由会员分享,可在线阅读,更多相关《TYPE-C线检验标准.docx(6页珍藏版)》请在第壹文秘上搜索。

1、修订内容日期页次版本修改内容修订人批准审核制定一、目的一为确保公司的产品品质得以全面保证,并能满.意客户的需求,特制定本标准。二、MH本标准适应我司选购的全部Type-C类线材的检测.三、缺陷定义1 .致命缺陷(CR)可能威逼到人身平安成财产平安的缺陷;或其最终制品不能执行或达成此制品应有功能之缺点。2 .严帔缺陷(MA)没有致命缺点外,制品单位的运用性能,不能达到所期望之目的,结构破损、不行复原的明显变形。或显著的减低其好用性质对客户造成运用不开心的缺陷。3 .稍微缺陷(MI)结构出现异样但不影响运用,一般为外观问膻。四、抽样方案4.1抽样标准:依据GB/T2829.1-2002和GB/T2

2、828.1-2012标准,本公司采纳MI1.-STD-105E正常检脸一次抽样。42允收质量水平(AQ1.):正常抽样致命缺陷(CR):0严峻缺陷(MA):0.65稍微缺陷(MI):1.5加严抽样致命缺陷(CR):0严蛟缺陷(MA)。4稍微缺陷(MI):1.0放宽抽样致命缺陷(CR);O严峻缺陷(MA):1.5稍微缺陷(Nn):4.04.3成品判定要求:第一次抽样按正常抽样水平11级进行。当此批不合格需进行二次抽验时,需加严抽检。按出级正常抽样水平进行。若连续三批次验货均判定合格时,第四批抽样可降低抽样比例(放宽抽样)。按I级正常抽样水平进行。若连续三批次验货均判定不合格时,终止与此供应商合作

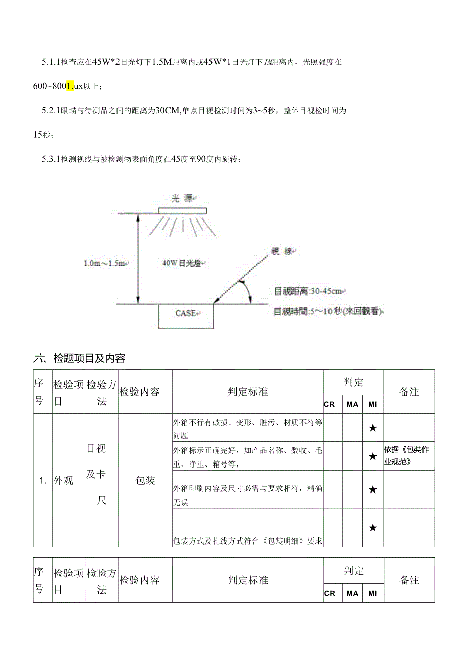
3、。五、检测条件:5.1.1检查应在45W*2日光灯下1.5M距离内或45W*1日光灯下IM距离内,光照强度在6008001.ux以上;5.2.1眼瞄与待测品之间的距离为30CM,单点目视检测时间为35秒,整体目视检时间为15秒;5.3.1检测视线与被检测物表面角度在45度至90度内旋转;六、检题项目及内容序号检验项目检验方法检验内容判定标准判定备注CRMAMI1.外观目视及卡尺包装外箱不行有破损、变形、脏污、材质不符等问题外箱标示正确完好,如产品名称、数收、毛重、净重、箱号等,依据包奘作业规范外箱印刷内容及尺寸必需与要求相符,精确无误包装方式及扎线方式符合包装明细要求序号检验项目检睑方法检验内

4、容判定标准判定备注CRMAMI1.外观目视及卡尺包装外箱需按包装资料要求打好包带(“二”字型和“井”字型)及封箱胶带(“H”型),且材质、颜色、1.OGO、尺寸均符合要求贴纸不行有脏污、涂改、破损、内容错误、位置贴错等问题,不行有快递单或其它贴纸吸塑、纸卡、折盒、袋子均符合要求(如尺寸、材质、颜色、印刷内容等)*无少装、错装、漏装、混装(私自)、杂物等成品包装入库时外箱无受潮、变形入库卸货必需保证同种产品归类,F重上轻堆放填充物必需是节小空白无内容的纸皮或其它填充材料(环保无毒)线材线材表面有胶粒、不光滑问题(20cm内0.5mm的胶粒不行超过2个)线体无脏污、划伤(线状乐痕1.W5mm,Wc

5、lmm,DS疑25mm,允收3条;扎带卜.的压痕允许)变形、露铜等。线身油印印字要正确清楚,不行有错印、重印、拉条等现象.线材的表面为半亮面平滑面线材的外被颜色与订单或图纸要求一样,无错色、杂色、大的色差等序号检验项目检验方法检验内容判定标准判定备注CRMAMl外观目视金属插头/注望位端子温格、材质、镀金/镀银及镀层厚度必需符合图纸或订*1要求1.及卡尺五金件不行有氧化、生锈、刮痕现象五金在注喇后不行有变形、退PIN、PIN针弯曲、内陷或凸起、压伤、充胶现象外模颜色、模型必需符合图纸,不行有模型错误(包含1.oGO),颜色错误(严峻色差)外模不行有缩水,杂色,水纹,缺料冲股等不良现象.装配壳(

6、塑胶或金属)材质、颜色、表面处理与订单相符头部的透亮色防护套不行有诩政或较明显色差现象订尔要求配护修时编织网不能有破损、脏污、杂色、与插头部分冏定不牢等现象2.结构尺寸目视及专用测量工具线材部分成品长度误差不行超过总长的1%在规定范用内(测他的位置依据图纸)地材长度为除去子外小之外的尺寸线材外径OD误差不行超过土0.2mm.线材规格及材质必需符合图纸或订单要求扎线方式K度必需在尺寸规定公差,必需与包材匹配,无松散接插件端了尺寸及外露尺寸符合图纸或客户要求序号检验项目检验方法检验内容判定标准判定备注CRMAMI2.结构尺寸试装接插件插装配套设备顺畅,不行有过松或过紧现象3.电气测试直流稔压电源/负载测试机电气测试线阻要求(加负载2A时,电压值在4.4V以上)设的交收电山在5.005】OV之间)成品不行有错位(接点依据图纸),不行有短、断路插入相应设备,可正常充放电,可正常传输数据4.机械性能对应测试设备插拔力用拉力计测盘端子的插拔力,插入力5-20NM,拔出力8-20N,插拔5次,取5次的平均值拉力计插拔寿命连续插拔次数5000次以上,功能正常TYPEC叫I吊吊测试将DP线材的一一端固定,另一端吊起2kg的重物1分钟,功能正常SiW摇摆测试抓住网尾后205mm处推摆2次,(上下、左右摇摆各45度为1次),不行有不导通或摇摆时通时断等不良现象.

展开阅读全文
相关资源
猜你喜欢
相关搜索

当前位置:首页 > 行业资料 > 国内外标准规范

copyright@ 2008-2023 1wenmi网站版权所有

经营许可证编号:宁ICP备2022001189号-1

本站为文档C2C交易模式,即用户上传的文档直接被用户下载,本站只是中间服务平台,本站所有文档下载所得的收益归上传人(含作者)所有。第壹文秘仅提供信息存储空间,仅对用户上传内容的表现方式做保护处理,对上载内容本身不做任何修改或编辑。若文档所含内容侵犯了您的版权或隐私,请立即通知第壹文秘网,我们立即给予删除!