[监理资料]地下室工程基础验收监理报告.docx

上传人:p** 文档编号:1067228 上传时间:2024-06-29 格式:DOCX 页数:8 大小:21.37KB
下载 相关 举报
[监理资料]地下室工程基础验收监理报告.docx_第1页
第1页 / 共8页
[监理资料]地下室工程基础验收监理报告.docx_第2页
第2页 / 共8页
[监理资料]地下室工程基础验收监理报告.docx_第3页
第3页 / 共8页
[监理资料]地下室工程基础验收监理报告.docx_第4页
第4页 / 共8页
[监理资料]地下室工程基础验收监理报告.docx_第5页
第5页 / 共8页
[监理资料]地下室工程基础验收监理报告.docx_第6页
第6页 / 共8页
[监理资料]地下室工程基础验收监理报告.docx_第7页
第7页 / 共8页
[监理资料]地下室工程基础验收监理报告.docx_第8页
第8页 / 共8页
亲,该文档总共8页,全部预览完了,如果喜欢就下载吧!
资源描述

《[监理资料]地下室工程基础验收监理报告.docx》由会员分享,可在线阅读,更多相关《[监理资料]地下室工程基础验收监理报告.docx(8页珍藏版)》请在第壹文秘上搜索。

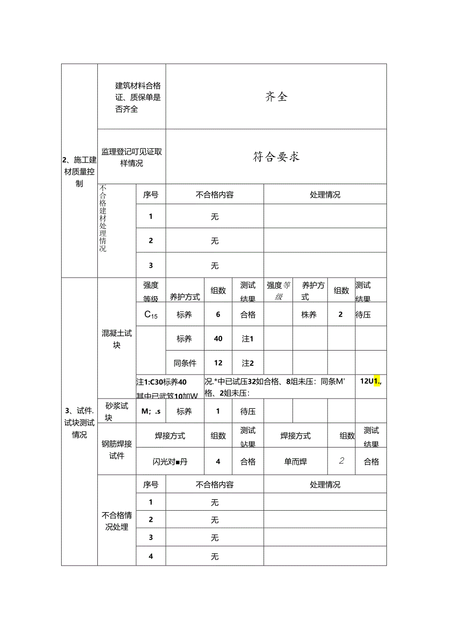
1、地下室工程地基与基础分部验收监理单位:(龙章)总监:(签字)监理工程师:(签字)(签字)二O一二年十月日一、工程概况工程名称她下宣工作建设地点建设单位工程类型地下车库监理单位建筑面积2424.5m2设计单位筑层数也下一层施工雎位结构类型枢剪勘察单位基础类型使应力管检分包单位开工时间2011年IO月质监单位竣工时间项目经理土建安袋Sfifik目标合格二、监理组织和实施概况由总监、监理工程师、监理员组成的项目监理组严格按监理规划、监理实施细则对本工程的质量、投资及进度进行全方位的监理。三、施工过程质量控制情况1、施工现场质fit管理情况项目内容检查结果项目内容检查结果项目经理到位情况符合要求施工图

2、审杳经审查同意实施施J1.现场管理制度齐全施工组织设计、施工方案及审杳具备主要专业工种操作上岗证齐全技术人员资格证符合要求施工机械合格证书符合要求现场材料、设备存放与管理符合要求质量近任制到位工程顽最检脸制度已通过审查2、施工建材质量控制建筑材料合格证、质保单是否齐全齐全监理登记叮见证取样情况符合要求不合格建材处理情况序号不合格内容处理情况1无2无3无3、试件.试块测试情况混凝土试块强度等级养护方式组数测试结果强度等级养护方式组数测试结果C15标养6合格株养2待压标养40注1同条件12注2注1:C30标养40其中已武笈10加W况.*中已试压32如合格、8俎未压:同条M格、2姐未压:12U1.,

3、砂浆试块M;.s标养1待压钢筋焊接试件焊接方式组数测试站果焊接方式组数测试结果闪光对丹4合格单而焊2合格不合格情况处埋序号不合格内容处理情况1无2无3无4无4.施工技术资料完整情况施工资料基本齐全、完整。5、1.设计变更情况序号变更内容1新老建筑文拄处取消板胶止水带23456、赛理整改(停1)单情况编号整改停工单内容整改站果1关于要求做好混农上收头工件的通知已整改2关于做好新老迂筑交接处仿水的通知设计已出浜系单取消3456789IO7、质孤整改(停工)单情况1无2348、耽馈斜观测情况发近两次沉降观测结果最近两次M料观测结果序号观测点编号观测日期序号观测点编号观测日期1122334455667

4、78899观测点位置示意图9、侦瞅问题事故处理情况本工程无质量问题处理情况,施工过程所量控制正常,达到设计及规范要求、关程里面它要明向况Io有工质方其需说犷情本工程桩基工程自2011年10月18日开工于2012年3月打桩结束,桩基工程岸载共6颗、动测89颗均达到设计要求。基础工程经预验,地卜车库实测实量合格率均达到85%以上:已达到设计强度要求的能回弹数值经计算均符合设计要求。用于水电安装工程的进场材料经检杳合格后才用于本工程。基础接地装置按施工图连成环形网路、埋设深度和搭接长度均符合规范规定,避雷引下线焊接及建筑物等电位联接可咏。接地电阻经测试小于1Q,达到设计要求。四、工程投资、进度控制情

5、况监理对工程投资的有效控制和施工计划顺利实施起着重要的作用。监理人员严格执行合同、协议等有关条文规定,及时准确记录工程质量、进度情况,做到准确计量,按期卷发付款凭证。在施工进度方面,认真审查施工组织设计和施工方案,督促施工单位按进度计划要求实施动态管理,积极配合业主加强对工程事前的控制,以求得各阶段进度控制目标的实现。五、工程质量验收情况序号分部工程名称子分部工程名称分项工程名称检验批数分项工程验收遨见注!地基与基Sli无支护土方土方开挖3合格土方回填3合格桩基管桩合格地下防水SBS防水称材3合格防水混凝土2哲定合格混凝土模板42合格m48合格混凝土72暂定合格砌体基础破砌体1暂定合格一般抹灰

6、/2建筑电气防指及接地安装接地装置安装6合格建筑物等电位连接安装1合格电器照明器具安装f殴、I膝管敷设12合珞3建筑智能火灾自动报警系统电线、电观导管敷设6合格六、工程安全和功能检验资料及主要功能抽样检测结果政Il资料核查意见主要功能抽变结果桩堪础或地联处理符合要求合格建筑与结构符合要求合格给排水与果暧建筑电气挣合要求合格通风与空调智能建筑七、工程观感质量情况混凝土站构一般建筑电气一般砌体结构一般通风与空调给排水与采暖综合评价一般八、工程质量综合评价该地基与基础分部工程所用工程材料质保资料基本齐全,并经监理见证取样合格。桩基工程经:测试达到设计要求。施工技术资料与施工同步形成,各施工检脸批均符合要求。砂试块及砂浆试块均按要求取样留歪,并经试压合格。现浇结构偏差符合要求。在安装方面,基础接地装置、建筑物等电位焊接符合设计及施工规能要求,实测接地电忸均小于1欧姆。故评定该清枫华景园一期地下室地基与基础分部工程质量等级暂定为合格,待全部校试块到期试压合格后,再正式核定质量等级。

展开阅读全文
相关资源
猜你喜欢
相关搜索

当前位置:首页 > 建筑/环境 > 工程监理

copyright@ 2008-2023 1wenmi网站版权所有

经营许可证编号:宁ICP备2022001189号-1

本站为文档C2C交易模式,即用户上传的文档直接被用户下载,本站只是中间服务平台,本站所有文档下载所得的收益归上传人(含作者)所有。第壹文秘仅提供信息存储空间,仅对用户上传内容的表现方式做保护处理,对上载内容本身不做任何修改或编辑。若文档所含内容侵犯了您的版权或隐私,请立即通知第壹文秘网,我们立即给予删除!