嵌扣式机械连接部件构造、加工要求、混凝土预制桩嵌扣式机械连接接头选用表、接头承载力设计值表.docx

上传人:p** 文档编号:1079193 上传时间:2024-06-29 格式:DOCX 页数:24 大小:172.02KB
下载 相关 举报
嵌扣式机械连接部件构造、加工要求、混凝土预制桩嵌扣式机械连接接头选用表、接头承载力设计值表.docx_第1页
第1页 / 共24页
嵌扣式机械连接部件构造、加工要求、混凝土预制桩嵌扣式机械连接接头选用表、接头承载力设计值表.docx_第2页
第2页 / 共24页
嵌扣式机械连接部件构造、加工要求、混凝土预制桩嵌扣式机械连接接头选用表、接头承载力设计值表.docx_第3页
第3页 / 共24页
嵌扣式机械连接部件构造、加工要求、混凝土预制桩嵌扣式机械连接接头选用表、接头承载力设计值表.docx_第4页
第4页 / 共24页
嵌扣式机械连接部件构造、加工要求、混凝土预制桩嵌扣式机械连接接头选用表、接头承载力设计值表.docx_第5页
第5页 / 共24页
嵌扣式机械连接部件构造、加工要求、混凝土预制桩嵌扣式机械连接接头选用表、接头承载力设计值表.docx_第6页
第6页 / 共24页
嵌扣式机械连接部件构造、加工要求、混凝土预制桩嵌扣式机械连接接头选用表、接头承载力设计值表.docx_第7页
第7页 / 共24页
嵌扣式机械连接部件构造、加工要求、混凝土预制桩嵌扣式机械连接接头选用表、接头承载力设计值表.docx_第8页
第8页 / 共24页
嵌扣式机械连接部件构造、加工要求、混凝土预制桩嵌扣式机械连接接头选用表、接头承载力设计值表.docx_第9页
第9页 / 共24页
嵌扣式机械连接部件构造、加工要求、混凝土预制桩嵌扣式机械连接接头选用表、接头承载力设计值表.docx_第10页
第10页 / 共24页
亲,该文档总共24页,到这儿已超出免费预览范围,如果喜欢就下载吧!
资源描述

《嵌扣式机械连接部件构造、加工要求、混凝土预制桩嵌扣式机械连接接头选用表、接头承载力设计值表.docx》由会员分享,可在线阅读,更多相关《嵌扣式机械连接部件构造、加工要求、混凝土预制桩嵌扣式机械连接接头选用表、接头承载力设计值表.docx(24页珍藏版)》请在第壹文秘上搜索。

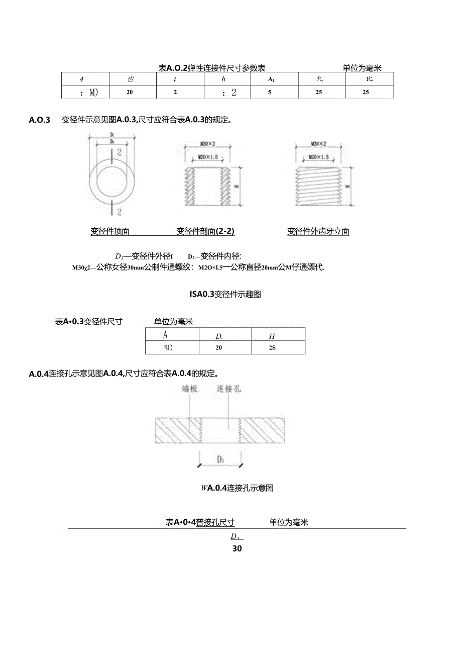
1、附录A嵌扣式机械连接部件构造A.0.1连接主杆示意见图A.0.1,尺寸应符合表.0的规定.I蝇性齿痂;2光身茶;3锚经和;M20l,5-公移直径Mnim公制普通蝇税:1.x螺松齿册长度;Ia-光身刑K111.1.t-WH-WftBlKrff1Ia锚栓何的梯段长收“!SAOI连接主杆示意图1.1.,1.i1.,702530IO5表AoJ连接主杆尺寸参数表单位为毫米A.0.2弹性连接件示意见图A0.2,尺寸应符合表A.0.2的规定,弹性连按件项面弹性连接件剖面(17)弹性芸枝件外曲牙立面舛忤连接件外径:一弹性连接件内径:,收能H点槽宽度:h一舛伴连接件跖咬:M弹性连接件外表面无战牙段i2t任一弹性

2、连接件外表面齿牙高Hhh,收缩回时情福收;BdOX2公称“存SOmm螺即2mm慌而形馈权.图A.0.2弹性连接件示意图A.O.34也thA1九比:M)202:252525表A.O.2弹性连接件尺寸参数表单位为毫米变径件示意见图A.0.3,尺寸应符合表A.0.3的规定。变径件顶面变径件剖面(2-2)变径件外齿牙立面D1变径件外径ID:变径件内径:M302公称女径30mm公制件通螺纹:M2OI.5一公称直径20mm公M仔通嫖代.ISA0.3变径件示趣图表A0.3变径件尺寸单位为亳米AD.H附)202SA.0.4连接孔示意见图A.0.4,尺寸应符合表A.0.4的规定。WA.0.4连接孔示意图表A04

3、普接孔尺寸单位为毫米D、30A.0.5连接孔克示意见图八.0.5,尺寸应符合表A.0.5的规定。图A.0.5连接孔壳示意图表A.0.5连接孔壳尺寸单位为毫米;7h.*t25301附录B嵌扣式机械连接部件加工要求B.0.1材料要求部件材料应符合表B.0.1的规定。B.0.1部件材料要求酢件名称材科牌号版朵标准连接本科、变径件40CrCB/T3077-2015俾性连接件60Si2GB/T1222-2016连接孔光08钢GB/T699-2015连接孔光PPSfflllGBzT37194.1-2018GByT37194.2-201H8. 0.2外观连接主杆、弹性连接件及变径件的齿面应符合下列规定:a)

4、醋碰深度不应大于0.5mm:b)伤痕面积不应大于15ran:c)磕碰、伤痕不应多丁3处.,B.0.3表面处理部件应经热处理和表而镀锌处理并符合表B.0.3的规定。表B.0.3部件热处理及表面处理要求部忤热处咫硬废表面战锋层理亥1111立按主杆、变径件35115平均现取芬10.HaI城少限度三5舛性连接件45SOB.0.4尺寸偏差1管桩、空心方桩端板连接孔位置允许偏差,应符合表B.O.4.1-1和表B.0.4.1-2的规定。3.04.1-1管桩端板连妾孔位置允许偏差单位为亳米项目DWMO400VDW6006OOB7OO允许僚若1.001.25I注:B为空心方机边长.2连接主杆尺寸允许偏差应符合表

5、B.0.4.2的规定。B.0.4,2连接主杆尺寸允许偏差单位为亳米项目1.1.t1.1.,允许偏与2-10.50.50.50.53弹性连接件尺寸允许偏差应符合表B.0.4.3的规定。B.0.4.3弹性连接件尺寸允许偏差单位为奈米项目t九,允许帼里0.50.50.20.50.50.50.54变径件允许偏差应符合表BO44的规定.B.0.4.4变径件尺寸允许偏差单位为毫米项目AIf允许修炭+0.5+0.50.55连接孔壳尺寸允许偏差应符合表B.0.4.5的规定。B.0.4.5连接孔壳尺寸允许偏差单位为毫米项目儿允许保左+1-0-0+1-0.2B. 0,5部件加工精度不应低于股公差未注公差的线性和角

6、度尺寸的公差GB/T1804-2000中规定的最粗级VoB.0.6端板的规格、尺寸应符合先张法预应力混凝土管桩用端板JC/T947、G预应力离心混凝土空心方桩用满板JC/T2239及设计的规定.HiC7-130AB-20JXAB2OhIO.720与20PHC70Q-I30B-2Q-JXB2Onl2.6245:24PHeaXNIo15JX800IiOAI5dI0.720-15690WICWXF-11()A22JX22o9.01822PHC8OQ-H()AB-I5JXABI511I2.62422415PHCs(XMIOAB22JX22hIO.7205=202222PHCSoQJlOR22JXB22

7、11l2.6245:24HIC8(Xi3OA16JX130A16dI0.720*16PHCKOQ-13OA-24JX24o9.018-24PHC8(X13OAB-I6JXABI6dI2.624与2416PfKWXK-13OAB-24.JX24lIO.720S=ZO24PfICWXK13OB-24JX241I2.62424注:i.I扣装置均为分布:嵌扣领置效与侦应力主ISIR一致.2.端板尺寸照(先张法预应力混IttI:行桩fGR,T1M76的相关规定,加在先张法依应力混凝土转机GBT13476规定的址小塌板M度之上增加痂板以度的,可根据端板国度选用连接土钎.3.筋直径进行等面也代换.J参照先张

8、法Jft应力漏Itt土花桩GB13476-2023IiBl的相关规定,井箱用设计方PJfi-C. 0.1-2PC管桩(JX接买选用表接头型9校外径D(mm)SJ*I(nun)配筋枇板M度lx(mm)嵌扣装置tt*(个)假如装JI分布耀M径gift(mm)承压桩杭拨桩PC300-70A-6-JX30070A6o7.l186230PC3iX70AB6JXAB62018PC30(70B-8JXB8u9Q188PC3O(7OC-8JXC8pIO.720PC400-95A-7JX44X95A7r9.018-7308l,C4O()95AB7JXAB7l,IO.720M20PC40(-95B-10JXBI0

9、p10.720224IOPCSOQ-IOaA-II-JX50010018-Il406PC50O-I00AB-HJXABIIol0.72020PC500-I00B-IIJXBIIdI2624芬24PC5(X)-I2OA12JX120AI219.O18-12PC5O(I2OAB-I2JXAB211IO.720220PC5O()I2OB-I2JXI21,I2.624鼻24PC600-1IOA-HJXXIIOAI4,9.OIK-14506PC60()-1IOAB-MJXABMnIO.720云20PC6(X)110BH-JXBI4d12.624覆24PC60Q-I30A-I6-JX130AI6119O1

10、8-16PC6O().I3OAB-I6-JXABI6,IO.720至20PC6O(I3OB-I6-JXB!6nl2.62424注:衣格说明阿衣CoJ-I注.端板平面图111机械连接端板2主筋锚孔3一连接孔图C.0.1PHC、PC管桩(JX)接头端板示意C.0.2-1CiC、PC管桩(FH)接头选用表应符合表C.0.2T的要求,端板示意见图C.0.2kPRC管桩(FH)接头选用表应符合表C.0.2-2的要求,端板示意见图C.0.2-2。表C.0.2-1PHCtPC管桩(FH)接头选用表接头型号桩外径。(mm)(mm)板型号配筋墙板度ts嵌扣装就效M联扣装置分布BlH径DiK值承压板抗披桩PHC4

11、(X卜95CI3FH40095C130H).72022213250PHC5OO-12OC-I5FHWO120C15oll624N2415320PHeaKH3OC2OFH600130C2OolZ624N2620430PHC7O(-I1OAB24-FH700IIOAB24lj.0IK22024530PHC7!IOB24bHB24ul().72022PHC700lI0C2&FHCC24ull24PHC700IlOC*20FH2(1dI4282820PHC7(K)-l30B-26-lH130AB26l39.01822026PHC700-I30B-26-FHB26ol)72024PHC7(Kl3CC-26.11iC26nll624N32PHC7()O-l3OC-22-FHC22,1428与3222PHCMKi-110B-30-FHaooIIOB3OnIO.720与2430630PHCSCO-110C-30FHC30nll624M32PHCSOO-110C-25FH25p1428与3025PHCMKl-13OB-32FH130B32dIO.720去2832PHCMKI-13OC-32FHC32dI2.624云32PHCMKI-130C-26-FH26d1428#3226PHCl000-13OA-32-FHKMX)130A32

展开阅读全文
相关资源
猜你喜欢
相关搜索

当前位置:首页 > 行业资料 > 国内外标准规范

copyright@ 2008-2023 1wenmi网站版权所有

经营许可证编号:宁ICP备2022001189号-1

本站为文档C2C交易模式,即用户上传的文档直接被用户下载,本站只是中间服务平台,本站所有文档下载所得的收益归上传人(含作者)所有。第壹文秘仅提供信息存储空间,仅对用户上传内容的表现方式做保护处理,对上载内容本身不做任何修改或编辑。若文档所含内容侵犯了您的版权或隐私,请立即通知第壹文秘网,我们立即给予删除!