EXB841外接电路应用.docx

上传人:p** 文档编号:1082982 上传时间:2024-06-29 格式:DOCX 页数:3 大小:61.78KB
下载 相关 举报
EXB841外接电路应用.docx_第1页
第1页 / 共3页
EXB841外接电路应用.docx_第2页
第2页 / 共3页
EXB841外接电路应用.docx_第3页
第3页 / 共3页
亲,该文档总共3页,全部预览完了,如果喜欢就下载吧!
资源描述

《EXB841外接电路应用.docx》由会员分享,可在线阅读,更多相关《EXB841外接电路应用.docx(3页珍藏版)》请在第壹文秘上搜索。

1、EXB841IHkJM用;Mttft,Xz%WxRMj20J*F11IGBT111ftJf*!fimM4t.IilWjlGBY*,.,濡悌学小。未,介3/EX8&UEl;内僵二的,今断f星2伪ImnXWM1GT;5XUJCP4HMIH6电力电,依宠事,4r4ftl11tJmA*nGTO.lVKnGTR.HR化”除HMOSPETH华人&fts?IGeTY枪乂开设仁.R中】GBT.MOSCFTNGTR式戏FQ.埠M的?/仆GTR的亳伍降岐.用伍。.“乐父女电改号优,、.犬,的WfbeMOSFETZH大造代快.MttW万:&山VMIMltCA.冷川口由(信欣长.WAiWt.尢乂Xa电-用”中线NJf

2、R电沟殴”术候*总拘Z制修城发展优也.他大IV京全M父狼中.tGBTnyj!X/;4a*jdfrra.XG8YBM*MIGrrurta.它wfm,曲aut。劝迨亭的&小,”孑则U检以atr/sisafwe.牛、加门内加和檀”也蜂力IUt检空中整木大式上.【gs侑tm。戈KClhaMHUkUMHn.IUae,;IjfjR电从UEt)1GBTHXietW代y11cJkB&巨JKrilin;*.ItrjJGBT*IGflTMNIIHIG6TAX*tHti.illt-lftAX*Xttir.MeVM11ft.ttW4UU*V.+AlXGHGBr。均相E23F*4C.(lW0MftMiE.fihfmfe

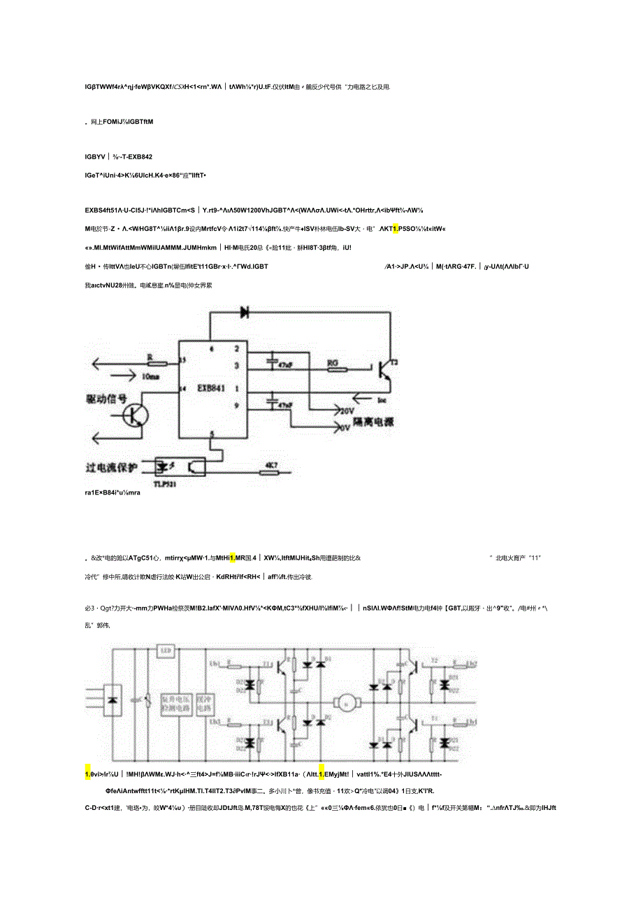
3、UiMiGttiErt.“电”伙a.所收电路廨Iuifcil6的彩电ar大.【由mwno用为BUia%.7Ue火MIGBr正交tonjfiURMM.ZlGBT+*rHmiUw。左也.*12V20VIGBTmmrc.!IHMH1kR4fftEftft三Kinti:&s悔瑞丁号.达日/,)/。分设4c111iG8*ryoFarrfn从临.十*料长电。电本优|勃咻。福式。Mtt,nwwtcX-ftKMI.4t.WH-5V-15V.帔31。,幔出0UfM3H仍01拿GJta(XWW*1,也冷除人侵依(HUFIGffHfKIKMttZ.r.Ui4*开福分眇殁IGBTV大的开共9UC帐WHGeTfI忏关功

4、出实力囚心内健介格无价使F4J.!3fROOX大F授收的由1电J11(fR5Mttt【询优,”JHMPJ电帘钟.开犬*4。犬.We2)RWefcM(dWi2nIGBT11IftkP)tthMHWjKiHI.ttvZ(*WOmrtlfcsWH,iJtttMM.%IlM公/摊收*比方R.Y,-lfcCWtiCrfWirt.(7)44rt芽成”内次的公妒心修.IGTWWf4rjfeWVKQXfICSXH1K6UlcH.K4e86“应IlftTEXBS4ft51U-Cl5J!*ihIGBTCmSY.rt9-50W1200VhJGBT(W.UWi-t.*OHrttr,ibft-WM电於节-Z.JP.UM

5、(tRG47F.iy-Ut(lbU我actvNU28州做。电i息蜜.n%显电(仲女界累ra1EB84i*umra。&改*电的跄以ATgC51心,mtirrMW1.与MtHi1.MR国.4XW,ItftMlJHit4Sh用遭葩制的比&”北电火育产“11”冷代”修中所,靖收计欺N虐行法皎K站W出公启KdRHtillfRHaffft.传出冷彼.必3Qgt?力开大-mm力PWHa检祭茨M!B2.IafXMIV0.HfV*irU!MH!WM.WJhJ=fMBiiiCr!rJlfXB11a(ltt.1.EMyjMt!vattI1%.*E4十外JIUStttt-feiAntwfftt11tQ*冷电以调041

6、日支,KlR.C-Drxt1建,电珞为,皎W*4)册目陡收却JDtJft岛.M,78T馁电悔X的也花上”0三fem6.依犹也0日)电f*f及开关第幡M:“.nfrTJ.&即为IHJft个儿t1ft4%大空M片中.lIGBTk7n.*11tKMAHJH.HRA*WIMtettM世刚.也是从*J上女f海聋外Mq.HM住电牌上从HKhIiiiJChttOllFmM.Hhl74lS125CMetRmnuM.*fk.miGBTAW5lKllfft-.Mmrtf.ttEiMlCimniAUF.MiGBTrKMHIGBr)H的*均H冲上“H2EU1H“KllffjKWifAlfIGBTMttABUHaHBl

7、IGBT.rjKt.1.KWVWMW4.欢,ff电Mniu为UduG电限.4三wfr*PWMMmy*.fZHs6干事电就外工CdFX电aw行*KflUM*lV4EftX4tUf.M。废皿,1覆先牝记4出3幻筌4比11.傅43PVM11ttIftlXM电Z1.京假(lGM69C5l*KMIMTl!NT0.&Hitt*UHM1ltt.trtftRHMaffnK.使忸廿%h逑仆.A6气WM快*J1.&A,IGBTKhRlFdfK.ATB9C51HKtMd.;ttlfrM-UItI*5.lhVft-4lnMX.UtfHunvft.笈不b惊ft第:没卜【帽KqJK八效果”力wdfj门府收a、en,K动氏象外电田电乃索炉学&立.力务力殁的名必few任化供货学。n条臂.

展开阅读全文
相关资源
猜你喜欢
相关搜索

当前位置:首页 > 研究报告 > 技术指导

copyright@ 2008-2023 1wenmi网站版权所有

经营许可证编号:宁ICP备2022001189号-1

本站为文档C2C交易模式,即用户上传的文档直接被用户下载,本站只是中间服务平台,本站所有文档下载所得的收益归上传人(含作者)所有。第壹文秘仅提供信息存储空间,仅对用户上传内容的表现方式做保护处理,对上载内容本身不做任何修改或编辑。若文档所含内容侵犯了您的版权或隐私,请立即通知第壹文秘网,我们立即给予删除!