GB_T 22076-2024 气动 圆柱形快换接头.docx

上传人:p** 文档编号:1083458 上传时间:2024-06-29 格式:DOCX 页数:12 大小:125.61KB
下载 相关 举报
GB_T 22076-2024 气动 圆柱形快换接头.docx_第1页
第1页 / 共12页
GB_T 22076-2024 气动 圆柱形快换接头.docx_第2页
第2页 / 共12页
GB_T 22076-2024 气动 圆柱形快换接头.docx_第3页
第3页 / 共12页
GB_T 22076-2024 气动 圆柱形快换接头.docx_第4页
第4页 / 共12页
GB_T 22076-2024 气动 圆柱形快换接头.docx_第5页
第5页 / 共12页
GB_T 22076-2024 气动 圆柱形快换接头.docx_第6页
第6页 / 共12页
GB_T 22076-2024 气动 圆柱形快换接头.docx_第7页
第7页 / 共12页
GB_T 22076-2024 气动 圆柱形快换接头.docx_第8页
第8页 / 共12页
GB_T 22076-2024 气动 圆柱形快换接头.docx_第9页
第9页 / 共12页
GB_T 22076-2024 气动 圆柱形快换接头.docx_第10页
第10页 / 共12页
亲,该文档总共12页,到这儿已超出免费预览范围,如果喜欢就下载吧!
资源描述

《GB_T 22076-2024 气动 圆柱形快换接头.docx》由会员分享,可在线阅读,更多相关《GB_T 22076-2024 气动 圆柱形快换接头.docx(12页珍藏版)》请在第壹文秘上搜索。

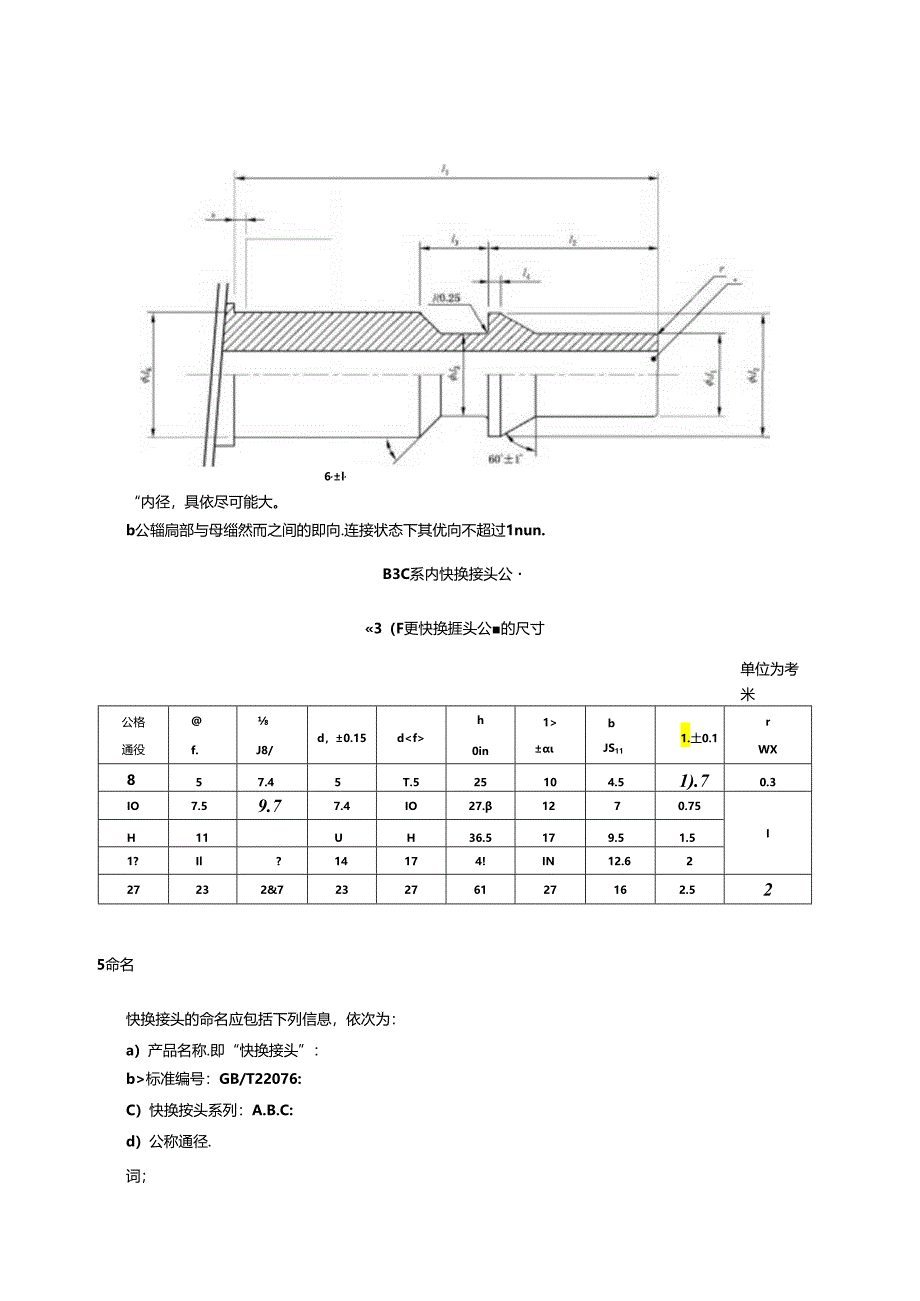
1、在气动系统中,动力是通过I可路中压缩空气来传递和控制的.快换接头用于无需工具诫特殊装置条件下流体导管的快速连接或断开.Ill6,l,“内径,具依尽可能大。b公辎扃部与母缁然而之间的即向.连接状态下其优向不超过1nun.B3C系内快换接头公3(F更快换捱头公的尺寸单位为考米公格通役f.J8/d,0.15dh0in1bJS111.土0.1rWX857.45T.525104.51).70.3IO7.59.77.4IO27.1270.75IH11UH36.5179.51.51?Il?14174!IN12.6227232&723276127162.525命名快换接头的命名应包括下列信息,依次为:a)产品

2、名称.即“快换接头”:b标准编号:GB/T22076:C)快换按头系列:A.B.C:d)公称通径.词;快换接头鼓离工作压力为l.6MRiJWB系列.且公称通径为15mm.命名如卜:快换接头GRT22076BT5.6T要求6.1 1m材料应由制造商确定.6.2 U公端的硬度应由制造商确定.6.3衣面处理方式应由制造商确定,但在图4中所示的密句表面粗粒度应满足RaW3.2m.特殊要求宜由制造商和用户协商确定.B4雷封我441M涉公端应符合8.5腐蚀试监的要求.6.5 Q和若开的次数快换接头以不大于1800次/h的顿次,在外高工作压力条件下连续完成5000次连接,断开循环后.应仍能演足制造商所规定的

3、要求.6.6 耐压性6.6.1 快换接头按84进行1.5倍最高工作压力条件卜耐压试蛤后,应仍可使用.6.6.2 快换接头应使承受4倍的最高工作压力.6.7 在*T作条件下的试6.7.1按8.7.5规定的程序,在极限工作温度条件卜进行快换接头试验.6.7.2记录泄世、变形和失效等异常现象.6.8 K三的受限,动在见高工作压力下,公墙和母端应能地其连接的软管或装置转动,以防止牧管或接头受到扭矩载荷。6.9 ttMMft连接状态卜的快换接头应能承受:a) 2200N径向我荷:b) 2200N轴向我荷.对于用塑料制造的快换接头径向和轴向载荷宜限定为400N.&10XM按8.7.4规定的程序进行试验,漫

4、海依应不超过制造商规定的伯,77.1 与量动餐量回的安振动装置和快换接头之间的连接推荐使用长度不小于300nun的气动软管.7.2 晚和厮开安全性明t当连接或断开快换接头时,应按照GB/T7932采用卸压措施以增加安全性:避免公端由于压力被弹出;避免压缩空气或某些颗粒物喷射:允许在安全压力条件下进行连接和阍开。8试方法&lB本试验方法适用干符合本文件规定的快换接头公端,也适用于母端.本试会程序适用于快换接头的型式试验,图5图11中所表示的试脸装置,仅适用于说明的图示。8.2试1UW的洪一度试验奘置和仪器的准确度应符合表4的规定.4试装置和仪的准参数单一准确慢过度V士5匕池潴Mm32径向/柏向我

5、荷N2压力Wu2说MiS2&3mmk8.3.1 检查被试件是否符合制造商的图样、产晶样本以及本文件表1表3规定的尺寸和公差.8.3.2 3.2在被试件上作出不影响其正常运行的永久性标识,使其与试船程序和报告相对应。8.3.3 在环境温度20C条件下泅中被试件标准尺寸对应的实际尺寸,并记录在试验报告中。8.4Ntstat8.4.1 连接快换接头的公瓶与母端”8.4.2 连接理端与液压压力却.8,3堵住公辘的另端.8.4.4 将压力升至制造商推荐的I倍最高工作压力,保压Imin,应无破裂或永久变形,8.5.1应按GB/T10125对快换接头的公端进行试.8.6.2试验持线24h清除公端表面腐蚀产物

6、后.未观察到腐蚀现象,则试脸结果为合格。1.1.1 按图5所示的试脸装置使处于连接状态的快横接头承受6.9中规定的径向载荷,魏荷施加于接头的锁紧套的或主体部分,1min以后,不应有变形或失效现象.注:此项试股是模拟某种意外径我荷.例如当卡车Jk过接头时僦荷.1.1.2 按图6所小的认胶笠Et使处于连接状态的快换接头承受6.9中规定的轴向蚁荷.我荷直接施加于公笳上.公维和母端应不脱肉、变形或失效.试验完成后,接头应进行8.7.4中规定的泄漏试股,不应行泄湖现象。a压触b被试快恻贯头也件.钢制夹具.S5施能陶力的试置乐力源.b被试快换接头出件,釉映换接头侬H的央耳d测力计.S6加,向力的试量8.7

7、 运行试Ifta7.1B对洞滑后的快换接头组件进行试脸.润滑剂j接头的本封材料相容.17.2 彩F力8.7.2.1将快换接头组件装入图7所示的试验装辞中.8.7,2.2对被试快换接头组件雁加制造商推荐的公离工作压力,8.12.3对银景机构fe加力或扭矩,直至快换按头如件断开“8.7.2.4测Ift并记录快换接头出件断开时的最大力或扭矩,8.7.2.S在IOmin内Ifi复此项忒:然后保持快换接头连接状态ih,再断开,校核并记录此次断开力或扭矩以及此前5次断开时的平均力或平均扭矩.a7.2.6记录快换头气流堵泥、损坏、失效等现象.h将测力计卡力(换接头公端连接的夹具.d测力计.e护机BB7丽力t

8、OftJK&7.3雷力8.7.3.1 将快换接头组件装入图8所示的试验装置中.8.7.3.2 对被试快换接头斑件施加肌造商推荐的最高工作压力.1.1.1.1 公端施加力或扭矩直至公、母蜡完全连按。必要时可人工棒件斓好机构。8.7.3.4 浏联井记录快换接头批件连接时的用火力或扭矩,8.7.3.5 在10min内至复此项试验5次.8.7.3.6 记录5次试验的最大连接力或如矩,并计算其平均的.8.7.3.7 记录快换接头气流堵塞、损坏失效等现象.乐风,b滑杆,公、阴蝴舸S城力计.“快换接头公推,d快换接头,班。“制力计.H8连接力试我&7.4MBa7.41KTFttS1.1.1.1.1 图9所示

9、,将带倜的璟端放入试验容器中.1.1.1.1.2 将一倒置的带刻度的容器放置在母端上方.容器IJ低卜液面,1.1.1.1.3 保持G曲工作压力5min。1.1.1.1.4 测VW口录泄漏量(准碉度应符合表4中的规定,即通过容器收集的逸出气体.1.1.1.1.5 按容湍刻度所示液面差计由空气体枳.a压吠掰,b充满异内部或其也适当淞体的容器.“倒置的带刻度的容瘩(试验谕充涵液体).d被试快换接头母端B9&7.428.7.4.2.1将快怏接头机件装入图9所示的试物容黏中.8.7.4.22按图10所示,fc-MM0N粪荷.8.7.4.2.3保持最蒲工作压力5min.8.7.4.2.4按容器刻度所示液向

10、是计口空气体积.b连接公端的圆柱.“垂直施加干快换接头组件中心线的Si荷,40N.d央因母辍的央乩快换接头公称通径的12倍.(被试快换接头小件。B母端锁紧装班内中心找.BBIOItlalN有的蔡IOa7.5&7.5.1&7.5.1.1使川图11所示的试验装置.&7.5.1.2对母湘施加制造商推荐的最高工作温位和压力,保持6h.&7.6,1.3使海度|11然降到环境猛度(不施加压力).&7.&1.4按8.7.4.1确定泄漏IR.a7.5.1.5连接并再断开快换接头,再次校核池海;匕&7.&1.6记录快换接头的变形、失效等现象.a压力源.b环境试皎箱.被试快挨接头的公端.母域,B11微PU度试装置

11、&7.S2MTUGSCW67.52.1 使用图11所示的试验装巽&7.S2.2时快换接头组件施M制造商推荐的以裔工作温度和压力,保持6h0a7.&2S使温度自然降到环境温度(不诙加压力)。&7.&24按8.7,4.2确定泄漏量。&7.&2.6断升并再连接快换接头.再次校核泄漏址.&7.&Z6记录快跑妾头的变形、失效等现象,&7.&3党阚&7.5.3.1使用图11所示的试9装置a7.5.3.2对母然施加制造商推荐的最低工作温度和最淘工作压力,保持lh08.7.5.3.3使温度自然升到环境温度(不施加压力).&7.83.4按8.7.41痢定池漏&7.R3.5连接井再断3换接头.再次核核泄漏价.&7

12、.&X6记录快换接头的变形、失效等现&.&754KTfmftOfiCW&7.5.4.1使用图H所示的试脸装置.a7.6.4.2对快换接头组件施加制造商推荐的最低工作温度和最高工作压力,保持4h.&7.K.43使温度自俄升到环境i三(不施加压力).&7.5.4.4按8.7.4.2确定il嗨fit&7.5.45断开并再连接快换接头,再次核核泄漏收,&7.&16记录快换接头的变形、失效等现象.&8在公渊和母端连接状态下进行试验,试验方法按限T11513.1,9侬怖圆柱形快换接头符合当选择遵守本文件时,宜在试验报告、产品样木和商务文件中使用以下说明:GB/T220762024气动圈柱形快换接头。”Yi套考文MIISO4399Fluidpowersystemsandcomponents-Connectorsandixsociatlcomponents-NomiiKilpressures2ISO7289Gaswelding叫UiPnIenlQuick-actioncouplingswithshut-offvalvexforwelding,cuttingandalliedprocesses

展开阅读全文
相关资源
猜你喜欢
相关搜索

当前位置:首页 > 行业资料 > 国内外标准规范

copyright@ 2008-2023 1wenmi网站版权所有

经营许可证编号:宁ICP备2022001189号-1

本站为文档C2C交易模式,即用户上传的文档直接被用户下载,本站只是中间服务平台,本站所有文档下载所得的收益归上传人(含作者)所有。第壹文秘仅提供信息存储空间,仅对用户上传内容的表现方式做保护处理,对上载内容本身不做任何修改或编辑。若文档所含内容侵犯了您的版权或隐私,请立即通知第壹文秘网,我们立即给予删除!