溶剂型涂料生产过程-工作危害分析(JHA)记录表.docx

上传人:p** 文档编号:1088769 上传时间:2024-07-04 格式:DOCX 页数:1 大小:9.65KB
下载 相关 举报
溶剂型涂料生产过程-工作危害分析(JHA)记录表.docx_第1页
第1页 / 共1页
亲,该文档总共1页,全部预览完了,如果喜欢就下载吧!
资源描述

《溶剂型涂料生产过程-工作危害分析(JHA)记录表.docx》由会员分享,可在线阅读,更多相关《溶剂型涂料生产过程-工作危害分析(JHA)记录表.docx(1页珍藏版)》请在第壹文秘上搜索。

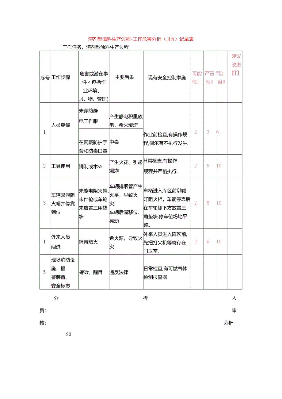
溶剂型濠料生产过程-工作危害分析(JHA)记录表工作任务,溶剂型涂料生产过程序号工作步骤危害或潜在事件包括作业环境、人、物、管理)主要后果现有安全控制擀施可能性1.严重性SW险度R建议改进m人员穿帔未穿防静电工作眼产生静电积里放电,希火爆炸作业前检查,有操作规程,偶尔有不执行发生.1在网戴防护手套和防毒口罩中毒2362工具使用铜制或木.产生火花、引起爆炸H常检查.有操作规程并严格执行.25103车辆限假阻火帽并停靠到位未能电阻火帽、未件枪或车轮未放置三用垫块车辆排烟管产生火星,导致火灾.车辆后溜移位、晃动车柄进入库区前以喊好阻火相。车辆停靠后在车轮侧下方放置三角垫块,停车位场地平整。25101外来人员闯进携带烟火希火源,导致火灾外来人员进入阵区前,先把打火机等寄存在门卫室。25105现场消防设施、报警装置、安全标志有效、醒目违反法律日常检查,有可燃气体检测报警器分析人员:审核:分析20

展开阅读全文
相关资源
猜你喜欢
相关搜索

当前位置:首页 > 办公文档 > 事务文书

copyright@ 2008-2023 1wenmi网站版权所有

经营许可证编号:宁ICP备2022001189号-1

本站为文档C2C交易模式,即用户上传的文档直接被用户下载,本站只是中间服务平台,本站所有文档下载所得的收益归上传人(含作者)所有。第壹文秘仅提供信息存储空间,仅对用户上传内容的表现方式做保护处理,对上载内容本身不做任何修改或编辑。若文档所含内容侵犯了您的版权或隐私,请立即通知第壹文秘网,我们立即给予删除!