电梯安全风险管控清单.docx

上传人:p** 文档编号:1090288 上传时间:2024-07-04 格式:DOCX 页数:4 大小:14.62KB
下载 相关 举报
电梯安全风险管控清单.docx_第1页
第1页 / 共4页
电梯安全风险管控清单.docx_第2页
第2页 / 共4页
电梯安全风险管控清单.docx_第3页
第3页 / 共4页
电梯安全风险管控清单.docx_第4页
第4页 / 共4页
亲,该文档总共4页,全部预览完了,如果喜欢就下载吧!
资源描述

《电梯安全风险管控清单.docx》由会员分享,可在线阅读,更多相关《电梯安全风险管控清单.docx(4页珍藏版)》请在第壹文秘上搜索。

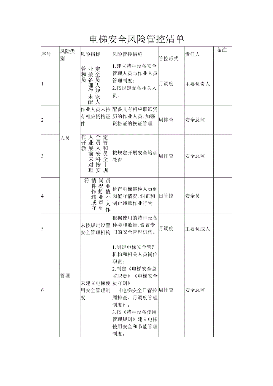
1、电梯安全风险管控清单序号风险类别风险指标风险管控措施管控形式责任人备注1人员定全员人规安人业按备理作未配管和员1 .建立特种设备安全管理人员与作业人员管理制度:2 .按规定配备相关人员。月调度主要负责人2作业人员未持有相应资格证件配备具有相应职诋资历的作业人员,加强资格证的换证管理周排查安全总监3定管和员全规全员人安科按安人业展前未对理作开教按规定开展安全培训教育周排查安全总监4员业值不人作岗况蚓业章到情件作违或守符检杳电梯巡检人员到岗值守情况,纠正和制止违章作业行为日管控安全员5管理未按规定设置安全管理机构根据使用的特种设备种类和数量,设置专门的安全管理机构。月调度主要负成人6未建立电梯使用

2、安全管理制度1 .制定电梯安全管理机构和相关人员岗位职责:2 .制定电梯安全总监职责电梯安全员守则电梯安全日管控、周排查、月调度管理制度:3 .按特种设备使用管理规则建立电梯使用安全和节能管理制度。周排查安全总监7未建立安全技术档案1 .建立电梯安全技术档案管理制度,明确档案内容及管理要求:2 .按规定逐台建立安全技术档案并及时更新安全技术档案。周排查安全总监8定用更除等规使变及频按理已记物续未办登登用手1 .建立使用管理制度和规程,明确相关内容及安全管理要求:2 .按规定办理使用登记、变更登记及停用、报废手续。周排查安全总监9定悌急案演规电应硕期按定故项定未制事专并练制定电梯事故应急专项预案

3、并每年至少开展1次演练月调度主要负货人10护位定应资维单规相可梯养按得许电保未取的质查看电梯维护保养单位的资质应覆盖本单位电梯月调度安全总监11设备选用国家明令禁止或淘次的电梯产品建立采购管理制度,明确采购、联收要求月调度主要负贡人12未按有关法律法规、安全技术规范或合同约定进行维护保养:监督维保单位按照电梯维护保养规则或合同约定的周期、内容开展电梯维保工作周排查安全总监13驱动主机运行时有无异常振动和异常声响。每日观察驱动主机运行情况日管控安全员14应急救援通道是否畅通。每日巡查应急救援通道是否畅通日管控安全员15未按规定进行定期检险、自行检测制定定期检验、自行检测计划并组织实施,落实定期检

4、验、自行检测的后续整改工作月调度主要负贡人16全件全护置安附和安保装轿内报警装置、对讲系统是否工作正常。每日检查轿内报警装巴、对讲系统情况。日管控安全员17案急停止装置是否有效。每日检查自动扶梯与自动人行道的紧急停止装置。日管控安全员18矫门防撞击保护装置功能是否有效(安全触板,光幕、光电等)。每日检查轿门防撞击保护装置情况。日管控安全员19S每日手动紧急操作装置是否齐全日管控安全员20未制定应急救援程序每日检查应急救援程序日管控安全员21环境电梯运行环境存在不符合安全技术规范要求的情况。1 .制定电梯巡查制度,设定巡查频次.2 .依据安全技术规范的要求,保证电梯运行环境符合有关要求.周排查安全总监22未按有关规定设置警示标志或说明每日检查电梯安全警示标志是否张贴日管控安全员23电梯使用场所是否在易腐蚀、易燃易爆或人员密集场所:检查本单位电梯是否行处于易腐蚀、易燃易爆或人员密集场所或环境周排查安全总监24发现不合格项记录,整改.月调度主要负责人25投诉举报发现不合格项记录,整改,消除安全隐患.月调度主要负责人26典情信息发现不合格项记录,整改月调度主要负责人备注:本清单为推荐性格式.仅规定了应当进行日管控、周邦杳、月调度的基本项目,电梯使用单位应当结合本单位实际情况和具体旻求,细化风险管控清单,合理调整管控形式。

展开阅读全文
相关资源
猜你喜欢
相关搜索

当前位置:首页 > 管理/人力资源 > 质量管理

copyright@ 2008-2023 1wenmi网站版权所有

经营许可证编号:宁ICP备2022001189号-1

本站为文档C2C交易模式,即用户上传的文档直接被用户下载,本站只是中间服务平台,本站所有文档下载所得的收益归上传人(含作者)所有。第壹文秘仅提供信息存储空间,仅对用户上传内容的表现方式做保护处理,对上载内容本身不做任何修改或编辑。若文档所含内容侵犯了您的版权或隐私,请立即通知第壹文秘网,我们立即给予删除!