金属单面及双面封边复合夹芯板构造示例、均布面荷载作用下简支板的跨中挠度计算公式.docx

上传人:p** 文档编号:1090444 上传时间:2024-07-04 格式:DOCX 页数:7 大小:86.81KB
下载 相关 举报
金属单面及双面封边复合夹芯板构造示例、均布面荷载作用下简支板的跨中挠度计算公式.docx_第1页
第1页 / 共7页
金属单面及双面封边复合夹芯板构造示例、均布面荷载作用下简支板的跨中挠度计算公式.docx_第2页
第2页 / 共7页
金属单面及双面封边复合夹芯板构造示例、均布面荷载作用下简支板的跨中挠度计算公式.docx_第3页
第3页 / 共7页
金属单面及双面封边复合夹芯板构造示例、均布面荷载作用下简支板的跨中挠度计算公式.docx_第4页
第4页 / 共7页
金属单面及双面封边复合夹芯板构造示例、均布面荷载作用下简支板的跨中挠度计算公式.docx_第5页
第5页 / 共7页
金属单面及双面封边复合夹芯板构造示例、均布面荷载作用下简支板的跨中挠度计算公式.docx_第6页
第6页 / 共7页
金属单面及双面封边复合夹芯板构造示例、均布面荷载作用下简支板的跨中挠度计算公式.docx_第7页
第7页 / 共7页
亲,该文档总共7页,全部预览完了,如果喜欢就下载吧!
资源描述

《金属单面及双面封边复合夹芯板构造示例、均布面荷载作用下简支板的跨中挠度计算公式.docx》由会员分享,可在线阅读,更多相关《金属单面及双面封边复合夹芯板构造示例、均布面荷载作用下简支板的跨中挠度计算公式.docx(7页珍藏版)》请在第壹文秘上搜索。

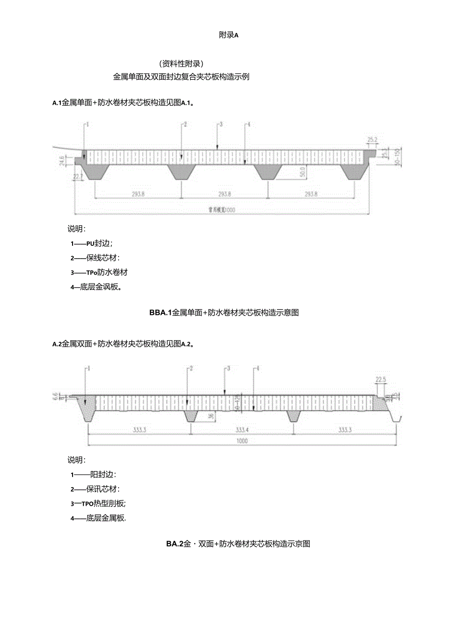
1、附录A(资料性附录)金属单面及双面封边复合夹芯板构造示例A.1金属单面+防水卷材夹芯板构造见图A.1。说明:1PU封边;2保线芯材:3TPo防水卷材4底层金讽板。BBA.1金属单面+防水卷材夹芯板构造示意图A.2金属双面+防水卷材央芯板构造见图A.2。说明:1阳封边:2保讯芯材:3一TPO热型刖板;4底层金属板.BA.2金双面+防水卷材夹芯板构造示京图说明:1PU封边;2保温芯材:3内层金属板:4外层金帆板.图A.3.1.PU封边板构造示意图11PUWii;2保M芯材:3外层金属板:4内层金属板.图A.3.2PU封边板构造示意图22CO-16CO(tWIi0200)说明:1PVC封边:2保温芯

2、材;3内层金属板:4外层金属板.图乐4PVC型材封边板构造示意图A.5铝型材封边板构造见图A.5.2-1600(fH1.!01200)说明:1铝型材封边:2保品芯材:3一内层金属板:4外层金属板.SA.5招型材封边板构造示意图说明:1 -冷成型镀锌封边:2 保温芯材:3 -内层金属板:4 外层金隅板.KA.6冷成型修钵封边板构造示意图me(提示性附录)均布Iii1.m作用下笛支IfiI1.中换度计H公式B1均布IHHR作用下单胃单板I1.支IK的的中携度计算公式I(B1.)SPb1.4384EI式中:f一正常使用阶段的挠度.舱位为老米(1111O:P-板面荷载标准值:单位“11m2:b夹芯板宽

3、度;单位为富米n:可通过力学计算或其它如CAD方法精确得到.B2均布Et作用下单1聚如封边震合板箱支械的芮中换度计算公式:(B2)(B3)f_5Pb1.-1,KPb1I2KPb2I2-384E1+2(8GA+8G2B=R1.(勒4Rz卷+R3d+R4式中1.1.12一一不同材料芯材对应夹芯板宽度:单位为富米(mm);K则应力不均匀系数:对于常见板型取6/5:B一剪力分配系数(指夹芯材料承担剪力占总剪力的百分比;计算卷见公式B2:d钢板厚度,单位为充米表B.1系数比、也、R取值表板型R1.R2R3R4聚若乙蜻、聚氨酯岩棉、矿港棉、玻璃棉端面板0.080.021-0.080.720.63屋面板-0

4、200.670-0.200.250.22表&2芯材的剪切模G取值表芯材剪切模量(MPa)芯材剪切模(MPa)变氨赭1.725(p38p岩棉、矿渣棉1.7100聚苯乙流2.07(p17.8)2玻璃棉2.682XM(X)注:其中P芯材密度.单位为千克每立方米(kg/m,)。B3均布EHR作用下单陶龙#射边震台检倚支板的身中挽度计克公式:f-5Pb1.SPb1.4K0Pb1./-384Ei+384EI+8GA式中:U一一龙件封边材料跨度:单位为亳米(Inn):E1.一一龙书封边材料的弹性模1:按2.IX10aiI.龙骨封边材料商中和轴的惯性矩:单位为名米(n):可通过力学计算或其它如CAD方法料确得到.

展开阅读全文
相关资源
猜你喜欢
相关搜索

当前位置:首页 > 中学教育 > 中学学案

copyright@ 2008-2023 1wenmi网站版权所有

经营许可证编号:宁ICP备2022001189号-1

本站为文档C2C交易模式,即用户上传的文档直接被用户下载,本站只是中间服务平台,本站所有文档下载所得的收益归上传人(含作者)所有。第壹文秘仅提供信息存储空间,仅对用户上传内容的表现方式做保护处理,对上载内容本身不做任何修改或编辑。若文档所含内容侵犯了您的版权或隐私,请立即通知第壹文秘网,我们立即给予删除!