起重机械安全检查清单.docx

上传人:p** 文档编号:109569 上传时间:2022-12-28 格式:DOCX 页数:1 大小:15.46KB
下载 相关 举报
起重机械安全检查清单.docx_第1页
第1页 / 共1页
亲,该文档总共1页,全部预览完了,如果喜欢就下载吧!
资源描述

《起重机械安全检查清单.docx》由会员分享,可在线阅读,更多相关《起重机械安全检查清单.docx(1页珍藏版)》请在第壹文秘上搜索。

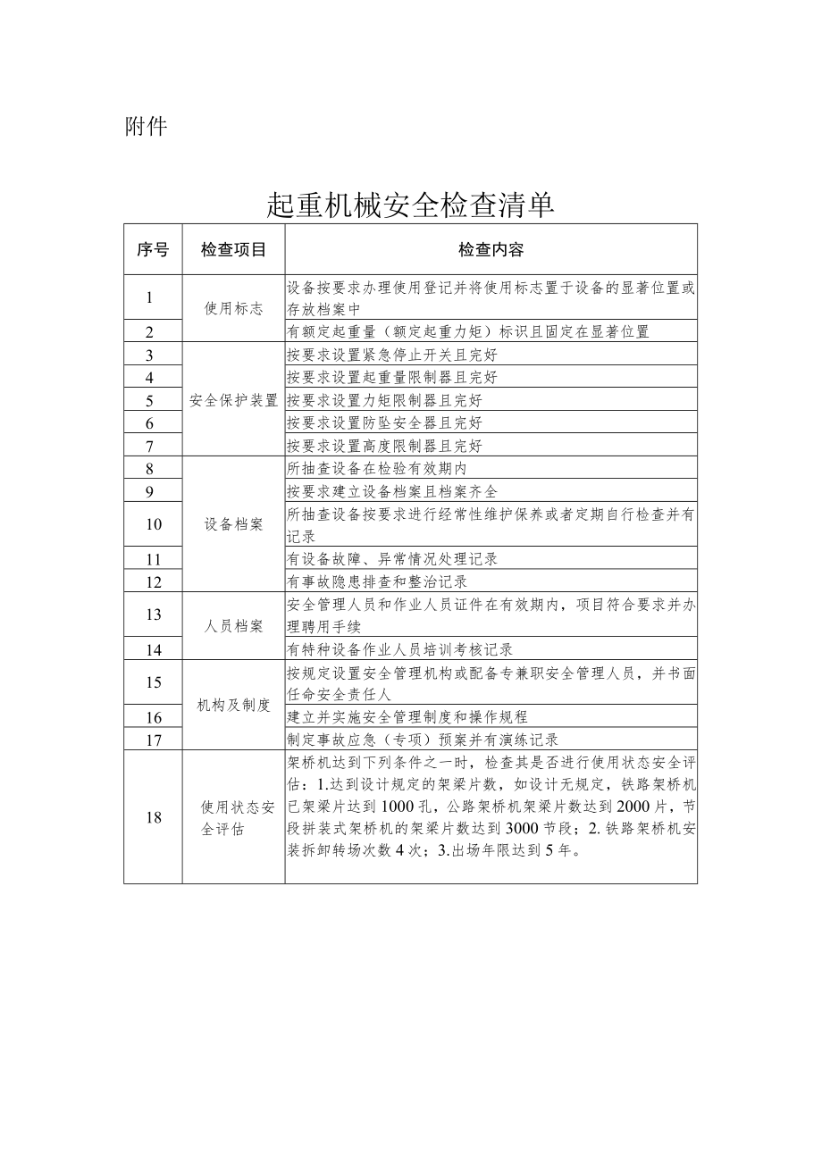
附件起重机械安全检查清单序号检查项目检查内容1使用标志设备按要求办理使用登记并将使用标志置于设备的显著位置或存放档案中2有额定起重量(额定起重力矩)标识且固定在显著位置3安全保护装置按要求设置紧急停止开关且完好4按要求设置起重量限制器且完好5按要求设置力矩限制器且完好6按要求设置防坠安全器且完好7按要求设置高度限制器且完好8设备档案所抽查设备在检验有效期内9按要求建立设备档案且档案齐全10所抽查设备按要求进行经常性维护保养或者定期自行检查并有记录11有设备故障、异常情况处理记录12有事故隐患排查和整治记录13人员档案安全管理人员和作业人员证件在有效期内,项目符合要求并办理聘用手续14有特种设备作业人员培训考核记录15机构及制度按规定设置安全管理机构或配备专兼职安全管理人员,并书面任命安全责任人16建立并实施安全管理制度和操作规程17制定事故应急(专项)预案并有演练记录18使用状态安全评估架桥机达到下列条件之一时,检查其是否进行使用状态安全评估:1.达到设计规定的架梁片数,如设计无规定,铁路架桥机已架梁片达到1000孔,公路架桥机架梁片数达到2000片,节段拼装式架桥机的架梁片数达到3000节段;2.铁路架桥机安装拆卸转场次数4次;3.出场年限达到5年。

展开阅读全文
相关资源
猜你喜欢
相关搜索

当前位置:首页 > 建筑/环境 > 工程造价

copyright@ 2008-2023 1wenmi网站版权所有

经营许可证编号:宁ICP备2022001189号-1

本站为文档C2C交易模式,即用户上传的文档直接被用户下载,本站只是中间服务平台,本站所有文档下载所得的收益归上传人(含作者)所有。第壹文秘仅提供信息存储空间,仅对用户上传内容的表现方式做保护处理,对上载内容本身不做任何修改或编辑。若文档所含内容侵犯了您的版权或隐私,请立即通知第壹文秘网,我们立即给予删除!