车站主要设施规模量化方法和预测方法.docx

上传人:p** 文档编号:109617 上传时间:2022-12-28 格式:DOCX 页数:5 大小:28.39KB
下载 相关 举报
车站主要设施规模量化方法和预测方法.docx_第1页
第1页 / 共5页
车站主要设施规模量化方法和预测方法.docx_第2页
第2页 / 共5页
车站主要设施规模量化方法和预测方法.docx_第3页
第3页 / 共5页
车站主要设施规模量化方法和预测方法.docx_第4页
第4页 / 共5页
车站主要设施规模量化方法和预测方法.docx_第5页
第5页 / 共5页
亲,该文档总共5页,全部预览完了,如果喜欢就下载吧!
资源描述

《车站主要设施规模量化方法和预测方法.docx》由会员分享,可在线阅读,更多相关《车站主要设施规模量化方法和预测方法.docx(5页珍藏版)》请在第壹文秘上搜索。

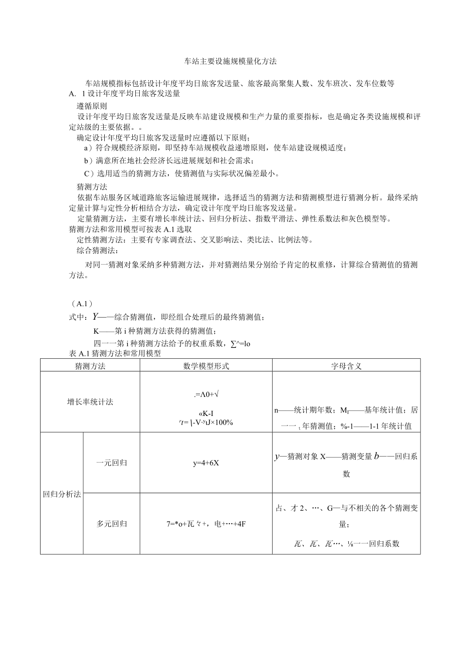
1、车站主要设施规模量化方法车站规模指标包括设计年度平均日旅客发送量、旅客最高聚集人数、发车班次、发车位数等A. 1设计年度平均日旅客发送量遵循原则设计年度平均日旅客发送量是反映车站建设规模和生产力量的重要指标,也是确定各类设施规模和评定站级的主要依据。确定设计年度平均日旅客发送量时应遵循以下原则;a)符合规模经济原则,即坚持车站规模收益递增原则,使车站建设规模适度;b)满意所在地社会经济长远进展规划和社会需求;C)选用适当的猜测方法,使猜测值与实际状况偏差最小。猜测方法依据车站服务区域道路旅客运输进展规律,选择适当的猜测方法和猜测模型进行猜测分析。最终采纳定量计算与定性分析相结合方法,确定设计年

2、度平均日旅客发送量。定量猜测方法,主要有增长率统计法、回归分析法、指数平滑法、弹性系数法和灰色模型等。猜测方法和常用模型可按表A.1选取定性猜测方法:主要有专家调查法、交叉影响法、类比法、比例法等。综合猜测法:对同一猜测对象采纳多种猜测方法,并对猜测结果分别给予肯定的权重修,计算综合猜测值的猜测方法。(A.1)式中:Y综合猜测值,即经组合处理后的最终猜测值;K第i种猜测方法获得的猜测值;四一一第i种猜测方法给予的权重系数,=lo表A.1猜测方法和常用模型猜测方法数学模型形式字母含义增长率统计法.=0+K-Irt=-VyJ100%n统计期年数;MI基年统计值;居一一t年猜测值;%-11-1年统计

3、值回归分析法一元回归y=4+6Xy猜测对象X猜测变量b回归系数多元回归7=*o+瓦+,电+4F占、才2、G与不相关的各个猜测变量;瓦、瓦、瓦、一一回归系数移动平均法一次移动MFI=-0-+)nMIL硝+L(y,-l)n第E次周期的一次移动平均1:M忸一一第E周期的二次移动平均值;M猜测对象时间序列数据计算移动平均值所取的数据个数A%+一第+7周期的猜测值;%一猜测模型的截距;4猜测模型的斜率二次移动=n日+工阙-MN)nAr=4+T指数平滑法一次指数平滑=到+0-)SEl%猜测对象在第E年的统计值;以权系数,一般在0.010.3之间,可由阅历给出。当历史数据进展平缓时取高值;反之取低值;SU一

4、第八1年的一次平滑值;SPLSPLSFl.第年一次、.二次、三次平滑值;猜测模型的截距;a一猜测模型的斜率,即每周期猜测值的变化量二次指数平滑2=1+(l-)lY!+r=aa+瓦Tat=2S-S4=JL便-剃-a三次指数平滑斓匕叫回+4密M+r=,+b+Cr%=3Sp1-3SF+sPb二。2(1-以Y(6-5以评-2(5.牝)号团+(4-3斓4=%健一2础1+3碎)2。-4弹性系数M=(l+i)c,itI=ESq=Iq其中:一4M将来第Z第猜测值;M)一基年统计值;猜测期年数;一一统计期增长率;qq分别为类比变量基期和猜测期年均增长率(%)灰色猜测G配(Ll)模型:dx)dtX(+1)二依)(

5、1)-/)-成+“以XC+1)表示猜测计算值;2为时间序列;R灰变量的进展态势反映量;a灰作用量A.2旅客最高聚集人数依据设计年度平均日旅客发送量计算依据设计年度平均日旅客发送量,旅客最高聚集人数可通过下式计算;D=aF(A.2)式中:D旅客最高聚集人数,人;F设计年度平均日旅客发送量,人次;计算百分比,其大小可按表A.2选取。表A.2计算百分比的选取设计年度平均日旅客发送量(人次)计算百分比(%)设计年度平均日旅客发送量(人次)计算百分比(%)1500083002000201510000-1500010810030030-205000-1000012-1010050-302000500015

6、-12依据同期发车数量计算依据同期发车数量,旅客最高聚集人数可通过下式计算:D-kpM式中:M一一设计年度车站一次最大发车数量(即发车位数),辆;P客车平均定员人数,人/辆;k一一综合系数,一般取L52.5.A.3日均发车班次日均发车班次可按下式计算求得:PN(A.4)式中:N一一日均发车班次,班次;B不均衡系数,一般取1.15;4过站车载乘率,指过站客车载客量与车站平均日旅客发送量之比;P一一客车平均定员,人;一一始发车合理乘载率。A.4发车位数发车位数可按下式计算求得:M=如身卬式中:M发车位数,个;月一一考虑到达客车和进站客车停靠需增加车位的系数,即增设系数,一般取L2;营业时间内平均每

7、小时发车次数。附录B(法律规范性附录)车站主要设施规模量化方法B. 1站前广场一、二级车站按旅客最高聚集人数每人1.25V计算,三级车站按旅客最高聚集人数每人LOnI,计算C. 2停车场停车场的最大容量按同期发车量的8倍计算,单车占用面积按客车投影面积的3.5倍计算,即:停车场面积=28.OX发车位数X客车投影面积8. 3发车位发车位面积依据发车位数,每个发车位占用面积按客车投影面积的4.O倍计算。即:发车位面积=4.OX发车位数客车投影面积B.4站房1. 4.1候车厅候车厅面积=LOr人X设计年度旅客最高聚集人数重点旅客候车室重点旅客候车室视实际需要设置,但总面积不应超过候车厅面积的1/3。

8、8. 4.3售票厅售票厅面积;购票室面积+售票室面积其中:购票室面积=20.0Itf/窗口X售票窗口数售票室面积=6.0m,/窗口X售票窗口数+15.0肝旅客最高聚集人数售小囱数每窗口每小时售票张数一般状况下,采纳人工售票每窗口每小时售票100张,采纳微机售票每窗口每小时的售票数可适当增加,并增设20.0户的总控室。9. 4.4行包托运处行包托运处面积;托运厅面积+受理作业室面积+行包库房面积其中:托运厅面积=25.0肝/托运单元X托运单元数受理作业室面积=20.0m/托运单元X托运单元数行包库房面积=0.1肝/人X设计年度旅客最高聚集人数+15.0肝托运单元数:一级车站24个;二级车站2个;

9、三、四级车站1个。10. 4.5行包提取处行包提取处面积按托运处面积的30%50%计算。11. 4.6综合服务处服务内容包括问讯、小件寄存、邮电通讯、失物招领、信息服务等。综合服务处面积=0.02X设计年度平均日旅客发送量行12. 4.7站务员室站务员室面积=2.0f人X当班站务员人数+15.0m213. 4.8驾乘休息室驾乘休息室面积:3.0X发车位数(m2)14. 4.9N调度室调度室面积按站级确定:一级车站30.050.0m2;二级车站20.030.0肝;三级车站15.020.0m215. 4.10治安室治安值勤室面积按15.0-30.0f选取。16. 4.11广播室广播室面积按10.0

10、20.0f选取17. 4.12医疗抢救室医疗抢救室面积按20.0-40.0f选取。18. 4.13饮水室盥洗饮水室面积按20.030.0f选取。19. 4.14旅客厕所(盥洗室)男厕:1.2肝/人X(4%6%)X设计年度旅客最高聚集人数+15.0m2女恻:L5肝/人X(3%-5%)设计年度旅客最高聚集人数+15.0m2B.4.15智能化系统用房智能化系统用房视车站智能化水平和实际需要确定。B.4.16办公用房办公用房视车站机构设置状况和实际需要确定。B.5帮助设施B.5.1汽车平安检验台(沟、室)汽车平安检验台(沟、室)面积依据检测项目与检测方式,按每个台位80.0120.0m计算。B.5.2汽车尾气测试室汽车尾气测试室面积视状况选取:一级车站120.0-180.0m2;二级车站60.0-120.0m2B.5.3车辆清洁、清洗台车辆清洁、清洗台面积依据洗车方式和污水处理与回收系统的形式,按90120mV个计算。B.5.4司乘公寓司乘公寓面积按日均发车班次,每10班次按20.0户计算,即:司乘公寓面积=2.OX日发车班次数肝B.5.5其他帮助设施其他帮助设施视实际需要设置,按我国和行业相关规定确定棋建设规模。

展开阅读全文
相关资源
猜你喜欢
相关搜索

当前位置:首页 > 建筑/环境 > 施工组织

copyright@ 2008-2023 1wenmi网站版权所有

经营许可证编号:宁ICP备2022001189号-1

本站为文档C2C交易模式,即用户上传的文档直接被用户下载,本站只是中间服务平台,本站所有文档下载所得的收益归上传人(含作者)所有。第壹文秘仅提供信息存储空间,仅对用户上传内容的表现方式做保护处理,对上载内容本身不做任何修改或编辑。若文档所含内容侵犯了您的版权或隐私,请立即通知第壹文秘网,我们立即给予删除!