铸铁件镂空砂型设计推荐表、镂空结构图.docx

上传人:p** 文档编号:110368 上传时间:2022-12-28 格式:DOCX 页数:4 大小:86.65KB
下载 相关 举报
铸铁件镂空砂型设计推荐表、镂空结构图.docx_第1页
第1页 / 共4页
铸铁件镂空砂型设计推荐表、镂空结构图.docx_第2页
第2页 / 共4页
铸铁件镂空砂型设计推荐表、镂空结构图.docx_第3页
第3页 / 共4页
铸铁件镂空砂型设计推荐表、镂空结构图.docx_第4页
第4页 / 共4页
亲,该文档总共4页,全部预览完了,如果喜欢就下载吧!
资源描述

《铸铁件镂空砂型设计推荐表、镂空结构图.docx》由会员分享,可在线阅读,更多相关《铸铁件镂空砂型设计推荐表、镂空结构图.docx(4页珍藏版)》请在第壹文秘上搜索。

1、附录A(资料性)铸铁件镂空砂型设计推荐表铸铁件镂空砂型壳型结构尺寸设计推荐见表A.1,镂空砂型桁架结构尺寸设计推荐见表A.2,镂空砂型加强筋结构尺寸设计推荐见表A.3。图A.1铸铁件镂空砂型壳型结构尺寸设计推荐表单位为亳米铸件壁厚铁液净压头高度壳型厚度多层壳设计最内层其它层壳型间隔加强筋截面尺寸加强筋间隔305002402102510x1050500-1000N5510N520x20WIoO10002000275210N550x5020030605005010N510x1050500-100026510520x20100IOoO20002802102550x502006020050026521

2、02510x1050500-1000N80NlON520x20100100020001002105:550x50200注:此衣为砂型的24h抗拉强度NL2MPa的灰铁、蠕铁铸件镂空砂型壳型结构设计计算值,对应球铁件可增大尺寸1.1倍。其他铸铁件铸造材料可根据砂型实际强度值采用理论计算等方法确定。图A.2铸铁件镂空砂型桁架结构尺寸设计推荐表单位为亳米铸件壁厚铁液净压头高度主型厚度桁架设计桁架截面尺寸桁架间隔305001710x10/10W5050010002120x20/201001000-20002550x50/5020030605004010xl01050500-100024520x20/2

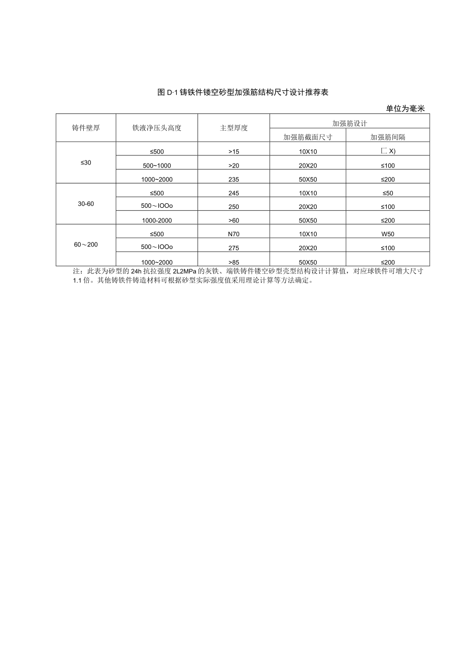
3、01001000-2000N5050x50/5020060200W5005510x10/10W5050010006020x20/201001000-20006550x50/50200注:此表为砂型的24h抗拉强度2L2MPa的灰铁、蠕铁铸件镂空砂型壳型结构设计计算值,对应球铁件可增大尺寸L1倍。其他铸铁件铸造材料可根据砂型实际强度值采用理论计算等方法确定。图D1铸铁件镂空砂型加强筋结构尺寸设计推荐表单位为毫米铸件壁厚铁液净压头高度主型厚度加强筋设计加强筋截面尺寸加强筋间隔305001510X10匚X)50010002020X201001000200023550X5020030-60500245

4、10X1050500IOOo25020X201001000-20006050X5020060200500N7010X10W50500IOOo27520X20100100020008550X50200注:此表为砂型的24h抗拉强度2L2MPa的灰铁、端铁铸件镂空砂型壳型结构设计计算值,对应球铁件可增大尺寸1.1倍。其他铸铁件铸造材料可根据砂型实际强度值采用理论计算等方法确定。附录B(资料性)镂空结构图各类型的镂空结构见图B.1B.5。图B.1壳型镂空结构图B.2壳型与桁架组合镂空结构图B.3壳型与加强筋组合镂空结构合镂空结构图B.4多层壳型与桁架组加强筋图B.5多层壳型、桁架与加强筋组合镂空结构

展开阅读全文
相关资源
猜你喜欢
相关搜索

当前位置:首页 > 建筑/环境 > 建筑材料

copyright@ 2008-2023 1wenmi网站版权所有

经营许可证编号:宁ICP备2022001189号-1

本站为文档C2C交易模式,即用户上传的文档直接被用户下载,本站只是中间服务平台,本站所有文档下载所得的收益归上传人(含作者)所有。第壹文秘仅提供信息存储空间,仅对用户上传内容的表现方式做保护处理,对上载内容本身不做任何修改或编辑。若文档所含内容侵犯了您的版权或隐私,请立即通知第壹文秘网,我们立即给予删除!