车载事故紧急呼叫系统自动触发试验方法.docx

上传人:p** 文档编号:1103772 上传时间:2024-07-24 格式:DOCX 页数:13 大小:114.19KB
下载 相关 举报
车载事故紧急呼叫系统自动触发试验方法.docx_第1页
第1页 / 共13页
车载事故紧急呼叫系统自动触发试验方法.docx_第2页
第2页 / 共13页
车载事故紧急呼叫系统自动触发试验方法.docx_第3页
第3页 / 共13页
车载事故紧急呼叫系统自动触发试验方法.docx_第4页
第4页 / 共13页
车载事故紧急呼叫系统自动触发试验方法.docx_第5页
第5页 / 共13页
车载事故紧急呼叫系统自动触发试验方法.docx_第6页
第6页 / 共13页
车载事故紧急呼叫系统自动触发试验方法.docx_第7页
第7页 / 共13页
车载事故紧急呼叫系统自动触发试验方法.docx_第8页
第8页 / 共13页
车载事故紧急呼叫系统自动触发试验方法.docx_第9页
第9页 / 共13页
车载事故紧急呼叫系统自动触发试验方法.docx_第10页
第10页 / 共13页
亲,该文档总共13页,到这儿已超出免费预览范围,如果喜欢就下载吧!
资源描述

《车载事故紧急呼叫系统自动触发试验方法.docx》由会员分享,可在线阅读,更多相关《车载事故紧急呼叫系统自动触发试验方法.docx(13页珍藏版)》请在第壹文秘上搜索。

1、附录A(规范性)戢小数据集A. 1JS小效据集(MSD)AECS发送至紧急呼叫服务平台的MSD至少应包括去A.1的全部内容表AI最小数据集字段说明板本信总vtk*tt.iWIH1.255tWSe1.的版本号.记录标准俄号GBXXXXX-XXXX估息标识符笠数星.tki1.M1,2S5;AECS每次触发后都从】开始计数:同一次险友内.在何次4用层WSO接收新的发送请求后,计数增加触发类里布尔里.I为自动触发.。为手动触发车辆类负枚举皇.。为乘用车CM1.k1为轻型商用车(N1.)车辆汉利代号(VIN17位字符车辆功力类型布尔41.】当前是该动力类奥,。当I1.U不是谀动力类型动力类型划分为I01

2、-汽油02柴油03-电动W-混合动力。5-天然气06-液化石油气07-W08-乙静09-太阳悠IO-温含动力II-翼健12-生物燃料触成他若当前功力类型的怡息未知,所有元素致次设置为0触发时间tts.%MMmo,2,单位秒.AHcS触发时何.时间使用协调世界时UC)表示,O为无效次%故位置炊度整数型,数据更用卜2-2*1单位角秒,2147483647为无效值:使用MJS4坐标系事故位置纬度整数星数据范If1.卜2.-2.单位角杪.2147483647为无效值:使用拈珈坐标系小故发生的9个点位径4度枭样B1.率不低于1Hz,可采用相对位三t记录乍辆帆向速度变化找空数F.AECS触发后150I1.

3、S内.车辆飒向速度变化倩V)的最火值.数据JfiBI-255,2S51,4Xfin军辆横向速段变化策整数皇.AECS触发后160M内.车辆横向速度变化量()的最大值.数桶ffiff1.-25S,2S5,冷位kn/h联系电话可用回吁车辆的电话号码MWttft整效鞭.JK1.H0,255款就事故布尔St】为发生翻潦事故.。为未发生翻灌事故附录B(规范性)自动触发试除方法B1.试验条件1.1.1 按比2.1.1.,B.2.2.1,B.2.3.1,B.2.4进行试验时,成貉AECS相关部件按照原车状态安装在白车身上,且至少包括以下部件:a)控制模块:b)通信模块(可不含麦克风和扬声器):C)电源(或备

4、用电源,旦应充电到制造商建议的等级;d)连接器:e)天线(含移动网络天线、GNSS天线):DGNSSft收机:g)碰撞感知元件和产生自动触发信号的模块(如彳B. 1.2按B.2.1.2、B.2.2.2、B,2.3.2,B.2.4.2进行试脸时,试检车辆应能反应出该系列产品的特征,K包括正常安装的所有装的.并应处于旎够正常运行的状态.一些零部件可以被等质量代替物代笆.但要求这种替换不应对AECS的自动触发试验结果造成影响.B2试验项目8.2.1正面碰撞B.2.1.1潜台正面碎撞试验将白车身固定在碰撞试险沿台上,安装方向模拟正面礴撞.滑台按照图B.1的加速度通道范用和表B.1的参数进行加速或减速,

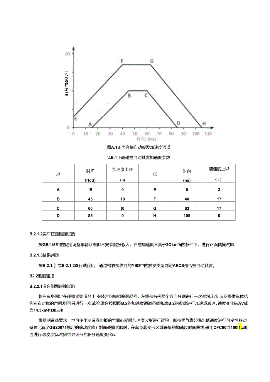
5、速度变化/、应为26.6km/hIWh.根据制造商要求,也可使用制造商申报的气囊必俄双加速度波形进行试骁,即按照气囊起爆出低速度进行正面刚性壁障碰撞试除时,在车身非变形区域聚集的加速度-时间曲线,来用CFC60或100Hz低通进行/波.实际试验结果波形的积分速度变化Ift(t)应在任蔻时刻,不超过申报波形的积分速度变化量IknVh的范围,卬应满足%t)-IV,d)V1.(O+1,舱位k11V.Is103%?E图A.1正面碰撞自动般发加速度通道B.1正面碰撞自动触发加速度参数点时间IrfcS)加速度上眼(B)点时向(ns)加速度上以1.单位km/h。ISA.2M面箍播自动触发加速度通道V;1.)

6、V1(I)+1.表B2M面箍插自动触发加速度参数点时间(res)加速度下跟(B)点时间(ns)加速度上限8)A5OEO2B226F2010C506G5110D65OH76O8.2.2.2实车侧面碰撞试验按GB20071的规定调整车辆状态但不安装碰绿假人,使用GB20071规定的移动空障在碰报速度不高于30km/h的条件下,进行实车测面碰撞试验,应在左恻和右侧两个方向分别进行一次试脸,若制造商提供车体结构左右对称的声明.则可只进行一次试5金.B.2.2.3结果判定按B.2.2.1或B.2.2.2进行试脸后.通过检查接收到的YSD中的触发类型划定AECS是否被自动触发.8.2.3后面碰撞B.2.3

7、.1滑台后面碰报试验将白车身固定在碰撞试脸滑台上,安装方向模拟后面储撞。滑台按照图B.3的加速度通道范用和表B.3的参数进行加速或减速,速度变化出、板为27.2kmh1.Wh,图A.3后面碰装自动触发加速度通道表B.3后面MHi自动触发加速度参数点时间(ms)加速度F限(g)点时向(nx)加速度上很A10D05B9HE822C6。0F3022G850B.2.3.2实车后面碰报试验按照GB20072规定的试验方法进行试验.B.2.3.3结果判定按B.2.3.If1.EB.2.3.2进行试脸后,通过桧查接收到的YSD中的触发类型划定RECS是否被自动触发.8.2.4翻滚B.2.4.1模拟翻滚试验将

8、白车身固定在翻转试脸台架上,试脸台架初始应为水平状态,翻转试验台架按照图B.4的角速度通道器国和表B.4的参数进行模拟轴滚运动.积分向位移应为90至95。.左翻和右翻两个方向应各进行一次试验,若制造裔提供车体结构左右对称的声明,则可只进行一次试验.图A4模拟翻滚试验角速度通道表B.4模拟翻滚试驶角速度叁数点时间(x)向速度卜限C/%)点时向(X)用速度上限Cs)A0.10D05B0.535E0.545C2.535F2545B. 2.4.2次车摞旋瞄滚试验试脸场地应可容纳跑道、翻滚台架和试验必需的技术设脩.试验翻滚台架由诱导斜面和翻滚料面组成,若能债发翻滚,坡道参数不做限定.在翻渡台架前至少5m

9、的胞道应水平、平坦和光滑.牵引车辆进行加速,过程中变速杆底处于空挡位S1.车门应关闭但不恢止,活动车顶或可拆式车顶(如有,应处于制造商设定位置并关.若能诱发拥滚.车辆前轮驶入朝滚外架瞬间的速度可以由制造商指建.左晶和右物两个方向应各进行一次试脸,若制造商提供下体结构左右对称的声明,则可只进行一次试验。参考翻潦台架的形式如图B.5所示,设计坡度分别为8和16,坡面长度分别为154011m和3,Woma.坡面宽度为600mm,建议试验速度为50km/h.图A5翻滚台架荷图B. 2.4.3结果判定按B.2.1.IkKB.2.4.2进行试蛤后,通过检食接收到的MSD中的触发类型判定RECS是否被自动触

10、发。附录C(规范性)功镜试除要求C.1试验方法应使用表C.1的任一试验方法对C2的要求进行功能验证.表C1功能试验方法序号试验方法说明1快用公共移动38俏M给通过无线空”传怆方式.验证MSD传埔和谐语通话功能.2也用网络投必制加过无线空口传嗣方式.证NSD传输和语音曲话功傥.3住用网法模拟擀通过仃统连接方式,Sid:与【)什幡和送音通话功能.C.2AECS功能试验C. 2.1车辆发送的MSD应符合冏录A的要求,C.2.2使川忏通话对车辆的双向免提语音通话进行主观试验,应酒足以卜要求:一一在通话建立期间,其他娱乐音频通路应加音,如音乐、收音机等:一一紧急呼叫服务平台模拟测试设备端应能正常接收处理

11、车移堆发送的语音通信信号,并且语音应清晰可懂:车辆端应能正常接收处理膝急呼叫极务平台模拟测试设备端发送的语音通信信号.并且谱音应清晰可懂.C. 2.3HM1.应能正确指示RECS处运行状态或失败状态.示例1:运行状密便指RECS功能己Ii发、正在建、工连接.正在避行数据传给.救据传输巳完成.正在避行语白通话等.示例2:失败状态股指语新通话失败或数据使3失败等.C.2.4AECS的电源及备用电源(如行)应能使车辆首先自主进行不低于5min的语音通话模式,其后进入不低于60min的可拨模式(空闹模式,在网络中注册),最后再进入不低于5Bin的谐音通话模式,C.2.5选择&C1中序号3的方法进行测试

12、时,移动网络天线及其戏束还应满足以下要求:一一碰撞后,移动网络大城的电压驻波比(YSWR)应酒足制造商规定的技术参数;一一碰撞后,网络模拟器有规连接以外线束的天莲馈电线路没有发生断开或短路.附录D(规范性)自检试险方法D.1失效类型AECS失效类型见&DJ.表D1失效类型项目备注部件失效类型控制模块内部失效内部失效如r硬件失效.在门列、软件校.软件钺像完整性等通信模块电连接,模块通信失败探测不刎AEcS控制模块和通信模块的数字通信则为授块失效内部失效麦克风和物出据电旌接探期不JMAECS控制模块与麦克风或扬小等的款字通信则为失效内部失效GNSS接收机电迷接/模块通信失效率观不fAECS拉制模块与GNSS接收机的数字通信则为失效内部失效移动网络天线电连接探阻不刎AEaS摔冽模块与移动网络天线的S1.字通仙M1.为失效GKSSJiti.电连接家刈不到AECS栉;W模块与GiSS大线的数字通信则为失效AEeS自动触发的俏寸装置电连接1三碰撞探测传道编系统般发装置等内部失效电源(品用电淞电连接极州制造fii说明,充电达到临界值状态时失效

展开阅读全文
相关资源
猜你喜欢
相关搜索

当前位置:首页 > 论文 > 通讯论文

copyright@ 2008-2023 1wenmi网站版权所有

经营许可证编号:宁ICP备2022001189号-1

本站为文档C2C交易模式,即用户上传的文档直接被用户下载,本站只是中间服务平台,本站所有文档下载所得的收益归上传人(含作者)所有。第壹文秘仅提供信息存储空间,仅对用户上传内容的表现方式做保护处理,对上载内容本身不做任何修改或编辑。若文档所含内容侵犯了您的版权或隐私,请立即通知第壹文秘网,我们立即给予删除!