《通信工程勘察与设计项目化教程》试题 项目二实践测试 任务书2设备部分.docx

上传人:p** 文档编号:1105505 上传时间:2024-07-25 格式:DOCX 页数:1 大小:21.88KB
下载 相关 举报
《通信工程勘察与设计项目化教程》试题 项目二实践测试 任务书2设备部分.docx_第1页
第1页 / 共1页
亲,该文档总共1页,全部预览完了,如果喜欢就下载吧!
资源描述

《《通信工程勘察与设计项目化教程》试题 项目二实践测试 任务书2设备部分.docx》由会员分享,可在线阅读,更多相关《《通信工程勘察与设计项目化教程》试题 项目二实践测试 任务书2设备部分.docx(1页珍藏版)》请在第壹文秘上搜索。

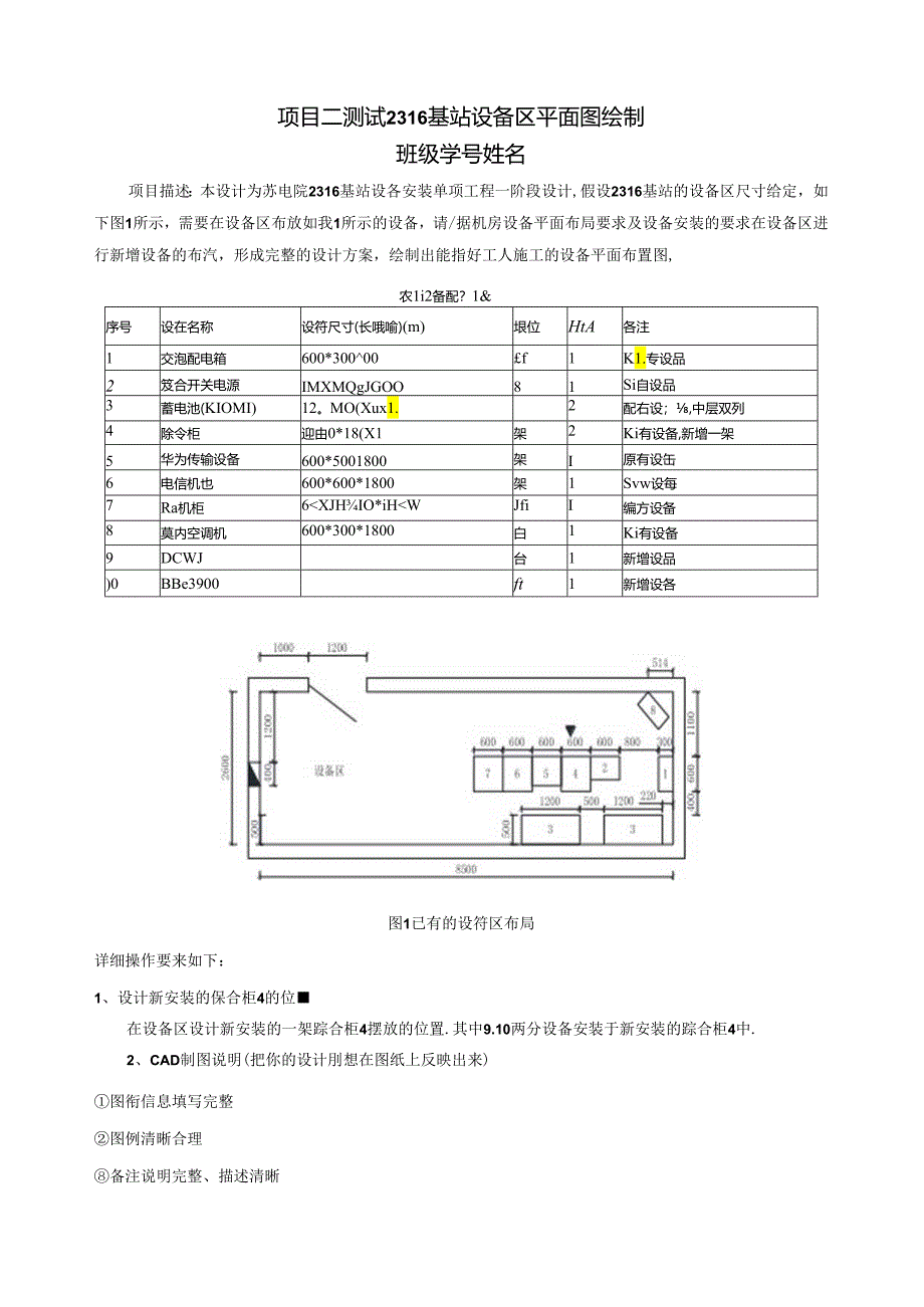
项目二测试2316基站设备区平面图绘制班级学号姓名项目描述:本设计为苏电院2316基站设各安装单项工程一阶段设计,假设2316基站的设备区尺寸给定,如下图1所示,需要在设备区布放如我1所示的设备,请/据机房设备平面布局要求及设备安装的要求在设备区进行新增设备的布汽,形成完整的设计方案,绘制出能指好工人施工的设备平面布置图,农1i2备配?1&序号设在名称设符尺寸(长哦喻)(m)垠位HtA各注1交泡配电箱600*30000f1K1.专设品2笈合开关电源IMXMQgJGOO81Si自设品3蓄电池(KIOMI)12。MO(Xux1.2配右设;,中层双列4除令柜迎由0*18(X1架2Ki有设备,新增一架5华为传输设备600*5001800架I原有设缶6电信机也600*600*1800架1Svw设每7Ra机柜6XJHIO*iHWJfiI编方设备8莫内空调机600*300*1800白1Ki有设备9DCWJ台1新增设品)0BBe3900ft1新增设各图1已有的设符区布局详细操作要来如下:1、设计新安装的保合柜4的位在设备区设计新安装的一架踪合柜4摆放的位置.其中9.10两分设备安装于新安装的踪合柜4中.2、CAD制图说明(把你的设计刖想在图纸上反映出来)图衔信息填写完整图例清晰合理备注说明完整、描述清晰

展开阅读全文
相关资源
猜你喜欢
相关搜索

当前位置:首页 > 高等教育 > 工学

copyright@ 2008-2023 1wenmi网站版权所有

经营许可证编号:宁ICP备2022001189号-1

本站为文档C2C交易模式,即用户上传的文档直接被用户下载,本站只是中间服务平台,本站所有文档下载所得的收益归上传人(含作者)所有。第壹文秘仅提供信息存储空间,仅对用户上传内容的表现方式做保护处理,对上载内容本身不做任何修改或编辑。若文档所含内容侵犯了您的版权或隐私,请立即通知第壹文秘网,我们立即给予删除!