供配电系统巡查维护.docx

上传人:p** 文档编号:1109933 上传时间:2024-07-25 格式:DOCX 页数:2 大小:11.46KB
下载 相关 举报
供配电系统巡查维护.docx_第1页
第1页 / 共2页
供配电系统巡查维护.docx_第2页
第2页 / 共2页
亲,该文档总共2页,全部预览完了,如果喜欢就下载吧!
资源描述

《供配电系统巡查维护.docx》由会员分享,可在线阅读,更多相关《供配电系统巡查维护.docx(2页珍藏版)》请在第壹文秘上搜索。

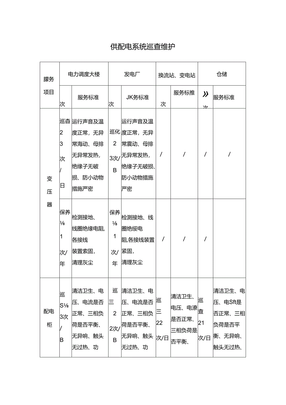
1、供配电系统巡查维护朦务项目电力调度大楼发电厂换流站、变电站仓储次服务标准次JK务标准次服务标推次服务标准变压器巡杳23次/日运行声音及温度正常,无异常海动、母排无异常发热,绝缘子无破损、防小动物措施严密巡化23次/B运行声音及温度正常,无异常震动、母排无异常发热,绝缘子无破损、防小动物措施严密/保养1次/年检测接地、线圈绝缘电阻,各接线装置索固,清理灰尘保养1次/年检测接地、线圈绝绥电阻,各接线装置紧固,清理灰尘/配电柜巡S3次/B清洁卫生、电压、电流是否正常、三相负荷是否平衡、无异响、触头无过热、功巡三22次/B清洁卫生、电压、电流是否正常、三相负荷是否平衡、无异响、触头无过热、功巡三22次

2、/日清洁卫生、电压、电潦是否正常、三相负荷是否平衡、巡查21次/日清洁卫生、电压、电Sft是否正常、三相负荷是否平衡、无异响、触头无过热、率因数是否达标率因数是否达标无异响、触头无过热、功率因数是否达标功率因数是否达标紧固螺保累固螺丝,保紧固蜒丝,丝,调整紧固螺丝,恭调整打磨触养调整打磨触保打磨触保调整打磨头、检测接头、检测接养头、检测养触头、检测1地电阻和过1地电阻和过接地电二1接地电阻次流、联锁保次流、联锁保次/B1.和过次/和过流、联/护装置、除/护装置、除年流、联锁年锁保护装年尘年尘保护装置、除尘置、除尘空空载无异音、手我无异音、手试动/自动运试动/自动运备用机行正常,电机行正常,电发电池液、电压、池液、电压、/机组2油位、照明2油位、照明次正常次正常/月月

展开阅读全文
相关资源
猜你喜欢
相关搜索

当前位置:首页 > 汽车/机械/制造 > 电气技术

copyright@ 2008-2023 1wenmi网站版权所有

经营许可证编号:宁ICP备2022001189号-1

本站为文档C2C交易模式,即用户上传的文档直接被用户下载,本站只是中间服务平台,本站所有文档下载所得的收益归上传人(含作者)所有。第壹文秘仅提供信息存储空间,仅对用户上传内容的表现方式做保护处理,对上载内容本身不做任何修改或编辑。若文档所含内容侵犯了您的版权或隐私,请立即通知第壹文秘网,我们立即给予删除!