分段制造施工技术交底制造部管理制度.docx

上传人:p** 文档编号:1110971 上传时间:2024-07-25 格式:DOCX 页数:4 大小:92.76KB
下载 相关 举报
分段制造施工技术交底制造部管理制度.docx_第1页
第1页 / 共4页
分段制造施工技术交底制造部管理制度.docx_第2页
第2页 / 共4页
分段制造施工技术交底制造部管理制度.docx_第3页
第3页 / 共4页
分段制造施工技术交底制造部管理制度.docx_第4页
第4页 / 共4页
亲,该文档总共4页,全部预览完了,如果喜欢就下载吧!
资源描述

《分段制造施工技术交底制造部管理制度.docx》由会员分享,可在线阅读,更多相关《分段制造施工技术交底制造部管理制度.docx(4页珍藏版)》请在第壹文秘上搜索。

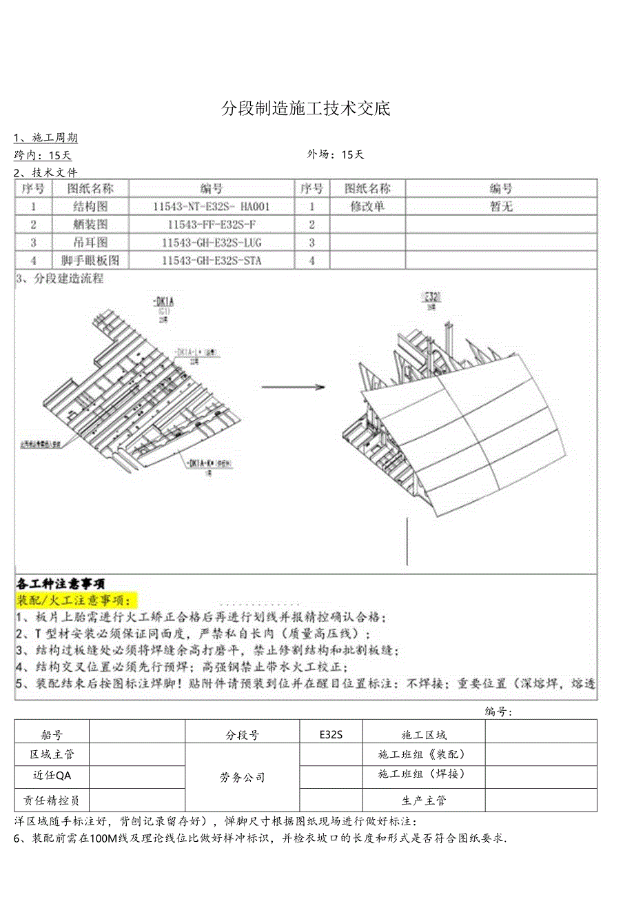
1、分段制造施工技术交底外场:15天1、施工周期跨内:15天2、技术文件编号:船号分段号E32S施工区域区域主管劳务公司施工班组装配)近任QA施工班组(焊接)贡任精控员生产主管洋区域随手标注好,背刨记录留存好),惮脚尺寸根据图纸现场进行做好标注:6、装配前需在100M线及理论线位比做好样冲标识,并检衣坡口的长度和形式是否符合图纸要求.7、吊装肋板前有水雷补板必须先套袋,禁止血意切割补板(按节点图),安装补板必须挣水密隔舱平角炜炜接结束后安装:8、结构与板片安装结束报部门主管确认,合格后拜接;9、装配组长在装配结束后进行阡脚标注;10、火工矫正前,先将对应结构线勘冷,矫正时烘枪嘴对应位置为对应然构焊

2、脚住找,火工矫正完使用钢尺和粉线进行检查。火工配备点温计,禁止过烧,高强钢禁止带水火工校正。11 .检查甲板与外板连接处城口是否满足圉绒妥求:12 .甲板而导境孔尺寸中木线/边木线要分清,错一个全盘皆错(按图为准),13 .建议挣导境孔安装焊接后再蓑筋板:14 .上甲板筋板朝向按图安装(按图为准):15 .CM节点敲杆优,长度、材质、坡口、板屋、对他自救能否满足困纸,报主管确认才能申请炜前外捡;16 .平台方纲与平台搭接按图施工,注意方铜材质(按图为准):17 .肋板剖示时板有大小头,不能,装颠倒,一般距面板边缘15三(具体根据图纸):18 .甲板与外板的废核对图纸,检圭外板与内纵壁板材厚度1

3、9所有型材、肘板不能海恁切割,船东很在恁:20.压我舱安装镀锌件,注意检查肥装件来料与制作图是否一致,不一致需要联系部门主管/0A现场确认。21、锌块支架自由边长边R2,短边R322、栏杆有防震件(垫板厚度IOt)(按图为准).23、眼坏有标记(S.W.1.15T),注意标记的安装方向(按困为准):24、注意:垫板厚度,栏杆、平台(10t20D(按图为准):25、外板有水线标汜及分地标记(焊条/连续焊参照图纸).26.涉及外板开孔.需执行检验制度。申报部门确认合格后才可以开孔。放水塞/那扎礼注意安装节点及焊扶节点,放水塞爆前评后做好保护措施。电焊注意事项:1、施工前定位炜祥渔必须打磨滑除并保持

4、焊道清洁:注意冬季环境温度低于5度疗的A1.热!35三以上不考虑环境温度必然加温,MMR!2、焊接材料选用:抗相箱上部区域及舱口困厚极多,刚性大,涉及高强钢板材质(AH32-EH40)种类较多,为确保焊接质量及防止焊材特用,以上区域厚度40mm及以上高强钢板焊块、凡是与EH40板焊接的焊缝均使用EH40级别理材,不可使用焊条进行朴蟀、定位辉。焊材类别牌号等级1药芯焊丝01.2m2埋弧焊丝/炸剂04.811un3、对于长度大于一米的平角洋必须用角评机评接:注恁焊接顺序:从中间向两边对称评接或分段退评:4、板缝及时按耳t均属熔透灯100%UT:5、水密补板焊接严禁大焊脚一次性焊接成型,必须多层多道

5、焊接(先打底媒,清渣)6、吊耳安装后打型拍炸前照片1张,打底后再拍一张照片,打钉申请!7、电焊按照由中间向两端的方式进行理接.评核时尽量避电集中在某一区域.焊接参裁参照WPS允许依的税小值进行检查;8、重要位置焊前状态控制好,做好焊前记录及背刨记录,打底要留存记录。打磨/械护注意事项:1、禁止制板上加油作业,钢板无油污2、禁止过度打磨住造过程精度注意事项:9、掾院舱不应组立在外板小分段上,有利于精度定位,减少开刀调整:10、分段是否需放谩相关反变彩:11、T型材安装必须保证同面度,在九许范围内的正公差禁止切割,用砂轮机打磨:负公爰大小号两头借调或请楮控员协调,严禁私自长肉(庾量南压线)12,肋

6、板、壁板吊装必须保证垂直度13、所有组立件火工退火后方可吊装,火工结束出垮。安全控制要点:安全风险因素4加1、员工挣证上向、做好身体询问,掌握相关气体科识等甚戚安全知识:2、分段是否为有限空间作业,是否需进行测爆,根据现场实际情况进行申报审批作业:3、板片打撑符合要求(根据具体分段类型提出相关管理要求)4、分段上下样完好、满足要求;有孔有长:脚手架、边围栏安全设施完好:狗墩完好确认;5、南空作业系好安全带:6,分段通排风及照明满足需求:7、电动工具做好漏电保护工作:8、部件安装使用防匆工装:9、分段整理、艳颈、沛洁、清扫。不贰过记录:彼热温度表PreheatTemperatureforStee

7、1.We1.ding类别GradeIfi呼mmthickness环境混度Cr)CAnibienttemperature预热温度PreheattemperuturcA、B.D、E50T02(KsO50所有/A1.IIod20AH3236,DH3236.EIB236338所WA1.1.10(M20H40.DH40.EH40所有/AU100720WiWftCastingscc1.所布/A1.I所有/A1.I1257SOC焊接实名制要求现场焊接实名;刖,预熄温u%加Mr人SG患:WXft1.fc.改制人S,QC,Wt过+VUft*幺!议,1,而烬叫,的现场丘人3.产格拉股烬求迸行,仄注位置坦接记决I(

8、w位M焊接阳,止必须打攵?7.在现场.i!Hj现场idISf1.I1.Jtfr*t!2、处“V项宣叫B1.j41.1.X曾加人员!;4审检打钢次.SIQC律坟2小IhJ巡&次发作至井内.J1.w卜水6川屈片岫|讨fr0:3、分1:殳f)JJiSff1.Jii?ZHJ1确的W理Mi程fW/加J,殳.对于柒收箱锦卬接J预阳进行Tf拄,4.Wi;,;宣理部相对分丁殳加仃骨那板加接MnX落虫MiK.进行的i,.41.ttjrtEiij.Ri1.fctj落实.福IHJQ曾刑播JKCAh如4致,fU;Ui的相出现投火巾况IHnN1.应宣J,IUK1s特别提醒:单位长度大于800MM的连续焊缝必须使用角焊机”晒袋件工序前移,提前安装焊接,半立体修补磨处理合格再大组.自动化角焊机褂根盖使用。交底人接底人日期检查人日期得注

展开阅读全文
相关资源
猜你喜欢
相关搜索

当前位置:首页 > 汽车/机械/制造 > 制造加工工艺

copyright@ 2008-2023 1wenmi网站版权所有

经营许可证编号:宁ICP备2022001189号-1

本站为文档C2C交易模式,即用户上传的文档直接被用户下载,本站只是中间服务平台,本站所有文档下载所得的收益归上传人(含作者)所有。第壹文秘仅提供信息存储空间,仅对用户上传内容的表现方式做保护处理,对上载内容本身不做任何修改或编辑。若文档所含内容侵犯了您的版权或隐私,请立即通知第壹文秘网,我们立即给予删除!