化妆品良好操作规范管理程序.docx

上传人:p** 文档编号:1111356 上传时间:2024-07-25 格式:DOCX 页数:5 大小:25.95KB
下载 相关 举报
化妆品良好操作规范管理程序.docx_第1页
第1页 / 共5页
化妆品良好操作规范管理程序.docx_第2页
第2页 / 共5页
化妆品良好操作规范管理程序.docx_第3页
第3页 / 共5页
化妆品良好操作规范管理程序.docx_第4页
第4页 / 共5页
化妆品良好操作规范管理程序.docx_第5页
第5页 / 共5页
亲,该文档总共5页,全部预览完了,如果喜欢就下载吧!
资源描述

《化妆品良好操作规范管理程序.docx》由会员分享,可在线阅读,更多相关《化妆品良好操作规范管理程序.docx(5页珍藏版)》请在第壹文秘上搜索。

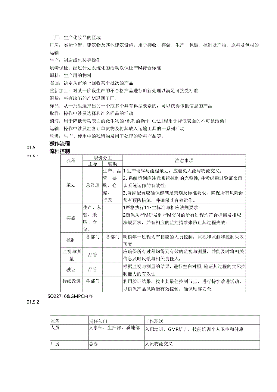
1、01目的确保良好操作规范的持续有效运作,确保良好操作规范各过程得到有效的控制。012适用范Bi和领域本程序适用于:生产、控制、存W5及运输.13#SO22716GMPC化妆品良好的操作规范要求01.4定义接受标准:对测试结果的可接受性给予数字化的限值,范围及其他使用的措施,审核:一个系统的、独立的、文件化的过程,既由审核证据获得,客观的评估以确定是否满足既定的安持,及确定满足的程序nt:从某个或多个操作获得的、认为是一致的特定数及的原料,包材和产m。批次:的个数字,字母,或字母和数字结合的,用来指定识别一批产品的代码。散装产品:经过所有制造工艺过程的产品,除了没有填充到最后包装的产品.校准:在

2、特定条件下,通过一系列操作在测我仪器或测量系统所指示的搔值或事物St具或参考事物表示的值和按标准实现的相应值间建立的种关系。变更控制:为确保生产,包装,控制,储存的产品满足既定的标准任何GMP活动相关的内部结果或职货等的变更.清洁:利用各种操作,例如化学,机械地,温度等保证达到定的干净度,将灰尘从表面消除.投诉:来自外部的信息*称产品不符合既定标准。污染:分为化学.物理或是生物等因家耗燹品:在执行清洁,消毒,及维护操作过程中所使用的物品,例如擦拭布,清洁剂等.分包商:代替发包商进行生产或其他活动控制:确认符合接受标准偏差:内部组织或职货由于计划或未经计划而发生与制定要求不同.成M:生产过程完成

3、的终产M,也就是可以出售的产M,过程控制:生产过程实施的控制以监控产品,必要时调整过程以保证满足制定的可接受标准内部审核:由公司内部的弓业人员进行的一个系统的、独立的检查,以确定指引是否没盖到所进行的活动,且相关的结果满足既定的安排,是否有效.主要的设备:指定用丁生产或实脸室等时于过程的血要设备维护保养:为保持厂房及机器设备处于良好的工作状况的所有定期或不定期支持和脸证工作生产操作:从称原料开始到散装产品的制作的一系列的操作.不合规格:检杳、测战及测试结果等不符合既定的可接受标准包装:包括填充、贴标、将放装产品变成成品的过程。包材:用干包装化妆品产品的物料,除了其他用于运输的外包装Page1o

4、f6发行11期2022-12-1编写者核准者松衣日期2022-12-1审核者01.501.5.101.5.2工厂:生产化妆品的区域厂房:实际位置,建筑物及其他建筑设施,用于接收、存储、生产、包装、控制及产抽、原料及包材的运输.生产:制造或包装等操作质崎保证:经过计划系统化的活动以保证产M符合标准原料:生产用的物料召回:决定从市场上回收某个批次的产品.重新加工:对某一阶段生产的不合格产品进行Ift新处理以满足可接受标准.退货:将有缺陷的产M退回工厂。样品:从一批里选择出的一个或多个具有典型要素的,可以获得该批信息的产品取样:操作中涉及选择和准名样品的活动消海:用于降低污染表面的微生物的系列的操作

5、(此过程用于降低表面的不可见污染)运输:操作中涉及准备订单货物及将其放入运输工具的一系列活动坨圾:生产、使用中的残留物及用干处理的物料产品等,獴作流程流程控制流程职贵分工注意事项主导辅助策划总经理生产、品管、票购、仓储、行政1生产设与流程策划,应避免人流与物流交叉:2 .系统策划应注意系统控制的完整性,并考虑通过验证来确认系统运作的有效性:3 .资滁配置应确保健满足策划及标准要求,确保所有风险源都有预防措施,并确保其有效运作。实施生产、从管、采购、仓储、1严格执行11生标准与相应法规要求:2确保从产M研发到产M交付的所有过程均符合标掂及相应法规要求,并有相应的监控措碓来防止其过程失效:控制各部

6、门各部门明确年一过程均有相应的人员控制,监视和监测和控制失效预案。监视与测量品管应确保所有过程均得到有效的监视与测量,并能及时将相关信息及时反馈与相关责任人,驶证品管根据监视与测量的结果,进行空白对照,验证其过程的实际控制能力的有效性.持续改进各部门利用脸证结果,找出其最佳控制节点,进行持续改进活动,以确保产品风险能有效控制,确保顾客安全.ISO22716&GMPC内容流程责任部门工作职送人员人事部、生产部、质地部入职培训、GMP培训,技能培训个人卫生和健康厂房总办人流物流交叉区域划分、照明、通风、虫古控时、洗手设施及期所、地面、生产用水、生产用气、堆护保养设仪器设备科、*:安装、校推、维护原

7、料及包村PMC部、研发采购、接收、标识、放行、存储、有效期管控生产PMC新、生产能、质城部生产操作、批号、过程确认、过程控制、包装、存储成品PMC就、生产郁、ft(部、梢(5制、总办放行、存储、保证存货周转、运输、退货实验空质求控制研发部、质出部测试方法、接收标准、结果、不合格结果、试剂、溶液、参考标准、培养基、采样、样从确定、身样不合格品的处理质聚部、生产部按照不合格品管理程序执行垃圾总办垃圾容器定义、垃圾分类运输存储、处理、分解管控分包总办分包类型:分析、厂房清洁消毒、虫宙控制、厂房及设需保养偏整工艺、开发、质业授权人、数据支持、预防偏运投诉与召回销自部、质眼部按照客户投诉处理流程及4回管

8、理程序执行变更控制工艺、开发部、质按照变更控制程序执行内部审核质鬓部按照内部审计程序执行文件质量部按照文件与资料控制管理程序执行01.5.3厂房与环境(虫害、人流、物流、洁净区域规划与控制)企业生产区域位于义乌市郊区,周边无化妆M生产污染滁,也不会对居民区产生影响.企业生产厂区虫古控制外包。工厂行政负资人监怦虫杏控制实施过程。并就相关区域的虫方控制情况与外包方沟通,以期改耕,确保各区域虫古控制有效符合卫生规迫与良好操作规范要求.生产区域暴础设计时,充分考虑j人员流动然路,与物流流动线路的有效分离,井采取措施,切实有效的避免了人流与物流级珞的交叉,降低了因交叉而产生的产品污染风险。工厂洁净区设定

9、:半成品静置区、灌装区为30万单位级、微生物检测室10万单位级,无菌工作台控制为局部1万级。准洁净控制区设定:原料配料区、(乳化)混料区、内包材消毒区、纯水处理区、产品研发设计区域、理化测试区域,区域控制:区域内不能使用有污染风险的物品.如:木质(卡板/案椅/工具)、纸所(包装箱/文件).产品、顾客、法规螯求01.5.4适用产品标准产品标准编号产品名称备注QB,T1645-2004洗而奶(讦)QBT1857-2004润肤仔筋QBZT1858-2004行水、占龙水QBT1859-2004香粉、爽身粉、格子勃QBT1974-2004洗发液(讦)QBT1975-2004护发素QBnr1976-200

10、4化妆粉块QBnr1977-2004唇膏QBT1978-2004染发剂QB1994-2004沐浴剂QB2654-2004洗手液QB2660-2004化妆水E.家班局监督检蛤检疫总师第75,;俄包装商品计法低督管理办法OB,T2285-1997头发川冷烫液QB,T2286-1997润肤乳液01.5.5采购控制供应商要求:供应产品应提供来源追溯证明生产企业应提供生产许可证和卫生许可证,及禁用、限用物质使用情况说明:非生产企业应提供产品代理权证明性文件,属进口商品的,应提供商品进口证明文件.采购:采购实施前,供应商应接受企业的质量/环境;卫生与安全协议B.供应商送货时,应随货物同时提交与供应货物对应

11、的CoA与MSDS.送货单,供宿货物应有与之对应的标识与批号标注.(包装材料可酌情处置)0156资源管理人、机、物、空气净化系统、水处理系件)人员:应有从业拓础知识培训和作业要求培训经历.在洁净区域与准洁净区域的工作人员,应有从业链康资质证明文件.他康状况不达标的,不能从,相关区域工作。洁净区域与准洁净区域的工作人员,应作适度防护(作工作服、戴帽子、戴口草),有效杜绝产品污染。所有人员进入工作区域应从人流通道进入,需进入洁净区域与准洁净区域的者,应按对应要求佩戴防护装黄,严禁不着防护装黄进入洁件区域与准洁净区域。接触产品的作业人员,在诳入工作场所前,应洗手并消毒。工作服应定期清洗消毒。监控:宜

12、接与产品接触的人手与工作服一进行微检,一个月内全面圈盖所有操作员.机叁设备:应确保机器i殳备的良好运作和关键部件的运行过程记录,做到无侨蚀、无污染、勤0157清沾、零故障、多检查、少事故,并做好有效保养与正常维护,每批次工作完成后,做清场时,应充分清洁、检查设备,需更换部件应及时处置,确保无污染、无隐患监控:对直接与产品接触的机器设笛对其入料口、出料口进行微检,检测频率处周一次,如条件允许,建议在作业前后均进行监测.01.5.8物料半成品成Igu(做好标状与标识确认)1 .物料接收:核对CoA、枇号标识、送货凭证、采购凭证致,方可接收。2 .物料摄运:应基于避免污染、远符污染源或风险源为原则,

13、并严格按MADS实施。3 .物料谛存:原料、半成品、成品,不合格品,应严格区分,井有效隔离,防止交叉污染,切实做好R生防护.01.5.9监控:每枇次i三行微检。其中内包装材料消库前微检,消灌后微检。时比验证消祢过程空气净化系筑I应有进风消毒过港系统与各区域独立的送风、扶风系统应确保洁净区、准洁净区、非洁净区、微检室的送风与排风系统的独立性,确保空气不会相互污染.应定期清洁、更涣与维护空气净化系统,确保不会因系统不清洁而导致二次污染。所有的清洁与维护,应站合设施设施的使用说明与空间沉降菌检测的结果而定。监控:区域沉降菌监测,01.5.1001.5.11参考标准:化妆品H生规范2007版、洁净室施

14、工及验收规范JGJ71-90.水处理JK统:应确保水处理过程的有效性,应对水处理系统进行定期维护(反渗透).对水处理区域进行定期消毒”纯水流向全过程密闭防污染.监控:时原水/在水处理间经处理过的纯水/输送入混料乳化用的山水口纯水进行微生物监测。产品物理实殴产品的物理实验参考产品标准实施,无产品标准的应根据产品特点及功能、性能.建立对应的企业标准,有效监控其物理性徒与功能.01512生产漉程控制的质,/工艺琏微生物监清与过程疆证备注产品配料产格按照产品1:艺足方执行,并全面记录过程。严格控断过程设得,确保其状态处于有效状态.杜绝污染源进入工作区域,有效预防污染。注意批次生产完毕后做清场处理.区域空间沉降阈检测:分装容器微松:工业用木检测:用料监控确认:乳化三料区域空间沉降菌检测:分装容寄做检:设备出料口微检:基科检测:制忆监控於R区域温湿度华产品定期微检:区域空间沉降偏检测:灌装严格按照产品1.艺生产指令执行区域空间沉降衡检测:内包材微检:潞装完成)产品检测;喷码、包装杜绝污染源进入工作区域,有效预防产乱污染。区域空间沉降IV1.检测:区域污染源监控.成品包装/入库严格按照产品工艺生产指令执行运输交付

展开阅读全文
相关资源
猜你喜欢
相关搜索

当前位置:首页 > 管理/人力资源 > 质量管理

copyright@ 2008-2023 1wenmi网站版权所有

经营许可证编号:宁ICP备2022001189号-1

本站为文档C2C交易模式,即用户上传的文档直接被用户下载,本站只是中间服务平台,本站所有文档下载所得的收益归上传人(含作者)所有。第壹文秘仅提供信息存储空间,仅对用户上传内容的表现方式做保护处理,对上载内容本身不做任何修改或编辑。若文档所含内容侵犯了您的版权或隐私,请立即通知第壹文秘网,我们立即给予删除!