接地装置交接试验作业指导书.docx

上传人:p** 文档编号:1122056 上传时间:2024-08-04 格式:DOCX 页数:3 大小:46.04KB
下载 相关 举报
接地装置交接试验作业指导书.docx_第1页
第1页 / 共3页
接地装置交接试验作业指导书.docx_第2页
第2页 / 共3页
接地装置交接试验作业指导书.docx_第3页
第3页 / 共3页
亲,该文档总共3页,全部预览完了,如果喜欢就下载吧!
资源描述

《接地装置交接试验作业指导书.docx》由会员分享,可在线阅读,更多相关《接地装置交接试验作业指导书.docx(3页珍藏版)》请在第壹文秘上搜索。

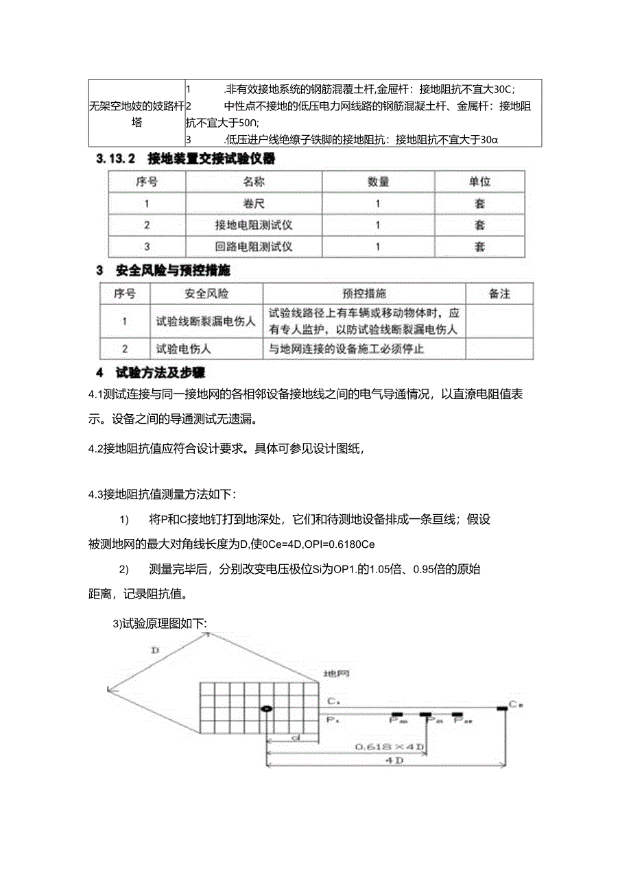
1、接地装置交接试验作业指导书1电气设备和防雷设线的接地装置的试3项目1.1接地网电气完整性流试;接地网电气之间的直流电阻值不应大于02Q接地阻抗值参见下表:接地网类型要求有效接地电阻Z2O00或Z0.54000A式中:卜经接地装汽流入地中的短路电波(八)Z-考虑季节变化的以大接地电阻()注:当接地阻抗不符合以上要求时.可通过技术经济比较增大接地阻抗.但不得大5C.同时应结合地面电位测Ift对接地笠温综合分析.为防止转移电位引起的危古,应采取隔岗措施非有效接地系统1 .当接地网与IKV及以下电压等级设备共用接地时,接地阻抗z120/12 .当接地M仅用于IKV以上设备时.接地阻抗Z=52501.3

2、,上述两种情况E按地阻抗一般不得大于Ioa1KV以下电力设备使用同一接地装置的所有这类电力设备,当总容3100KVA时,接地阻抗不宜大于4C;如总容2000Gm时,接地阻抗30a;与架空线宜接连接的旋转电机进线段上避雷器接地阻抗不宜大于3无架空地妓的妓路杆塔1 .非有效接地系统的钢筋混覆土杆,金屉杆:接地阻抗不宜大30C;2 中性点不接地的低压电力网线路的钢筋混凝土杆、金属杆:接地阻抗不宜大于50;3 .低压进户线绝缭子铁脚的接地阻抗:接地阻抗不宜大于304.1测试连接与同一接地网的各相邻设备接地线之间的电气导通情况,以直潦电阻值表示。设备之间的导通测试无遗漏。4.2接地阻抗值应符合设计要求。具体可参见设计图纸,4.3接地阻抗值测量方法如下:1) 将P和C接地钉打到地深处,它们和待测地设备排成一条亘线;假设被测地网的最大对角线长度为D,使0Ce=4D,OPI=0.6180Ce2) 测量完毕后,分别改变电压极位Si为OP1.的1.05倍、0.95倍的原始距离,记录阻抗值。3)试验原理图如下:

展开阅读全文
相关资源
猜你喜欢
相关搜索

当前位置:首页 > 行业资料 > 国内外标准规范

copyright@ 2008-2023 1wenmi网站版权所有

经营许可证编号:宁ICP备2022001189号-1

本站为文档C2C交易模式,即用户上传的文档直接被用户下载,本站只是中间服务平台,本站所有文档下载所得的收益归上传人(含作者)所有。第壹文秘仅提供信息存储空间,仅对用户上传内容的表现方式做保护处理,对上载内容本身不做任何修改或编辑。若文档所含内容侵犯了您的版权或隐私,请立即通知第壹文秘网,我们立即给予删除!