石坝土质防渗体接缝处理工序质量评定表.docx

上传人:p** 文档编号:1123603 上传时间:2024-08-04 格式:DOCX 页数:2 大小:12.09KB
下载 相关 举报
石坝土质防渗体接缝处理工序质量评定表.docx_第1页
第1页 / 共2页
石坝土质防渗体接缝处理工序质量评定表.docx_第2页
第2页 / 共2页
亲,该文档总共2页,全部预览完了,如果喜欢就下载吧!
资源描述

《石坝土质防渗体接缝处理工序质量评定表.docx》由会员分享,可在线阅读,更多相关《石坝土质防渗体接缝处理工序质量评定表.docx(2页珍藏版)》请在第壹文秘上搜索。

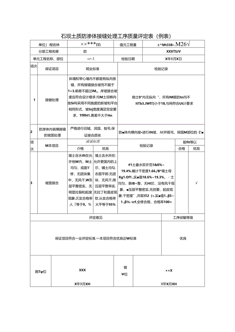
1、石坝土质防渗体接缝处理工序质量评定表(例表)单位:程名林*m值元工程量Mt338,.M26分部工程名移防XXXTSJV单元工程名称、部位3.痢差不超过IM,。岸坡接合坡度应符合设计嘤求.均M土坝蝌向按Si吨采用不同施度的新坡和平台相同形式,坡Iirj宽度满足您定要求,TfffH1.离差不大于Hn皓士0*内无纵向“,所有IM捱的tn均不ItTb3.JWf均小于18,与网符合Ut计要求2防渗体内飒横接缝的坡面处理严格进行旧城、润湿、刨毛.保证接合质依防体内横向接进行IN坡、M,并假毛,保国M部位的!项次M本项目诚诚标准检验记录般fit等以介格优良合格优艮3坡面接合填士含水Ift在允许他W内,M土均

2、匀,或面1修,无团块集中,无风干,W东层平整密实,无明显拉裂和起废现象.仄实合格率人等于9。%填土含水所在:允许更国内的上尔,铺土均勾.衣面平郎.无团块、无风干,微压层平赘率实.无拉丁和是皮现软.从实合格率火平等于95%#1土畲水欢许范1&0%19.4%.幢计千密度1.66./B*填土母Kg1.Of1.实值18.6%19.3%,士均匀,表IB+整,无HI於、没有风干现象,压层平整密实.无技要、起皮现象.干密度”,共取样2(.实值1.51.crf,全修合格,合格率100评定意见工序侦敏等级保证项目符合一业评定标准.一本项目符含优良近W标准优良施T位XXXX年X月XH臂位XX年X月XH填表说明填表时必须遵守“填表基本现定”.并符合以下要求.1;头单位工程、分剖工程单元工程及施工单位按照表7.2填写.2 .单元工程量:先填单元工程【匕再埴本工序接缝处理工程年(m).3 .基本项目坡面结合栏的“检脸记录”须埴写规定的填上含水率及干密度设计(S,并用u()”标明.4 .填十.含水率及干密度检测数J1.b每10廷米取试样一个:如一层达不到20个试样,可多层累枳统计合格率;但每层不得少于3个试样。5,工序质地标准。合格:保证项目符合相附的防fit评定标准:基本项目符合相板的合格质量标准.优良:保证项目符合相应的质质标准评定标准:基本项目符合优良的质嫉标准.

展开阅读全文
相关资源
猜你喜欢
相关搜索

当前位置:首页 > 论文 > 毕业论文

copyright@ 2008-2023 1wenmi网站版权所有

经营许可证编号:宁ICP备2022001189号-1

本站为文档C2C交易模式,即用户上传的文档直接被用户下载,本站只是中间服务平台,本站所有文档下载所得的收益归上传人(含作者)所有。第壹文秘仅提供信息存储空间,仅对用户上传内容的表现方式做保护处理,对上载内容本身不做任何修改或编辑。若文档所含内容侵犯了您的版权或隐私,请立即通知第壹文秘网,我们立即给予删除!