防爆井侧壁计算.docx

上传人:p** 文档编号:1124300 上传时间:2024-08-04 格式:DOCX 页数:2 大小:24.03KB
下载 相关 举报
防爆井侧壁计算.docx_第1页
第1页 / 共2页
防爆井侧壁计算.docx_第2页
第2页 / 共2页
亲,该文档总共2页,全部预览完了,如果喜欢就下载吧!
资源描述

《防爆井侧壁计算.docx》由会员分享,可在线阅读,更多相关《防爆井侧壁计算.docx(2页珍藏版)》请在第壹文秘上搜索。

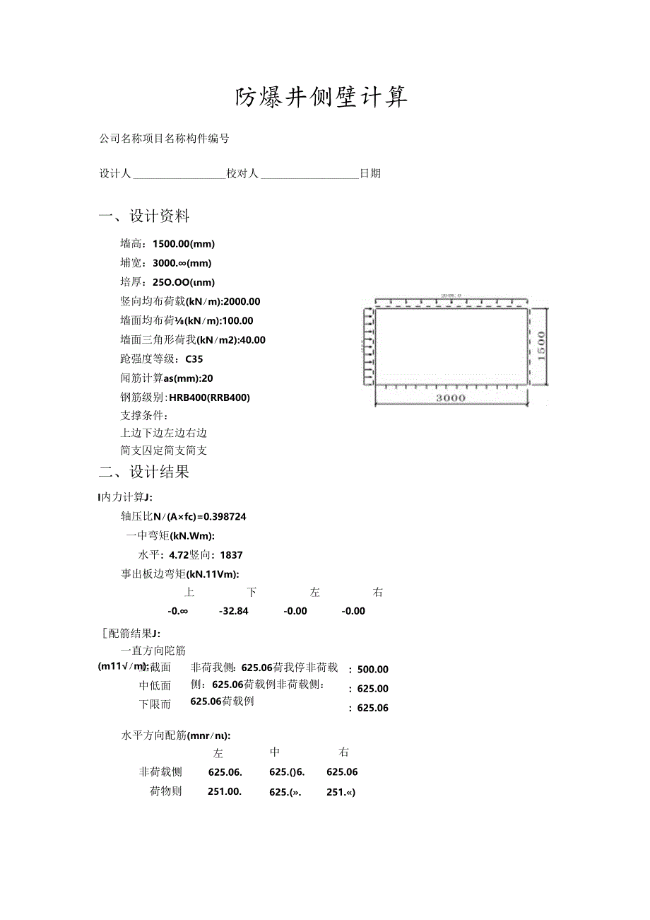
防爆井侧壁计算公司名称项目名称构件编号设计人校对人日期一、设计资料墙高:1500.00(mm)埔宽:3000.(mm)培厚:25O.OO(nm)竖向均布荷载(kNm):2000.00墙面均布荷(kNm):100.00墙面三角形荷我(kNm2):40.00跄强度等级:C35闻筋计算as(mm):20钢筋级别:HRB400(RRB400)支撑条件:上边下边左边右边简支囚定简支简支二、设计结果I内力计算J:轴压比N(Afc)=0.398724一中弯矩(kN.Wm):水平:4.72竖向:1837事出板边弯矩(kN.11Vm):上下左右-0.-32.84-0.00-0.00配箭结果J:一直方向陀筋(m11m):上截面中低面下限而非荷我侧:625.06荷我停非荷载侧:625.06荷载例非荷载侧:625.06荷载例:500.00:625.00:625.06水平方向配筋(mnrn):左非荷载恻625.06.荷物则251.00.中625.()6.625.(.右625.06251.)门Tm门j

展开阅读全文
相关资源
猜你喜欢
相关搜索

当前位置:首页 > 行业资料 > 矿业工程

copyright@ 2008-2023 1wenmi网站版权所有

经营许可证编号:宁ICP备2022001189号-1

本站为文档C2C交易模式,即用户上传的文档直接被用户下载,本站只是中间服务平台,本站所有文档下载所得的收益归上传人(含作者)所有。第壹文秘仅提供信息存储空间,仅对用户上传内容的表现方式做保护处理,对上载内容本身不做任何修改或编辑。若文档所含内容侵犯了您的版权或隐私,请立即通知第壹文秘网,我们立即给予删除!