1、右幅1#桥墩挡块砼验收记录.docx

上传人:p** 文档编号:1178173 上传时间:2024-09-20 格式:DOCX 页数:2 大小:33.69KB
下载 相关 举报
1、右幅1#桥墩挡块砼验收记录.docx_第1页
第1页 / 共2页
1、右幅1#桥墩挡块砼验收记录.docx_第2页
第2页 / 共2页
亲,该文档总共2页,全部预览完了,如果喜欢就下载吧!
资源描述

《1、右幅1#桥墩挡块砼验收记录.docx》由会员分享,可在线阅读,更多相关《1、右幅1#桥墩挡块砼验收记录.docx(2页珍藏版)》请在第壹文秘上搜索。

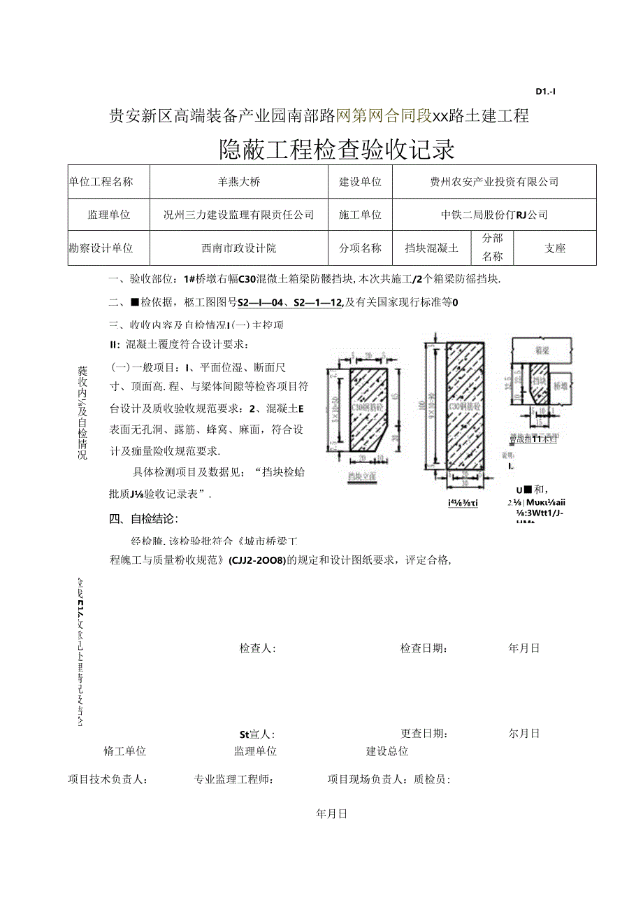
1、监-4挡块混凝土一报验申请表工程名称:贵安新区高端装备产业园南部路网第四合同段XX路编I号:致:货州:力建设监理有限贡任公司我单位己完成空海工程新大桥#;箱梁防Ji挡块工迎温凝土作,现报h该工程报验申i?f表,请予以审核和购收。附件:1.隐蔽工程检查验收记录(DI-I)2,挡块混凝土检验批质量验收记录(G2-168)3、水准点复测记录(C02)4、施工放样测量记录表(Co3)5、水泥混凝上浇注记录(D2-2)6、混凝土抗压强度试验报告承包船位()项目经理H期审态意见:项目监理机构(量J总/专业监埋工程师0期D1.-I贵安新区高端装备产业园南部路网第网合同段XX路土建工程隐蔽工程检查验收记录单位

2、工程名称羊燕大桥建设单位费州农安产业投资有限公司监理单位况州三力建设监理有限贡任公司施工单位中铁二局股份仃RJ公司勘察设计单位西南市政设计院分项名称挡块混凝土分部名称支座一、验收部位:1#桥墩右幅C30混微土箱梁防髅挡块,本次共施工/2个箱梁防徭挡块.二、检依据,柩工图图号S2I04、S2112,及有关国家现行标准等0三、收收内容及自检情况I(一)主控项蕤收内及自检情况II:混凝土覆度符合设计要求:(一)一般项目:I、平面位湿、断面尺寸、顶面高.程、与梁体间隙等检咨项目符台设计及质收验收规范要求:2、混凝土E表面无孔洞、露筋、蜂窝、麻面,符合设计及痂量险收规范要求.具体检测项目及数据见;“挡块检蛤批质J验收记录表”.曾战指11本归田i4ifI.U和,2.Maii:3Wtt1/J-HMt.四、自检结论:经检腌,该检验批符合城市桥梁工程魄工与质量粉收规范(CJJ2-2OO8)的规定和设计图纸要求,评定合格,检找5收意见处理情况及结论检查人:检查日期:年月日St宣人:更查日期:尔月日脩工单位监理单位建设总位项目技术负责人:专业监理工程师:项目现场负责人:质检员:年月日

展开阅读全文
相关资源
猜你喜欢
相关搜索

当前位置:首页 > 建筑/环境 > 公路与桥梁

copyright@ 2008-2023 1wenmi网站版权所有

经营许可证编号:宁ICP备2022001189号-1

本站为文档C2C交易模式,即用户上传的文档直接被用户下载,本站只是中间服务平台,本站所有文档下载所得的收益归上传人(含作者)所有。第壹文秘仅提供信息存储空间,仅对用户上传内容的表现方式做保护处理,对上载内容本身不做任何修改或编辑。若文档所含内容侵犯了您的版权或隐私,请立即通知第壹文秘网,我们立即给予删除!