2024年山东省职业技能等级认定试卷 真题 智能楼宇管理员三级_技能__考场准备.docx

上传人:p** 文档编号:1178369 上传时间:2024-09-20 格式:DOCX 页数:5 大小:49.12KB
下载 相关 举报
2024年山东省职业技能等级认定试卷 真题 智能楼宇管理员三级_技能__考场准备.docx_第1页
第1页 / 共5页
2024年山东省职业技能等级认定试卷 真题 智能楼宇管理员三级_技能__考场准备.docx_第2页
第2页 / 共5页
2024年山东省职业技能等级认定试卷 真题 智能楼宇管理员三级_技能__考场准备.docx_第3页
第3页 / 共5页
2024年山东省职业技能等级认定试卷 真题 智能楼宇管理员三级_技能__考场准备.docx_第4页
第4页 / 共5页
2024年山东省职业技能等级认定试卷 真题 智能楼宇管理员三级_技能__考场准备.docx_第5页
第5页 / 共5页
亲,该文档总共5页,全部预览完了,如果喜欢就下载吧!
资源描述

《2024年山东省职业技能等级认定试卷 真题 智能楼宇管理员三级_技能__考场准备.docx》由会员分享,可在线阅读,更多相关《2024年山东省职业技能等级认定试卷 真题 智能楼宇管理员三级_技能__考场准备.docx(5页珍藏版)》请在第壹文秘上搜索。

1、2024年山东省职业技能等级认定试卷智能楼宇管理员技能等级认定三级技能考核试卷准备通知单(考场)03试1、以太网交换机配与管理题分位:30分考核时间:Main考核形式:实操设备设施准希:序号名量号与战格9备注1计算机自定台2便装操作系统2以太IH支换机自定台I支持TB配置3Conso1.eft!HRS232转RJI5根1IM终跳戏ITP-5E根25的易网络测试仪门定台I6坦级终助软件HyperIenuina1.ft1操作系统自滞谈软件时无需根供7弱电系统安装通用工具方用衣,爆灯族R(宇影和十字形)、懦卷尺、斜IItU.人形祐等套I说明:在实能考核时,答场还感准品COnSaIerI配置我、网络/

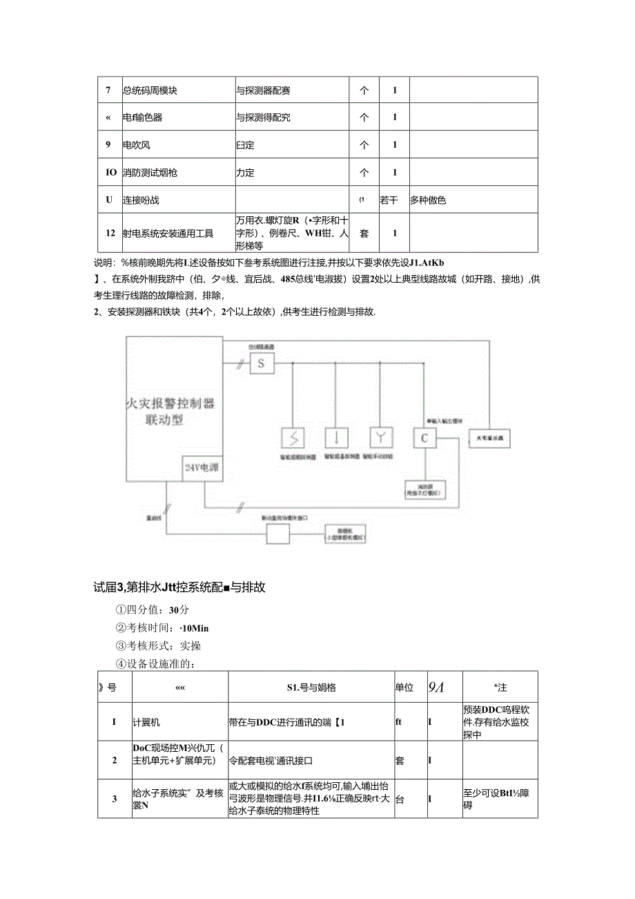
2、我若干爸用,试JH2、火灾自动报警统故障排除感分(ft:10分考核时间:20Bin考核形式:实操设备设施准备:砂3!号与簿格单位ft*注火灾报警控制)8联动型总规制812智能密温探测器电子惊码51个13智能事烟探观戕电子痂码型个II钾能了动报警棺钮电子循码型个I5俄输入输出模块电子物码少个26火灾显示盘蝴5总线接口个I7总统码周模块与探测器配赛个1电f输色器与探测得配究个19电吹风臼定个1IO消防测试烟枪力定个1U连接吩战(1若干多种傲色12射电系统安装通用工具万用衣.螺灯旋R(字形和十字形)、例卷尺、WH钳、人形梯等套1说明:%核前晚期先将I.述设备按如下叁考系统图进行注接,并按以下要求依先

3、设J1.AtKb】、在系统外制我跻中(伯、夕线、宜后战、485总线电淑拔)设置2处以上典型线路故城(如开路、接地),供考生理行线路的故障检测,排除,2、安装探测器和铁块(共4个,2个以上故依),供考生进行检测与排故.试届3,第排水Jtt控系统配与排故四分值:30分考核时间:10Min考核形式:实操设备设施准的:号S1.号与娟格单位9*注I计翼机带在与DDC进行通讯的端【1ftI预装DDC呜程软件.存有给水监校探中2DoC现场控M兴仇兀(主机单元+犷展单元)令配套电视通讯接口套I3给水子系统实”及考核裳N或大或模拟的给水f系统均可,输入埔出怡弓波形是物理信号.井I1.6正确反映rt大给水子泰统的

4、物理特性台I至少可设BtI障碍I通讯透配器含配氏电源氏I5通讯电戊B1.根I6连接球线根若干7瑞f接线图与给水子系统实训及考核日就配套光I8弱电系统安装药用工H万用衣憔灯货共(一字形W1.字形)、阚卷尺、料口钳、人形梯等套I说明:】、考的谓将按以下的水蚯控系统理理图及控制要求写、调试好IMC程序,并疗放于计算机;2、考评员在在:4个故障点中任选3个故国点对考生进行考粮.3、霜提供湍子接线图给考生.监控要求:1 .两泵正常时,优先使用1号泵,当1号泵故同时自动切换到2号令:2 .水泵只停控制:水位低于满讨程的20%启动水系,水位高于湎出程的80%停止水系;3 .水泵手动自动、运行、故障状态腌制:

5、4 .手动状态下.操作“运行”和“停止”按钮可只动或停止水泵:5 .自动状态下,水泵的启停由DDC控制器输出信号控制。W4视4(监控系统配星与排故题分值:20分考核时间:30in考核形式:实操设备设施准备:序号名31号切K格单位*注1彩色总机器1-1英寸以上台1CIM和泄AA都可以2民盆狼愎机支持各2路以上掖警输入、输出支持网络W加接入支持)个以上10/100/100OMbpsRJ45自适应以太网支押4珞以上BNC视蜿输入支持IPv4支游即时网放功能,在Ja宽间面下网放指定通道的狼像frI3球5?网络摄像机台I带电观比配SB或PoE供电1枪型络摄像机一体化云t枪机台1偌电观地IV器或POE供电

6、5交换机支持4个以上10/100/1(XKMbPSRJ45自适应以太网台16紧一按急个17声光楸警器个IB双蛟找跳税1.7P-5E根若干9视频统VGA或HDMI投110羽电系统安装通用工具方用表.螺仃加具(一字形和十字形)、钢卷尺、MDtt.人形梯等&1说明,号前预先将上述设备按以下参考东统图进行连接.时设的进行必要的设贸。调试.根据对评员要求设置两处以上故外.试题6、会议系及配量与排故超分便:10分考核时间:20in考核形式:实操设备设施准需;*#名9(号与熄格单位ft*务注1公议泰统主机M络型812蒲清机i终坳M终高沛个I3音籁输入终坳个I可为发克14或裕科拓1*嫉输出终端个I可为扬即器SF持终案个1可为手机6任清多媒体显示器个I7连接耳找11若干多种凝色8弱电系统安芸通用工旦力用表.螺灯板具(字形和十字形)、钢卷尺、Q1人形怫等ft1说明:号的预光将上述设备按以下参专系统图进行连接对设备进行必要的设置与调试根掀电评协要求设W网处以上故獐.AMtan

展开阅读全文
相关资源
猜你喜欢
相关搜索

当前位置:首页 > 办公文档 > 事务文书

copyright@ 2008-2023 1wenmi网站版权所有

经营许可证编号:宁ICP备2022001189号-1

本站为文档C2C交易模式,即用户上传的文档直接被用户下载,本站只是中间服务平台,本站所有文档下载所得的收益归上传人(含作者)所有。第壹文秘仅提供信息存储空间,仅对用户上传内容的表现方式做保护处理,对上载内容本身不做任何修改或编辑。若文档所含内容侵犯了您的版权或隐私,请立即通知第壹文秘网,我们立即给予删除!