勘察设计清单 - 下穿xg.docx

上传人:p** 文档编号:1180596 上传时间:2024-09-20 格式:DOCX 页数:4 大小:14.57KB
下载 相关 举报
勘察设计清单 - 下穿xg.docx_第1页
第1页 / 共4页
勘察设计清单 - 下穿xg.docx_第2页
第2页 / 共4页
勘察设计清单 - 下穿xg.docx_第3页
第3页 / 共4页
勘察设计清单 - 下穿xg.docx_第4页
第4页 / 共4页
亲,该文档总共4页,全部预览完了,如果喜欢就下载吧!
资源描述

《勘察设计清单 - 下穿xg.docx》由会员分享,可在线阅读,更多相关《勘察设计清单 - 下穿xg.docx(4页珍藏版)》请在第壹文秘上搜索。

1、工点名称:项目阶段方案设计专业桥梁编号项目琬认1输入贵料1.1外业调查成果文件(含交叉位置侏路名称,两侧车站名称,里程桩号KXX+XXX)1.2地形测量资料(标注必要的汉字名称)1.3地质初勘资料(特别注意地下水位、不良地质)1.4道路平、姒、横设计及相关资料说明1.5道路排水平面及及相关资料说明1.6铁路规划函文件1.7事前指导1.8计划作业表1.9方案咨询、安评等文件2输出费科2.1方案划文件2.2方案设计贯标文件2.3满足蝠制深度的方案设计文件注:1.可1告合自揽涉铁项目各工点实际情况,自行调整表格内容。2.上述表中逐项检查,经自检后打J确认。工点名称:项目阶段方案设计专业桥梁编号项目确

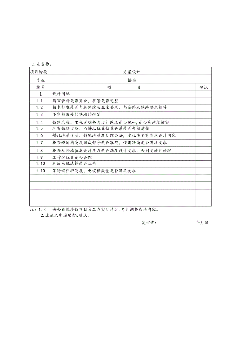
2、认1设计图纸1.1送审资料是否齐全,签署是否完整1.2技术标准是否与总体院及业主要求、与公路及铁路要求相符1.3下穿框架处的铁路的规划1.4铁路名称、里程说明书与设计图纸是否统一,是否有站段核实1.5既有铁路设备、与桥址位置位置关系是否介绍清镇1.6矫址地质说明、特殊地质及处理办法,水位浅要有降水设计内容1.7框架矫绪构高度组成部分是否准确,使用净高是否满足要求1.8框架及挡墙基底设计应力是否满足设计要求,否则要进行处理1.9工作炕位置是否合理1.10加固系统选择是否正确1.10不锈钢栏杆高度、电缆槽数量是否满足要求注:1.可告合自揽涉铁项目各工点实际情况,自行调整表格内容。2.上述表中逐项打

3、J确认。复核者:年月日附件1工点名称:项目阶段施工图设计专业桥梁编号项目确认1输入贵料1.1上阶段方案设计文件1.2上阶段批复意见1.3施工图详勘1.4事前指导1.5计划作业表1.6施工图咨询、安评(如有)文件2输出费料2.1施工图设计策划文件2.2施工图贯标文件2.3满足煽制深度的、有关人员签字施工图设计文件2.4全套有关人员签字的施工图计算书注:1.可4方合自揽涉铁项目各工点实际情况,自行调整表格内容.2.上述表中逐项检查,经自检后打J确认.项目阶段施工图设计专业桥梁编号项目确认1总体及说明1.1送审资料是否齐全,签署是否完整1.2设计内容是否缺项,设计说明部分是否完整1.3设计说明中工程

4、地质、承战力、地下水、环境作用等级等描述是否与地勘报告相一致1.4上阶段审查意见执行情况1.5核实危大工程、路基支挡防护及沉降监测、无绫线路应力放散和大型机械作业方案、风险分析及应急预案是否纳入设计文件。2图纸2.1平面图坐标及高程系统是否统一,铁路既有设施是否标识清楚2.2核实地基地基承战力是否满足要求;地基处理方式是否合理2.3核实降水、止水措施是否满足工程要求2.4核实挡墙形式(U型槽)的选择是否合理2.5核实设计内容是否满足国铁集团48号文及182号文要求3计算书3.1框架桥基底应力计算3.2刃角悬臂计算3.3挡墙、U型槽是否与图纸结构一致计算3.4深基坑(防护桩、后背桩)、三桩体系桩基计算书,核实参数输入是否准确,后背桩是否计算施加顶力工况,计算内容是否完整3.5地基处理及降水计算3.6工作竖井及接收计算、开洞计算注:I.可皓合自揽涉铁项目各工点实际情况,自行调整表格内容。工点名称:2.上述表中逐项打J确认。复核者:年月日

展开阅读全文
相关资源
猜你喜欢
相关搜索

当前位置:首页 > 高等教育 > 理学

copyright@ 2008-2023 1wenmi网站版权所有

经营许可证编号:宁ICP备2022001189号-1

本站为文档C2C交易模式,即用户上传的文档直接被用户下载,本站只是中间服务平台,本站所有文档下载所得的收益归上传人(含作者)所有。第壹文秘仅提供信息存储空间,仅对用户上传内容的表现方式做保护处理,对上载内容本身不做任何修改或编辑。若文档所含内容侵犯了您的版权或隐私,请立即通知第壹文秘网,我们立即给予删除!