夜间作业许可证.docx

上传人:p** 文档编号:1182436 上传时间:2024-09-20 格式:DOCX 页数:1 大小:9.95KB
下载 相关 举报
夜间作业许可证.docx_第1页
第1页 / 共1页
亲,该文档总共1页,全部预览完了,如果喜欢就下载吧!
资源描述

《夜间作业许可证.docx》由会员分享,可在线阅读,更多相关《夜间作业许可证.docx(1页珍藏版)》请在第壹文秘上搜索。

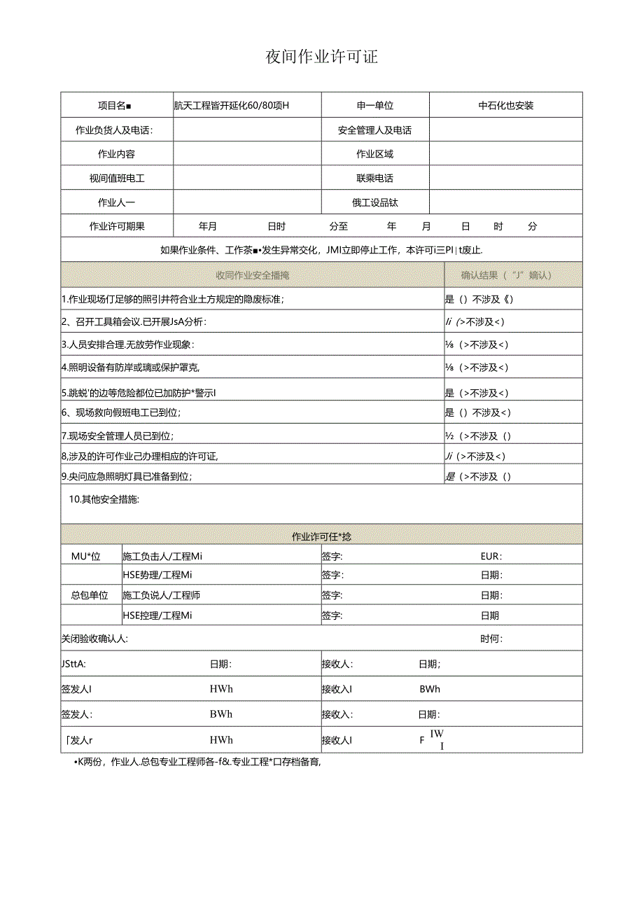
夜间作业许可证项目名肮天工程皆开延化60/80项H申一单位中石化也安装作业负货人及电话:安全管理人及电话作业内容作业区域视间值班电工联乘电话作业人一俄工设品钛作业许可期果年月日时分至年月日时分如果作业条件、工作茶发生异常交化,JMI立即停止工作,本许可i三PIt废止.收同作业安全播掩确认结果(“J”嫡认)1.作业现场仃足够的照引井符合业土方规定的隐废标准;是()不涉及)2、召开工具箱会议.已开展JsA分析:Ii(不涉及不涉及不涉及不涉及)6、现场救向假班电工已到位;是()不涉及不涉及()8,涉及的许可作业己办理相应的许可证,Ji(不涉及不涉及()10.其他安全措施:作业诈可任*捻MU*位施工负击人/工程Mi签字:EUR:HSE势理/工程Mi签字:日期:总包单位施工负说人/工程师签字:日期:HSE控理/工程Mi签字:日期关闭验收确认人:时何:JSttA:日期:接收人:日期;签发人IHWh接收入IBWh签发人:BWh接收入:日期:发人rHWh接收人IFIWIK两份,作业人.总包专业工程师各-f&.专业工程*口存档备育,

展开阅读全文
相关资源
猜你喜欢
相关搜索

当前位置:首页 > 幼儿/小学教育 > 幼儿教育

copyright@ 2008-2023 1wenmi网站版权所有

经营许可证编号:宁ICP备2022001189号-1

本站为文档C2C交易模式,即用户上传的文档直接被用户下载,本站只是中间服务平台,本站所有文档下载所得的收益归上传人(含作者)所有。第壹文秘仅提供信息存储空间,仅对用户上传内容的表现方式做保护处理,对上载内容本身不做任何修改或编辑。若文档所含内容侵犯了您的版权或隐私,请立即通知第壹文秘网,我们立即给予删除!