某智慧大厦工程砖胎膜吊模施工方案终.docx

上传人:p** 文档编号:1183323 上传时间:2024-09-20 格式:DOCX 页数:11 大小:108.81KB
下载 相关 举报
某智慧大厦工程砖胎膜吊模施工方案终.docx_第1页
第1页 / 共11页
某智慧大厦工程砖胎膜吊模施工方案终.docx_第2页
第2页 / 共11页
某智慧大厦工程砖胎膜吊模施工方案终.docx_第3页
第3页 / 共11页
某智慧大厦工程砖胎膜吊模施工方案终.docx_第4页
第4页 / 共11页
某智慧大厦工程砖胎膜吊模施工方案终.docx_第5页
第5页 / 共11页
某智慧大厦工程砖胎膜吊模施工方案终.docx_第6页
第6页 / 共11页
某智慧大厦工程砖胎膜吊模施工方案终.docx_第7页
第7页 / 共11页
某智慧大厦工程砖胎膜吊模施工方案终.docx_第8页
第8页 / 共11页
某智慧大厦工程砖胎膜吊模施工方案终.docx_第9页
第9页 / 共11页
某智慧大厦工程砖胎膜吊模施工方案终.docx_第10页
第10页 / 共11页
亲,该文档总共11页,到这儿已超出免费预览范围,如果喜欢就下载吧!
资源描述

《某智慧大厦工程砖胎膜吊模施工方案终.docx》由会员分享,可在线阅读,更多相关《某智慧大厦工程砖胎膜吊模施工方案终.docx(11页珍藏版)》请在第壹文秘上搜索。

1、某智慧大厦AB座工程吊模、砖胎模施工方案编制人:审核人:审批人:日期:XXX集团有限公司目录第1章编制依据I笫2章工程概况I2.1 工程总体概况I2.2 分项工程概况I第3章吊模施工23.1 施工准备23.1.1 技术准备23.1.2 材料准符23.1.3 劳动力准备33.2 施工方法33.2.1 施工流程33.2.2 质员技术要求5第4章砖胎膜施工64.1 施工准备64.1.1 技术准符64.1.2 材料准备64.1.3 劳动力准备64.2 底板四周砖胎膜施工64.3 施工方法74.3.1 施工流程74.3.2 施工方法84.4 质量技术要求8笫5章安全文明施工95.1 安全生产组织管理措施

2、95.2 安全生产措施95.2.1 安全技术措施95.2.2 施工机械使用安全95.2.3 安全用电95.2.4 安全标志和安全防护95.2.5 夜间施工措施10第1章编制依据某智钻大限36地块A.B座地卜室及上部主体工程施工图纸:建设工程安全生产管理条例国务院令第393号:学建设工程质量管理条例国务院令第279号;工程建筑标准强制性条文建设部建标2OO2219号文:建筑施工模板安全技术规范JGJI62-2(X)8:砌体结构设计规位GB5OOO3-2OII6砌体工程施工质量及验收规范GB50203-2011其他与本工程有关的现行工程技术、质量评定标准,施工及验收标准及规范.第2章工程概况2.1

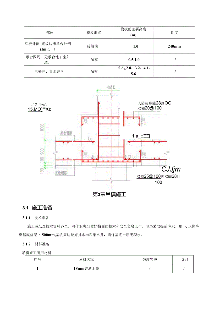
3、 工程总体概况本工程为办公、商业用建筑,位于XXX市XXX区XXX大道旁,36#地块占地面枳25946平方米,由总高度128.2m的A座塔楼及总高度144.2m的B座塔楼及30.3m裙房组成,A座塔楼地下2层,地上30层,B座塔楼地下2层,地上M层,总建筑面积约201477mA.B座塔楼以办公为主,褶楼I至5层为商业综合体,地上建筑面积155462nV.地卜建筑面枳460152.2 分项工程概况本工程主楼基础采用筏板基础,裙楼基础采用桩基+防水板,底板厚Io(X)mm,E塔楼(E-2-E-IO轴线交E-IZOA-E-G%线)区域底板厚35OOmm,F塔楼(F-9F-I4轴线交F-IZD-F-H

4、轴线)区域底板厚3200mm,承台面高于底板上衣面,部分地卜室外墙设立扶壁柱,电梯基坑、集水坑等结构地下室底板发生降板,塔楼电梯坑底标高6200m,低区电梯井坑底标高-15.300m,集水井坑底标i根据其深度标高不一,分别有-17.700m、“3.700m、-12.300m、-8.5()On1.部位模板形式模板的主要高度(m)期度底板外侧.底板边缘承台外例(Im以下)砖船模1.0240mm承台四周、无承台地下室外墙、吊模0.5.1.0/电梯井、集水井内吊模0.6%2.0、3.2、4.1、5.6/-12.1(-15.MO)Xz1.a_j人防范瞅随28到OO双翎20100CJJjm双领25100国

5、双蝴28回100第3章吊模施工3.1 施工准备3.1.1 技术准备施工图纸及技术资料齐全,对作业班组做好拈面的技术和安全交底工作。现场采取提前降水,地卜.水位降至基底垫层卜500mm,基坑周边挖好排水沟和集水井,确保基底土层无积水。3.1.2 材料准备吊模施工所用材料序号材料名称强度等级备注I18mm普通木模/2钢筋HRB4(X)/3.13劳动力准备吊模施工劳动力序号工种计划人数IMf1.tx82钢筋工153焊工154木工30合计68注:吊模劳动力根据两个施工区域同时施工配置3.2 施工方法3.2.1 施工流程1)承台施工流程:承台、基坑测量放线T垫层碎浇筑底板、承台钢筋绑扎承台边缘模板安装及

6、斜撑施工T后续工序2)电梯井、集水井施工流程:定位放线T垫层舱浇筑一底板、承台钢筋绑扎-深坑木模安装及支撑施工一后续工序3.2.1.1 施工方法(1)基坑底磴举层浇筑完毕后,安装底板及承台钢筋,底板上部钢筋安装完成后在指定位宜焊接“土”字形支架;(2)在承台边安装18mm厚普通木模,模板底部搁置于“十.”字形支架上,上边缘用钢管及木柿支撑固定,钢管底端焊接在“土”字形支架上形成30支掾,卜边缘用钢管焊接在“土”字形支架上支护。3)电梯井、集水井模板采用18mm普通木模,水平模板支设时在其下面安装一个钢筋支架,用于支掾水平模板和竖向模板,钢筋采用25mm三级钢,水平两个方向钢筋间距均为600mm

7、,竖向模板采用十字交叉对撑,水平两个方向间距6(X)mm.竖向间距800mm.(4)、在已经安装、定位好的电梯井、集水井模板上部横向设间距30Omm的钢管,并在钢管上部压沙袋,以控制电梯井、集水井模板上浮现象,如卜图所示。50x100*#m48.3x3.6*600电梯井、集水井示意图348.3x3.6阚帼600mm,ffiSS00mm电梯井、集水井上部沙袋重压图。3.2.2质量技术要求(1)支架制作时,支架规格及焊缝尺寸应该满足要求,焊缝焊接牢固,防止承台混凝土浇筑时模板倾斜。(2)承台边?象侧模安装时,模板底部应搁置在“土”字形支架上杆,避免直接搁置在底板面筋及支架下杆上。(3)模板支捽时,

8、支撑角度控制在30左右。允许偏差项目参见下表项目允许假船(mm)检查方法轴线位移3尺At底横上表面标高3水准仪或拉线尺量截面模内尺寸基础5尺值柱,搞、梁3层高班宜度3吊线、尺量表面平整度2靠尺和塞尺相铝两板衣面高低差2Yy阴阳角方正2方尺、塞尺IIfifI2工,:第4章砖胎模施工4.1 施工准备4.1.1 技术准备施工图纸及技术资料齐全,对作业班组做好书面的技术和安全交底工作。现场采用深井提前降水,地下水位降至基底垫层下500mm,基坑周边挖好排水沟和集水井,确保基底土层无枳水。4.1.2 材料准备破胎模砌筑所用材料如下表序号材料名称强攻等级备注I灰砂砖MU7.5/2砌筑及抹灰砂架1:2水泥眇

9、浆/4.1.3 劳动力准备砖胎膜施工劳动力序号工种计划人数I测量:工82砌筑工303普工45合计834.2 底板四周破胎膜施工底板四周外墙施工时,按规位要求,外堵水平施工缝留设在底板面以上50Omm处,地下室底板四周砖胎模砌Io(X)mm高,施工缱以下的外堵号虑采用吊模形式,由于四周外墙长度长.考虑安全因素,破胎膜墙厚240mm,采用MU75灰砂砖1:2水泥砂浆砌筑、抹面,每隔2.5米设一附增柱,附塔柱尺寸为37Omm宽,49Omm厚。礴胎模的内恻和顶面抹1:2水泥砂浆并压光,待胎模内墙抹灰干燥后,进行防水层施工、防水保护层施工,然后再进行钢筋绑扎,如下图:地下室外墙无承介施工示意图m*100

10、OIW100mi1.iaom83S*16t地卜室外墙有承台施工不意图4.3 施工方法4.3.1 施工流程T后续工序承台、施坑测量放线垫层能浇筑T砌体砌筑T砖胎抹灰4.3.2 H工方法(1)基坑底碎垫层浇筑完毕后,用全站仪在垫层上打出基坑边线的角点,拉线砌筑。砌筑到一定高度后,用水准仪统一在瞄胎模标记500线来控制标高。(2)砖砌筑前须浇水,对砖进行充分的涧湿。砌筑时要保丽砌体的平整度与垂直度,确保承台的裁面尺寸.(3)砂浆采用PO32.5普通硅酸盐水泥,砂采用河砂。(4)砖胎模砌筑好后,在内侧、顶面抹20厚1:2水泥砂浆找平,同时阴阳角做成网弧形。(5)砖胎模达到强度后,才能进行科胎模与原状土

11、之间的间隙回填,防止土的侧压力将砖胎模推倒。4.4版量技术要求(I)砌筑前,法应提前12天浇水湿润。(2)砖基础砌筑前,基础垫层表面应清扫干净,洒水湿涧。(3)砌筑砂浆为M7.5水泥砂浆,应按照配合比配制。(4)得胎模里外咬槎,上下层钻缝,采用“三一”砌描法(即一铲灰,一块砖,一挤揉),严禁用水冲砂浆灌缝的方法。(5)砌破工程采用铺浆法砌筑时,铺浆长度不得超过750mm,施工期间气温超过3(C时,铺浆长度不得超过500mm。(6)砂浆应随拌随用,水泥砂浆应在3小时内使用完成,施工期间气温超过30C时,水泥砂浆应在2小时内使用完成。(7)严格进行质量控制。表面平整度不大于511三,截面内部尺寸不

12、超过IOm,轴线位设不大于511m、标高不超过5mm.(8)盘角:砌砖前应先盘角,每次盘角不要超过五层。(9)砖胎模施工完成后,要进行成品保护,尤其是阳明珀不得碰坏。(IO)土方回填时要保障砖模具备一定的强度,防止植模受挤压变形。允许偏差项目参见卜表项目允许偏Y()检验方法轴戌位置5用钢尺检查底桢1:表面标高5用水拚仪或拉线和指尺衿介截面尺寸总础10用一尺检住柱、用、梁+4.-5用恻尺检件一度6用经纬仪或拈段和例尺桧介相包两边岛低暴2用锹尺一件表海平位度5用加东尺和塞尺惟自第5章安全文明施工5.1 安全生产组织管理措施(1)建立以安全生产贡任制为核心的各项安全管理制度.(2)严格监督检杳,消除

13、事故隐患。安全员坚持每日安全巡视,对检杳发现的事故哙患,定人、定时间、定措施进行整改、不招事故隐患。(3)积极开展班前安全活动,广泛开展安全生产宣传、推广安全生产先进经哙:促进施工安全管理,保障施工安全。(4)强化安全教育,加强人员管理。严格执行三级安全教育和安全交底制度,未经教育和交底人员不准上岗作业。5.2 安全生产措施5.2.1 安全技术措施在施工中人流和物流通道的规划,仓库、物料、机具的布置都要符合消防和安全卫生规定,并落实消防和卫生急救设施。5.2.2 施工机械使用安全施工机械在使用过程中,按操作规程使用,加强对机械设备的管理,做到常检、常修、常保养,保持乩好的工作状态。5.2.3 安全用电施工用电应符合施工现场临时用电安全技术规范(JGJ46-2(X)5)用电规范的要求,专人负货用电机具的施工,常检修用电机具,防止漏电.5.2.4 安全标志和安全防护安全标志:划分安全区域,充分和正确使用安全标志,布置适当的安全语.安全防护:进入现场人员必须藏安全帽,穿胶底鞋,不得穿硬底鞋、高跟鞋、拖鞋或赤脚。5.2.5 夜间施工措施夜间操作要有足够的照明设备,坑、洞、沟槽等做好围护措施.

展开阅读全文
相关资源
猜你喜欢
相关搜索

当前位置:首页 > 办公文档 > 解决方案

copyright@ 2008-2023 1wenmi网站版权所有

经营许可证编号:宁ICP备2022001189号-1

本站为文档C2C交易模式,即用户上传的文档直接被用户下载,本站只是中间服务平台,本站所有文档下载所得的收益归上传人(含作者)所有。第壹文秘仅提供信息存储空间,仅对用户上传内容的表现方式做保护处理,对上载内容本身不做任何修改或编辑。若文档所含内容侵犯了您的版权或隐私,请立即通知第壹文秘网,我们立即给予删除!