试验施工方案.docx

上传人:p** 文档编号:1184862 上传时间:2024-09-20 格式:DOCX 页数:4 大小:16.60KB
下载 相关 举报
试验施工方案.docx_第1页
第1页 / 共4页
试验施工方案.docx_第2页
第2页 / 共4页
试验施工方案.docx_第3页
第3页 / 共4页
试验施工方案.docx_第4页
第4页 / 共4页
亲,该文档总共4页,全部预览完了,如果喜欢就下载吧!
资源描述

《试验施工方案.docx》由会员分享,可在线阅读,更多相关《试验施工方案.docx(4页珍藏版)》请在第壹文秘上搜索。

1、G1.3#施工试验方案一、编制依据1、水岸花成小区GIg住宅楼他工组织设计2,混凝土结构工程施工舶量验收规范GB50204-2(X)23、钉也下防水工程混凝土施1:侦量验收规范SGB5O2O8-2(X)24.8层面工程质量验收规范GB5O2()7-2(X)25、钢筋机械连接通用技术规葩JGJ107-202*6、&建筑工程技术资料管理规程DB13(J)35-20027、试验室试验员手册二、工程概况本工程为水岸花成小区G1.M住宅楼,位于泳州市拒马河以北、107国道以西,框架剪力墙结构,建筑面积为20432.76m;地下二层,地上二十六层。1.1建筑设计概况建筑设计概况览表表1.1序号项目内容1建

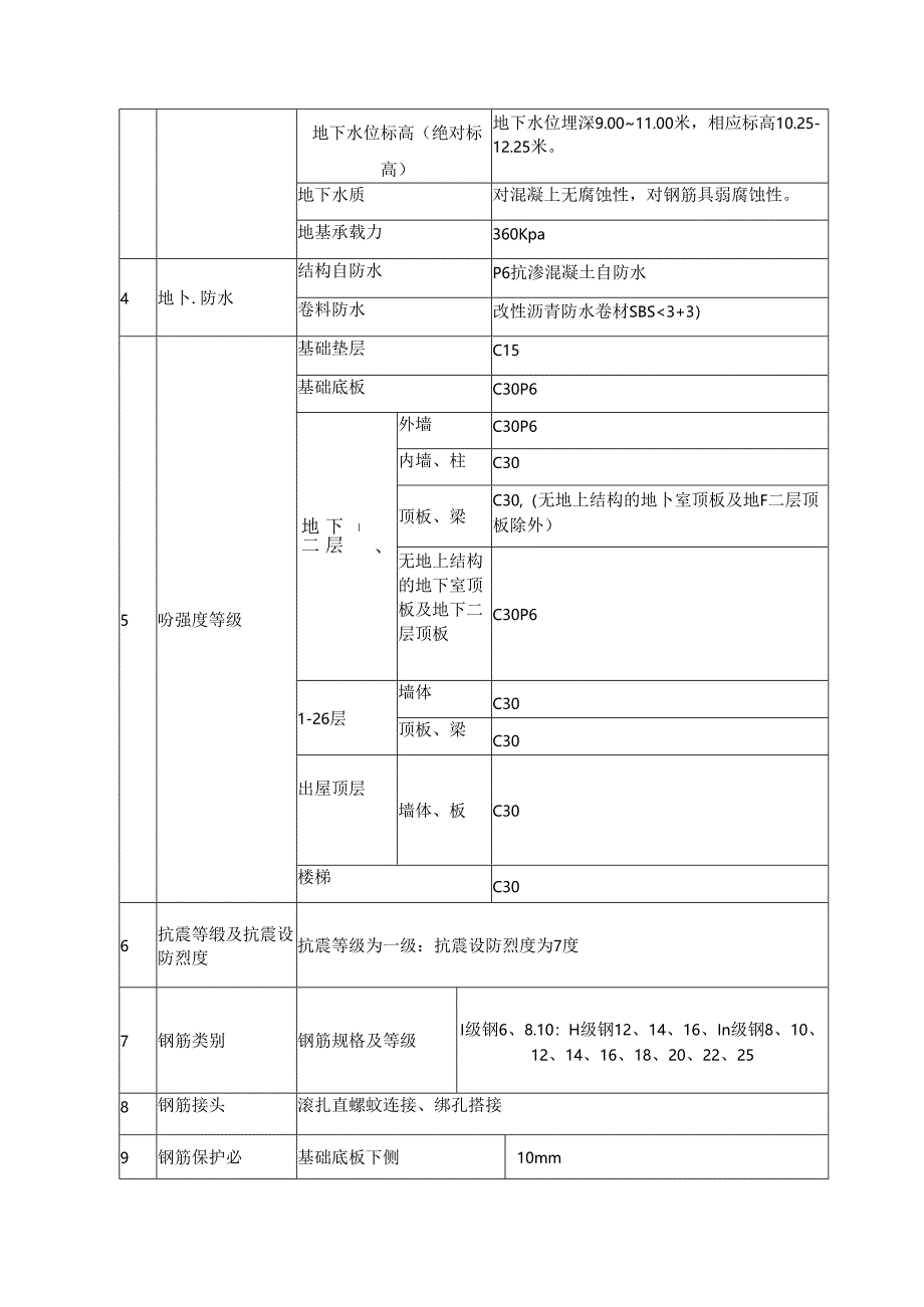
2、筑功能G13:住宅楼:地下-、二层为民用自行车车库,地上26层,用途为住宅;2建筑面积总建筑面枳(m2)20432.76用地面积(m2)750地卜.建筑面积(m2)1487.88地上建筑面积(m2)189453建筑层数地上(层)26地下(星)24建筑层高Ge住宅楼地下二层为:3.3米地下一层为:3.3米地上一至三十三层每层为:2.9米5E+0.00标高(m)34.1室内外高差(m)1.2地下水位标高(绝对标高)地下水位埋深9.0011.00米,相应标高10.25-12.25米。地下水质对混凝上无腐蚀性,对钢筋具弱腐蚀性。地基承载力360Kpa4地卜.防水结构自防水P6抗渗混凝土自防水卷料防水改

3、性沥青防水卷材SBS3+3)5吩强度等级基础垫层C15基础底板C30P6、-下层地二外墙C30P6内墙、柱C30顶板、梁C30,(无地上结构的地卜室顶板及地F二层顶板除外)无地上结构的地下室顶板及地下二层顶板C30P61-26层墙体C30顶板、梁C30出屋顶层墙体、板C30楼梯C306抗震等缎及抗震设防烈度抗震等级为一级:抗震设防烈度为7度7钢筋类别钢筋规格及等级I级钢6、8.10:H级钢12、14、16、In级钢8、10、12、14、16、18、20、22、258钢筋接头滚扎直螺蚊连接、绑孔搭接9钢筋保护必基础底板下侧10mm设备名称规格数量单位备注混殴土试模100*10020组有鉴定证书砂

4、浆试模7.07*7.072组抗港试模185*170*1502组坍落度筒I套备捣棒、量具温湿度控制仪1台有计员鉴定加热器具1套喷淋设备1套铁抹子2个天平称I台有计量鉴定环刀I个四、主要试验项目4.1、 混凝土4.1.1 概述所用混凝上全部采用商品混凝土试块的留置分层、分段、分强度分别进行留置.通过甲方、监理等单位的考察,选用商品混凝土供应商为建设单位提供(涿州市恒旗搅拌站)4.1.2 ,混凝土试件的取样普通混凝土及抗渗混凝土的强度试验以同一混凝十.强度等级、同配合比、生产工艺相同:(1)每拌制100盘但不超过100m1(2)每一工作台班(3)每一流水段(4)当在一个分项工程中连续供应相同配合比的

5、混凝土最大FWoom时,其交货检验的试件,每20OmS混凝土为一取样单位.、地下室抗漆混凝土抗渗试件以同一混凝土强度等级、同一抗港等级、同一配合比、生产工艺相同,连续浇筑混凝十5(X)m为一取样单位。取样单位,每取样单位留置标准养护试块不少于组,同时制作同条件养护试块组。试件要有代表性,每组试块的试样必须取自同次拌制的砂浆拌合物。4.6、 砌块砌块进场使用前,要有出厂合格证,外观无缺角、损坏,并按规定抽取试样送试验室皮试.合格后方可使用,取样时以同密度等级、同一强度等级及同生产工艺制成的100OO块为验收批,每月生产的砌块数不足100oo块亦为批论。4.7、 钢筋保护层厚度非悬挑梁类、板类构件

6、抽检比例均为2%,且不少于5个构件:悬挑梁类、板类构件抽检比例为10%口不少于IO个构件。梁类:检测全部纵向受力钢筋的保护层厚度:板类:检测不少于6根纵向受力钢筋,五、见证管理5.1、 必须实行有见证取样和送检的项目如下:5.1.1, 用于承重结构的混凝土试块:5.1.2, 用于承重结构的砂浆试块:5.1.3, 用于承重结构的钢筋及连接接头试件:5.1.4, 钢结构焊接:5.1.5, 用于承重墙的质和混凝土小型砌块:5.1.6, 用于拌制混凝土和砌筑砂浆的水泥:5.1.7, 用于承重结构的混凝土中使用的掺加剂:5.1.8, 地下、屋面、厕浴间使用的防水材料:5.1.9, 国家规定必须实行见证取样和送检的其它试块、忒件和材料:5.1.10, 合同约定应进行见证检验的项目(依据GB502132001第3.2.6条):5.1.11, 材料痂量发生争议需进行仲裁时可采取见证检验(依据GB5O21O-2OOI第3.2.6条):5.2、 各种仃见证试脸、见证检验等原始记录,按其类别如材料史试报告、施工记录和施工试验记录进行分类整理。5.3、 取样人员应对试样的代表性和真实性负贡。

展开阅读全文
相关资源
猜你喜欢
相关搜索

当前位置:首页 > 建筑/环境 > 设计及方案

copyright@ 2008-2023 1wenmi网站版权所有

经营许可证编号:宁ICP备2022001189号-1

本站为文档C2C交易模式,即用户上传的文档直接被用户下载,本站只是中间服务平台,本站所有文档下载所得的收益归上传人(含作者)所有。第壹文秘仅提供信息存储空间,仅对用户上传内容的表现方式做保护处理,对上载内容本身不做任何修改或编辑。若文档所含内容侵犯了您的版权或隐私,请立即通知第壹文秘网,我们立即给予删除!