路面结构计算书.docx

上传人:p** 文档编号:1185026 上传时间:2024-09-20 格式:DOCX 页数:6 大小:17.41KB
下载 相关 举报
路面结构计算书.docx_第1页
第1页 / 共6页
路面结构计算书.docx_第2页
第2页 / 共6页
路面结构计算书.docx_第3页
第3页 / 共6页
路面结构计算书.docx_第4页
第4页 / 共6页
路面结构计算书.docx_第5页
第5页 / 共6页
路面结构计算书.docx_第6页
第6页 / 共6页
亲,该文档总共6页,全部预览完了,如果喜欢就下载吧!
资源描述

《路面结构计算书.docx》由会员分享,可在线阅读,更多相关《路面结构计算书.docx(6页珍藏版)》请在第壹文秘上搜索。

1、制造产业园及配套基础设施建设项目路面结构计算书一、设计弯沉值和容许拉应力计算序号车型名称前轴至(kN)后轴善(kN)后轴数后轴轮组数后轴距(m)交通量1黄河JN1.5049101.6i双轮组16002黄海DD690561042双轮组38003东风CS93824702双轮组35004五十铃FSR1.133655.51双轮组3005日野KF300D40.75792双轮组3200设计年限15车道系数0.4序号分段时间(年)交通量年增长率165%254%343%当以设计弯沉值和沥青U以底拉应力为指标时:路面营运第一年双向日平均当量轴次:4931设计年限内一个车道上的累计当后轴次:1.488977E+0

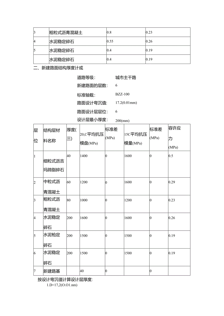
2、7属重交通等级当以半刚性材料结构层层底拉应力为设计指标时:路面营运第一年双向日平均当量轴次:4404设计年限内一个车道上的累计当量轴次:1.329843E+07属重交通等级路面设计交通等级为重交通等级道路等级主干路道路等级系数1面层类型系数1路面结构类型系数1路面设计弯沉值:17.2(0.01m)层位结构层材料名称劈裂强度(MPa)容许拉应力(MPa)I细粒式沥青玛蹄脂碎石1.70.52中粒式沥声混凝土10.293粗粒式沥青混凝土0.80.234水泥稳定碎石0.550.265水泥稳定碎石0.40.19水泥稳定碎石0.40.19二、新建路面结构厚度计或道路等级:城市主干路新建路面的层数:6标准轴

3、载:BZZ-100路面设计弯沉值:17.2(0.01mm)路面设计层层位:6设计层最小厚度:200(mm)层位结构层材料名称厚度(三)20,C平均抗压模盘(MPa)标准差(MPa)15C平均抗压模量(MPa)标准差(MPa)容许应力(MPa)1细粒式沥吉玛蹄脂碎石4014000160000.52中粒式沥青混凝土6012000160000.293粗粒式沥青混凝土8010000120000.234水泥稳定碎石20016000160000.265水泥枪定碎石20015000150000.196水泥稳定碎石20015000150000.197新建路基4000按设计弯沉值计算设计层厚度:1.D=17,2(O.O1.nm)11(6)=200mm1.S=15.1(0.0111m)由于设计层厚度H(6)=Hmin1.1.Sa)第5层底面最大拉应力。(5)=.04(MPa)第6层底面最大拉应力。(6)=.094(MPa)

展开阅读全文
相关资源
猜你喜欢
相关搜索

当前位置:首页 > 建筑/环境 > 设计及方案

copyright@ 2008-2023 1wenmi网站版权所有

经营许可证编号:宁ICP备2022001189号-1

本站为文档C2C交易模式,即用户上传的文档直接被用户下载,本站只是中间服务平台,本站所有文档下载所得的收益归上传人(含作者)所有。第壹文秘仅提供信息存储空间,仅对用户上传内容的表现方式做保护处理,对上载内容本身不做任何修改或编辑。若文档所含内容侵犯了您的版权或隐私,请立即通知第壹文秘网,我们立即给予删除!