质量管理实施策划.docx

上传人:p** 文档编号:1185602 上传时间:2024-09-20 格式:DOCX 页数:2 大小:12.27KB
下载 相关 举报
质量管理实施策划.docx_第1页
第1页 / 共2页
质量管理实施策划.docx_第2页
第2页 / 共2页
亲,该文档总共2页,全部预览完了,如果喜欢就下载吧!
资源描述

《质量管理实施策划.docx》由会员分享,可在线阅读,更多相关《质量管理实施策划.docx(2页珍藏版)》请在第壹文秘上搜索。

1、质量管理实施策划1、教育与培训计划序号培训名称培训内容时象培训计划时间责任人1管理体系培训质Ift管理体系要求IS09002:2008?全员2策划交底聪齐南M1.扩建工程山东空管分局保合业务楼项日质诚管理策划3测豉规蒐学习(GB526-2007工程测量规范3测St小组4脸收现范学习GB50209-2010建筑地面工程施工质量验收爆范令(GB502042015混凝土结构工程施工质量验收规范GB50300-2013建筑工程施四量验收统一标准2隹工程师5主体结构施工阶段规范学习MGBSOe66-2On混凝十.结的_E程施工规范6GB5092-1.-2011刚体结构工程施工规范7GGJ162-2008

2、建筑脩工模板安全技术规范3816G101图象9JGJ992015高层民用建筑纲结构技术规程。1()机电施工阶段规范学习(;B50242-2002建筑给水排水及采暧工程施工质量验收规范机电.程师11GB50243-2016通风与空调工程能工质录骁收规范12GB50303-2015锭筑电气工程施工质盘脸收规范13GB5O411-2019建筑节能工程施工质量股收规范1115幕墙播工阶段规范学习JGJ133-2001金属与石材幕墙工程技术现范现场责任工程师16装饰装修阶段现蒐学习GB50210-2001建筑装饰装修工程质地的收规范17(GB5022295建筑室内装蟋设计防火规范18GB50325201

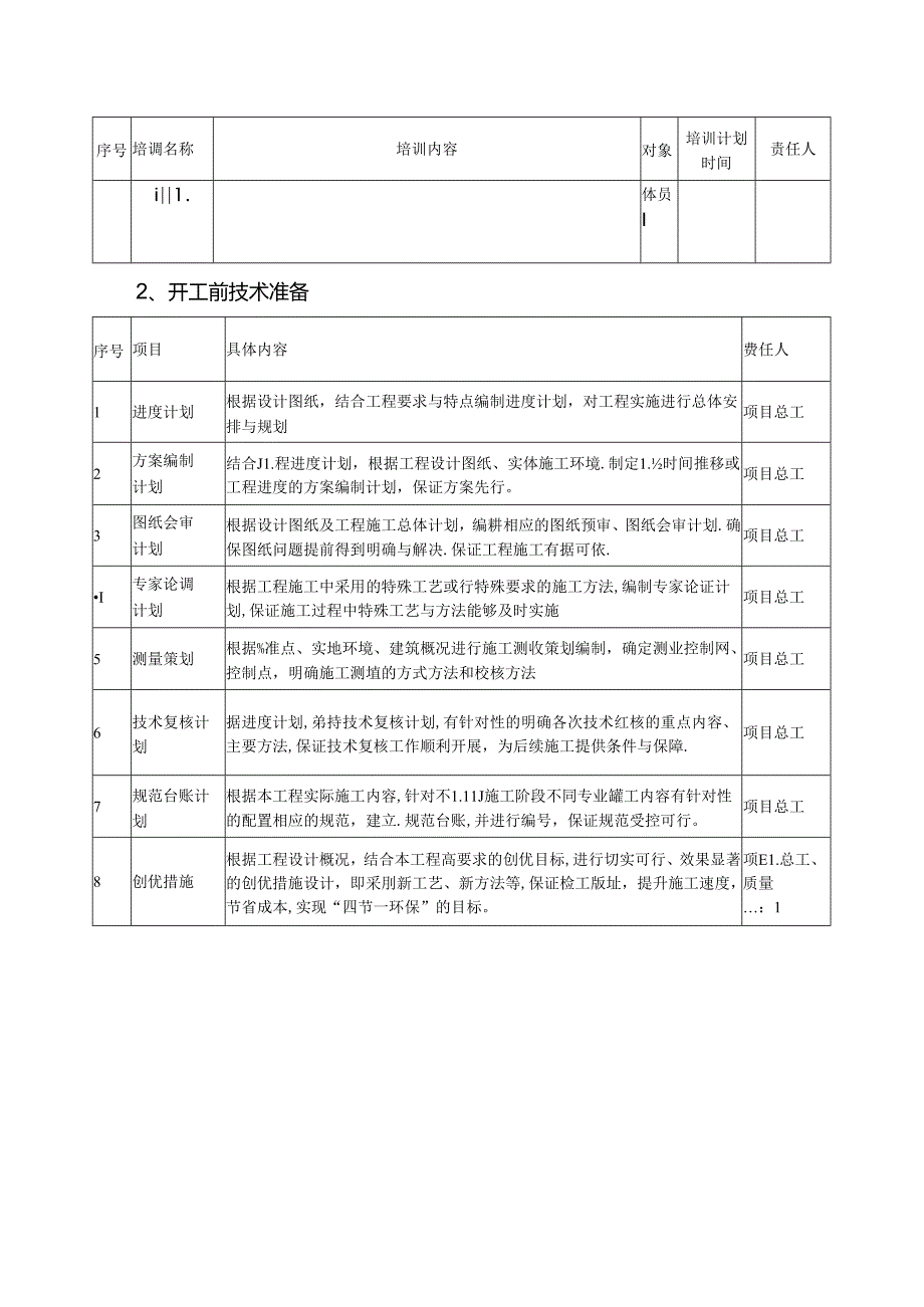
3、0民用建筑工程室内环境污染控制现能19QC小组培组织参加公司每年举办的QC小组活动知识讲座或培训班全序号培调名称培训内容对象培训计划时间责任人i1.体员I2、开工前技术准备序号项目具体内容费任人1进度计划根据设计图纸,结合工程要求与特点编制进度计划,对工程实施进行总体安排与规划项目总工2方案编制计划结合J1.程进度计划,根据工程设计图纸、实体施工环境.制定1.时间推移或工程进度的方案编制计划,保证方案先行。项目总工3图纸会审计划根据设计图纸及工程施工总体计划,编耕相应的图纸预审、图纸会审计划.确保图纸问题提前得到明确与解决.保证工程施工有据可依.项目总工I专家论调计划根据工程施工中采用的特殊工

4、艺或行特殊要求的施工方法,编制专家论证计划,保证施工过程中特殊工艺与方法能够及时实施项目总工5测量策划根据%准点、实地环境、建筑概况进行施工测收策划编制,确定测业控制网、控制点,明确施工测埴的方式方法和校核方法项目总工6技术复核计划据进度计划,弟持技术复核计划,有针对性的明确各次技术红核的重点内容、主要方法,保证技术复核工作顺利开展,为后续施工提供条件与保障.项目总工7规范台账计划根据本工程实际施工内容,针对不1.11J施工阶段不同专业罐工内容有针对性的配置相应的规范,建立.规范台账,并进行编号,保证规范受控可行。项目总工8创优措施根据工程设计概况,结合本工程高要求的创优目标,进行切实可行、效果显著的创优措施设计,即采刖新工艺、新方法等,保证检工版址,提升施工速度,节省成本,实现“四节一环保”的目标。项E1.总工、质量:1

展开阅读全文
相关资源
猜你喜欢
相关搜索

当前位置:首页 > 管理/人力资源 > 质量管理

copyright@ 2008-2023 1wenmi网站版权所有

经营许可证编号:宁ICP备2022001189号-1

本站为文档C2C交易模式,即用户上传的文档直接被用户下载,本站只是中间服务平台,本站所有文档下载所得的收益归上传人(含作者)所有。第壹文秘仅提供信息存储空间,仅对用户上传内容的表现方式做保护处理,对上载内容本身不做任何修改或编辑。若文档所含内容侵犯了您的版权或隐私,请立即通知第壹文秘网,我们立即给予删除!