交流调压电路实验.docx

上传人:p** 文档编号:1206874 上传时间:2024-11-24 格式:DOCX 页数:8 大小:354.44KB
下载 相关 举报
交流调压电路实验.docx_第1页
第1页 / 共8页
交流调压电路实验.docx_第2页
第2页 / 共8页
交流调压电路实验.docx_第3页
第3页 / 共8页
交流调压电路实验.docx_第4页
第4页 / 共8页
交流调压电路实验.docx_第5页
第5页 / 共8页
交流调压电路实验.docx_第6页
第6页 / 共8页
交流调压电路实验.docx_第7页
第7页 / 共8页
交流调压电路实验.docx_第8页
第8页 / 共8页
亲,该文档总共8页,全部预览完了,如果喜欢就下载吧!
资源描述

《交流调压电路实验.docx》由会员分享,可在线阅读,更多相关《交流调压电路实验.docx(8页珍藏版)》请在第壹文秘上搜索。

1、重庆三峡学院实验报告课程名称电力电子技术试验试验名称沟通调压电路试验试验类型三E系别电信学院年级班别年15级2班学生姓名袁志军试验老师谢辉学时2专业电气工程及自动化开出学期20162017下期学号201507144228成绩2017年5月28日试验七沟通调压电路试验一、试融目的(1)加深理解华相沟遹调Hi电路的工作原理.(2)加深理解单相沟通调IE电路带电懑性负我对脓冲及移相范围的要求.(3)了解Ka)5晶闸管根相触发器的原理和应用,二、试险所需控件及附件序号型号备注1I)JK(H电源限制解该限制屏包含“三相电源输出”等几个模块.2WK02晶闸管主电路该挂件包含“晶闸管”以及“电感”等模块.3

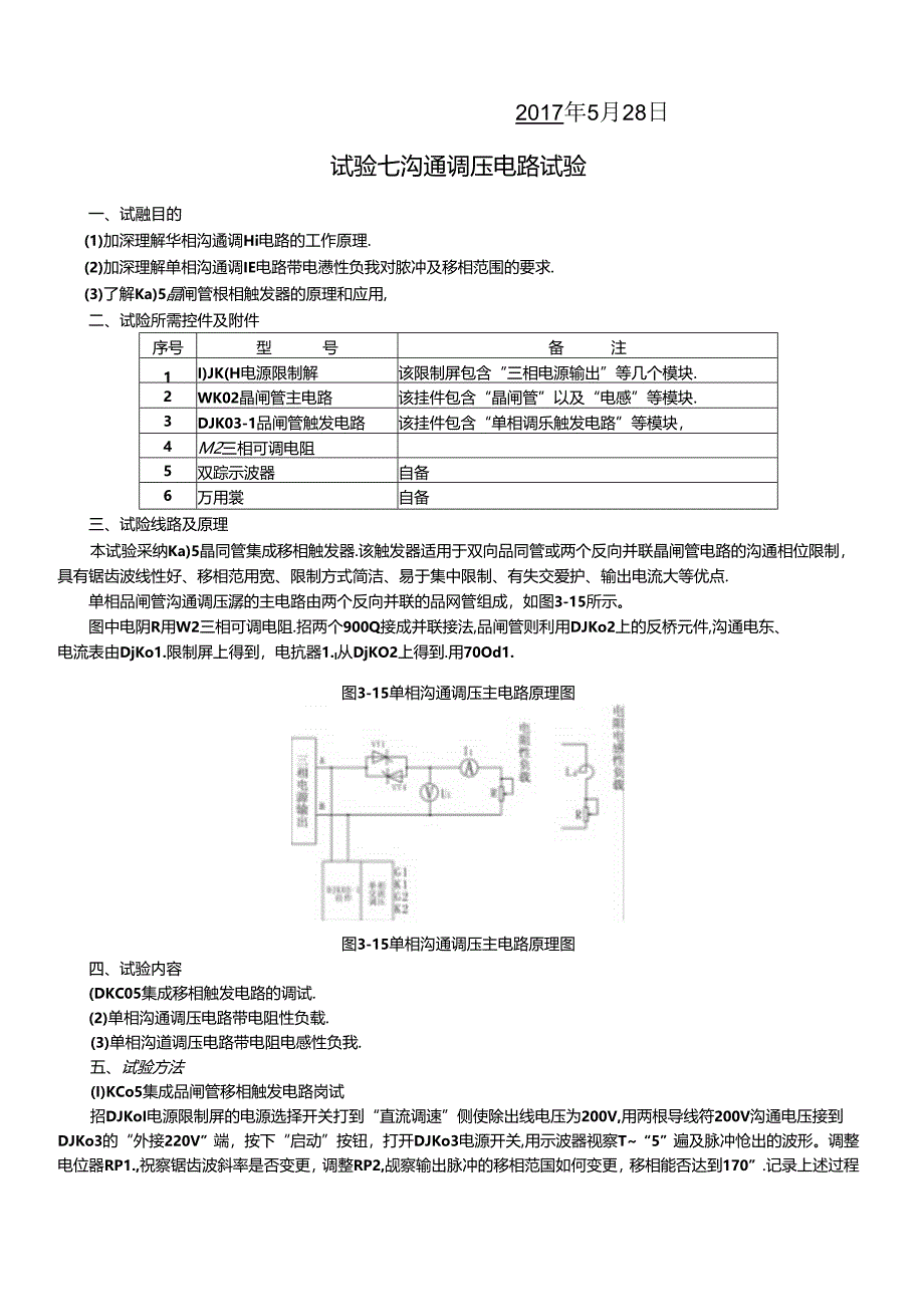
2、DJK03-1品闸管触发电路该挂件包含“单相调乐触发电路”等模块,4M2三相可调电阻5双踪示波器自备6万用裳自备三、试险线路及原理本试验采纳Ka)5晶同管集成移相触发器.该触发器适用于双向品同管或两个反向并联晶闸管电路的沟通相位限制,具有锯齿波线性好、移相范用宽、限制方式简洁、易于集中限制、有失交爱护、输出电流大等优点.单相品闸管沟通调压潺的主电路由两个反向并联的品网管组成,如图3-15所示。图中电阴R用W2三相可调电阻.招两个900Q接成并联接法,品闸管则利用DJKo2上的反桥元件,沟通电东、电流表由DjKo1.限制屏上得到,电抗器1.I从DjKO2上得到.用70Od1.图3-15单相沟通调

3、压主电路原理图图3-15单相沟通调压主电路原理图四、试验内容(DKC05集成移相触发电路的调试.(2)单相沟通调压电路带电阻性负载.(3)单相沟道调压电路带电阻电感性负我.五、试验方法(I)KCo5集成品闸管移相触发电路岗试招DJKoI电源限制屏的电源选择开关打到“直流调速”侧使除出线电压为200V,用两根导线符200V沟通电压接到DJKo3的“外接220V”端,按下“启动”按钮,打开DJKo3电源开关,用示波器视察T“5”遍及脉冲怆出的波形。调整电位器RP1.,祝察锯齿波斜率是否变更,调整RP2,觇察输出脉冲的移相范国如何变更,移相能否达到170”.记录上述过程中视察到的各点电压波形.(2)

4、单相沟通调乐带电皿性负载将DJKO2面板上的两个晶丽管反向并联而构成沟通隔压器.物触发器的输出脉冲端“G1.、-KI,“G2”和“K2”分别接至主电路相应品闸管的门极和阴极,接上电阻性负我,用示波器视察负我电压、晶闱管两端电压U”的波形.调蛭“单相调压触发电路”上的电位器RP2,视察在不同。角时各点波形的变更,并记录0=30、60、90*s120,时的波形。(3)单相沟通调压接电阻电感性负载在进行电阻电然性负敦试验时,须要网整负领阻抗角的大小.因此应当知道电抗器的内瓦和电感ht.常采纳1流伏安法来测依内阻,如图3-16所示。电抗器的内阻为;R1=UJI(3-1)电抗潺的电停盘可采纳沟通伏安法泅

5、量.如图317所示.由于电流大时,对电抗潺的电感量影响较大,采纳自戕网压器网压,多测几次取其平均曲,从而可得到沟通阻抗.图3-16用直流伏安法测电抗器内P1.1.Z吟电抗推的电感为.NZJ.Rj一说图377用沟通伏安法测定电感收(3-2)(3-3)(ParctanCO1.R、,+%这样,即可求得负载阻抗角在试验中,欲变更阻抗珀,只需变更沿线变阻器R的电阻值即可。切断电源.将1.与R印联.改接为电阻电感性负载.按下“启动”按钮,用双踪示波器同时视察负载电压Ih和负段电流Ii的波形.调整R的数伯,使阻抗角为肯定值,视察在不同。的时波形的变更状况,记录。4、=!、。三种状况下负载两端的电压UI和流过

6、负我的电流1.波形,六、诚IMfc据记录及分析4宽窄:冲的比较波形分析I正向窄H:冲由于加在放电时刻,在充电时刻时由于窄除神由,则未加脉冲,导致JIR!管不导通.故,在用,负时,由于电慝螺由,必需采纳宣脉冲.七、SM沟通调压在带电感性负载时可他会出现什么现象?为什么?如何解决?1 .输出电压平均值减小.由于电盛中感应电动处要阻碍电流的战小,到输入电压变负时,id并未下降到0,此时负载上的电压为负伯。由于出现了倒俏部分,所以输出电压平均值减小2 .输出电压产生振荡现象。没有续流,感性负截在愣次定律作用下,自感电势导致振荡,从理论上说,运用可控硅做半波整流带感性负载,触发脉冲宽度足好、触发时可控硅

7、两侧有足够的iE向电压,是不会有振荡现象的.但实际电路的电源、负我特性困难,做不到.解决方法:在感性负我上并联一个续流:极管就可以解决问题。(2)沟通调压有就限制方式?有哪叫应用场合?限制方式:通断限制:变更船闸管通断时间比值达到调压的目的.相位限制:使晶闸管在电源电压每一周期中,选定的时刻内将负我与电源接通,变更选定的时刻可达到调压的目的.痂波限制:一般用于全控型滞件.应用场合:调温的工频加热和感应加热、灯光调整、系及风机的感应电动机调速、变压器的初级调压。八、留意事项在本试验中.触发脉冲是从外部接入DJKO2面板I:晶闸管的门极和阴极.此时,陶将所用品闸管对应的正桥粒发脉冲或反桥触发脉冲的

8、开关拨向“断”的也置并将U及I.怨:空,避开误触发得3 2).触发脉冲是从外部接入DJK02面板上晶闸管的门极和阳极,此时,应将所用晶网管对应的正桥触发脉冲或反桥触发脓冲的开关拨向“断”的位四,并将U”及U,悬空,避开误触发。(3)可以用DJKO21上的触发电路来触发晶闸管.由于“C”、K“输出端有电容影响,故视察出发脉冲电影波形时,常将输出端uG和“K”分别接到品网管的门极和阴极(或者也可用妁100。左右阻值的电阻接到“G、-K两端,来模拟品闸管门极马阴极的限值),否则,无法视察到正确的脓冲波彩.九、试验总结本次试验进行了沟通调压电路试验,电路简洁,采纲两只品间管构成双向导通.在阻迷负教试验时必雷果纳宽脉冲,以避开电感的电流海后导致未加触发脓冲,而造成单只品闸管工作。试脸前首先检交各个器件的完好性,避开接好线后盲目查找格谈,特殊是检查触发脓冲的状况.总之,在做试验时,要对试验熟识,做到心中有数严格根据试验步爆,切不行怀侥幸心理而不检查器件:在出现试验现思有误时,不要慌乱,借助试验仪器检查仪器,培丙自己查错纠错的实力.由于试蛤器材缘由,G终用mat1.ab视察了试骁现象,并对各种效果进行分析.MM1.ab作为志向试验软件,为我们供应了完备的模拟设施,要修得充分利用该资源。老师评语:

展开阅读全文
相关资源
猜你喜欢
相关搜索

当前位置:首页 > 高等教育 > 大学课件

copyright@ 2008-2023 1wenmi网站版权所有

经营许可证编号:宁ICP备2022001189号-1

本站为文档C2C交易模式,即用户上传的文档直接被用户下载,本站只是中间服务平台,本站所有文档下载所得的收益归上传人(含作者)所有。第壹文秘仅提供信息存储空间,仅对用户上传内容的表现方式做保护处理,对上载内容本身不做任何修改或编辑。若文档所含内容侵犯了您的版权或隐私,请立即通知第壹文秘网,我们立即给予删除!