停车场工程施工工艺及要求.docx

上传人:p** 文档编号:1207212 上传时间:2024-11-24 格式:DOCX 页数:9 大小:64.47KB
下载 相关 举报
停车场工程施工工艺及要求.docx_第1页
第1页 / 共9页
停车场工程施工工艺及要求.docx_第2页
第2页 / 共9页
停车场工程施工工艺及要求.docx_第3页
第3页 / 共9页
停车场工程施工工艺及要求.docx_第4页
第4页 / 共9页
停车场工程施工工艺及要求.docx_第5页
第5页 / 共9页
停车场工程施工工艺及要求.docx_第6页
第6页 / 共9页
停车场工程施工工艺及要求.docx_第7页
第7页 / 共9页
停车场工程施工工艺及要求.docx_第8页
第8页 / 共9页
停车场工程施工工艺及要求.docx_第9页
第9页 / 共9页
亲,该文档总共9页,全部预览完了,如果喜欢就下载吧!
资源描述

《停车场工程施工工艺及要求.docx》由会员分享,可在线阅读,更多相关《停车场工程施工工艺及要求.docx(9页珍藏版)》请在第壹文秘上搜索。

1、停车场工程施工工艺及要求一、无溶剂环氧树脂地坪施工工艺(一)地面基层处理1,环轨地坪基层处理、现场清理:清理现场,使地坪操作而没仃任何障碍物。运用工业吸尘冷对原有混凝土地面进行吸尘处理.、检查地面空鼓:采纳敲击法对地面每平方米5个点检查地面有否空鼓现象,重点是施工缝、伸缩缝和裂缝处。标记出空鼓处。对于局部、小面积空鼓处,采纳电动切割机将空鼓部分切除,并用速凝高强水泥自潦平修补。、含水率测定:把45CmX45Cm塑料薄膜平放在混凝土表面,用胶带纸密封四边16小时后,薄膜下出现水珠或混凝土表面变黑,说明混凝土过湿,将该区域标记。、解除水分:对含水率超标区域,最好的除湿方法是通风排湿,首先加强含水率

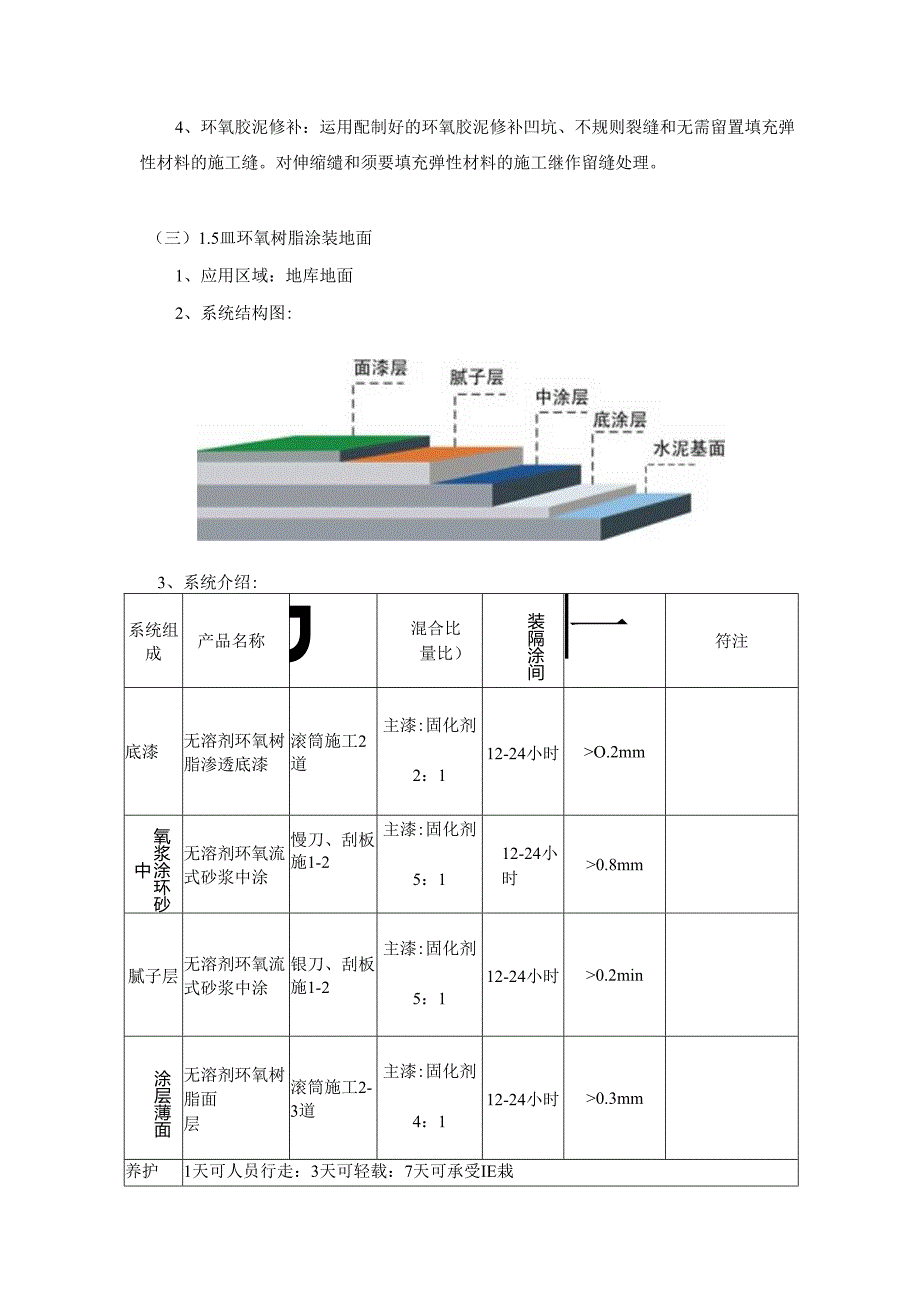
2、超标区域的通风.对通风不利或正常通风不宜解除水分的区域应增加大功率排风扇加速通风效果。、研磨预处理:运用研磨机对明显凹凸不平的区域进行研磨预处理。、灰生清理:运用工业长空吸尘器对地面进行吸金处理,必要时进行多次吸尘处理。2、地面空鼓处理采纳灌注环氧灌健胶的方法进行处理。(二)地面缝隙及凹坑处理I、标记缝隙及凹坑:运用自喷漆标记出不规则裂缝和凹坑部位。2、裂缱剔除及凹坑剔凿:运用切割机和剔凿工具将不规则裂缝切开并处理干净。使得剔凿工具将凹坑、施工和伸缩剔凿干净。3,缝隙及凹坑打底:用油漆刷将配制好的环氧底漆涂布于处理好的凹坑和缝隙中。4、环氧胶泥修补:运用配制好的环氧胶泥修补凹坑、不规则裂缝和无

3、需留置填充弹性材料的施工缝。对伸缩缱和须要填充弹性材料的施工继作留缝处理。(三)1.5皿环氧树脂涂装地面1、应用区域:地库地面2、系统结构图:3、系统介绍:系统组成产品名称R混合比量比)装隔涂间一瑟符注底漆无溶剂环氧树脂渗透底漆滚筒施工2道主漆:固化剂2:112-24小时O.2mm氧浆涂环砂中无溶剂环氧流式砂浆中涂慢刀、刮板施1-2主漆:固化剂5:112-24小时0.8mm腻子层无溶剂环氧流式砂浆中涂银刀、刮板施1-2主漆:固化剂5:112-24小时0.2min涂层薄面无溶剂环氧树脂面层滚筒施工2-3道主漆:固化剂4:112-24小时0.3mm养护1天可人员行走:3天可轻载:7天可承受IE栽(

4、四)、it工工艺描述1、底涂安装底涂层一:在处理好的地坪吸尘后涂刷环氧地坪底漆,环氧地坪底漆按无溶剂及固化剂的重量比用量具精确计量并搅拌匀称。实行滚涂或刮涂的方法在处理好的基以上涂刷环轨地坪封闭底漆,涂刷应匀称,厚薄一样,确保封闭底漆完全涂满地面。12-24小时后可以进行下道工序。底涂层二:等底涂层彻底干透后,用环氧地坪底漆按无溶剂及固化剂的重量比用量具精确计量并搅拌匀称。实行滚涂或刮涂的方法在处理好的基展上涂刷环氧地坪封闭底漆,涂刷应匀称,厚薄一样,确保封闭底漆完全涂满地面。12-24小时后可以进行下道工序。2、中涂安装中涂层一:将环氧地坪中涂与石英砂GO-70目)、硅灰石粉按肯定比例拌合匀

5、称,倒在底涂层上刮涂匀称“中涂层二:将环氧地坪中涂与石英砂(80-12目)、硅灰石粉按肯定比例拌合匀称,倒在底涂层上刮流匀称。中涂U三:用环氧地坪中涂涂料加入肯定量的硅灰石粉调成腻子状,对砂浆中涂层进行批补修复,固化后打磨平整。3、面涂安装符环氯地坪面涂涂料按相应涂料的配比要求,精确配制环氧地坪涂料面漆,用电动搅拌器搅拌时避开吸入空气,搅拌匀称后即可运用。环氧地坪面漆实行滚涂或喷涂的施工方法。分两次涂刷,每次间隔24小时以上。图I猊般上基层处理汲程图图2总体1:艺流程图(五)、对基层、籁工环境的要求1、要求水泥基面坚固、牢固、不起克,最好是水泥面与混凝土底起浇注,以杜绝砂浆层起壳现缴:假如是先

6、招混凝土后铺砂浆找平层,则要求砂浆找平层厚度大于5cm,假如是跑车的,则砂浆层要更厚一些,以防止车压后砂浆层脱块、分别、粉碎.2、要求水泥层表面不起砂、硬度好。要达此目的一是水泥质量要好,二是与砂了的比例要恰当,股是水泥与沙子的比例是1:2.53,不能掺沙太多,;是新拌水泥沙浆U要充分保养好,适时浇水,防止粉化,抗压强度30Nmm,抗拉强度21.5Nm111.,o3、表面平坦、无凹凸不平、蛛窝麻面、水泥疙瘩等现象。4、表面干燥,含水量V8%,从时间上看,淹工后保养期混凝土是熨季3周、冬季5周,砂浆层找平层夏季2周、冬季4周。或作橡胶垫试险,即用一块0.5m0.5m左右的橡胶板平铺在水泥地上,四

7、周用胶纸封边,四个小时后检杳橡胶垫里层是否有水珠,如无则为表层干燥,可以施工。5、地坪表面的PH值应为6.88.Oo6、地面无油,蜡,其它油漆、乳胶漆、泡泡犍残渣如有,耍设法先行消除。7、用2m直尺和楔型尺检查,平整度不大于5mm。8、坡度应符合设计要求,允许偏差值为坡度的0.2%,并不大于30mm(尺量检查和作泼水试验)。9、对环境的耍求:基层温度最低5,C(但高于露点至少3C)最高+35C空气相对湿度最尚80%施工区域施工区域封闭、不漏水、无交叉施工(六)、环配地坪工艺验收标准施工工艺验收标准基层涂装打磨、修整缺陷地面1 .地面无明显缺陷(包括伸缩缝、裂填补)2 .打磨后地面有螺蚊状磨痕分

8、布打底漆充分浸刑,无泛白中U涂装刮环氧砂浆无浮砂与基层结合坚固、固化完全、无裂纹打磨无颗粒、杂版刮环氧腻子表面平盛光滑、无裂纹、固化完全面层涂装滚刷环氧色漆色泽匀称、不起皱,无底漆泛出,分色线整齐顺直、无浸润现象二、墙柱面色带工程施工工艺(一)、Ifc工工艺1 .现场考察柱体高度,柱面平整度。2 .依据设计柱面色带样式,对每一段进行高度界定,颜色确定。3 .依据设计图案在粉刷色带区域勾画草图,先用粉笔或铅盘打好草图,用笔力度不要过大,以防刮伤墙面,采纳激光水平仪对柱子取水平,对柱子每段色带的标高进行统一。4 .色带区分:用美纹纸将柱面色带区分清晰,标高贴整齐,保证平整水平,美观大方。5 .辘涂

9、乳胶漆:在色带范围内滚涂卜3遍,保证无湖轻,色泽匀称,连接处的平整亮丽。6 .待乳胶漆涂料风干后揭离美纹纸并清理周边污沛,对未能粉刷到位的部分进行修笑二次粉刷,部分位置修补至验收合格.(二)、对基层、芯工环境的要求1 .墙柱面基层必需满意要求:乳胶漆喷白已完成。2 .端柱面表面必需坚实坚固,不应有脱砂、裂纹、疏松、剥落等缺陷。3 .被涂层表面必需清洁,无灰尘、泥土、油污、毒斑等附着物。三、墙柱面引导信息Jtr工艺1、依据设计图制作分区号、标识物及通道号的喷涂或丝网印刷模具。2、现场测量柱面尺寸,支配不同分区号、标识物及通道号的喷涂方位,绘制分区号、标识物及通道号尺寸及点位分布图。针对墙面的字体

10、,标识、图案一般采纳喷涂的方式,这样可以获得薄而匀称涂膜可以幽保字体的匀称美观。3、打算好进行高空作业的梯子。4、将指定标识墙柱面表面清理掉浮尘。5、购置喷涂用丙烯酸防水涂料并运输至现场。用干净的水将涂料调至合适喷涂的粘度,以涂4粘度计测属,合适的粘度一般是2030秒.6、将模板于指定位置粘贴平盛,用丙烯酸防水涂料多遍喷涂匀称。7、空气压力最好限制在0304兆帕(34公斤力/平方厘米)。压力过小,漆液宴化不良,表面会形成麻点。压力过大易流挂,且漆雾过大,既奢侈材料又影响操作者的健康。8、喷涂的依次是:先难后易,先里后外.先言处后低处,先小面积后大面积.这样就不会造成后喷的漆雾飞溅到已喷好的漆膜

11、上,破坏已喷好的漆膜。9、喷枪可作上下、左右移动,最好以10v12米/分的速度匀称运作,喷嘴要平直于物面喷涂,尽量削减斜向喷涂。10、待涂料风干后校对并清理周边污渍,部分位置修补至验收合格。四、地面标线工程施工工艺(一)*U*型车位划线、车位号工艺(含残疾人车位等)1.绘制车位电子模板,排布车位图,对车位进行编号。2,依据设计图刻板,制作“U”型弯模具,车位号模具。3.用墩布清理车位垃圾,除尘,使之达到施工条件.-1.按设计尺寸用水性马克笔勾划车位轮廓,标明点位。5 .用美纹纸固定标线边缘,并用干净墩布对美皎纸进行用实。6 .划线,采纳冷漆高压喷涂。7 .用“U”型弯模具喷涂“U”里弯,用车位

12、号模具喷涂车位号。8 .去掉美纹纸,凉干,进行局部修补.(二)其他标线工艺(含轮廓线、引导倚头、人行横道线、分道线、禁停网格等)1 .核对确认施工图纸。2 .用墩布清理车位垃圾,除尘,使之达到施工条件。3 .按设计尺寸用水性马克笔勾划车位轮廓,标明点位。4 .用美纹纸固定标线边缘,并用干净墩布对美纹纸进行压实。5 .划纹,采纳冷漆高压喷涂.6 .去掉美纹纸,凉干,进行同部修补。(三)黑黄警示带施工工艺1 .材料运输至现场。2 .清理地面浮尘.3 .进行黑黄线的合理分段并粘贴美纹纸。4 .对地面进行黄色冷漆粉刷,待凉干后撕下美皎纸,5 .依据黑色分段再次粘贴美纹纸。6 .对地面进行黑色冷漆粉刷,

13、待凉干后撕卜.前期美纹纸。7 .对边角位置进行修补至验收合格。(四)墙面、地面引导施工工艺1.现场测量地面,支配地而指示标识的喷涂点位,绘制地面指示标识尺寸及点位分布图。2,依据设计图雕刻地面指示标识的5m亚克力板模具。3.将地面指示标识较涂的地面表面处理光滑“-1,将亚克力板平整安置于指定位置,将地面指示标识根涂匀称。5.表面风干后撤离亚克力板模板并清理周边污沛,部分位置修补至验收合格。五、交通设施工程施工工艺1 .核对施工图,对设施设备进行批量订购。2 .设施设备安装符合国家规范。六、标识系统工程施工工艺(一)引导灯箱茂工工艺1 .核对灯箱施工图,对灯箱进行批量生产制作。2 .搭两层脚手架

14、,做灯箱吊杆基础。3 .将灯箱托起上两层脚手架,两个吊管食上至顶部,上好穿钉,戴好螺母,固定。4 .吊管内引出电线,穿上防火管.5 .将灯制电线穿上软管与线盒连结,调试。6 .整理灯箱外观,擦拭干净,去掉爱护膜等。7 .灯箱一般在旁边照明中取电,如需布设单独回路,由粽合布线单位统一考虑。(二)地面入口立式灯箱施工工艺1、施工要求:车行灯箱线路采纳YJvTKV-4X25+1X16电缆,电缆穿G80镀锌钢管,埋深不小于0.7m。(管线由园林绿化安装预留)2、施工方法管道沟槽开挖。镀锌钢管预埋本工程埋地电缆爱护管采纳俄锌钢管及其配件必需由阻燃处理的材料制成,PNC管管口应平整、光滑、管与管、管与盒(

15、箱)等器件应采纳插入怯连接,连接处结合面应涂专用胶合剂,接口应坚固密封:管与管连接时,套管长度宜为管外径的1.53倍,管与管的对口处应位于套管的中心:管与器件连接时,插入深度宜为管外径1.118倍。车行灯箱基础:车行灯箱基础采纳8钢筋生.根,C20混凝土浇筑,压光后涂刷黑黄警示线.基础尺寸:800300650三,深埋50Omrn”基础开挖前先用测量仪器放线,定出基础位翼,经复核无误后才进行基础上方开挖。要求基础置于原状土上,地基承效力大于200kpa,如遇不良地质应进行地基处理。基础四周回填土应按道路人行道压实度要求处理。5J:浇注前预留电缆管线及地脚螺栓。地脚螺栓干脆为12mm,带弯钧,外露200三,深埋420m,地脚螺栓依据灯箱详细连接位置四角预埋。(见下图)等待混凝土基础彻底干透后,把厂家定制灯箱螺栓安装于基即上,并进行调试检测.(=)

展开阅读全文
相关资源
猜你喜欢
相关搜索

当前位置:首页 > 建筑/环境 > 设计及方案

copyright@ 2008-2023 1wenmi网站版权所有

经营许可证编号:宁ICP备2022001189号-1

本站为文档C2C交易模式,即用户上传的文档直接被用户下载,本站只是中间服务平台,本站所有文档下载所得的收益归上传人(含作者)所有。第壹文秘仅提供信息存储空间,仅对用户上传内容的表现方式做保护处理,对上载内容本身不做任何修改或编辑。若文档所含内容侵犯了您的版权或隐私,请立即通知第壹文秘网,我们立即给予删除!