钢筋实验.docx

上传人:p** 文档编号:120846 上传时间:2023-01-03 格式:DOCX 页数:6 大小:24KB
下载 相关 举报
钢筋实验.docx_第1页
第1页 / 共6页
钢筋实验.docx_第2页
第2页 / 共6页
钢筋实验.docx_第3页
第3页 / 共6页
钢筋实验.docx_第4页
第4页 / 共6页
钢筋实验.docx_第5页
第5页 / 共6页
钢筋实验.docx_第6页
第6页 / 共6页
亲,该文档总共6页,全部预览完了,如果喜欢就下载吧!
资源描述

《钢筋实验.docx》由会员分享,可在线阅读,更多相关《钢筋实验.docx(6页珍藏版)》请在第壹文秘上搜索。

1、钢筋实验1.1 钢筋的拉伸性能实验1 .实验目的测定钢筋(低碳钢)的屈服强度、抗拉强度、伸长率三个指标,作为评定钢筋强度等级的主要技术依据。测定截面收缩率中,观察拉伸过程中的各种现象。掌握金属材料室温拉伸试验方法(GB/T228-2002)和钢筋强度等级的评定方法。2 .主要仪器设备(1)万能试验机(2)钢板尺、游标卡尺等。3 .试件制备(1)抗拉实验用钢筋试件一般不经过车削加工,可以用两个或一系列等分小冲点或细划线标出原始标距(标记不应影响试样断裂)。(2)试件原始尺寸的测定1)测量标距长度,。,精确到0.1廊。2)圆形试件横断面直径应在标距的两端及中间处两个相互垂直的方向上各测一次,取其算

2、术平均值,选用三处测得的横截面积中最小值,横截面积按下式计算:式中4一一试件的横截面积(2).“。一一圆形试件原始横断面直径(mm)。4 .实验步骤(1)开机、准备进行实验,测定屈服强度与抗拉强度1)接通电源,启动计算机。2)旋动万能试验机电源钥匙,开启万能试验机后油泵开关,指示灯亮。3)打开计算机中的万能试验机软件,点击联机。4)计算机通过调节速度和上下移动按钮调节适当的实验高度,将试样正确的夹持于上下钳口之间,并录入试件与实验相关信息。5)点击实验开始。6)试件断裂后,取下断裂的试件,保存并打印实验结果。7)退出万能试验机软件界面,关闭计算机。8)关闭油泵开关,停止油泵工作。9)旋动万能试

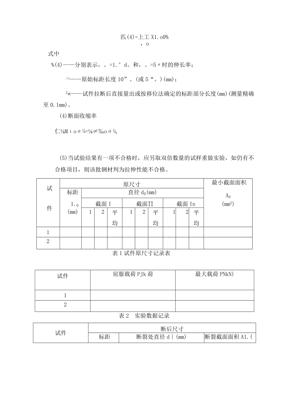
3、验机电源钥匙,关闭万能试验机,并关闭电源,实验结束。注意事项:实验过程中碎片可能飞溅,为避免发生事故,请勿靠近主机面对试样。(2)伸长率的测定1)将已拉断试件的两端在断裂处对齐,尽量使其轴线位于一条直线上。如拉断处由于各种原因形成缝隙,则此缝隙应计入试件拉断后的标距部分长度内。2)如拉断处到临近标距端点的距离大于1/3,。时,可用卡尺直接量出已被拉长的标距长度4(mm)。3)如拉断处到临近标距端点的距离小于或等于1/3,。时,可按下述移位法计算标距4(mm)4)如试件在标距端点上或标距处断裂,则试验结果无效,应重新试验。5 .实验结果处理(1)屈服强度按下式计算:5A。式中巴一一屈服强度(Mp

4、a);PS屈服时的荷载(N);A。一一试件原横截面面积(mm?)。(2)抗拉强度按下式计算:式中Ob屈服强度(MPa);Pb最大荷载(N);Ao试件原横截面面积(廊2)。(3)伸长率按下式计算(精确至1%)匹(4)=上工X1.o0%,o式中%(4)分别表示,。=1.d。和,。=5时的伸长率;/o原始标距长度10”。(或5“。)(mm);Z试件拉断后直接量出或按移位法确定的标距部分长度(mm)(测量精确至0.1mm)。(4)断面收缩率仁Mo=o,(5)当试验结果有一项不合格时,应另取双倍数量的试样重做实验,如仍有不合格项目,则该批钢材判为拉伸性能不合格。试原尺寸最小截面面积A0标距直径d0(mm

5、)件1.0截面I截面截面In(mm2)(mm)12平均12平均12平均12表1试件原尺寸记录表试件屈服载荷PJk荷最大载荷PNkN)12表2实验数据记录试件断后尺寸标距断裂处直径d(mm)断裂截面面积A1.(1.i(mm)mm)12表3试件断后尺寸记录图形低碳钢T低碳钢-2P1.曲线图试件实验前实验前形状实验后试验后表4实验图形记录1.2钢筋的弯曲(冷弯)性能实验1 .实验目的通过检验钢筋的工艺性能评定钢筋的质量。掌握GB/T232-1999钢筋弯曲(冷弯)性能的测试方法和钢筋质量的评定方法,正确使用仪器设备。2 .主要仪器设备压力机或万能试验机3 .试件制备1)试件的弯曲外表面不得有划痕。2

6、)试样加工时,应去除剪切或火焰切割等形成的影响区域。3)当钢筋直径小于35mm时,不需加工,直接试验;若试验机能量允许时,直径不大于50mm的试件亦可用全截面的试件进行试验。4)当钢筋直径大于35mm时,应加工成直径25mm的试件。加工时应保留一侧原表面,弯曲试验时,原表面应位于弯曲的外侧。5)弯曲试件长度根据试件直径和弯曲试验装置而定,通常按下式确定试件长度:=5J+15O4 .实验步骤(过程)(1)半导向弯曲(2)导向弯曲5 .实验结果处理按以下五种实验结果评定方法进行,若无裂纹、裂缝或裂断,则评定试件合格。(1)完好试件弯曲处的外表面金属基本上无肉眼可见因弯曲变形产生的缺陷时,称为完好。(2)微裂纹试件弯曲外表面金属基本上出现细小裂纹,其长度不大于2,宽度不大于02mm时,称为微裂纹。(3)裂纹试件弯曲外表面金属基本上出现裂纹,其长度大于2mm,而小于或等于5mm,宽度大于0.2mm,而小于或等于0.5mm时,称为裂纹。(4)裂缝试件弯曲外表面金属基本上出现明显开裂,其长度大于5mm,宽度大于0.5mm时,称为裂缝。(5)裂断试件弯曲外表面出现沿宽度贯穿的开裂,其深度超过试件厚度的1/3时,称为裂断。注:在微裂纹、裂纹、裂缝中规定的长度和宽度,只要有一项达到某规定范围,即应按该级评定。试件结果评定12表1结果评定1.3思考题1.分析材料在拉伸时的力学性能及断口特征。

展开阅读全文
相关资源
猜你喜欢
相关搜索

当前位置:首页 > 建筑/环境 > 建筑材料生产技术

copyright@ 2008-2023 1wenmi网站版权所有

经营许可证编号:宁ICP备2022001189号-1

本站为文档C2C交易模式,即用户上传的文档直接被用户下载,本站只是中间服务平台,本站所有文档下载所得的收益归上传人(含作者)所有。第壹文秘仅提供信息存储空间,仅对用户上传内容的表现方式做保护处理,对上载内容本身不做任何修改或编辑。若文档所含内容侵犯了您的版权或隐私,请立即通知第壹文秘网,我们立即给予删除!