SY 4031—93 石油建设工程质量检验评定标准自动化仪表安装工程_1.docx

上传人:p** 文档编号:1210732 上传时间:2024-11-25 格式:DOCX 页数:18 大小:101.27KB
下载 相关 举报
SY 4031—93 石油建设工程质量检验评定标准自动化仪表安装工程_1.docx_第1页
第1页 / 共18页
SY 4031—93 石油建设工程质量检验评定标准自动化仪表安装工程_1.docx_第2页
第2页 / 共18页
SY 4031—93 石油建设工程质量检验评定标准自动化仪表安装工程_1.docx_第3页
第3页 / 共18页
SY 4031—93 石油建设工程质量检验评定标准自动化仪表安装工程_1.docx_第4页
第4页 / 共18页
SY 4031—93 石油建设工程质量检验评定标准自动化仪表安装工程_1.docx_第5页
第5页 / 共18页
SY 4031—93 石油建设工程质量检验评定标准自动化仪表安装工程_1.docx_第6页
第6页 / 共18页
SY 4031—93 石油建设工程质量检验评定标准自动化仪表安装工程_1.docx_第7页
第7页 / 共18页
SY 4031—93 石油建设工程质量检验评定标准自动化仪表安装工程_1.docx_第8页
第8页 / 共18页
SY 4031—93 石油建设工程质量检验评定标准自动化仪表安装工程_1.docx_第9页
第9页 / 共18页
SY 4031—93 石油建设工程质量检验评定标准自动化仪表安装工程_1.docx_第10页
第10页 / 共18页
亲,该文档总共18页,到这儿已超出免费预览范围,如果喜欢就下载吧!
资源描述

《SY 4031—93 石油建设工程质量检验评定标准自动化仪表安装工程_1.docx》由会员分享,可在线阅读,更多相关《SY 4031—93 石油建设工程质量检验评定标准自动化仪表安装工程_1.docx(18页珍藏版)》请在第壹文秘上搜索。

1、石油建设工程历辰检验评定标准自动化仪表安装工程StandardforInspectionandEva1.uation(Xia1.ityofPetro1.eumConstructionEngneeringAutomaticInstruaentInstii1.1.ationEngineering1总剜1.0.1本。农适用于石:工程地面建设中的自动化仪表安装工程质量的检验和讦定。本标准不适用于计算机和其它智能仪表安装工程。1.0.2自动化仪表安装工程分项、分部单位)工程的名称应符合表1.0.2的规定。臼动化仪表安装工程分项.分部(单位)工程的名称表1.0.2分需(单位工程g粘分项工程名称自动化仪表安

2、装工程仪表盘.操作8)安装工桎.遐度仪表安装工程,压力代表安装工程.节濠装置安鬟工程.定量及受压仪表安爰工程.物位仪表安装工号,分析仪表安1.调节年.执行机的相电僦问安境工程.仪表供电设备及供气.供液东统安代工程,代表用电黑及仿注相搜地工笈.仪表用管珞敝设工程.脱胎与防冲工程.信号、联侦及保炉袋置安袋工基,仪氽调咬工程等1.0.3在执行太标准的同时,尚应谨守SY402493石;M设工程质量检验评定标准通则的规定.1.0.4本标准的主要指标和要求是根据GBJ93-864工业自动化仪表工程施工及验收标准3提出的.1.0.5本标准质量保证资料应符合标准附录A的要求。1.0.6按本标准检验时笠用的检验

3、器具应符合本标准附录B的规定。2仪表叠(希、操作台安装工程2.1 保证工程2.1.1 基林型钢的规格、型号和材质必须符合设计要求。检验方法,按设计检查.2.1.2 仪表盘(箱.操作台)及附属设备的住号、规格.型号必须符合设计要求。检脸方法,按设计要求检查,并核对产品合格证.2.2 根本工程1. 2.1仪表盘(操作白)型钢底座安装的放才要求及其检验方法、规定分值应符合表2.2.1的规定.仪耒身(操作台)型钢底座安装的质量要求及其检验方法.规定分值表2.21质量要求外形尺寸与盘(操作台)相符位置符合设计要求底座上面水平,且需于地面固定车因油漆完好接地符合设计要求或有关标准规定检亚方法用尺测It用尺

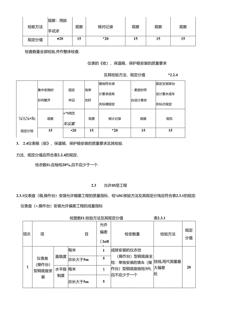
4、测量按设计也查观褰观察:用报手试紧观察核对记录规定分值151515201520注:表2.2.1中带*项为主要子项,余同.-编者检查数量,成排安装的仪表盆(操作台)的型铜底座必须全新校验.并作婺体检宜,单独安袋的仪表蜜(操作台)的型钢底座应抽检30E,且不应少于一个.2. 2.2单独仪表盆(操作台)安装的质量耍点及其检眩方法,规定分值应符合表2.2.2的规定.成井仪枭叠(操作台安装82582084的战量重求及其检转方法、规定分值表2.2.3质量要求固定牢固油漆完好接地符合设计要求或有关规定标准螺栓有防锈层就报得台设计要求也封符合设计要求检眩方法观察:用扳手试浓观察核对记录观察观察观察规定分值20

5、15*20151515检查数量全部检验,并作整体检查.仪表的收)、保温箱,保护箱安装的质量要求及其检验方法、规定分值*2.2.4集中安我时孙列整齐固定牢囚询序完好搜地符合谀计要求或有关标噌规定柔密时符台设计委京固定支架辞台设计要水或车关标次规定fc观察*t用页车议案现景核计记录观察现东规定分馆152015*2015153. 2.4仪表箱(扳、保遑箱、保护箱安装的质量要求及其检验.力法、规定分值应符合表2.2.4的规定,检衣数I1.应柚检20%,且不应少于一个.2.3 允许Ift受工程2.3.1仪表盘(箱,操作台)安袋允许帼墓工程的质量指标、检ftf.核验方法及其规定分饯应符合表2.3.1的规定

6、.仪表盘(.操作台)安装允许偏差工程的成量指标检登数I1.检验方法及其规定分值表2.3.1项次项目允许偏差(InB)检安数量检验方法规定分值1仪表叁(操作台)型钢底座安装直跳度每米1成排安装的仪衣世(操作台)型钢底座全检:单独安装的表&(操作台)型铜底座抽检3州,且不应少于一个技线,用尺测量最大偏差处20总长大于5m5水平假制度每米1总长大于5m5单独仪表线垂直度(每米)1.5抽核30且不应少于一个在野面,软国用吊或相,与W*2(操作台安)水平幅斜庾每米)1在处11锻.用尺车M班水平例M25垂直度(每米)1.5在#面、侧面用吊线和尺测量相邻两盘(#)顶部高差2在建顶拉线,测量或用水平仪测量3成

7、排仪表盘(操作台)安装盆顶最大高爱盍码连接多于两处)5金却检般在直顶拉坎.测量或用水平仪测电30盘正面相邻两身(台)接缝处1从疝面上.中、下用拉线法测量幅度竟间选接(多于五处)5从盍面上.中、下用拉线法测量2用塞尺测量仪表箱(板)、垂直高度W1.2a3用吊度和只测It度高度1.2m4抽检20%,且应不少于一个用吊现和尺谢*1保温箱,保存箝安水平单个3用水平仪S懂箱25装倏料度5个以上5用水平仪.拉线测量2.4仪表盘(箱、操作台)安装分项工程质量检验评定表2.4.1 仪表盘(箱,耀作台)安装分项工程质量检亚评定表的格式应符合表2.4.1的规定.单位工程名称:分项工程名秫:仪表盘(箱、操作台安装分

8、项工程质量检验评定表表2.4.I分布工程名分项工程性质:保迂工程项目质量情泥1基础型铜的规格、型号和材度必须符合设计要求2仪表身(.操作台)及附属设备的位号.规格、型号必须符合设计要求基项目实徉分数规定分值子项平均分数工程实再分数123456789101型钢底里安装(1)外型尺寸与盘(操作台)相符15(2)位置籽合设计要求15(3)底座上外表水平,且高出地面15*固定牢固20(5)油漆完好15*6)接地碎合设计要求或有关标准规定202华独仪表盘(操作台)安装*(1)国定牢固20(2)冠漆完好15*(3)接地符合设计要索或有关标准规定20(4)螺检有防锈层15(5)减振符合设计要求15(6)函封

9、符合设计要求153*(1)固定牢固20成排仪表宜(操作台)安装(2)油漆完好15*接地符合设计要求或有关标准规定20(4)螺性有防锈层15(5)武振符合设计要求15(6)密封符合设计要求154仪表箱(板)、保海箱、保护箱安装(1)集中安装时排列整齐15(2)固定车困20(3)油漆完好15*接地符合设计要求或有关标准规定20(5)忒袋、容点符合谀计要求15(6)盅定文架符合设计要求或有关标准规定15埃表2.4.1项目现定W允许俗(mm)实测偏差或实测值规定分值合格率工程实得分数123567891O1仪表这(操作台)整铜底座直拨度每米1总长大于5520允安装水平例斜每米1许扁&度总长大于5a52单

10、独仪表#(提垂直度每米1.5工程作台)安装水倾斜度每米125垂直度(等米)1.5*3成挣仪表直操作台安装相邻两窗(台)顶部高差2盘1克最大商差塞何连接多于两处530盘正由平相邻两盘(台)13洛度仪表安装工程3.1保证工程3.1.1温度取源握件及仪表垫片的材质必须符合设计要求。检验方法核对产品合格证。3.1.2仪表设备由规格、型号必须符合设计要求.检险方法作设计检查,并核对产品合格证,3.1.3取源部件向工艺管道,工艺设备与仪表设备间的连接必须牢困.产舍.无捧漏;耐压试骏必须符合有关标准鲂定.检险方法核时试压,试漏记录:观察.3.2根本工程3.2.1强度取强部件安装的质量要求及其检验方法,规定分值应挎合表3.2.1的既定。温度取每部件安装的质量要求及其检睑方法.规定分值表3.2.1质量要求垂直安装时吩道与琅源部件西轴埃塞直相交在管道拐弯处安装时营道与取现部件两轴线重合假料安装时逆介质流向加扩大传安装时,

展开阅读全文
相关资源
猜你喜欢
相关搜索

当前位置:首页 > 行业资料 > 国内外标准规范

copyright@ 2008-2023 1wenmi网站版权所有

经营许可证编号:宁ICP备2022001189号-1

本站为文档C2C交易模式,即用户上传的文档直接被用户下载,本站只是中间服务平台,本站所有文档下载所得的收益归上传人(含作者)所有。第壹文秘仅提供信息存储空间,仅对用户上传内容的表现方式做保护处理,对上载内容本身不做任何修改或编辑。若文档所含内容侵犯了您的版权或隐私,请立即通知第壹文秘网,我们立即给予删除!