[监理资料][安全台账]塔吊专项方案监理审查 与实施情况监理检查表.docx

上传人:p** 文档编号:1213944 上传时间:2024-11-25 格式:DOCX 页数:2 大小:9.17KB
下载 相关 举报
[监理资料][安全台账]塔吊专项方案监理审查 与实施情况监理检查表.docx_第1页
第1页 / 共2页
[监理资料][安全台账]塔吊专项方案监理审查 与实施情况监理检查表.docx_第2页
第2页 / 共2页
亲,该文档总共2页,全部预览完了,如果喜欢就下载吧!
资源描述

《[监理资料][安全台账]塔吊专项方案监理审查 与实施情况监理检查表.docx》由会员分享,可在线阅读,更多相关《[监理资料][安全台账]塔吊专项方案监理审查 与实施情况监理检查表.docx(2页珍藏版)》请在第壹文秘上搜索。

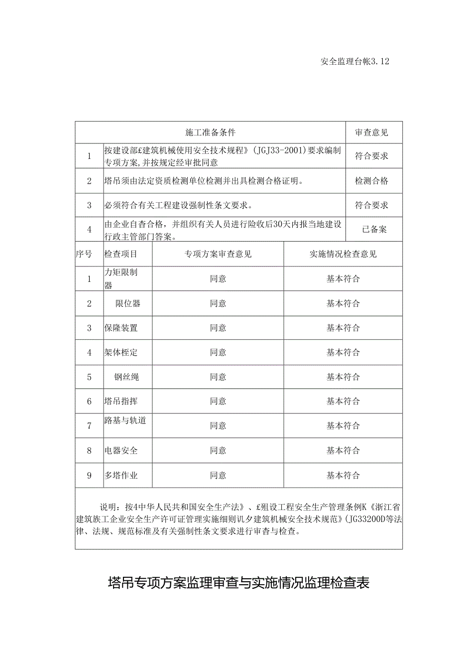
安全监理台帐3.12塔吊专项方案监理审查与实施情况监理检查表施工准备条件审查意见1按建设部建筑机械使用安全技术规程(JGJ33-2001)要求编制专项方案,并按规定经审批同意符合要求2塔吊须由法定资质检测单位检测并出具检测合格证明。检测合格3必须符合有关工程建设强制性条文要求。符合要求4由企业自杳合格,并组织有关人员进行险收后30天内报当地建设行政主管部门答案。已备案序号检查项目专项方案审查意见实施情况检查意见1力矩限制器同意基本符合2限位器同意基本符合3保隆装置同意基本符合4架体桎定同意基本符合5钢丝绳同意基本符合6塔吊指挥同意基本符合7路基与轨道同意基本符合8电器安全同意基本符合9多塔作业同意基本符合说明:按4中华人民共和国安全生产法、殂设工程安全生产管理条例K浙江省建筑族工企业安全生产许可证管理实施细则讥夕建筑机械安全技术规范(JG33200D等法律、法规、规范标准及有关强制性条文要求进行审杳与检查。项目总监签名:记录日期:2009-10-18

展开阅读全文
相关资源
猜你喜欢
相关搜索

当前位置:首页 > 建筑/环境 > 工程监理

copyright@ 2008-2023 1wenmi网站版权所有

经营许可证编号:宁ICP备2022001189号-1

本站为文档C2C交易模式,即用户上传的文档直接被用户下载,本站只是中间服务平台,本站所有文档下载所得的收益归上传人(含作者)所有。第壹文秘仅提供信息存储空间,仅对用户上传内容的表现方式做保护处理,对上载内容本身不做任何修改或编辑。若文档所含内容侵犯了您的版权或隐私,请立即通知第壹文秘网,我们立即给予删除!