2012.08.02储罐焊接管理规定.docx

上传人:p** 文档编号:1227994 上传时间:2024-12-16 格式:DOCX 页数:11 大小:42.85KB
下载 相关 举报
2012.08.02储罐焊接管理规定.docx_第1页
第1页 / 共11页
2012.08.02储罐焊接管理规定.docx_第2页
第2页 / 共11页
2012.08.02储罐焊接管理规定.docx_第3页
第3页 / 共11页
2012.08.02储罐焊接管理规定.docx_第4页
第4页 / 共11页
2012.08.02储罐焊接管理规定.docx_第5页
第5页 / 共11页
2012.08.02储罐焊接管理规定.docx_第6页
第6页 / 共11页
2012.08.02储罐焊接管理规定.docx_第7页
第7页 / 共11页
2012.08.02储罐焊接管理规定.docx_第8页
第8页 / 共11页
2012.08.02储罐焊接管理规定.docx_第9页
第9页 / 共11页
2012.08.02储罐焊接管理规定.docx_第10页
第10页 / 共11页
亲,该文档总共11页,到这儿已超出免费预览范围,如果喜欢就下载吧!
资源描述

《2012.08.02储罐焊接管理规定.docx》由会员分享,可在线阅读,更多相关《2012.08.02储罐焊接管理规定.docx(11页珍藏版)》请在第壹文秘上搜索。

1、-.前言二日的:三、 编制依据:GB50128四、 储就I、材料建造储罐选用的材料及附件,应具有质联合格证明书,并符合相应国家现行标准规定。钢板和附件上应有清晰的产品标识。1.1.焊接材料(焊条、焊丝、焊剂、保护气体)应具有质后合格证明书,并符合下列要求:。焊条应符合现行国家标准佩钢焊条CB/T5117、低合金铜焊条3GIVM以不锈钢焊条?GB/T983的规定。药芯焊丝应符合现行国家标准工碳刖药芯炜丝看GB/T100.I5.不锈钢药芯焊丝GB/T17853的规定,埋弧焊使用的焊丝应符合现行国家标准C熔化厚用刖丝G1.VTM957、气体保护电弧焊用碳钢、低合金的焊丝:GBEmo的规定。2)焊剂应

2、符合现行国家标准”里瓠婢用碳弱焊丝和焊剂HGT5293,低合金钢埋孤焊用焊剂3GBT1.2470的规定,3)二氧化碳气体应符合国家现行标准8焊接用:氧化碳XHG.T2537的规定;保护用依气应符合现行国家标准可纯褊GB4842的规定。2, 一般规定2.1 钢板坡I加工应平整,不得在夹渣、分层、裂St等缺陷,火焰及等熟了切割坡口产生的表面硬化层,应去除。2.2 焊接4妾头的坡口形式和尺寸,当图样无要求时,应按现行国家标准气焊、手工电弧焊及气体保护焊焊缝坡口的基本形式与尺寸3GB/I985、埋弧焊焊缝坡口的基本形式与尺寸BGB986的规定选用,纵缝气体保护焊及环缝理弧焊的焊接接头形式,宜符合下列要

3、求:纵健气体保护焊的对接接头,印度小于或等于24mm的壁板宜采用单面坡口:厚度大于24mm的壁板宜采用双面坡口。其间限为,1.6mm,钝边不大于2mm,坡口宽度为16-18mm。环缝理瓠焊的对接接头,厚度小于或等于12am的宜采用单面坡口;厚度大于12mm的宜采用双面坡口.坡口角度为452.5。.钝边不大于2mm,间隙为OImm.2.3成板制前应绘制排版图,并应符合下列规定:D各圈壁板的飒焊缝宜向网方向逐圈错开,相制圈板纵缝间距宜为板长的13,且不应小于300un2)底圈壁板的纵焊与罐底边缘板的对接焊缝之间的印禺.不应小于300mm.3)开孔和探墩焊缝之1可的距因:罅壁厚度大于12m,接管与那

4、壁板焊后未进行消除应力热处理时,开孔接管或补强板外缘与城壁纵坏焊缝字之间的距离,应大干焊角尺寸的8倍,且不应小于250mm瑞壁厚度不大于12mm或接管与罐壁板焊后进行消除应力热处理时,开孔接管或补强板外缘与球覆纵焊缱之间的距离,不应小丁150mm:与排壁环焊缱之间的距离.不应小于壁板厚度的2.5倍,且不应小于75mn4)城壁上连接件的里板周边焊与解壁纵焊缝或接管、补强圈的边麻角焊之间的印离.不应小于15(n:与罐壁环片缝之间的距离,不应小于75nm;如不可避免与族造焊健交叉时被覆英焊级应磨平并进行射线或超声波检测里板向烟继在搬壁对接焊筵两侧边缘最少20mm处不焊.5)抗风圈和加强圈与插空环理缝

5、之间的距离,不应小于15Omn1.6)包边用钢时接接头与壁板飒向焊缝之间的距离,不应小于200mm,3、组装3.14.1.1储槽组装前,应将构件的坡口和搭接部位的铁锈、水分及污物清理干净。4.1.2拆除组装工卡具时,不得损伤母材。钢板表面的焊疤应打磨平滑。如果母材有损伤,应按本规范第5.6节的要求进行修补。4.1.3不锈钢罐的组装,还应符合下列要求:1罐壁、罐底及附件不得打焊:钢印号,并防止划痕和撞伤。2组装工卡具宜采用不锈钢材质,碳素钢工卡具不应与不锈钢瓶接触及焊接。如需要接触及焊接,应在卡具上焊上不锈钢隔离垫板。3在组装焊接过程中应防止电弧擦伤等现象。4.1.4储雄组装过程中应采取措施,防

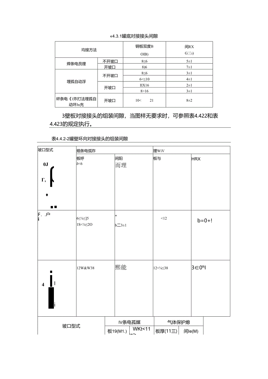
6、止大风等自然条件造成储4.3,1城底采用带垫板的对接接头时,垫板应与对接的两块底板贴紧,并点焊固定,其缝隙不应大于Im0罐底板对接接头间隙,mFnaT*4.3.1罐底对接接头间隙均接方法钢板双度BOIB)间RXG三)焊条电员理不开坡口8651开坡口8)671埋孤自动浮不开坡口863161631砰条电1炸打法埋孤自动坪Jn充开坡口1021823壁板对接接头的组装间隙,当图样无要求时,可参照表4.422和表4.423的规定执行。表4.4.2-2罐壁环向对接接头的组装间隙坡口型式烟条电弧炸理WiV板呼间阳板与HRX0J,.16而理F,,户*b二31i651S2O12b=0+!熙能30ftI4iI12

7、W&W381238i坡口型式IV条电孤媒气体保护熄板19(M1.)WKt板厚(11三)间Ie(M)七6b=1.+!6899415b2ib=2+!W24b=51.I4244壁板组装时,应保证内表面齐平,错边盘应符合下列规定:D纵向焊缝错边量:焊条电冷焊时,当板厚小于或等于IOmm时,不应大于Irnn1:当板厚大于不mm时,不应大于板厚的0.1倍,且不应大于1.5mm:自动焊时,均不应大于In1.n102)环向焊健错边量:焊条电弧焊时,当上圈壁板厚度小于或等于8mm时,任何一点的错边量均不应大于1.5mm;当上圈壁板厚度大于8mm时,任何一点的错边量均不应大于板厚的02倍,且不应大于2mm。自动焊

8、时,均不应大于1.5mmV3开孔接管法兰的密封面不应有焊瘤和划痕,法兰的密封面应与接管的轴线垂直,且应保证法兰面垂直或水平,倾斜不应大于法兰外径的1$,且不应大于311un,法兰的螺栓孔应跨中安装。4、焊接5.1.1 焊接工艺评定除应符合国家现行标准钢制压力容器焊接工艺评定B4708的规定外,还应符合下列要求:焊接工艺的评定应包括T形角焊缝试件。T形接头角焊缝试件的制备和检验,应符合本规范附录A的规定。W匚应按现行国家标准GB50236和TSGZ62-2OIO的有关规定诳行考试,并应符合下列规定:1考试试板的接头形式、焊接方法、焊接位置及材质等,均应适用于储罐的焊接。2对于埋弧焊焊工除应进行埋

9、弧焊平焊或横焊位置的考试外,还应进行焊条电弧焊平焊位置的考试。3气体保护焊焊接罐壁纵缝焊工应通过立焊板状试板的考试。4试板必须进行外观检查、射线检测检查和冷弯试验。射线检测检查应以不低于国家现行标准承压设备无损检测JB/T4730.1-4730.6的I1.级为合格。S31储罐施工前,应根据焊接工艺评定报告,制定焊接施工技术措施或编制焊接工艺指导书。5.1.2 焊接次备应满足焊接工艺和焊接材料的要求.5.1.3 焊接材料的管理应帏国飒行标准解接材料质量管理规程JBZT3223的要求。使用前应按产品说明书或表5.3.3的规定进行烘干和使用。烘干后的低氢型焊条,应保存在100、150C的恒温箱中。随

10、用随取。低氢型焊条在现场使用时,应备有性能良好的保温筒,超过允许使用时间后应重新烘干。表5.3.3焊接材料烘干和使用种美煤干温度(r)恒i1.1.时向(三)允许使用时向(W响M烘干次皎非低氧型焊条(纸推索型除外)1007500.5-183低班型焊条1-212焊剂络炼型150-3001-24烧结型200-WO5.1.4 气体保护焊所使用的二氧化碳气体纯度,不应低于5.1.5 O水分含量不应超过0.005%(质量)。使用前,宜将气瓶倒皆24h,并将水放尽。5.4.1 定位焊及工卡具的焊接,由合格焊工担任,其焊接工艺应与正式焊接相同。引孤和熄孤不应在母材或完成的焊道上。每段定位焊缝的长度:不锈钢,不

11、宜小于30m;普通碳素钢和低合金钢,不宜小于50mm;标准屈服强度大于390MPa的低合金钢.不宜小干8011m.5.4.2 焊接前应检查组装质量,清除坡1.1.面及坡1.I两侧20mm范围内的铁锈、水分和污物,并应充分T燥。5.4.3焊接中始端应采用后退起弧法,必要时可采用引弧板。终端应将孤坑填满。多层焊的层间接头应错开。5.4.5板厚大于或等于6廊的搭接角接,应至少焊两遍。5. 4.5当采用碳用气刨时,消根后应修整刨槽,磨除磨碳层;当母材标准屈服强度大度大OMPa时,还应作渗透检测。6. 4.6在卜.列任何一种环境,如不采取有效防护措施,个应进行焊接:1雨天或雪天和雾天;2焊条电弧焊时,风

12、速超过8ms;气体保护焊时,风速超过2ms;3焊接环境气温:碳素钢焊接时低于-20C,低合金钢焊接时低于10七,不锈钢焊接时低于一5C,标准屈服强度大于390MPe的低合金钢焊接时低于0C;4大气相对湿度超过905。5.4.7预热温度按焊接工艺评定进行,预热时应均匀加热.预热范围,不应小于焊缝中心线两侧各3倍板厚,且不应小于100nIn1。预热温度,应采用测温笔或表面温度计在距焊缝中心线50mm处对称潮量。焊前预热的焊缝,焊接层间温度不应低于预热温度。5.4.8焊接时应按焊接施工技术措施或焊接工艺卡严格控制灯格线能量C5.4.9 根据设计和焊接工艺,需后热消氢处理的焊缝,应在焊接完毕后立即进行

13、消氢处理。消氢处理的如热温度宜为250、350C,保温的时间宜为0.51.h.5.4.10 标准屈服强度大于390MPU的低合金钢焊接时,除应符合主述有关要求外,还应符合下列规定:1焊条电弧焊用的焊条,其熔敷金属的扩散氢含量不应超过5m1.100g(甘油法)。2板厚大于25mm,采用碳孤气创清根时,应进行预热。预热温度宜为100150C。5.4.11 底板和壁板强度不同的钢材焊接时,直选用与强度较低约钢材相匹配的焊接材料和采用与强度较高的钢材相应的焊接工艺。5.4.12 不锈钢罐的焊接要求:1在保证焊透及熔合良好的条件下,应选用较低的热输入、短电孤和多层焊道,层间温度不宜过高;2耐腐蚀性要求较

14、高的双面焊缝,与介质接触面的焊缝最后施焊;3定位焊前,坡U两侧各150mm范围内涂上白里粉或其他防溅剂,以防焊接飞溅物沾污焊接表面;4严禁在坡口外引弧;5不锈钢隆进行倒装时,应防止纵缝焊接造成的内圈壁板损伤5.4.13 不锈钢罐的焊后表面的酸洗、钝化处理,应严格按设计文件或国家现行标准执行。5.5焊接顺序5. 5.1罐底的焊接,应采用收缩变形最小的焊接工艺及焊接顺序,且宜按下列顺序进行:1中幅板焊接时,先惮短煤缝,后惮长焊缝.初层焊道应采用分段退焊或跳焊法。2弓形边缘板的焊接,宜符合下列规定:D首先施焊靠外缘300三部位的焊缝C在罐底与罐壁连接的角焊缝焊完后且边缘板与中幅板之间的收缩缝施焊前,完成剩余的边缘板对接焊缝的焊接和中幅板的对接焊缝。2)弓形边缘板对接焊缝的初层焊,宜采用焊工均匀分布,对称施焊方法。3)收缩缝的第一层焊接,采用分段退焊或跳焊法。3非弓形边缘板的罐底不宜留收缩缝。4罐底与罐壁连接的角焊缝,在底圈壁板纵焊缝焊完后施焊,由数对焊工从罐内、外沿同方向进行分段焊接。初层焊道,55.2罐壁的焊接,宜按下列顺序进行:1罐壁的焊

展开阅读全文
相关资源
猜你喜欢
相关搜索

当前位置:首页 > 建筑/环境 > 建筑规范

copyright@ 2008-2023 1wenmi网站版权所有

经营许可证编号:宁ICP备2022001189号-1

本站为文档C2C交易模式,即用户上传的文档直接被用户下载,本站只是中间服务平台,本站所有文档下载所得的收益归上传人(含作者)所有。第壹文秘仅提供信息存储空间,仅对用户上传内容的表现方式做保护处理,对上载内容本身不做任何修改或编辑。若文档所含内容侵犯了您的版权或隐私,请立即通知第壹文秘网,我们立即给予删除!